Back to Home Page of CD3WD Project or Back to list of CD3WD Publications

Index.htm Thr360.htm

 

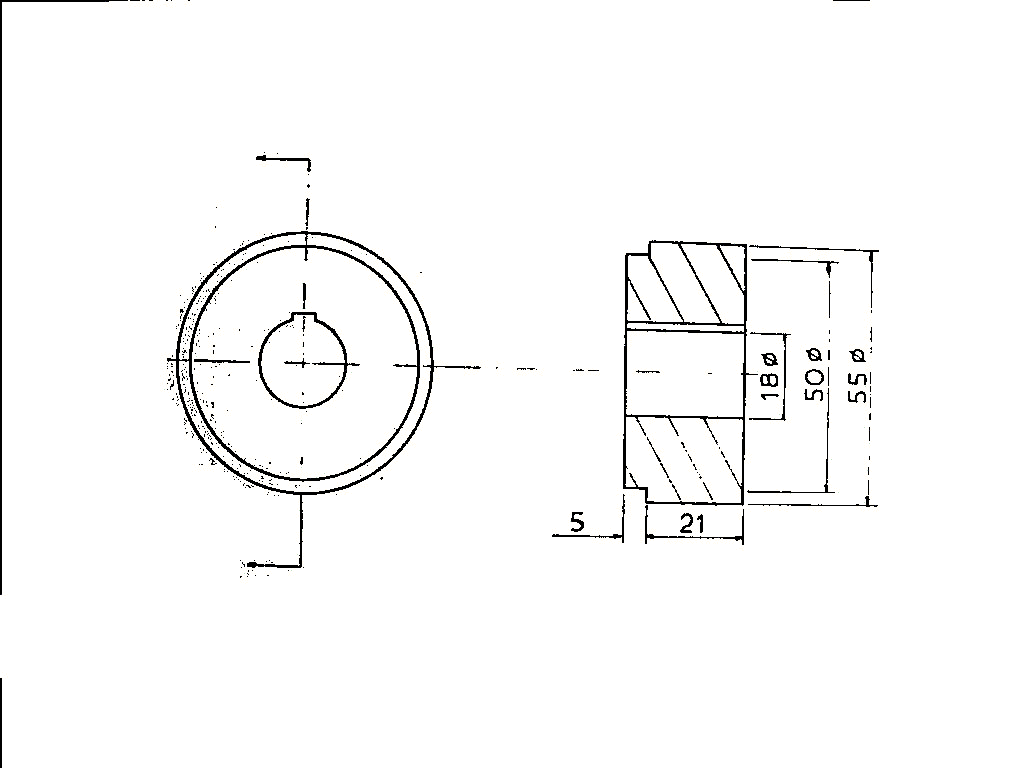
PEDAL THRESHER / MILL - DRUM SHAFT SPROCKET HUB, 1 PIECE, MILD STEEL

 

CD3WD Project Donate