2.7 Alimentation en eau et évacuation des eaux usées
Table des
matières - Précédente
- Suivante
Chacune des opérations entrant dans la fabrication du sucre exige des quantités plus ou moins importantes d'eau. Les besoins en eau du processus d'extraction d'une sucrerie betteravière se chiffrent à 20 m³/t de betterave. Il est possible de réduire cet apport d'eau à 0,5 m³/t en ayant recours à des circuits fermés d'eau. Par ailleurs, il est indiqué de prévoir des circuits séparés pour les eaux très polluées (eaux de transport, de nettoyage, de régénération, eau de précipitation) et les eaux peu polluées (eaux de refroidissement des turbines et des pompes, eau de barrage, eau de lavage de gaz, excédent d'eau de condensation) car l'eau peu polluée (en Allemagne < 60 mgl DCO ou 30 mg/l DBO5) peut alors être déversée dans un cours d'eau. Dans une sucrerie bien gérée, il est possible de réduire le volume des eaux usées très polluées à 0,2 m³/t de betterave ; il faut veiller à ce qu'il ne dépasse pas 0,5 m³/t car dans ce cas les frais d'épuration des eaux usées font que la production n'est plus rentable. La pollution de l'eau augmente tout au long de la campagne sucrière et finit par atteindre des DCO de 6 500 mg/l et des DBO5 de 4 000 mg/l et plus. Les usines traitant la canne à sucre génèrent d'importantes quantités d'eau de lavage (jusqu'à 10 m³/t) et de condensat mixte (eau de précipitation) issu de la condensation des vapeurs et du raffinage du sucre brut. Ces eaux doivent circuler en circuit fermé (besoins importants de terrain en cas de bassins d'aération, investissements élevés en cas de tours de refroidissement). On constate une forte pollution de l'eau de lavage de la canne (260 à 700 mg/l DBO5), des résidus de filtration (2 500 à 10 000 mg/l DBO5), de l'eau de nettoyage du charbon animal et des résines d'échangeur d'ions dans les raffineries (750 à 1 200 mg/l DBO5). Les eaux de nettoyage comprennent aussi les eaux usées ayant servi au lavage des locaux et installations de fabrication pendant et après la campagne sucrière, de même qu'au nettoyage des véhicules de transport du sucre. Les jus et eaux qui s'échappent en cas d'incident de fonctionnement (le jus clair a p. ex. une DBO5 d'env. 80 000 mg/l) viennent s'y ajouter, de sorte que l'on peut avoir des valeurs de jusqu'à 18 000 mg DBO5/l. Les négligences sont la principale cause de pollution excessive des eaux usées. Si l'entreprise est bien gérée, il est possible d'éviter que ces eaux usées atteignent des valeurs de plus de 5 000 mg DBO5/l. Pour réduire la charge organique en même temps que les pertes de sucre dans le condensat mixte (30 à 150 mg/l), il faut impérativement prévoir des séparateurs sur les conduites d'évacuation des vapeurs.
Dans une sucrerie, la gestion des effluents doit avoir pour objectif de réduire le plus possible les quantités d'eau polluées qui seront ensuite déversées dans le milieu récepteur, avec ou sans traitement préalable. Parmi les mesures visant à économiser l'eau et à réduire la pollution, il faut avant tout citer le recyclage des eaux de process. Les flux étant organisés en circuit fermé, on fera en sorte que les eaux peu polluées, ne nécessitant aucun traitement, soient déversées dans le milieu récepteur.
Les procédés d'épuration des eaux usées susceptibles d'être mis en oeuvre dans les sucreries dépendent dans une large mesure des données locales. Le concept adopté pour les eaux usées et les circuits d'eau a une influence décisive sur la taille de l'installation et sur le degré d'épuration pouvant être obtenu.
Les eaux usées sont d'abord soumises à un prétraitement mécanique visant à éliminer les matières en suspension avant de subir un traitement aérobie. La méthode la plus simple - et préférable de loin à toutes les autres - de traitement des eaux usées chargées de substances organiques d'une sucrerie est leur collecte dans un système de lagunes étagées fonctionnant suivant le principe du trop-plein. Les eaux usées y subissent un processus d'auto-épuration. Le temps nécessaire à une épuration suffisante des eaux usées sur plusieurs niveaux dépend des facteurs suivants:
- niveau de l'eau dans la lagune étagée,
- surface de lagunage,
- fond de la lagune/étanchéité suffisante par rapport au sol,
- conditions atmosphériques,
- arrivée d'eau d'autre origine.
L'auto-épuration dans la lagune étagée est d'autant plus rapide si la profondeur de l'eau est faible et la température élevée. La profondeur de bassin ne doit pas être supérieure à 1,20 m dans les zones à climat tempéré tandis que des valeurs de 1,50 m sont tout à fait acceptables dans les zones subtropicales/tropicales (culture de la canne à sucre). Une forte évaporation entraîne une concentration des composants des eaux usées ; l'afflux d'eaux d'autre provenance et l'apparition de fortes précipitations se traduisent par une dilution des eaux à épurer dans le bassin. L'épuration des eaux usées ayant une concentration de 5 000 mg DBO5/l, charge courante dans l'industrie sucrière locale, exige un rendement permanent d'au moins 99% si on veut obtenir une DBO5 de 30 mg/l. Avec une profondeur de bassin de 1 m et un temps de séjour de 6 à 8 mois, on obtient des valeurs de 100 mg DBO5/l, ce qui correspond à une eau partiellement épurée biologiquement. Dans les zones de culture de la canne à sucre, il est possible d'obtenir une épuration biologique intégrale (et une DBO5 de moins de 30 mg/l) en 5 à 6 mois avec une bonne technique de lagunage étagé. Cette méthode de longue durée pourrait permettre de résoudre le problème des eaux usées dans l'industrie sucrière de la betterave, à condition de disposer de surfaces d'étang suffisantes. L'industrie de transformation de la canne à sucre dispose généralement de terrains plus vastes et a de ce fait recours presque exclusivement à la méthode du lagunage étagé.
La dégradation des substances organiques s'accompagne de différents processus aérobies et anaérobies. Les phénomènes de fermentation et de putréfaction que l'on observe au cours des processus anaérobies peuvent dégager des odeurs gênantes, avant tout par formation d'hydrogène sulfuré et d'acide butyrique. Il est néanmoins possible de pallier cet inconvénient en choisissant des sites adéquats et en assurant une oxygénation supplémentaire suffisante. Dans le cas des procédés d'épuration par boues activées, l'oxygène est amené dans l'eau grâce à un système d'aération.
Les installations continues compactes se caractérisent par une plus forte densité des micro-organismes et un apport plus élevé d'oxygène ; le degré d'épuration est d'env. 90%. La charge volumique est nettement supérieure. Elle est de l'ordre de 2 à 7 kg DCO (m³/jour). L'énergie nécessaire pour l'apport d'air est d'env. 3,5 kWh (m³/jour).
Les installations de traitement anaérobie des eaux usées sont composées de grandes citernes (env. 3 000 à 7 000 m³) dans lesquelles des bactéries anaérobies dégradent les substances organiques pour donner du biogaz (env. 75 à 80% de méthane). Leur rendement est excellent dans le cas des eaux usées très polluées. Les composants organiques sont dégradés à raison d'env. 80 - 85%, le reste de la dégradation s'effectuant par traitement aérobie dans le système d'aération. L'avantage de ce procédé est qu'il permet d'utiliser directement le méthane comme source d'énergie pour le chauffage des citernes et de résoudre le problème des odeurs, sans compter le gain de place par rapport aux lagunes.
Le volume des boues résultant du traitement des eaux usées est minime à côté des importantes quantités de boue provenant des circuits d'eau de lavage et éventuellement de l'épuration du jus (boues de chaux). Leur utilisation est la même que celle des écumes de filtration (TZ. 2.3). Le "traitement extensif des eaux usées" se fait généralement par le biais d'une irrigation par aspersion et très rarement par ruissellement. Il faut dans ce cas des surfaces planes, non drainées, des sols profonds n'ayant pas tendance à l'envasement et une nappe phréatique suffisamment basse (> 1,30 m). Les phénomènes suivants accompagnent le passage des eaux dans le sol:
- Filtration mécanique à la surface ;
- Absorption des substances dissoutes par les bactéries du
sol ;
- Oxydation biologique de la matière filtrée et adsorbée par
les bactéries du sol pendant les périodes de repos entre les
différents apports d'eaux usées.
L'irrigation par ruissellement se fait généralement sur de petites parcelles entourées de diguettes (appelées filtres d'accumulation). Les faibles dimensions des parcelles et les diguettes empêchent dans une large mesure la mécanisation des façons culturales. Seules s'y prêtent les espèces cultivées à port érigé et pouvant supporter l'eau en excès, p. ex. les arbres et les prairies,.
L'aspersion est le procédé d'épuration biologique nécessitant le plus de travail. Les matières décantables doivent être éliminées afin de minimiser les risques de colmatage dans les dispositifs d'aspersion. L'alimentation doit être intermittente et la quantité distribuée par unité de surface ne doit pas être trop importante (< 500 mm/période de végétation - pas plus de 80 mm par aspersion). Si elles ont subi une épuration préalable dans des lagunes étagées de façon à ne pas dépasser 180 mg de DBO5/l,. les eaux usées peuvent également servir pour irriguer des surfaces drainées, à condition que la nappe phréatique soit suffisamment profonde. Outre l'effet d'épuration des eaux dans le sol, l'emploi des eaux usées pour l'irrigation a par ailleurs une action fertilisante.
3. Aspects à inclure dans l'analyse et l'évaluation des effets sur l'environnement
3.1 Exigences relatives à la limitation des émissions
Parmi les exigences auxquelles doivent satisfaire les sucreries, nous distinguerons ici les exigences générales et les exigences spécifiques. La réglementation générale sur la limitation des émissions porte sur les aspects suivants :
- les seuils d'émission dont le dépassement peut être
évité par la mise en oeuvre des moyens correspondant à l'état
actuel de la technique,
- les exigences relatives à la limitation des émissions
compte-tenu de l'état actuel de la technique,
- des exigences diverses visant à prévenir les atteintes à
l'environnement par pollution atmosphérique,
- les procédés permettant de mesurer les émissions.
A cet égard, on préconisera les mesures suivantes:
- Réduction des émissions gazeuses par encoffrage des
équipements concernés.
- Enregistrement des flux d'émissions gazeuses.
- Recyclage de l'air et optimisation des processus grâce à la
récupération de l'énergie thermique rejetée dans
l'atmosphère.
- Conditions de rejet telles que les émissions gazeuses soient
évacuées par le flux d'air atmosphérique.
- Les cheminées doivent avoir une hauteur d'au moins 10 m
au-dessus du sol et dépasser le faîtage d'au moins 3 m ;
elles ne doivent toutefois pas être plus hautes que deux fois la
hauteur du bâtiment.
- Dans le secteur du traitement des eaux usées, y compris les
lagunes aérées, les équipements doivent être conçus et
gérés de manière à empêcher dans la mesure du possible les
fermentations anaérobies.
Les exigences spécifiques (p. ex. en Allemagne les Instructions Techniques sur le maintien de la pureté de l'air "TA-Luft") sont les suivantes:
- La température d'entrée dans la cuve des installations de
séchage pour cossettes de betterave ne doit pas être
supérieure à 750° C, sinon il convient de prendre les mesures
adéquates afin de réduire les odeurs.
- L'émission de poussières dans les fumées humides ne
doit pas dépasser 75 mg/m³ (f).
- Si on utilise des combustibles solides ou liquides,
la teneur en soufre ne doit pas dépasser 1%, compte tenu d'un
pouvoir calorifique inférieur à 29,3 MJ/kg pour les
combustibles solides. Dans le cas contraire, les émissions
gazeuses doivent être épurées de manière à les ramener à un
taux équivalent.
Pour toutes les émissions considérées, l'élément déterminant est la charge polluante, qui s'obtient en multipliant le volume des gaz qui s'échappent de la cheminée par la concentration de substances nocives. Cette charge polluante est composée essentiellement de soufre, d'oxyde d'azote, de monoxyde de carbone et de poussières.
Les installations de chauffe qui ont une puissance calorifique < 50 MW doivent respecter les seuils limites d'émission suivants:
| Emissions | Unité | Combustibles | ||
| solides | liquides | gazeux | ||
| Poussières | mg/m³ | 50 | 80 | 5 |
| CO | mg/m³ | 250 | 175 | 100 |
| NOx | mg/m³ | 400 | 300 | 200 |
| SO2 | mg/m³ | 2000 | 1700 | 35 |
Source: "TA-Luft"
Ces seuils se réfèrent à une teneur volumétrique en oxygène des émissions gazeuses de 3% pour les combustibles liquides et gazeux. Pour les combustibles solides, cette valeur est de 7% dans le cas du charbon et de 11% pour le bois.
Les cendres volantes et la suie sont les principaux responsables de la pollution de l'air lors de la combustion de la bagasse. Les gaz de fumée de la bagasse ne renferment pas de substances toxiques. En cas d'utilisation de fuel dans l'industrie sucrière de la canne, des valeurs de 0,5 à 1,0% en poids de soufre sont tolérées dans le fuel.
Le paramètre essentiel en matière d'épuration biologique et d'appréciation de la qualité des eaux d'un cours d'eau est la demande biologique d'oxygène (DBO5). C'est la quantité d'oxygène en mg/l qui est consommée en 5 jours à 20° C par les micro-organismes. La demande chimique d'oxygène (DCO) indique quant à elle la teneur de l'eau en substances oxydables ; cette méthode ne tient pas seulement compte des substances actives biologiquement, mais aussi des composés organiques inertes. La méthode DCO (indicateurs: permanganate de potassium ou dichromate de potassium) est une méthode indispensable pour la détermination rapide du degré de pollution des eaux.
Dans ses directives pour l'industrie sucrière de la canne, la Banque mondiale affirme que trois paramètres sont d'une importance décisive pour l'évaluation de la présence de matières biodégradables dans les eaux usées de sucrerie et de leur impact sur l'environnement:
Les exigences minimums à respecter pour le déversement des eaux usées dans les cours d'eau sont basées sur les procédés d'épuration en usage dans les branches industrielles concernées. Elles doivent être adaptées à l'état actuel de la technique.
Les niveaux de rejet limites ci-après ont été définis en Allemagne pour la fabrication du sucre et les branches de fabrication connexes (notamment fabrication d'alcool et de levure à partir de la mélasse) (source: (1)):
| A cm3/l Echantillon localisé | DCO mg/l Echantillon composite |
DBO5 mg/l Echantillon composite | (GF) Echantillon localisé | |
| Eau de barrage et eau de condensation | 0,3 | 60 -- | 30 -- | -- |
| Autres eaux | 0,5 | 500 450 | 50 40 | 4 |
A = Volume des matières décantables.
GF = Toxicité pour les poissons, exprimée en tant que facteur minimum de dilution des eaux usées pour lequel tous les poissons contrôlés survivent pendant 48 heures dans des conditions normalisées. Dans le cas des lagunes aérées, ces valeurs sont valables pour les échantillons localisés.
Selon les données locales, il peut s'avérer nécessaire de définir des limites pour d'autres paramètres de déversement des eaux usées dans le milieu récepteur, p. ex. température, pH, ammonium, chlorure.
Aux Etats-Unis, la "Environmental Protection Agency" (Agence pour la protection de l'environnement - EPA) a défini des valeurs limites pour les sucreries de canne (fabriques de sucre de canne et raffineries).
Ces valeurs limites générales, considérées comme "best available technology economically achievable" (BATEA ou BAT, meilleure technologie disponible pouvant être mise en oeuvre dans des conditions économiques acceptables), sont les suivantes:
| Sucrerie de canne | (kg/t de canne) | DBO5 | A | |
| Valeur journalière max. | 0,10 | 0,24 | ||
| Moyenne de 30 jours | 0,05 | 0,08 | pH 6,0 - 6,9 | |
| Fabrique de sucre blanc | (uniquement condensat mixte) | (kg/t de sirop brut) | ||
| Valeur journalière max. | 0,18 | 0,11 | ||
| Moyenne de 30 jours | 0,09 | 0,035 | pH 6,0 - 6,9 | |
| Fabrique de sucre liquide | (uniquement condensat mixte) | (kg/t de sirop brut) | ||
| Valeur journalière max. | 0,30 | 0,09 | ||
| Moyenne de 30 jours | 0,15 | 0,03 | pH 6,0 - 6,9 |
Les valeurs de référence pour les émissions sonores à proximité de sucreries sont de 60 dB(A) le jour et de 45 dB(A) la nuit (Allemagne). Les sucreries de canne sont généralement situées au coeur de la zone de culture, et très rarement à proximité de grandes zones d'habitation. Les usines sont de construction légère et ouverte (du fait du climat) ; les équipements de réception et de transport de la canne à sucre jusqu'au moulin sont installés en plein air (fort dégagement de poussières).
L'émission de bruit peut être limitée grâce à la protection acoustique des bâtiments et locaux, par capsulage des sources de bruit et par insonorisation.
Des protections individuelles contre le bruit doivent être prévues si le niveau sonore des sources de bruit ne peut être réduit ou si l'isolation acoustique des postes de travail bruyants n'est pas possible.
Ceci est notamment le cas des installations de déchargement et d'ensachage, de manutention de la canne et des broyeurs d'extraction, des installations de lavage de la matière première ainsi que du turbinage. Dans les ateliers, il s'agit essentiellement des travaux effectués sur les tours d'un diamètre > 500 mm, sur les machines à travailler la tôle, les perceuses et les machines à découper. Le niveau de puissance acoustique dans ces zones oscille entre 80 et 130 dB(A). En présence de valeurs > 85 dB(A), il convient de porter des protections auditives individuelles (bouchons d'oreilles, protecteurs antibruit). En présence de niveaux de pression acoustique > 115 dB(A), il est conseillé de combiner ces deux formes de protection acoustique.
3.2 Réduction et surveillance des émissions
Les mesures visant à éviter les dommages causés par l'anhydride sulfureux contenu dans les gaz de fumée consistent à retenir le SO2 dans des installations de désulfuration (p. ex. absorption dans du lait de chaux) et à utiliser des combustibles pauvres en soufre. Une installation de dépoussiérage par voie humide placée avant l'entrée dans la cheminée est une méthode efficace pour réduire la charge polluante des émissions gazeuses. Cette épuration par voie humide permet une séparation non seulement de la poussière, mais aussi du SO2 (env. 30%). En utilisant de la boue de carbonatation comme liquide de lavage, on obtient des concentrations de poussière de moins de 75 mg/m³ (f) dans le gaz épuré. Les émissions de SO2 sont par la même occasion réduites de 60 à 70%. Le "lavage par boue de carbonatation" permet donc d'éliminer la poussière et le SO2 d'une manière particulièrement favorable à l'environnement car il ne pose pas de problèmes supplémentaires d'eaux usées ou de résidus.
Les émissions de poussière dans l'atelier de cristallisation sont réduites à l'aide de dépoussiéreurs humides ou de filtres textiles. La concentration dans le gaz épuré est de moins de 20 mg/m³. Les quantités de poussière dégagées lors des opérations ultérieures de traitement et de conditionnement sont réduites de la même façon.
Dans l'industrie sucrière de la canne, le pourcentage généralement élevé de cendres volantes oblige à prendre des mesures adéquates d'épuration des gaz de fumée. Les anciennes installations de chauffe peuvent être équipées sans problèmes de séparateurs par voie humide ou par voie sèche (les cyclones, qui ont un rendement d'env. 96%, exigent plus d'investissements et d'entretien que les séparateurs par voie humide). Les besoins en eau pour une séparation par voie humide sont de l'ordre de 0,025 m³ d'eau/25 m³ de gaz.
Le contrôle des émissions et de la température dans les gaz résiduaires du générateur de vapeur et du séchage des cossettes est assuré par des dispositifs de mesure intégrés fonctionnant en continu. L'industrie du sucre de canne utilise essentiellement des appareils portatifs (p. ex. appareils d'Orsat) p. ex. pour la détermination de l'oxygène, du dioxyde et du monoxyde de carbone. Dans le cas d'installations neuves équipées de dispositifs d'épuration des émissions gazeuses de technologie récente et si les émissions de poussière sont inférieures à 75 mg/m³, des mesures quotidiennes avec un appareil portatif suffisent.
Les odeurs gênantes dues aux émissions d'ammoniac peuvent être évitées dans une large mesure dans les installations fonctionnant en continu par circulation en circuit fermé.
Les lagunes étagées devraient systématiquement être équipées de systèmes additionnels d'aération ; des cylindres d'aération se sont avérés très efficaces sur de telles installations. Les lagunes ne doivent pas être situées à proximité immédiate de la sucrerie ou des habitations du personnel (surtout pas dans le lit des vents dominants).
Pour la détermination du débit des effluents, on pourra par ex. mesurer la vitesse d'écoulement à l'aide de turbines puis intégrer la section d'écoulement, ou mesurer le débit directement au moyen d'un déversoir de mesure.
Les échantillons composites prélevés pour le contrôle des effluents sont analysés suivant DEV (source: (5)) pour la DBO5 et conformément aux normes DIN pour les substances décantables, la DCO et la toxicité pour les poissons. Dans son document "Methods for Chemical Analysis of Water and Wastes" l'Agence américaine pour la protection de l'environnement EPA a défini des méthodes d'évaluation des paramètres des effluents pour l'industrie du sucre de canne. Dans le cas des lagunes étagées, on peut se contenter d'échantillons localisés, étant donné les faibles variations dans le temps de la composition des eaux usées et les longues durées de séjour.
Pour s'assurer que la réglementation relative à la protection de l'environnement est effectivement respectée, il conviendrait de mettre en place des organes et mécanismes de surveillance, par. ex. en la personne d'un préposé à l'environnement. Celui-ci serait chargé de veiller au bon fonctionnement et à l'entretien régulier des équipements de lutte contre la pollution ainsi que de la formation et de la sensibilisation du personnel aux problèmes de l'environnement. Des services de soins médicaux devraient être prévus à l'intérieur de l'entreprise ainsi que pour la population avoisinante.
3.3 Seuils limites définis pour la protection de la santé
Substances pour lesquelles ont été définies des concentrations maximum en ambiance professionnelle (valeurs MAK) ou des concentrations techniques de référence (CTR):
| mg/m3 | Applications/points d'émission | ||
| Ammoniac ........... | 35 | - | Préparation des matières premières, extraction, épuration du jus, concentration du jus, lagunes étagées ; |
| Poussière
............. d'amiante |
0,025 | - | Isolation thermique, adjuvants de filtration (kieselgur) ; |
| Plomb .................. | 0,1 | - | Laboratoire: solution aqueuse d'acétate de plomb pour la clarification des échantillons de jus en vue de déterminer la polarisation ; |
| Oxyde de ............. calcium. | 5 | - | Fabrication du lait de chaux: épuration du jus, neutralisation des acides, traitement des eaux usées ; cuisson du calcaire ; |
| Acide ................... chlorhydrique | 7 | - | Station d'évaporation: cuisson à l'acide chlorhydrique dilué pour l'élimination des incrustations (carbonate de calcium) ; |
| Formaldéhyde ...... | 1,2 | - | Désinfectant: aux stades de la production où les pullulations microbiennes sont à craindre, principalement dans l'extraction ; |
| Hydrazine ............ | 0,13 | - | Agent anticorrosif pour l'eau des chaudières (liaison chimique de l'oxygène avec l'hydrate d'hydrazine) ; |
| Dioxyde de .......... carbone | 9000 | - | Epuration du jus (carbonatation) ; cuisson du calcaire ; |
| Anhydride ........... sulfureux | 5 | - | Fabrication à partir du soufre dans les fours à soufre, épuration du jus (sulfitation), acidification de l'eau d'extraction, gaz résiduaire en cas d'utilisation de combustibles fossiles ; |
| Hydrogène ........... sulfuré. | 15 | - | Préparation de la matière première ; lagunes étagées ; |
| Poussières
........... (en général) |
6 | - | Réception de la matière première et broyage, séchage des pulpes et du sucre, ensachage du sucre ; stockage de la bagasse résiduelle. |
Les floculants synthétiques ne dégagent pas de poussière et n'irritent pas la peau lorsqu'on les manipule ; d'une manière générale, ils ne sont pas toxiques. Les substances cancérigènes et celles dont il est permis de supposer qu'elles ont un potentiel cancérigène sont les suivantes: poussières d'amiante, chromate d'alcali et chromate de plomb (réactifs de laboratoire), formaldéhyde, hydrazine, fumées du soudage.
La dose létale (DL50) d'une solution de formaldéhyde titrant 39% est de 800 mg/kg de poids du corps (administration orale: rat) ; dans l'ordonnance allemande sur les substances chimiques, elle est classée parmi les substances dangereuses "moyennement toxiques" et porte le symbole de danger R22 ("nuisible à la santé en cas d'ingestion") (nécroses de la bouche, de l'oesophage, de l'estomac).
Mesures: Toujours garder sous clef les substances chimiques toxiques ; porter des gants en caoutchouc pour les analyses; veiller à un nettoyage soigneux des récipients et des instruments ; prévoir des hottes d'aspiration et des dispositifs d'aération.
4. Interactions avec d'autres domaines d'intervention
La fabrication du sucre résulte de l'action conjuguée de l'agriculture (production des plantes) et de l'industrie (technologie de transformation). Il existe des liens étroits dans les domaines écologique et technique. La mise en oeuvre de méthodes agricoles modernes pour la culture de la matière première, notamment pour la fertilisation et la protection des végétaux aura une influence favorable sur la valeur technologique de la betterave et de la canne à sucre (ensemble des propriétés physiques, mécaniques, chimiques et biologiques de la matière première). Des plantes de qualité supérieure faciliteront l'extraction et l'épuration du jus, ce qui se traduira par un meilleur rendement technologique et par conséquent une rentabilité supérieure de la sucrerie (taux supérieur d'extraction de sucre).
La bagasse résiduelle peut servir pour la production d'énergie électrique destinée au réseau public (dossiers sur les centrales électriques) ou pour la fabrication d'agglomérés (combustible pour usages domestiques). La bagasse sert en outre de matière première dans la fabrication de panneaux de fibres durs, de carton ou de papier (domaine d'intervention "Bois, scieries, transformation du bois, produits du bois" et "Pâte cellulosique et papier"). La mélasse ainsi que le jus de la canne à sucre et de la betterave sucrière sont utilisés comme matière première dans les processus de fermentation (domaines d'intervention consacrés à la fermentation et à la biotechnologie). De nombreuses branches de l'industrie des denrées alimentaires utilisent le sucre. Le sucre raffiné d'une grande pureté se prête à la fabrication de médicaments (domaine pharmaceutique).
Toutes les sucreries betteravières et quelques sucreries de canne sont équipées de fours à chaux pour la fabrication d'oxyde de calcium et de dioxyde de carbone ; il existe donc un lien entre la fabrication du sucre et le domaine d'intervention décrit dans le dossier "Industrie et artisanat - Ciment et chaux, plâtre".
Il existe par ailleurs des rapports avec les domaines "Adduction et distribution d'eau en milieu urbain", "Alimentation en eau des régions rurales", "Assainissement " et "Elimination des déchets" en général.
5. Appréciation récapitulative de l'impact sur l'environnement
Les processus d'extraction du sucre et de la transformation des sous-produits ont des effets multiples sur l'environnement. Ils peuvent être réduits à l'aide de méthodes et procédés éprouvés de façon à obtenir des charges polluantes minimales, dont certaines sont imposées par la législation. La part des coûts imputable aux dispositifs de lutte contre la pollution est d'env. 15 à 20% du montant total des investissements pour les sucreries betteravières neuves et de 10 à 15% pour les sucreries de canne.
Le volume des eaux usées peut être réduit à un minimum grâce à une conception optimale des circuits internes d'eau et à la mise en oeuvre de procédés d'épuration éprouvés (dégradation dans des lagunes étagées/installations d'épuration biologique). Il importe de procéder à des contrôles systématiques du processus afin d'éviter que des solutions saccharifères ne soient déversées dans les circuits d'eau. Ceci aura non seulement pour effet de réduire les charges polluantes mais aussi d'améliorer le taux d'extraction et la rentabilité. Les écumes de filtration mêlées à de la terre peuvent servir pour l'amendement du sol après dégradation des charges polluantes. Il serait bon de prévoir la production de biogaz comme combustible dès le stade de la planification d'une sucrerie.
Les émissions des installations de production d'électricité et de séchage peuvent être limitées grâce aux techniques d'épuration mises au point à cet effet. Il faut notamment s'attendre à un pourcentage élevé de suie et de cendres dans les émissions gazeuses si la bagasse est utilisée comme combustible ; dans ce cas, il faudra prévoir des dispositifs d'optimisation du processus de combustion et d'épuration des gaz résiduaires.
La construction ouverte des sucreries dans les zones climatiques chaudes rendant inefficace toute mesure de protection contre le bruit, seul un éloignement suffisant par rapport aux zones d'habitation permettra d'éviter les nuisances acoustiques à l'extérieur de l'usine.
D'une manière générale, on peut affirmer que les nuisances générées par une sucrerie peuvent être minimisées grâce aux technologies existantes. Dès le stade des études, on devra veiller à ce que le parfait état de fonctionnement des installations soit assuré pendant des années et faire en sorte que celles-ci soient utilisées de manière optimale. Ceci implique qu'une formation adéquate soit dispensée aux techniciens et que ces derniers aient conscience de la nécessité de procéder régulièrement aux travaux de maintenance. Des projets de formation pour techniciens et artisans peuvent facilement être mis en oeuvre dans les sucreries.
Les sucreries contribuent au développement économique général d'un pays grâce notamment à l'intensification de l'agriculture, à l'amélioration des infrastructures, à l'amorce d'une industrialisation des régions rurales, à la création d'emplois dans l'agriculture et dans l'industrie. Elles attirent de ce fait le potentiel de main-d'oeuvre des zones avoisinantes. Il en résulte en règle générale une croissance incontrôlée des communes avec pour effet que les infrastructures et les services publics sont bien vite saturés. Il convient donc d'éviter dès le départ que les nouveaux venus s'établissent à proximité immédiate du chantier. Afin de minimiser de prime abord les conséquences néfastes, on devra dès le stade de planification travailler en collaboration étroite avec les autorités compétentes en matière de planification du développement régional. De même, il faudra prévoir une participation des groupes de population concernés, et notamment des femmes, à la prise de décisions à tous les niveaux de la planification afin que des problèmes éventuels, tels des conflits relatifs à l'utilisation des terres, puissent être maîtrisés.
(1) Achtzehnte Allgemeine Verwaltungsvorschrift über Mindestanforderungen an das Einleiten von Abwasser in Gewässer (Zuckerherstellung), janvier 1982.
(2) Autorenkollektiv, Die Zuckerherstellung, Fachbuchverlag, Leipzig, 1984.
(3) Bronn W.K.: Untersuchung der technologischen und wirtschaftlichen Möglichkeiten einer Abfallminderung in Hefefabriken durch Einsatz von anderen Rohstoffen anstelle von Melasse, Forschungsbericht, 1985.
(4) Davids, P. et Lange, M.: Die TA-Luft, Technischer Kommentar, Herstellung oder Raffination von Zucker, 672 - 678, Verlag des Vereins Deutscher Ingenieure, 1986.
(5) Deutsche Einheitsverfahren zur Wasser-, Abwasser- und Schlammuntersuchung, Fachgruppe Wasserchemie, 1979.
(6) Großfeueranlagen-Verordnung, Dreizehnte Verordnung zur Durchführung des Bundes-Immissionsschutzgesetzes, 1983.
(7) Hugot: Handbook of Cane Sugar Engineering, Elsevier Scientific Publishing Company, 1972.
(8) International Commission for Uniform Methods of Sugar Analysis, Report of the Proceedings of the 20th Session, 1990.
(9) Korn, K.: Harmonisierung von Umweltschutz und Kostenbelastung an Beispielen der deutschen Zuckerindustrie 12, 1987.
(10) Meade, G.P., Chen J.C.P.: Cane Sugar Handbook, John Wiley Sons, N.Y. 1985.
(11) National Institute of Occupational Safety and Health, Registry of Toxic Effects of Chemical Substances, 1984.
(12) Persönliche Mitteilungen des Instituts für Landwirtschaftliche Technologie und Zuckerindustrie zu Fragen über alternative Chemikalien zur Desinfektion und Reinigung von Säften in der Zuckerindustrie, 1991.
(13) Reichel, H.U.: Auswirkungen der TA-Luft und der Großfeueranlagen-Verordnung auf die Zuckerindustrie, 1985.
(14) TA-Luft (Instructions Techniques sur le maintien de la pureté de l'air): Erste Allgemeine Verwaltungsvorschrift zum Bundes-Immissionsschutzgesetz, 1986.
(15) Technische Regeln für gefährliche Arbeitsstoffe, Bundesarbeitsblatt, 1985.
(16) UNEP-Industry- & Environment Overview Series, Environmental Aspects of the Sugar Industry, 1982.
(17) Untersuchungen über Desinfektionsmittel für deren Einsatz in Extraktionsanlagen, Nickisch/Hartfiel/Maud, Zuckerindustrie 108, 1983.
(18) Zucker-Berufsgenossenschaft, Lärmbereiche in der Zuckerindustrie, 1978.
Annexes:
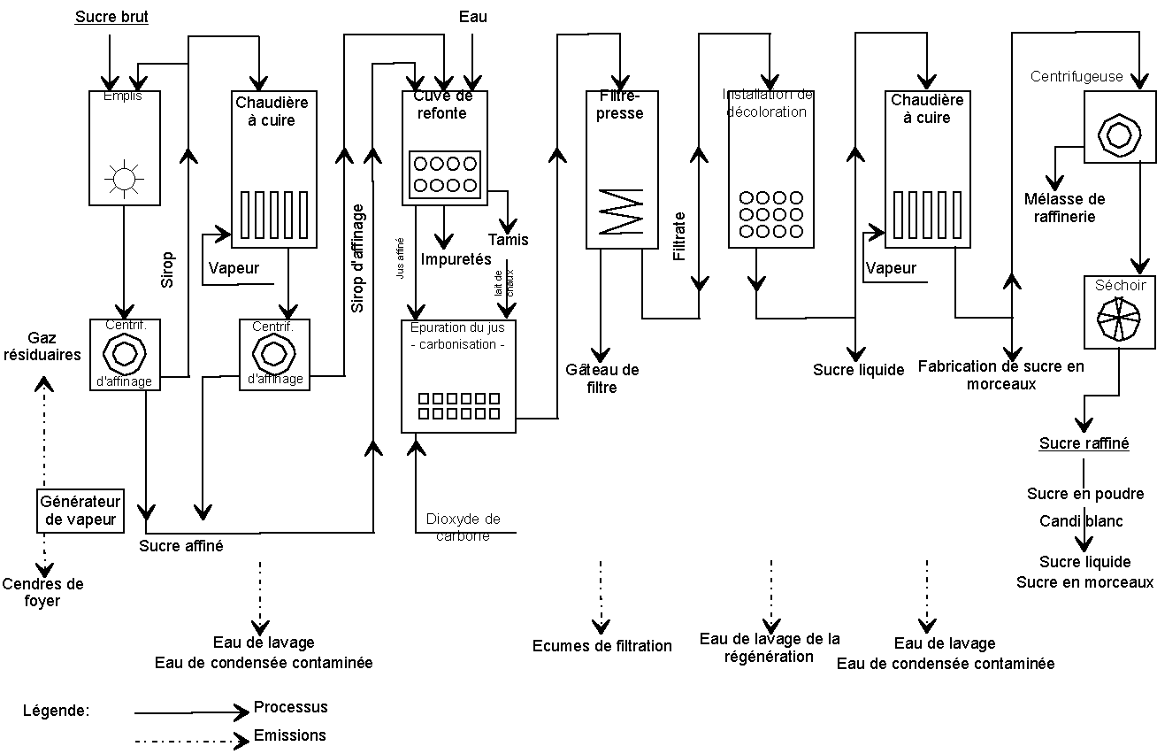
Annexe 1: Schéma de fonctionnement - Fabrication de sucre brut à partir de canne à sucre
Annexe 2: Schéma de fonctionnement - Fabrication de sucre blanc à partir de betteraves sucrières
Annexe 3: Schéma de fonctionnement - Raffinage de sucre de canne brut
Annexe 4: Circuits d'eau d'une sucrerie (betteraves sucrières)
Annexe 5: Contrôle des effluents d'une sucrerie (canne à sucre)
Le sucre -
Annexe 1
Le
sucre - Annexe 2
Le
sucre - Annexe 3
Le
sucre - Annexe 4
Le
sucre - Annexe 5