SEIS BOMBAS SIMPLES

CD3WD Project

Back to Home Page of CD3WD Project or Back to list of CD3WD Publications


Home - English - French - German - Italian - Portuguese - Spanish
                               SEIS BOMBAS SIMPLES
 
                             UNA Guía de la Construcción
 
 
                                   Edited por
                                Margaret Crouch
 
 
                                                    UNA PUBLICACIÓN DE VITA
 
                        
                                     VITA
                       1600 Bulevar de Wilson, Colección 500,
                         Arlington, Virginia 22209 EE.UU.
                     TEL: 703/276-1800. El facsímil: 703/243-1865
                          Internet: pr-info@vita.org
 
 
LOS RECONOCIMIENTOS DE                               
 
La producción de Seis Bombas Simples ha requerido el consejo y
la especialización de muchos Voluntarios de VITA. VITA se endeuda a ellos,
no sólo para los planes originales, pero también para su experto
la guía durante la preparación del manual. Especial gracias
vaya a:
 
Derek W. Adams, gerente técnico de diseñar y R&D para
Daystrom S.A.., Gloucester, REINO UNIDO; Stephen Bernath, consultor en
la hidrología del bosque y dirección de la divisoria de aguas; Leonard G. Doak,
el ingeniero profesional y consultor de alfabetización; el Soldado alemán de la Cañada,
el experto en las bombas, pozos, y equipo de la granja; V. Geethaguru,
investigue a tecnólogo al Shri AMMA Murugappa Chettiar
Investigue Centro, los Madrás, India; William Kennedy, miembro del
la facultad de diseñar las mecánicas en la Universidad Abierta, Milton,
Keynes, REINO UNIDO; Dr. Richard G. Koegel, Investigación Agrícola
Diseñe con el Lechería Forraje Investigación Centro americano en Madison,
Wisconsin; Jerry Lundquist, escritor técnico y editor; Loren
Sadler, mayor ingeniero del plan para el Sperry la Nueva Cía. de Holanda;
Dr. Clifford L. Sayre, Hijo, profesor de ingeniero mecánico
en la Universidad de Maryland; Dr. Charles D. Spangler, sanitario,
el consultor diseñando al Banco Mundial QUE, USAID, y
otros; y Dr. Yaron M. Sternberg, profesor de ingeniería civil,
y director de los recursos hídricos Rurales Internacionales
El laboratorio en la Universidad de Maryland.
 
El Christopher Schmidt, el artista independiente, con tal de que los dibujos,
y Julie Badger del personal de VITA hizo composición y diseño.
Otros ayudantes del personal eran Gregory À. James y Robert
Guiando.
 
La Publicación de Seis Bombas Simples era hecho posible por una concesión
de las Industrias de la Cómoda, Inc., un fabricante principal de bombas
y bombeando el aparato. Con sus propios productos comerciales
inalcanzable por muchas personas en los países en desarrollo, Cómoda
los apoyos VITA en este esfuerzo para ayudar a esas mismas personas a lograr un
el suministro fiable de agua.
 
                                      Margaret Crouch, las Publicaciones de VITA,
                                      Volunteers en la Ayuda Técnica
                                      Arlington, Virginia,
                                      el 1982 dado diciembre
 
EL ÍNDICE DE MATERIAS DE                              
 
LA INTRODUCCIÓN
 
La bomba de diafragma (la Irrigación)
 
LANZADOR PUMP (Irrigación o agua potable)
 
SPANGLER PUMPS (agua potable o irrigación)
 
La BOMBA de INERCIA (la Irrigación)
 
ANIMAL MANEJADO la bomba de cadena (la Irrigación)

ssp1x57.gif (600x600)


 
El TORNILLO del ARQUÍMEDES (la Irrigación)
 
LAS TABLAS DE CONVERSIÓN
 
LOS RECURSOS DE AND DE REFERENCIAS
 
EL APENDICE I - DECISIÓN QUE HACE LA HOJA DE TRABAJO
 
EL II DE          - LA HOJA DE TRABAJO DE GUARDA DE REGISTRO
 
         III - LA FABRICACIÓN DEL PORTACOJINETE DE MADERA
 
 
LA INTRODUCCIÓN DE                              
 
Durante los años VITA ha constituido los planes disponibles un ancho
la variedad de bombas por mano operadas, desarrolló o modificó
principalmente por Voluntarios de VITA para los proyectos en el campo. El
los planes responden a las condiciones locales--una bomba con de madera
las partes para Vietnam dónde el metal pequeño estaba disponible; otro
basado en el cloruro de polivinilo (PVC) la cañería; todavía otros adaptaron
de los planes probados y verdaderos, pero con eficacia agregada o facilidad
de construcción.
 
VITA ha compilado unos media docena de estos planes en esto
el manual. La colección nieva un rango de opciones para simple
bombas que son relativamente barato y fácil construir y mantener
con las habilidades locales y materiales. Ellos presentan las alternativas viables
a bombas más caras que requieren los combustibles del fósil costosos
para el funcionamiento. Algunos también servirían bien como la base para
las empresas industriales pequeñas.
 
Porque ellos deben imprimarse o por otra parte no pueden sellarse, la mayoría
de las bombas y agua-alzando dispositivos presentados aquí son principalmente
útil para los propósitos de la irrigación. El Spangler bombea, y
la bomba del cántaro en ciertas aplicaciones, sin embargo, puede usarse
eficazmente en los pozos sanitarios para el systems de suministro de agua potable.
 
Para la salud y la seguridad razona, el bien para ser usado con el
deben cubrirse las bombas si posible. El pequeño-taladro los pozos sanitarios
debe sellarse con cemento o piedra - o ladrillo-trabajo para prevenir
la contaminación del abasteciemiento de agua. Pueden cubrirse los pozos más grandes
con las plataformas fornidas. El bien la tapa proporciona una base para
atando el bomba-posición, y los auxilios previenen la entrada en el
bien de ruinases que podrían dañar la bomba o causa excesivo
lleve en las piezas que mueve.
 
La tierra alrededor del bien debe estarse en declive fuera del bien
abriendo para permitir el agua excesiva para escaparse. Esto ayuda prevenga
la filtración de agua contaminada atrás en el bien. También ayuda
prevenga el aumento de barro piscinas estancadas antis que son primeras
las tierras engendrando para la lombriz de gancho, mosquitoes, y otras pestes.
 
Pero éste es un libro de la bomba, no un manual de los pozos. Los editores hacen
presuma un nivel de experiencia--o acceso a la especialización--con
los pozos. Para la información extensa sobre construir y operar el agua
los pozos, se envían los lectores en la sección de los Recursos a varios
los libros excelentes en el asunto. Y para la protección apropiada
de pozos del agua potable, verifique con el más cercano sanitario
inspector del Ministerio de Salud.
 
Las instrucciones completas por construir cada bomba son incluidas en
el manual, con los dibujos detallados para guiar la construcción. Operando
y también se dan las direcciones de mantenimiento. La eficacia
las comparaciones le permiten a la usuaria que escoja el plan bueno para un
la situación particular.
 
Lectores que pueden estar usando este manual como la parte de una irrigación
o el proyecto del abasteciemiento de agua se insta para avisar VITA para necesitó
el soporte técnica. La decisión que hace la guía en el Apéndice I
ayude preguntas del marco y consideraciones de proyecto de enfoque.
VITA también puede proporcionar técnico. y ayuda de dirección a
aquéllos que pueden ser interesados fabricando las bombas.
 
La Mesa de                        de Usos y Coste
 
Pump           Deep            el Flujo de         Poco profundo:        EST. el cost:
el well             del type           bien el gal/min de         .      1981 EE.UU. $
 
1.  Diafragma     -          a 25 ft.        10 a 30     $10 a $20
 
2.  Lanzador       -           15 ft.            8 a 10    $20 a $40
 
3.  Spangler 50[plus] ft.   a 20 pie          5 a 15        $20
 
4.  Inercia       -           12 a 24  pie     20 a 70    $10 a $20
 
5.         Animales - el maximum         de           100 a 150   $50 a $100
    Driven                   20 pie ventaja de                       , de -
    Chain                                                 pendiente en
                                                         AVAILABIL -
El ity de                                                          de
                                                         parte
 
6. Archi-        -          1 a 2 pie        50 a 150    $10 a $50
EL MEDES DE   
   Screw
 
LA BOMBA DE DIAFRAGMA DE                          
 
Esta bomba accionado por la mano <vea figura 1-5> se diseñó para el uso en Vietnam en el

ssp1x10.gif (600x600)


temprano 1960s. Es principalmente hecho de madera y caucho, más
los broches metales, lavanderas, y bujes a dos punto de uso. Él
consiste en una cámara bombeando que es una caja de madera a prueba de agua
encaje con dos valves de ala flexible de caucho. Un diafragma hizo del interior
caucho del tubo forma la cima de la más bajo cámara bombeando. Un
el asa de la bomba vertical se ata al centro del diafragma.
Moviendo los aumentos de asa de bomba o disminuciones el
el volumen de la cámara bombeando. Es el cambio de volumen en
la conjunción con los dos valves del ala flexible a través de que fuerzan el agua
la bomba.
 
Pueden bombearse dos o tres litros de agua una distancia vertical
de tres a cuatro metros a cada golpe. Si la bomba es hecho
menor, bombeará una cantidad menor de agua una distancia mayor.
Si es hecho más grande, bombeará una cantidad más grande de
riegue una distancia más corta.
 
La bomba puede operarse por uno o dos personas, y puede ser
adaptado para el uso con animal o poder del viento. Bambú que conduce por tuberías o
pueden usarse otros cost conduciendo por tuberías bajos con la bomba para entregar
riegue económicamente para las distancias considerables. Dos o más
pueden usarse las bombas lado-por-lateral para mover más agua por el golpe,
o el extremo-a-extremo para mover riega más lejos.
 
Esta bomba tiene las ventajas lo siguiente:
 
    1)   es sumamente simple, sin cualquier ajustado o
Las piezas maquinada de    . Puede construirse y puede repararse con las habilidades
    y materiales encontraron en el medio pueblo.
 
    2)   la irrigación de la mano Diferente con los cubos, los restos del obrero
    estacionario mientras sólo los movimientos de agua. En usar el polo y
Los cubos de    , el obrero debe levantar su peso del cuerpo entero,
La ventaja de     el del polo y cubos. Esto es casi dos veces
    el peso del agua. En la suma, el obrero con
Los cubos de     deben hacer un viaje del retorno. El polo y system del cubo
    gasta mucho energía humana.
 
Dr. Richard G. Koegel, el diseñador primario de este plan, es
con el Lechería Forraje Investigación Centro americano a Madison, Wisconsin.
Voluntario de VITA durante muchos años, Dr. Koegel tiene la experiencia larga
en Asia y Africa dónde él diseñó, construyó, y
probado muchas tecnologías diseminadas a través de VITA.
 
LAS HERRAMIENTAS DE AND DE MATERIALES
 
LOS MATERIALES:
 
Part     Description                   Size                    Quantity
El Número
 
1            Handle                        2 " por 2 " por 36 ", madera dura                    1
 
1a           Asa arm                    1 " por 6 " por 8-1/2 ", hardwood                2
 
1b           Saetas, arme para bombear el handle     3/8 " dia. por 4 ", machine                    2
                                           echa el cerrojo a con las nueces y flat                     
Lavanderas de                                           
 
1c           vara del Pivote para el handle          1/2 " dia. por 8 " acero rod                   1
                                           o G.I. la cañería
 
1d           vara del Pivote que monta el clamps     Aprox. 1/16 " por 1 " por 4 "                    2
La                                            metal en plancha tira
 
2            Cima plate                     1 " por 14 " por 14 ", hardwood                  1
 
3            chamber       1 " Superiores y más bajo por 4 " por 10 ", hardwood                   4
             idean las partes
 
3a           Tornillos, estimulante y lower       Aprox. 1/4 " por 2 " lag                      12
             frame                         saetas o tornillos de madera
 
4            Diaphragm                     Approx. 1/16 " por 12 " por 12 "                  1
                                           el caucho del tubo interno
 
4a           Diafragma supports            1 " por 7 " por 7 ", madera dura                     2
 
4b           support             del Diafragma Aprox. 1/4 " por 3-1/2 "                       12
             que atan el screws              se retrasan saetas o tornillos de madera
 
4c           apoyo del Diafragma arm         2 " por 4 " por 6 ", hardwood                    1
 
4d           arm         de apoyo de Diafragma 3/8 " dia. por 5 " machine                      1
La              connector                     saeta, nuez y arandela plana
 
5            marco Superior y más bajo parte   1 " por 4 " por 12 ", hardwood                   4,
 
5a           Mismo como parte 3a               Mismo como parte 3a                             12
 
6            valve            de cheque de Toma de corriente Aprox. 1/16 " por 2-1/2 " by                  1
                                           2-3/4 " caucho del tubo interno
 
6a           valve            de cheque de Toma de corriente Aprox. 1/16 " por 2-1/2"                     1
EL              REINFORCEMENT                 DIA. el disco de metal en plancha
 
6b           reinforcement    de valve de Toma de corriente 1/4 " dia. por 1 " machine                     1
La              bolt                          saeta, nuez, y arandela plana
 
 
Part     la Description                 Size                    Cantidad
El Número
 
6c           valve            de cheque de Toma de corriente 3/4 " cabeza llana larga clava                   3
El broche de             
 
6d           gasket           de valve de Toma de corriente Aprox. 1/16 " por 4 " por 6 "                    1
                                           el caucho del tubo interno
 
6e           block                  2 " más Espaciales por 4 " por 6 ", hardwood                    1
 
6f           gasket           de valve de Toma de corriente Aprox. 1/16 " por 4 " por 6 "                    1
                                           el caucho del tubo interno
 
6g           flange                 de la Toma de corriente 2 " dia internos. conduzca por tuberías flange                   1
 
6h           assembly         de valve de Toma de corriente 3/8 " dia. por 4-1/2 " machine                 4
Las saetas de             , nueces, y saetas del flat        , nueces, y piso
             washers                       lavanderas
 
7            valve de cheque de Entrada             Approx. 1/16 " por 2-1/2 " by                  1
                                           3-3/4 " caucho del tubo interno
 
7a           valve             de cheque de Entrada Aprox. 1/16 " por 2-1/2"                     1
EL REINFORCEMENT             DE                  DIA. acere el disco
 
7b           reinforcement     de valve de Entrada 1/4 " dia. por 1 " machine                     1
La              bolt                          saeta, nuez, y arandela plana
 
7c           Entrada cheque valve fasteners   3/4 " flathead largos nails                    3
 
7d           gasket            de valve de Entrada Aprox. 1/16 " por 4 " por 6 ",                   1
                                           el caucho del tubo interno
 
7e           flange                  de la Entrada 2 " dia internos. conduzca por tuberías flange                   1
 
7f           assembly          de valve de Entrada 3/8 " dia. por 1-1/2 " machine                 4
Las              bolts                         saetas, nueces, y arandelas planas
 
8            gasket                 del Fondo Aprox. 1/16 " por 12 " por 12 "                  1
                                           el caucho del tubo interno
 
9            Baseboard                     2 " por 14 " por 48 ", madera dura                   1
 
10           bolts           de asamblea de Unidad 3/8 " dia. por 12 " machine                    12
                                           bolts, nueces, y piso
Lavanderas de                                            (24)
 
La cola impermeable, encía, o diapasón--aproximadamente 2 onzas por sellar
las junturas
 
Notes:  1) Al alzar el agua para más de tres o cuatro metros,
        puede ser necesario usar más capas de caucho
        o para usar el caucho más espeso en el diafragma, Parta 4.
        2) Las dos pestañas de la cañería metales, Parte 6g y 7e, deba
        se compre antes de taladrar los dos 2-pulgada agujeros en el
        las más bajo partes de marco de cámara, Parta 3. El tamaño de éstos
        embrida, y los agujeros para los tornillos de sujeción pueden
        requieren los cambios en las dos partes del cuadro inferior. Si tal
        conducen por tuberías las pestañas no están disponibles, usted puede hacer a suplentes
        soldando una 2-pulgada el acoplamiento de tubos a una 1/4-pulgada
La chapa de acero de         con una 2-pulgada el agujero cortó en él.
        3) En hacer esta bomba, usted puede sustituir el narrower
Tablas de         de que se cruz-aseguran adecuadamente para los tablones
        12 - y 14-pulgada las anchuras.
 
LAS HERRAMIENTAS:
 
Taladre para metal: 3/8 ", o cualquier medios de cortar 3/8 " agujero en
Metal en plancha de  
Los taladros de madera: 1/4 ", 3/8 ", y 1/2 ", o los equivalentes métricos
Alicates o la llave inglesa conveniente
Furmón o labra con herramienta por hacer 2 "
agujeree en madera dura
Sierra metal o sierra
Escofina de madera o archivo
El destornillador
Los tijeretazos de estaño
Madera vio
El archivo
 
LA CONSTRUCCIÓN
 
Maneje, Parta 1, Figure 6

ssp6x6.gif (600x600)


 
El asa lisa a lo largo de
la cima 8 " a 10 " a
hágalo más fácil a
agarre con sus manos.
Aburra dos 3/8"-diámetro
los agujeros, uno 2 ",
del fondo y
uno 5 " del fondo.
Aburra un 1/2 " agujero
1 " del fondo
y del mismo
esté al lado de como el otro
dos agujeros.
 
El Brazo del asa, Parta 1a, Figura 6, 7,

ssp6x60.gif (600x600)


 
Aburra un 3/8"-diámetro agujero 1 " del extremo puntiagudo del
6"-mucho tiempo esté al lado de, y otro 3/8 " agujero 3 " abajo de ese uno. Ambos
los agujeros deben ser 1 " del borde. Aburra un 1/2 " agujero 1 " del
6 " lado y 1 " del 8 " lado. Taladre un 1/2 " agujero 1 " segundo
del primero y 1 " en del 8 " borde. Aburra un 3/8 " agujero 2 "
del otro extremo del 8 " lado y 1 " en del borde. El
dos brazos del asa deben ser idénticos.
 
Vara del pivote que Monta las Alertas, Parta 1d
 
Estas dos alertas son hecho de aproximadamente hoja del 16-medida
metal. Envuelva cada uno encima de la vara del pivote para el asa, Parta 1c,
y taladra un 3/8 " agujero a través de ambos thicknesses (Vea Figura 9).

ssp8x9.gif (600x600)


(Estas alertas se montarán después al plato de la cima, Parta 2,
por la asamblea de la unidad echa el cerrojo a, Parta 10).
 
El diafragma, Parta 4
 
Corte el diafragma, Parta 4, del material del tubo interno. Centre el
dos diafragma apoya, Parta 4a, encima del diafragma. Taladre el
12 agujeros para la atadura de apoyo de diafragma atornillan, Parta 4b.
La Ronda los bordes de los apoyos del diafragma que tocan el diafragma.
Atornille juntos el dos diafragma apoya con el
el diafragma entre ellos. Visto fuera el brazo de apoyo de diafragma, la Parte,
4c, para que el grano de madera corre verticalmente en el material (Vea
Figure 8).

ssp8x8.gif (600x600)


 
Aburra dos 3/8"-diámetro agujerea en el brazo de apoyo, uno 1 " de
la cima y el otro 2 " de la cima, cada 2 " del borde.
(El más bajo agujero se necesita después.)
 
Ate el brazo de apoyo, Parta 4c, a ambos apoyos con los dos,
1/4 " por 3-1/2 " tornillos de madera o saetas de retraso, Parta 4e.
NOTE:  que La bomba se ha construido
y usó con la unión de los tornillos
los dos apoyos del diafragma. Él
sea más fácil reemplazar el
el diafragma si las saetas se usan a
una el diafragma apoya,
y para unir la asamblea al
el brazo de apoyo de diafragma.
 
El ensamblaje del diafragma es ahora
prepare para ser unido a la bomba
el brazo del asa por un 3/8 " por 5 "
el perno común, dos arandelas planas,
y una nuez. El apoyo del diafragma
el brazo debe montar sobre un eje fácilmente adelante
la saeta.
 
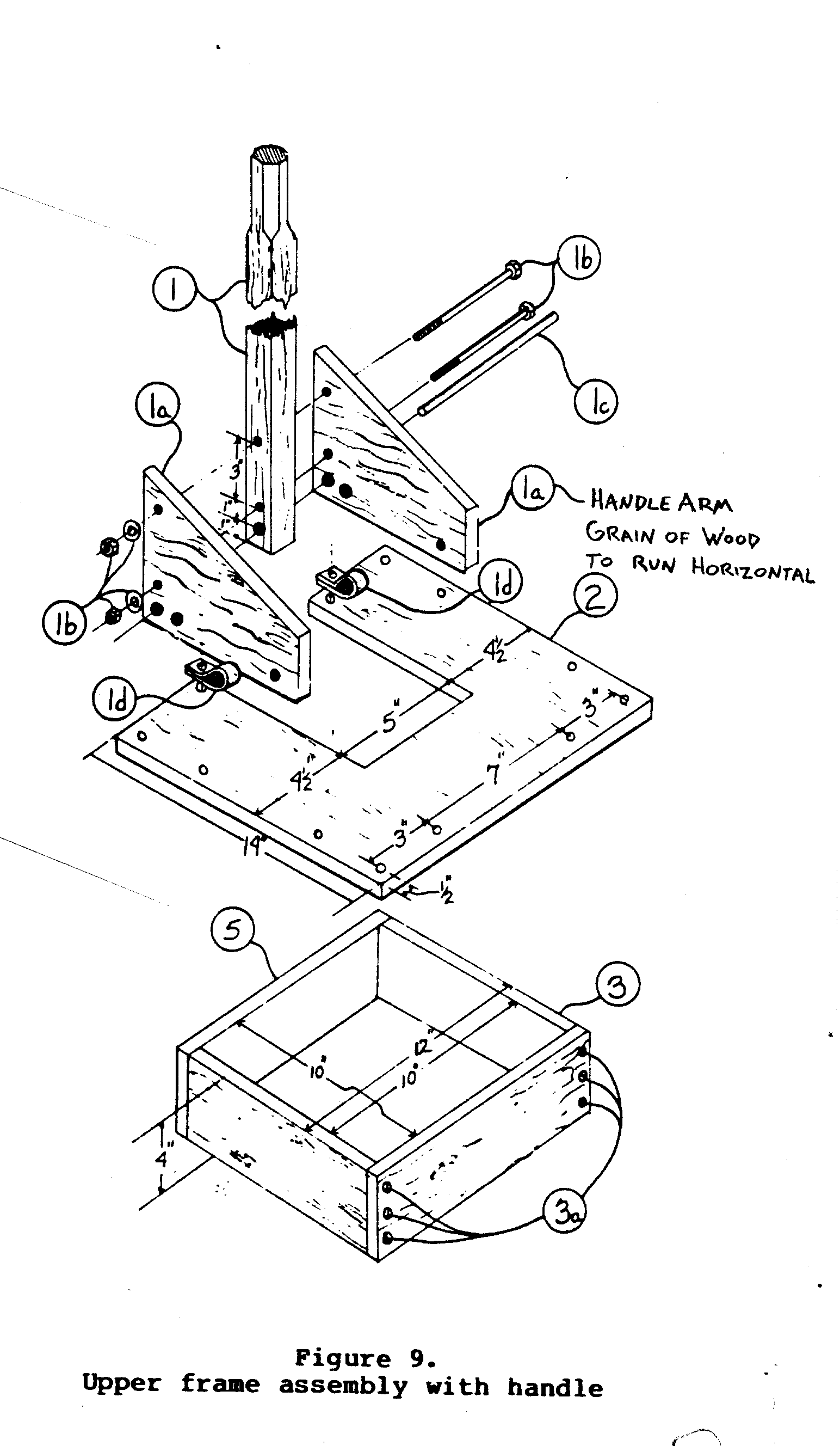
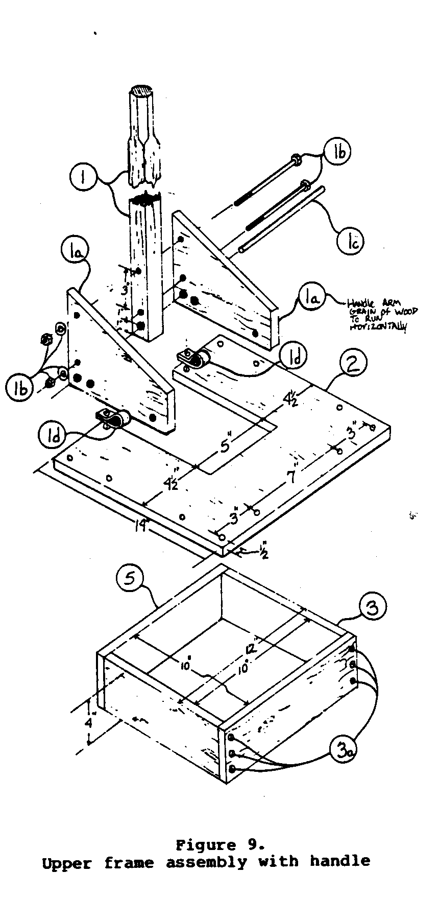
Idee las Asambleas, Figura 9, 10,

ssp8x90.gif (600x600)


 
La cima y cámara del fondo
los marcos, Parte 3 y 5, debe ser
corte y congregó para ser como llano
y cuadrado como posible. En
haciendo la cima idear la asamblea--dos
de Parte 3 y dos de
Parta 5--el fondo debe ser mismo
llano y cuadrado porque esto es
contenga el diafragma
el lugar.
 
El Marco de la cima, Figura 9, 10,
 
Dos pedazos de marco de cima, Parta 3,
y dos pedazos de marco de cima, la Parte,
5, debe congregarse usando
tres 1/4 " por 2 " saetas de retraso a
cada colectivo (Parte 3a). Antes de
congregando, asegúrese que el
los extremos ser unido son lisos
y piso. Use la cola, engome, o
tire en las junturas.
 
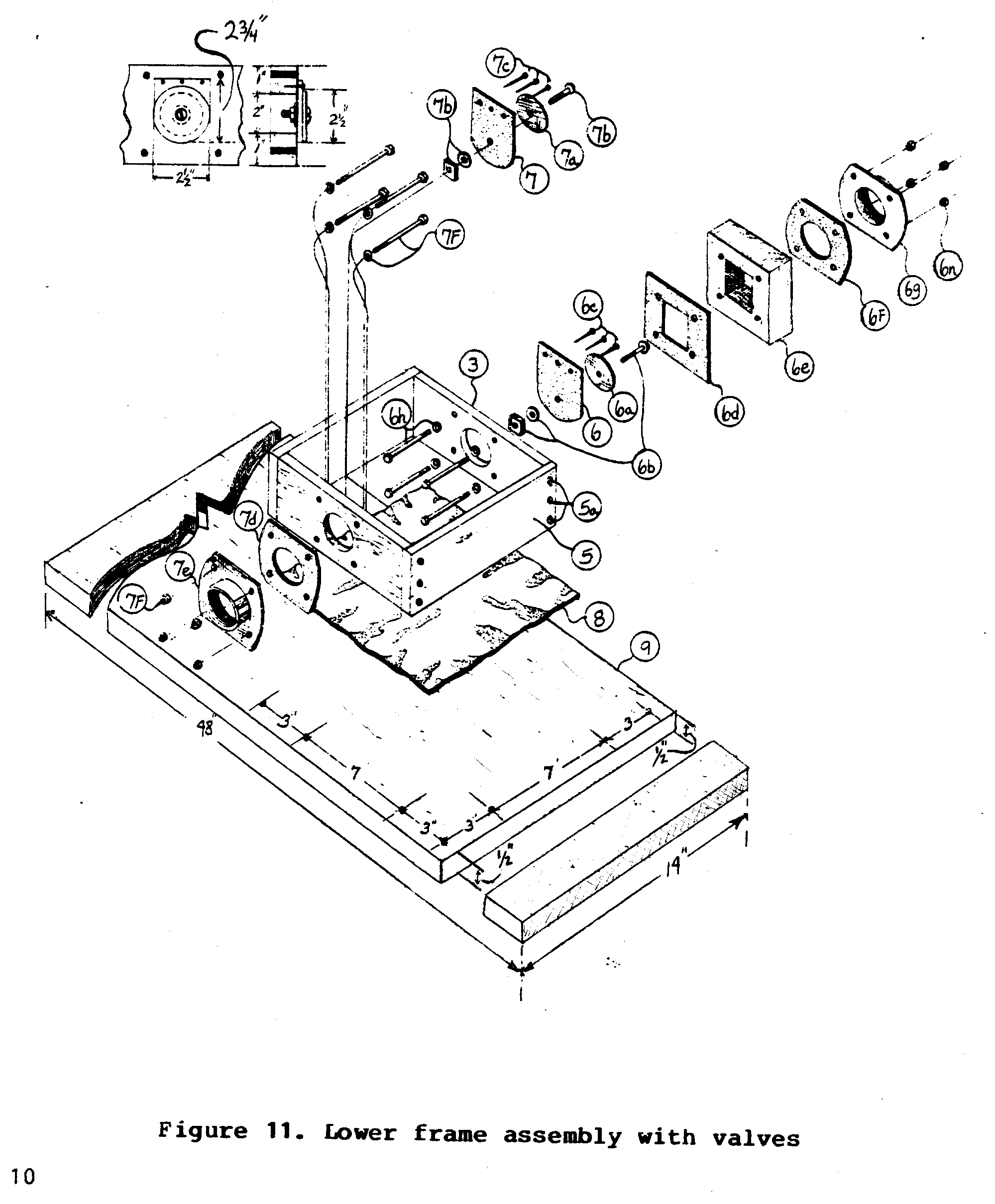
El cuadro inferior y Asambleas de Valve,
Figure 11:

ssp11x10.gif (600x600)


 
Las dos pestañas de la cañería metales,
Las partes 6g y 7e, debe ser
serrado para que los dos directamente
los bordes son paralelos y 3-3/4 "
separadamente. Aburra 3/8 " agujeros en cada uno,
así desplegado en Figura 11.
 
Corte parte 6, 6a, 7, y 7a de caucho el material del tubo interno a
los tamaños mostrados en la lista de las partes. Ronda de que el fondo afila
las partes 6 y 7.
 
Una el valve de cheque de toma de corriente y el refuerzo de valve de toma de corriente,
Las partes 6 y 6a, con la toma de corriente valve refuerzo saeta,
lavandera, y nuez, parta 6b. Una el valve de cheque de entrada y el
el entrada cheque valve refuerzo, Parte 7 y 7a, con la entrada,
la nuez de refuerzo de valve, lavandera, y saeta, Parten 7b.
 
Aburra un 2"-dia. agujeree en el centro de cada parte del cuadro inferior,
Parta 3. Usando las dos pestañas de la cañería metales como las guías, uno a cada uno,
Parta 3, centre la pestaña en el 2 " agujero, entonces la marca y taladro,
los cuatro 3/8 " agujeros alrededor del 2 " agujero en cada pedazo.
 
Corte una empaquetadura de valve de toma de corriente, Parta 6d, y un valve de la entrada
la empaquetadura, Parta 7d, del caucho del tubo interno a las dimensiones mostradas,
en la lista de las partes. Corte en parte honradamente 7d y un 3 " a un 2 " agujero
agujeree 6d, así desplegado, en parte. Corte la segunda empaquetadura de valve de toma de corriente,
Parta 6f. Corte un 2 " agujero en la segunda empaquetadura.
 
Corte un bloque más espacial, Parta 6e, al tamaño mostrado en las partes,
la lista. Corte un agujero del 3"-cuadrado en su centro. Aburra cuatro 3/8"-dia.
los agujeros en el bloque más espacial al line a con los cuatro agujeros en el
la pestaña de la toma de corriente.
 
Ahora congregue el cuadro inferior de la misma manera como usted hizo el
el marco de la cima. Clave el valve de cheque de toma de corriente por fuera del
los valve de la toma de corriente agujerean con los toma de corriente cheque valve broches, la Parte,
6c. Esté seguro que el toma de corriente cheque valve refuerzo está en el lado
fuera del cuadro inferior. Ahora haga el mismo para el cheque de la entrada
el valve, pero este tiempo lleva puesto el refuerzo el dentro de
el cuadro inferior (Vea Figura 11).
 
Congregue la empaquetadura de valve de toma de corriente, Parta 6d, el bloque más espacial,
Parta 6e, la segunda empaquetadura de valve de toma de corriente, Parten 6f, y el
la pestaña de la toma de corriente, Parta 6a, en el lado de la toma de corriente del cuadro inferior,
usando los 3/8 " por 4-1/2 ' los pernos comúnes, nueces, y arandelas planas.
Use cola, encía, o diapasón para sellar estas partes.
 
Congregue la empaquetadura de valve de entrada, Parta 7d, y la entrada embrida,
Parta 7e, en el lado de la entrada del cuadro inferior, usando los 3/8 "
por 1-1/2 " pernos comúnes, nueces, y lavanderas, Parta 7f. Use la cola,
engome, o tire para sellar estas partes.
 
Último asamblea de la bomba se simplificará si usted hace un
el modelo para los agujeros aburridos para la asamblea de la unidad echa el cerrojo a, Parta 10.
El modelo debe ser un cuadrado de cadáver delgado material 2 " más grande
que la cima y partes del cuadro inferior. (Para esta bomba del tamaño, hechura
el modelo 14 " en cada lateral.) Marque un line 1/2 " en de cada uno
el borde. Usando una uña, haga un agujero a través del modelo 1/2 " en
de cada esquina. Entonces haga adicional agujerea 3 " de cada uno
el agujero de esquina, cada 1/2 " del borde del modelo. Use esto
el modelo por marcar los lugares para taladrar los agujeros a través de la cima
chape, Parta 2, y el rodapié, Parta 9.
 
Deben taladrarse los agujeros en el rodapié 18-1/2 " del
el extremo y 1/2 " en de los dos bordes, usando el modelo para marcar
la posición de los agujeros.
 
Congregue la bomba poniendo un 3/8 " por 12 " perno común y
lavandera, Parta 10, a través de cada uno de los cuatro agujeros de esquina en el
el rodapié, del fondo. Ponga la empaquetadura del fondo, Parta 8, en
el lugar. La cola usando, encía, o diapasón entre cada superficie, ponga el
la sección del cuadro inferior, el diafragma, Parte 4, y el estimulante
idee la sección en sitio. Encaje el plato de la cima, Parta 2, encima del
cuatro saetas (Vea Figura 12).

ssp12x12.gif (600x600)


 
Flojamente encaje una arandela plana y una nuez, Parta 10, en cada uno del
cuatro saetas. Complete la asamblea insertando el permaneciendo
las saetas con lavanderas a través de la bomba completa. Póngase a una lavandera
la cima de cada saeta, y flojamente encajó chiflado en ellos.
 
Aprete cada uno de las nueces con sus dedos, empezando en uno,
la esquina y apretando cada uno a su vez. Entonces aprétese todos el
chiflado con un tirón, uno en un momento, con gradual incluso la presión.
No aprete una nuez tan firme como irá, y entonces
otro. Aprete cada uno un poco el pedazo en un momento.
 
LAS PRECAUCIONES
 
Woodgrain. El grano de la madera debe estar en una dirección especificada
en ciertas partes de esta bomba:
 
     1. El plato de la cima, Parta 2: el grano en esta madera debe correr
        en la misma dirección como la hendedura que es extensamente 5 "
        y 11 " mucho tiempo.
 
     2. El diafragma apoya, Parta 4a: cuando estas dos partes son
        congregó en el diafragma, el grano en un pedazo,
        debe tener 90[degrees años] del grano en el otro.
 
     3. El brazo de apoyo de diafragma, Parta 4c: el grano en esta parte
        debe correr de un extremo 4"-ancho al otro.
 
     4. El bloque más espacial, Parta 6e: el grano aquí debe correr de
        un extremo 4"-ancho al otro.
 
     5. El rodapié, Parta 9: el grano en esta parte debe correr
        la longitud de la madera; es decir, de un extremo 14"-ancho
        al otro.
 
La cola impermeable, encía, o diapasón. Donde dos partes de madera son ser
unido con la cola, encía, o diapasón, las superficies deben ser como
aplane como posible. Esto mejorará la foca en la juntura.
 
Los pedazos del cuadro inferior. Éstos se atornillan juntos en estas instrucciones.
Si las varas fileteadas largas se usan en lugar del
los tornillos, las partes del cuadro inferior pueden apretarse más fácilmente si
una gotera desarrolla. Para usar las varas fileteadas, usted debe aburrir los agujeros
a través de las partes del cuadro inferior, Parta 3, de punta con punta.
 
Las pestañas de la cañería. La cañería embrida, Parte 6g y 7e, no deba
toque el rodapié o solape el marco superior porque esto
afecte la estanquidad de las junturas. Corte la cara de
la pestaña a un tamaño que evitará este problema.
 
La montura del asa. Esté seguro que la saeta que une, Parta 4d,
no frote contra la hendedura en el plato de la cima, Parta 2. Si él
hace, o acorte la saeta, o corte una muesca en la hendedura para que
las partes no frotan contra nosotros.
 
EL MANTENIMIENTO DE AND DE FUNCIONAMIENTO
 
Cuando usted está listo usar la bomba, llene la cámara de diafragma
con el agua. Haga esto montando sobre un eje la bomba en su lado de la entrada.
Sostenga los valve de la toma de corriente abren y agua de la lluvia a través del valve.
Con la bomba en esta posición y la manga de la entrada insertó en
la fuente de agua, opere la bomba mientras vierte el agua en el
la cámara. La bomba empezará el funcionamiento pronto. El tiempo y esfuerzo
necesitado para esto depende de la longitud de la manga de la entrada.
Normalmente cinco a diez golpes del asa serán suficientes. <vea figura 13 & 14>

ssp13140.gif (600x600)


Dos bombas pueden ser
montado lado a lado,
así desplegado en Figura 15,

ssp15x16.gif (600x600)


y operó por un
persona que está de pie adelante el
la viga y meciendo de
esté al lado de para estar al lado de. Esto es
una manera fácil dado operar
la bomba.
 
El valves de caucho y el diafragma pueden necesitar reemplazar 9 más atrás
a 12 meses cuando la bomba se usa dos a tres horas por día.
Usted puede necesitar reemplazarlos más pronto si el agua está sucia, o
si la bomba se usa todos los días más, o si el material de caucho
no está en la condición buena.
 
Si la bomba no bombea el agua, el problema probablemente es con
los aires falsos o de construcción defectuosa o alineación del
el valves, o valves estropeado o diafragma.
 
Una cantidad pequeña de grasa debe aplicarse al dos pivote
vara que monta las alertas, Parte 1d, cuando ellos rechinan.
 
                                 LANZADOR PUMP
 
Las variaciones del cántaro bombean, un handpump del pistón-tipo, tenga
estado en el uso durante siglos en muchas partes del mundo. Comercialmente
se producen las bombas manufacturadas en una gama amplia de tamaños
para satisfacer muchas necesidades diferentes. La bomba presentó aquí <vea la imagen> es

sspx17.gif (486x486)


durable y fácil usar. Es un plan bueno para la producción en
una tienda central. O puede hacerse por cualquiera con el acceso al
el equipo necesario.
 
La bomba alza entre ocho y diez galones por minuto para
aproximadamente 10 - para 15-pagar la succión. El alzamiento máximo es sobre
20 pies.
 
Alguna soldadura puede requerirse, así como el filete de tubo, pero
se dan los procesos de la construcción alternativos para acomodar
los recursos disponibles y habilidades.
 
LAS HERRAMIENTAS DE AND DE MATERIALES
 
LOS MATERIALES:
 
Parta el Número la Descripción de                              la Cantidad de                  
 
1                               2 " x 5 " x 24 " madera dura handle            1
1a                              1/4 " x 3 " vara de acero o G.I. pipe;        1
                                 fijan en cada extremo
1b                              3/8 " x 3-1/2 " vara de acero o G.I. pipe;    1
                                 pin en cada extremo
1c                              la correa Metal 1/4 " x 1 " x 8"               2
2                               3 " IDENTIFICACIÓN X 18 " - G.I. conduzca por tuberías cylinder       1
                                 (fileteado en un extremo)
3                              1/2 " dia. el x 18 " acero rod                1
                                 (fileteado en uno acabe 1 " por lo menos)
3A                              3/16 " DIA. el x 1-1/2 " pasador de chaveta o nail   1
3b                              1/2 " arandela plana de la IDENTIFICACIÓN                     1
 
Parta el Número la Descripción de                              la Cantidad de                  
 
3C                              2-1/2 " O.D., 1/2 " IDENTIFICACIÓN RUBBER            1
                                   internos entuban el disco
3D                              2-3/4 " DIA. el x 1-1/2 " hardwood            1
                                 bloquean (el pistón)
3e                              1/8 " x   1 " x 9-1/2 " correa de cuero         1
                                 Note: clavos o tornillos requirieron
                                 para sostener la correa de cuero a 3d.
                                 Will la necesidad aproximadamente 10 a 12 1"-largo
El piso de                                  encabezó las uñas; use latón
                                 clava si disponible
3f                              1/2 " nuez del machine--para encajar en               1
                                 Part 3
4                               3-1/2 " a 4 " cañería de la IDENTIFICACIÓN coupling          1
4a                              1/4 " x 1 " x 1-1/2 " bola de acero stock       4
4b                              1 " pestaña de cañería de IDENTIFICACIÓN. Substitute          1
                                 puede ser un 1 " acoplamiento de tubos de la IDENTIFICACIÓN
                                 soldó a un 1/4 " x 3-1/4 " espeso
EL DIA DE                                 . el aro de acero.
5                               1/8 " X 2-1/2 " DIA. cuero disk          1
                                 cortó a una forma oval, más corto,
EL DIA DE                                 . [+ o - ]2 "
5A                              1/4 " X DE LA IDENTIFICACIÓN 1-1/2 " O.D. sheet            1
                                 el disco metal
5b                              1/4 " x 1 " tornillo para metales y nut          1
5C                              3/16 " X 1-1/2 " MACHINE SCREWS            2
                                 y nueces
6                               1 " G.I. la longitud de tubo como necesitado a          1
                                 alcanzan el acuífero
 
G.I. - El hierro galvanizado
La IDENTIFICACIÓN - el diámetro Interno
O.D. - El diámetro exterior
 
LAS HERRAMIENTAS:
 
El martillo
Los taladros para metal, clasifica según tamaño 3/16 ", 1/4 ", 3/8 ", y 1/2 "
Los tirones (los alicates y llave para tubos)
El avión de madera
La sierra
El destornillador
El archivo
equipo de soldadura
Madera vio
Las tijeras grandes capaz de cortar metal en plancha, cuero, y caucho
El papel esmeril
 
LA CONSTRUCCIÓN
 
1. Ocúpese dado la Asamblea, Figura 2, 3,:

ssp2x180.gif (600x600)


 
Corte el asa según dibujar lo siguiente (Figura 4)

ssp4x21.gif (437x437)


de la madera dura buena la medición accionaria 2 " x 5 " x 24 ".
 
Corte 5/8 " hendedura, centrada en el 2 " borde, en el calzón, a un 3 " x
el extremo del asa. Esta hendedura sostendrá el vástago del émbolo. El afilamiento
y aplana el extremo largo del asa para permitir la mano fácil
el acción.
 
Taladre un 1/4 " agujero a través del extremo ranurada, aproximadamente 1/2 " en de
los top  y bordes del frente. Este agujero acomodará la Parte del pivote
1a qué afianza el vástago del émbolo.
 
Taladre el a  3/8 " agujero a un punto 5 " o 6 " del 1/4 " agujero, y
parangone a él, aproximadamente equidistante de la cima y fondo
los bordes. Posicione este agujero cuidadosamente para prevenir tanto
como posible el movimiento horizontal de la vara de la bomba.
 
La curvatura Parte 1c, el 1/4 " x 1 " x 8 " fajas de acero, en un 20[degrees]
oriente al punto medio.
 
Taladre 3/8 " agujeros a un extremo de las correas. Éste es apoyar
el asa vía la libra de Parte de pivote.
 
Suelde las correas al cilindro así desplegado en la vista transversal
(vea Figura 5).

ssp5x22.gif (486x486)


 
El método alternado de construir el asa, Parta 1c:
 
Parta 1c también podrían ser construidos por la ranura y taladrando un
12 " sección larga de 2 " x 4 " pedazo de madera para acomodar el
el asa. El pedazo de madera podría atarse entonces hacia el cilindro
por dos alertas de madera cada uno de los cuales se cortarían para encajar
a medio camino alrededor del cilindro, evitando la necesidad así de
equipo de soldadura.
 
2. La asamblea del cilindro, Figure 5:
 
   El cilindro simplemente es hecho
   de un pedazo de 3 " diámetro interior
   G.I. la cañería. Haga el
   chorrean para el cilindro por
   que corta dos hendeduras en el unthreaded
   acaban de la cañería. Uno
La hendedura de    debe cortarse 3 " mucho tiempo
   recto abajo del unthreaded
   acaban; la otra hendedura
   debe cortarse 2 " por el
Los unthreaded de    acaban y a un punto
   perpendicular al fondo de
   la primera hendedura. Doble los dos
   las etiquetas resultantes exterior y
   sueldan un plato metal por el
   basan.
 
   para eliminar la soldadura, el
   basan del pico podría ser
   echó el cerrojo a a los lados.
 
   El dentro del cilindro
   debe enarenarse tan liso como
   posible con el papel esmeril o
   equivalente para prevenir innecesario
   llevan en el pistón
Cueros de   .
 
3. La asamblea del vástago del émbolo, Figure 6:

ssp6x22.gif (486x486)


 
   como que La asamblea del vástago del émbolo es
   mostrado (3, 3a), pero unos adicional
Los punto de    son los valor mencionando:
   que un 1/4 " agujero debe ser
   taladró a través del vástago del émbolo
   1/2 " abajo de la cima. Otro
   agujerean 3/16 " diámetro
   también debe aburrirse 2 " a
   del fileteado o fondo
   acaban de la vara.
 
4. La asamblea del pistón, Figura 7, 8, 9,:

ssp7x230.gif (486x486)


 
Cuidadosamente taladre los agujeros en
madera dura bloque 3d. Los 1/2 "
el agujero de centro de diámetro debe ser
exactamente en el centro y parangona a
los lados del bloque. Los 3/8 "
diámetro que los agujeros laterales deben ser
equidistante del agujero del centro,
y también debe ser paralelo a
los lados del bloque. La distancia
del agujero del centro al
los centros de los agujeros laterales deben
sea 1 " (Vea Figura 7 y 8).

ssp8x230.gif (486x486)


 
Así desplegado en Figura 9, el más bajo

ssp9x23.gif (437x437)


la porción del bloque del pistón tiene
un diámetro ligeramente más grande que
la porción superior. El más bajo
la porción debe ser 1/4 " espeso
y 2-3/4 " en el diámetro. El
la porción superior debe ser 2-7/16 "
el diámetro (Vea Figura 9).
 
Parta 3e es una sección de correa de cuero envuelta alrededor del pistón
el bloque y clavó con tachuelas hacia la sección superior menor. Clave con tachuelas el
cuero a lo largo de su más bajo borde para permitir a la mitad superior doblar
afuera. La correa de cuero debe golpearse con un martillo todos
a lo largo de su borde superior antes de que se clave con tachuelas al bloque. Esto
fuerce el cuero en una forma del cono para que sellará más
eficazmente contra la pared del cilindro. Podría ser útil, pero
no es necesario, coser la correa juntos en la juntura.
 
Finalmente, el caucho en buen salud disco 3c encima de la cima del pistón. El hoyo
la lavandera 3b metal grande encima de 3c.
 
5. La asamblea de Connector/reducer:
 
La asamblea del connector/reducer consiste en un 3-1/2 " o 4 " (dentro de
el diámetro) el acoplamiento de tubos (4) eso tiene una pestaña de la cañería (4b)
soldado hacia un extremo. La montura agujerea en la pestaña de la cañería es
soldado cerrado. Si una pestaña de la cañería es indisponible, una lata del suplente,
se haga con un 1 " (el diámetro interior) el acoplamiento de tubos y un acero
el anillo (3-1/4 " diámetro exterior, 1-1/4 " diámetro interior y 1/4 "
espeso). El 1 " acoplamiento se suelda entonces simplemente al anillo y
la asamblea resultante soldó al conector como antes. La toma
cuide para hacer estas soldaduras a prueba de agua.
 
El conector también sirve como un albergue de que la bomba puede
se monte.
 
Suelde cuatro 1/4 " x 1 " x 1-1/2 " barras metales (4a) a los ángulos rectos a
nosotros en el mismo extremo inferior del conector de la cañería. El taladro
3/8 " diámetro agujerea en estas cuatro barras metales. La nota que el
deben redondearse las barras metales ligeramente donde ellos avisan el
el acoplamiento de tubos (Vea Figura 12).

ssp12x25.gif (600x600)


 
6. Pague la asamblea del valve,
   Figures 10, 11,:

ssp10x24.gif (600x600)


 
   El pie que la asamblea del valve consiste
   de un cuero ovalado
El disco de    (5), un disco de metal en plancha
   (5a), un 1/4 " x 1 " tornillo para metales
   y nuez (5b), y dos 3/16 "
Los tornillos para metales de    con las nueces (5c).
 
   Shape el pie cuero del valve
   en un ovalado así desplegado en Figura 12
   (el diámetro 2-1/2 " más grande;
   el diámetro 2 " menor). Pique un
   1/4 " agujero a través del cuero
   a un punto aproximadamente 5/8 " a 3/4 "
   en de un extremo. La saeta la hoja
   el disco metal al ovalado de cuero
   a través de este agujero así desplegado en
   el diagrama. La saeta y hoja
   el refuerzo del disco metal el
Cuero de    como él cierra encima del
La    succión entrada.
Corte dos 3/16 " agujeros a través del
cuero aproximadamente 1 " aparte y 1/2 "
en del punto más íntimo de
avise con el lado del
cuero.
 
Taladre dos correspondiendo 3/16 "
los agujeros en la asamblea del reductor
(4b) así desplegado en Figura 12.
Marque estos agujeros cuidadosamente como
ellos determinan la situación
y efectividad del pie
cuero del valve a un considerable
la magnitud.
 
Corte una ranura ligera, 1/32 " profundamente
por el cuero (5) para que
doblará a lo largo de un especificó
el line. Corte la ranura como cerca
como posible a los 3/16 " chiflado
esa montaña el disco de cuero.
 
Inserte los 3/16 " tornillos para metales
a través del fondo del reductor
la asamblea. Entonces ponga el
pague cuero del valve, entonces el
dos 3/16 " chiflado. Aplique un poco de alquitrán
o tira a los agujeros en el
el reductor antes de y después del
la inserción de los 3/16 " machine
los tornillos para prevenir el aire y/o
las pérdidas de corriente.
 
La efectividad del pie
los valve se determinarán por el
selle que hace con la succión
la entrada. Tenga mucho cuidado para hacer
la entrada de la succión como el piso y
aplane como posible antes
montando el pie cuero del valve.
Es muy importante a
localice el pie el valve para que
no entra en el contacto
con el pistón como esto quiera
haga el funcionamiento muy difícil. <vea figura 13>

ssp13x25.gif (600x600)


 
7. El conducto de aspiración y asamblea del filtro de entrada:
 
Corte 1 " cañería del diámetro al
la longitud requerida. La nota que el
el alzamiento total de agua no debe
esté más de 20 pies.
 
Haga el filtro de entrada cortando
aproximadamente 75 hendeduras 1 "
largo al extremo inferior del
el tubo de la succión. La anchura del
las hendeduras igualarán la anchura de
la hoja de la sierra. La corte de la salida
las hendeduras 2 pies del
el fondo de la cañería. El espacio
las hendeduras encima de una 2 pie longitud.
Esto dará una 2 pie arena
la trampa. Tenga el cuidado para tambalearse el
las hendeduras y evita la corte también
profundamente como esto debilite el
el conducto de aspiración.
 
Golpee el extremo inferior del
el piso de la cañería para forzar el agua
para ser dibujado en a través del
las hendeduras. O enhebró la cañería y
instale un tapón extremo. <vea figura 14>

ssp14x26.gif (486x486)


 
EL MANTENIMIENTO DE AND DE FUNCIONAMIENTO
 
La bomba debe imprimarse a
empiece trabajando. El agua de la lluvia en
el cilindro mientras bombeando el
maneje para unos golpes. Esto
desarrolla una área de baja frecuencia debajo del pistón y sobre el
pague el valve. El área de baja frecuencia dibuja el agua en a través del
pague el valve como el pistón mueve hacia arriba. A la cima del golpe
del pistón, el pie los valve cerrarán y prevendrán el agua
de escapar atrás abajo en el conducto de aspiración.
 
Que se extiende hacia abajo, como los movimientos del pistón el agua se fuerza a través del
los agujeros en el pistón, más allá del disco de caucho y en el área
sobre el pistón. Cuando el pistón está en el fondo de
el golpe, la mayoría del agua debe ser anterior el pistón. Como
el pistón se alza de nuevo, el agua cuenta fuera del pico.
Al mismo tiempo, más agua entra a través del pie el valve.
 
Bastante a menudo cuando este tipo de bomba se instala primero en un
aburrido entube bien, se pone necesario para dibujar el silty muy fino
y partículas de arcilla a través del filtro antes de que el agua quiera
entre en el tubo de la succión prontamente. Este proceso es conocido como
" desarrollando el bien " y puede tardar de dos horas a varios
días de uso incesante de la bomba antes del agua se vuelven
claro. Si la bomba es mecánicamente legítima, usted notará eso
la bomba también se pone más fácil dado operar como el agua se vuelve
el el que despeja.
 
El pistón y pie que cueros del valve necesitarán ser reemplazados
periódicamente. La vida exacta del cuero del pistón y pie el valve
dependa de la calidad de cuero. Las bombas hicieron con la fábrica
las herramientas eléctrica y materiales durarán a menudo 7 o 8 meses bajo
continuado use antes de los cueros debe reemplazarse.
 
Si, después del bien se desarrolla, es decir, el agua está clara y
fluyendo libremente, la bomba continúa siendo fácil operar pero
dibuja el agua pequeña, un aire falso puede haber desarrollado. Los aires falsos
pueda ocurrir en uno de cuatro lugares:   1) donde el cilindro es
atornillado en la unidad de reductor de conector; 2) donde la succión
el tubo se atornilla en la unidad de reductor de conector; 3) donde el
el vástago del émbolo se encuentra el disco de caucho y/o, 4) donde el pistón
cuero se encuentra el cilindro.
 
Si las goteras ocurren en las partes fileteadas, ponga el compuesto de la cañería o
equivalente en los hilos antes de atornillar las partes juntos.
 
Si las goteras ocurren donde el disco de caucho avisa el pistón
la vara, reemplaza el disco de caucho, mientras haciendo el agujero interno ligeramente
menor que 1/2 " en el diámetro.
 
Si las goteras ocurren donde el cuero del pistón se encuentra el cilindro,
reemplace el cuero del pistón y/o frótelo con un cuero bueno
aceite o equivalente.
 
Engrase las piezas que mueve a los intervalos frecuentes.
 
LAS                                 SPANGLER BOMBAS
 
Las bombas comerciales han sido tradicionalmente hecho de hierro colado
debido a su fuerza y durabilidad. Y los cilindros tienen
a menudo estado rayado con latón asegurar la suavidad y prevenir
lleve en los cueros de la bomba. Desgraciadamente, sin embargo, uso de éstos
metales han hecho a menudo cualquiera a las bombas demasiado costoso a la compra
o demasiado complicado fabricar. <vea la imagen>

sspx29.gif (600x600)


 
Durante los tempranos 1970s, VITA C.D Voluntario. Spangler, un sanitario
diseñe, empezó experimentando con las bombas hizo de polivinílico
la cañería del cloruro. La cañería de PVC es ligera, durable, fácil trabajar
con, y relativamente barato. Puede hacerse en las bombas
eso es lejos más fácil construir, instale, mantenga, y reparación
que las bombas hierro colado. Está ahora disponible en la mayoría de los países en
los tamaños conveniente para la construcción de bombas del pozo profundo iguales. Y
las bombas hicieron de cañería de PVC puede sellarse y puede usarse en los pozos sellados
para que ellos se satisfagan bien a los suministros del agua potable. VITA
los planes del original de Spangler publicado en 1975 en Handpumps para
Los Pozos del pueblo. Ellos han encontrado la aceptación ancha, sobre todo en
Asia del sur. La Universidad de Chulalongkorn en Bangkok probó el
las bombas extensivamente e hizo pensar en las mejoras al pistón
la asamblea en un proyecto de la salubridad ambiental apoyado por el
La Organización Mundial de la Salud y el Desarrollo de los Naciones Unidas
El Programa. A finales de 1981, casi 10,000 de las bombas estaban
en el uso en Thailandia exclusivamente.
 
Las bombas de PVC son especialmente convenientes para los abasteciemientos de agua de la comunidad
y como la base para la fabricación de la balanza pequeña. Las partes son
relativamente simple y puede fabricarse por tiendas pequeñas o fábricas
en un plan dado. La mayoría de los países tiene las plantas ahora a
empuje fuera la cañería de PVC, incluso donde la materia prima se importa.
 
Esta sección de Seis Bombas Simples difiere un poco del
otros capítulos en eso cubre dos bombas separadas realmente,
uno para los pozos poco profundos y uno para los pozos profundos. Los dos son hecho de
La cañería de PVC, sin embargo, y para que tiene las técnicas de la construcción muy similares.
Los tamaños de la cañería y estilos del pistón varían con el tipo y
la profundidad del usarse bien. Los métodos básicos por trabajar con
La cañería de PVC es incluida, como es las técnicas por hacer una variedad
de valves y pistones. Los dibujos de la construcción para cada uno del
las bombas proporcionan las pautas a los tamaños y cantidades de materiales
requerido.
 
Los dos de las bombas son del tipo del pistón. El poco profundo bien
bombee, para una lámina acuífera 5-20 pies bajo la superficie del
conecte con tierra, descargará 5-15 galones por minuto. Para el profundo
bien bombee, la descarga de la bomba depende del diámetro del pistón,
la longitud del golpe, y el número de golpes por
minuto. Si el nivel de agua está menos de 30 pies debajo de la superficie
de la tierra, el cilindro podría ser arriba a 4 pulgadas en
el diámetro. Si el nivel de agua está más lejano de la superficie, el
la columna más larga de agua que debe alzarse se pone más pesada y
un esfuerzo mayor se exige operar la bomba. El mayor
la distancia al nivel de agua, el menor el diámetro de
el pistón debe ser, para que no es demasiado duro bombear.
 
La posición de la bomba tradicional es hecho de hierro colado. Apoya
el asa y contiene el pico de la descarga. La succión directa
las bombas, o poco profundo bien las bombas, tenga el pistón y el más bajo valve
en la posición de la bomba que también es el cilindro. Tradicional profundamente
bien las bombas tienen el cilindro con el pistón y valves debajo el
el nivel mínimo de estiaje en el bien y suspendido de la base de
la posición de la bomba por la cañería de la descarga.
 
En los planes presentó aquí, el asa se apoya adelante un
el poste separado al lado del bien y posición de la bomba. La posición de la bomba
sin el asa sólo un pasaje mantiene la vara, un
encauce para el agua, y un pico de la descarga. En los pozos poco profundos
también es el cilindro y el apoyo por el conducto de aspiración.
Desde que la posición de la bomba no lleva la carga y la tensión causó
por el asa, no necesita ser tan fuerte, y por consiguiente no hace
tenga que ser de hierro colado.
 
Si la PVC bomba posición necesita protección, una cañería concreta, el ladrillo,
el malecón, o el poste de madera puede ponerse alrededor de él, con el pico,
extendiéndose más allá de la protección. Tal una bomba usará un mínimo
de materiales caros y puede repararse fácilmente.
 
El poste que apoya el asa puede hacerse de hormigón, los ladrillos,
apedree, o madera, dependiendo de la disponibilidad local y cost. El
distancie del poste a la bomba puede variar para proporcionar
la influencia buena. El más íntimo el pivote del asa es al bien,
el más fácil será bombear. La longitud del golpe será
menor, sin embargo, y así que lega la descarga.
 
El asa puede hacerse de madera que puede reemplazarse localmente
cuando llevado o roto. El asa también debe llevar puesto una parada el
el poste de apoyo para que no golpeará la cima de la posición de la bomba.
 
La foca entre el pistón y la pared del cilindro normalmente es
con tal de que por un cuero o disco de caucho con un borde volver-despierto,
llamado un " cubo ". El control de calidad es importante si el cuero bueno
o los cubos de caucho serán obtenidos. Éstos no son caros
y si no pueden obtenerse los buenos localmente, ellos pueden ser
importado de muchos países en el mundo en vías de desarrollo--India,
Pakistán, Corea, Thailandia, y otros.
 
La bomba es simple, fidedigna y muge en el cost. El objeto de un
el proyecto de la bomba debe ser desarrollar una bomba que puede producirse
en la cantidad por la tecnología local para satisfacer las necesidades de la mayoría de
la población rural en el área. Una bomba similar a eso mostrado
en Figura 2 se ha desarrollado en Thailandia a un cost de sobre

ssp2x32.gif (600x600)


US$30. Entrega aproximadamente 5-15 galones por minuto dependiendo americano
en la profundidad para regar. Está usándose para la irrigación así como
para los propósitos domésticos.
 
POCO PROFUNDO BIEN LA BOMBA
 
Esta bomba de tipo de succión normalmente se usa con los pozos poco profundos pero
también puede usarse con profundo manejado, chorreó, o taladró los pozos
donde la presión en el acuífero es bastante para guardar el agua
nivelado en todo momento dentro de 20 pies de la superficie molida. El
la posición de la bomba es una longitud de 3 " cañería de PVC como que también sirve el
bombee el cilindro. El embalarse bien pueden ser el conducto de aspiración
en manejado o el pequeño-diámetro chorreó o taladró los pozos. En excavó
los pozos, el 1-1/2 " conducto de aspiración está suspendido del 3 " PVC
posición de la bomba que en cualquier caso debe ponerse firmemente en el
la plataforma.
 
La cima de la posición de la bomba debe ser varias pulgadas sobre el
el pico y tiene una tapa removible con una hendedura permitir para el
pequeño de un lado a otro el movimiento de la vara. Para quitar el pistón
y reemplaza el cubo de cuero sólo es necesario desconectar
la vara del asa, quite la gorra y arranque
el pistón. Si el más bajo valve es un valve del tipo de asiento plano que puede
tenga una vuelta pequeña a la cima y puede pescarse fuera usar un alambre
con un gancho al final.
 
La BOMBA del pozo profundo EN la perforación entubada <vea figura 3>

ssp3x33.gif (600x600)


 
Los PVC embalando o pueden usarse en chorreó o taladró los pozos. En
los pozos chorreados el agujero está lleno de agua y el PVC que embalan la lata
se ponga en el agujero con posibilidad pequeña que allí quiere
está excavando antes de la cubierta es en sitio. El mismo es verdad de
pozos taladrados por el proceso rotativo. Con la barrena de viento
los pozos el procedimiento bueno es manejar una cubierta metal y entonces
inserte un PVC que embala y proteja después del acuífero ha sido
penetrado. La cubierta metal se quita para ser usada de nuevo entonces.
En los pozos con las cubiertas de PVC, los PVC embalando pueden actuar también como el
el cilindro.
 
Si el nivel de agua está menos de 50 pies debajo de la superficie, el
debe ponerse el apoyo del asa para permitir al bombeador alzar
la columna de agua en un 3 " PVC que embala sin demasiado
el ejercicio. Si el nivel de agua es más profundo que 50 pies, un 2-1/2 ",
de 2 " PVC embalar debe usarse.
 
Los más bajo valve pueden ser el mismo plan básico como el pistón
el valve, sólo que tiene un diámetro ligeramente más grande. Él entonces
los ataques muy firmemente en sitio y no necesita un valve separado
el asiento. Pero puede quitarse para las reparaciones si necesario. Otro
el método es arreglar un asiento de la válvula permanente en la cubierta a un
la juntura debajo del viaje más lejano del pistón. El asiento de la válvula
puede hacerse de latón, vaso, o PVC llano consolidados en el lugar.
En este caso una ala flexible o el tipo de asiento plano de valve deben tener un ojo
la saeta con la vuelta a la cima para que los valve pueden pescarse fuera
con un gancho para las reparaciones como necesario.
 
La longitud de la vara se escoge poner el pistón debajo el
el nivel mínimo de estiaje en el bien. El pistón puede ser normal,
con un o dos cueros. La cima del bien y el asa
el apoyo es bien igual que en el tipo de la succión poco profundo la bomba.
Es fácil dado quitar la vara y pistón para las reparaciones.
 
LAS HERRAMIENTAS DE AND DE MATERIALES
 
LOS MATERIALES:
 
PVC que conduce por tuberías como indicado
El cemento
El compuesto de la cañería
 
El cárter de la bomba de À. y Bien la Cañería
El pozo profundo
 
   1. El PVC cañería rated bien embalando a 120 lb/[in.sup.2] (el número, el diámetro,
      y longitud variarán, mientras dependiendo bien de la profundidad de
      aburrió)
   2. Acoplamientos roscados o uniones de cemento para unir el bien
      que embala los pedazos de tubo
   3. La PVC entrada pantalla, comercial o localmente fabricado.
La Longitud de       depende de la profundidad y rate de flujo del acuífero
      (consulte con el taladrador)
   4. El tapón extremo de PVC (el cuerpo de pantalla de entrada)
   5. 1.5 " a 2 " PVC toma de corriente pico
 
Poco profundo Bien
 
   Same como anteriormente sólo que Números que 3 y 4 generalmente no son
   requirió, si para excavó bien.
 
La B. Ala flexible*-tipo Pistón Asamblea
 
   1. El cuerpo de Valve--madera dura
   2. La vara de asamblea de acero enhebrada (galvanizado sería bueno,
      pero no es esencial)
   3. La nuez de latón
   4. Lavanderas de latón
   5. El disco de caucho (los valve baten)
   6. Cuero del pistón (despoje 1 " x 7 " aprox., corte para encajar)
   7. Galvanizado encajando para conectar para bombear la vara (la especificación
      depende del tipo de vara de la bomba usado)
 
C. el Pie del Ala flexible*-tipo Recuperable Valve
 
   Same como el B sobre excepto una vara de latón fileteada se sustituye
   para Número 1.
 
   Also, una armella galvanizada puede usarse en lugar de fileteado
La    latón vara en algunas situaciones.
 
D. Pump la Vara
Galvanizado
 
   1. La vara de acero galvanizada, secciones 3/8 " a 1/2 " con fileteado
      acaba. (El Número y longitud dependen bien de la profundidad de)
   2. El acero galvanizado enhebró las uniones, como requerido
   3. Las contratuercas galvanizadas, como requerido
   4. La cima y conexiones del fondo al pistón y asa de la bomba
      (las característica técnicas dependerán de plan escogido)
 
PVC
 
   1. 1 " cañería de PVC. 120 lb/[in.sup.2] la valuación en la longitud suficiente
   2. Bambú o apoyo de madera dura y bloques guiadores (bastante a
      ponen cuatro cada 6 a 7 pies)
   3. Latón chiflado y saetas para atar los bloques guiadores
   4. La cima y acoplamientos roscados del fondo para conectar al pistón
      y se une para bombear el asa
   5. Acere el eslabón-vara acoplando
   6. Los mismos tornillos con rosca cortante para atar el bloque modelo
 
LAS HERRAMIENTAS:
 
La sierra
El archivo
El martillo
El papel esmeril, el papel de lija,
El destornillador
Los alicates
Los tirones
Las tijeras grandes capaz de cortar cuero y caucho
Las alertas
 
LA CONSTRUCCIÓN
 
TRABAJANDO CON LA CAÑERÍA DE PVC
 
Cortando
 
La hechura corta honradamente con el eje largo de la cañería, mientras usando una caja del inglete
o giga temporal al sitio de trabajo. Use una carpintería vio o un
la sierra con una hoja del tosco-diente. Quite todos los zumbidos en el corte
los bordes con un rascador y papel de lija.
 
Las Junturas fileteadas
 
Use acoplamientos de rosca que deben desmontarse los pedazos de tubo dondequiera que
para el reparación y mantenimiento. La pared espesa (horario 80) la cañería
pueden enhebrarse las secciones externamente (el hilo masculino) con una cañería
cortador del hilo y unió con una unión hembra fileteada. El cuidado
debe tomarse al unir dos secciones de embalar con un
la unión para estar seguro que los dos extremos se topan llano juntos
sin el espacio entre ellos.
 
Al unir pared delgada y la cañería del diámetro pequeña, use una combinación
el cemento y acoplamiento roscado. Si la cubierta es hecho de
la campanilla y cañería del espiche, el extremo de la campanilla siempre debe estar abajo. El paseo
el extremo recto hasta donde posible en la campanilla. Esto quiere
hágale más fácil para quitar el pistón y/o el más bajo valve.
 
Donde los acoplamientos de rosca deben ser el agua firme, use un non-hardening,
el non-solvent, non-toxic el compuesto colectivo.
 
La nota: Si el diámetro pequeño la cañería de PVC se usa <vea figura 4> como la vara de la bomba en

ssp4x36.gif (600x600)


la conjunción con el Pie del Ala flexible*-tipo Recuperable Valve, use la cerradura
chiflado a cada colectivo para impedir a las secciones destornillar
durante instalación o recuperación del pie el valve.
 
Las Junturas consolidadas
 
Los junturas consolidados generalmente son
más barato que los acoplamientos de rosca
y se usa donde la juntura
se espera que sea permanente.
Use las uniones hembras para unir
las secciones de cañería. Los tapones extremos,
Los montajes del T ", reduciendo las uniones,
y otros ajustes también pueden
sea consolidado directamente a la llanura
la cañería.
 
Las superficies a ser unidas
deba estar libre del aceite, riegue,
y suciedad. Limpie las superficies
con papel de lija de la multa o solvente
el limpiador.
 
Pruebe cada montaje y juntura
antes de a consolidar.
 
Aplique una luz, incluso la capa,
del cemento de disolvente recomendado
por el fabricante de la cañería.
El cemento seca
rápidamente, así que una las partes
inmediatamente. Dé cada colectivo
un uno-cuarto el giro como él es
congregándose (no después de)
para distribuir el
consolide uniformemente. Permita el
la juntura para curar durante 5 minutos
antes de instalación o aplicación
de esfuerzo mecánico.
 
BOMBEE EL PISTÓN DE AND DE VARA
 
La Vara metal
 
Las varas metales están comercialmente generalmente disponibles. O, ellos pueden
se haga de 1/4 " a 3/8 " vara de acero galvanizada y galvanizado
acere los accesorios para tubería. La vara hace una conexión movible al
la cima del pistón y con el asa de la bomba que usa un yugo y alfiler
el arreglo a ambos lugares.
 
El yugo y conexión del alfiler entre la vara y el asa quiere
mueva a través de un arco pequeño y cause un movimiento lateral pequeño
en el extremo superior de la vara de la bomba. Esto crea un desaire meciendo
haga señas en el pistón como él mueve de arriba abajo, y causas desigual
lleve en los cueros del pistón o cubos de caucho. Para superar
esto, los investigadores tailandeses agregaron otro yugo y conexión del alfiler
al vástago del émbolo. La segunda conexión se extiende grandemente
la vida de los cueros, pero los alfileres en ambas conexiones deben
sea paralelo a nosotros o la segunda conexión no será
eficaz (Vea Figura 5 y 8)

ssp5x370.gif (600x600)


 
La Cañería de PVC
 
La vara de la bomba también puede hacerse de 1 " cañería de PVC. Esto tiene el
la ventaja de ser más barato, el encendedor, y non-corroding. El uso
la pared espesa, presión-rated PVC. Desde que la cañería de PVC es flexible,
ate las guías de madera a la cañería prevenir la cañería de
abrochando adelante el baje el golpe (Vea Figura 6). Las guías quieren

ssp6x38.gif (600x600)


las ayudas previenen el lado para estar al lado del movimiento a la vara causó por el
el acción bombeando. Conecte la cima de la PVC bomba vara a la bomba
maneje con un eslabón doble-articulado, como descrito anteriormente (Vea
Figure 5).

ssp5x37.gif (600x600)


 
El pistón
 
Los valves del pistón listo-hecho están normalmente prontamente disponibles y baratos.
Sin embargo, si deseó, un valve del pistón pueden ser la mano
fabricado según las instrucciones en el pp. 22-24 de
Capítulo 2, Lanzador Pump.
 
Los investigadores tailandeses encontraron que un valve del pistón dobles (Figura 8)

ssp8x39.gif (600x600)


hecho la bomba más eficaz y previno el uso indebido adelante el
cueros. Se muestran otros tipos de valves en las Figuras 6 y 7.

ssp6x38.gif (600x600)


 
PAGUE LA ASAMBLEA DE VALVE
 
Hay varios planes buenos y medios de fabricar el pie
el valves para la bomba a pistón. Una de las opciones buenas es comprar
un valve listo-hecho venenos y lo incorpora en
la asamblea de la bomba. Si posible, escoja un pie el valve que
permite reemplazo fácil de las partes desgastadas del valve. Uno
el tipo de pie del ala flexible*-tipo recuperable valve que puede ser localmente
fabricado se muestra en Figura 10.

ssp10x41.gif (600x600)


 
Otras opciones para el pie los valve son un valve de la pelota en un asiento
(aunque esto puede causar el uso excesivo), un cuero o caucho
el valve del ala flexible, o un valve de asiento plano (vea Figura 9). Si el más bajo

ssp9x40.gif (600x600)


el asiento de la válvula es un anillo permanente de PVC u otro material, puede
sea consolidado dentro de la cubierta en una juntura como la cubierta es
congregado.
 
Otro método se ha usado por Rev. El George Cotter del
La Misión de Buhangija en Shinyanga, Tanzanía. Éste es rizar o
el apretón en sitio el anillo de PVC que actúa como un asiento para el acero
pelota que hace el valve al pie. Una vez la longitud de cañería de PVC tiene
sido determinado, sumerja el más bajo extremo en el aceite caliente hasta suave,
inserte el anillo una pulgada o dos a la cañería, y use común
el manguito del radiador auto sujeta para apretar la cañería sobre y debajo de
la posición del anillo. Los collares con tubuladura pueden usarse de nuevo y de nuevo
cuando la cañería de PVC no devolverá una vez a su forma original él
ha refrescado. La manera más fácil dado ocuparse dado el aceite caliente simplemente es a
tenga una lata de la pintura (u otro recipiente metal) de aceite de motor usado.
Esto puede recalentarse de nuevo y de nuevo. El pasador también hace pensar en eso
el extremo de una sección de cañería de PVC puede ablandarse y puede señalarse con luz a
encaje encima de una cañería metal u otra sección de cañería de PVC por esto
el mismo método.
 
EL PIE DEL ALA FLEXIBLE*-TIPO RECUPERABLE VALVE
 
La construcción de este valve está esencialmente igual que la construcción
de la asamblea del pistón, con los cambios menores.
 
   1. El cuerpo del valve y foca de cuero deben encajar muy herméticamente en
      el embalando bien. El tamaño variará según el tipo de
      la cañería de PVC usó y para que no puede especificarse por adelantado. El
El valve de       se acuña herméticamente en el lugar el embalando bien a
      le impiden cambiar durante el uso. Puede, sin embargo, sea
      quitó para el mantenimiento.
 
   2. Mientras la asamblea del pistón se sostiene junto con un galvanizado
      aceran la saeta, el pie el valve se congrega con un
La       latón saeta con los hilos expuestos. El latón enhebra el testamento
      no se corroen significativamente y permitirán un fileteado
La conexión de       ser hecho siempre que sea necesario reparar
      o reemplaza el pie el valve (Vea Figura 10).
 
   3. Alternativamente, ate el pie el valve con una armella como
      mostrado en Figura 11. Los valve pueden quitarse entonces por

ssp11x41.gif (600x600)


      quiere decir de un gancho largo.
 
LA PVC ENTRADA PANTALLA CONSTRUCCIÓN (EL POZO PROFUNDO)
 
La pantalla de la entrada se sienta debajo de la bomba en el bien. Previene
enarene de entrar en la bomba. PVC es un material superior para
la construcción de la pantalla porque no se corroe y hace
no tienda a volverse los encrusted con los depósitos minerales.
 
La pantalla de la entrada puede comprarse o puede fabricarse, y el Internacional
El Laboratorio de los recursos hídricos rural en la Universidad de
Maryland ha desarrollado un método de fabricación que es prontamente
adaptable a los medios industriales locales, en pequeña escala (Vea
La sección de los recursos). Haciendo la pantalla a mano es tedioso, pero
pueda ser la única opción. Si la pantalla es a mano hecho, el
deben usarse las característica técnicas siguientes:
 
2 " pared pesada PVC, 3 a 9 pies largo (dependiendo de la profundidad y
el rate de flujo de agua).
 
Corte que las hendeduras uno finas mueven poco a poco así desplegado separadamente en Figura 12. No haga

ssp12x42.gif (600x600)


corte más de un tercio de la manera a través de la cañería. La salida
cortes 24 " del extremo inferior de la cañería. Esto proporciona para
una 24 " trampa de arena.
 
Las hendeduras deben alternar y no deben ser ningún directamente opuesto
otro. Corte 75 hendeduras por lo menos. Después de la pantalla y bien
embalar son en sitio, relleno alrededor de ellos con la arena gruesa fina
o arena gruesa que tiene un tamaño de partículas ligeramente más grande que
las hendeduras.
 
EL BOMBA POSICIÓN AND TOMA DE CORRIENTE PICO
 
En ambos planes presentó aquí, la posición de la bomba es una extensión
del cilindro de la bomba y bien la cañería. Un pico de PVC debe ser
atado bien a este PVC la cañería. Un pedazo de 1.5 " a 2 " cañería de PVC
córtese a la longitud deseada. Un extremo se suelda " entonces " al
3 " bien la cañería: el extremo del pico con que conecta el bien
el cañería-ser-corte y enarenó hasta que encaje la curvatura exacta del
bien la cañería. Una sección de repuesto de bien cañería o cañería férrica con el
el mismo diámetro exterior puede usarse como una forma enarenando para esto
el propósito.
 
Corte el mismo tamaño a un agujero como el diámetro interior del pico
en el bien la cañería. Arregle el pico en el lugar como descrito bajo
Las Junturas " " consolidadas. Apoye el pico hasta los juegos de cemento
(aproximadamente 5 minutos).
 
Para asegurar la vida más larga, puede ser deseable hacer una protección
el cercamiento para la posición de la bomba. Un de madera, enladrille, o caja de la piedra ","
o vertió el hormigón es todas las opciones que han sido con éxito probadas.
La opción dependerá del cost y disponibilidad de
los materiales.
 
El PLAN de ASA de BOMBA <vea figura 13>

ssp13x43.gif (600x600)


 
À. vara metal Lisa o sección de G.I. conduzca por tuberías que trabaja como llevar.
   5/8 " en el diámetro.
 
Los pasadores de chaveta de B. para sostener llevando en sitio.
 
C. Pin a través de llevar y apoya llevando así no rodará.
   La rotación angular tendrá lugar en el asa de madera,
   que es fácil reemplazar cuando lleva.
 
D. La distancia a lo largo del asa entre los agujeros productivos
   debe ponerse para que el medio-punto del arco a través de que el
   acaban de los viajes del asa está encima del centro del bien
El    embalando. Esto es importante minimizar el desaire meciendo
   hacen señas del pistón (Vea Figura 14).

ssp14x44.gif (600x600)


 
E. Los agujeros productivos en el asa deben dar un liso, firme
   encajó en los rumbos. Los agujeros deben empaparse con usó
El aceite para motor de    antes de la instalación, y después de que la instalación debe
   se lubrifique a menudo con unas gotas de aceite.
 
LA INSTALACIÓN DE AND DE ASAMBLEA DE BOMBA DEL POZO PROFUNDO
 
En algunas situaciones puede ser necesario congregar e instalar
la bomba y bien conduce por tuberías tan rápidamente como posible en el orden a
reduzca el riesgo de derrumbamiento del bien el taladro. En éstos
las situaciones, es aconsejable usar enhebrado bien las uniones para tubería como
éstos pueden ponerse en el uso sin el retraso involucrado esperando
para las junturas consolidadas para curar.
 
En todas las situaciones es aconsejable pre-congregar o " probar el ataque "
todos los componentes de PVC y partes de la bomba para asegurar que todo
vaya suavemente durante la instalación real. También es
aconsejable para pre-probar la bomba, sobre todo si el pistón y
el pie los valve han sido mano fabricada. Si un recuperable
el pie del ala flexible*-tipo el valve con un cuerpo de valve de madera dura se usa,
instale el valve en el cilindro de la bomba y empape la asamblea en
un cubo de agua durante varios días para probar para el ataque y
la amovibilidad.
 
Congregar e instalar la bomba y bien la cañería:
 
   1. Congregue la pantalla de la entrada.
 
   2. Posicione el pie el asiento de la válvula, de ser necesario, entre el
La       entrada pantalla y la parte del bien la cañería usó como el
      Pump el cilindro.
 
   3. Consolide el acoplamiento de pantalla de entrada al cilindro de la bomba
La sección de      .
 
   4. Ate un line de seguridad a la cima de la sección de cilindro de bomba
      y baja la pantalla de la entrada combinada y cilindro de la bomba
La sección de       en el bien el taladro hasta sólo una sección corta
      permanece de superficie.
 
   5. Ate un line de seguridad a la cima de la próxima sección de
      bien la cañería y lo une a la cima del cilindro de la bomba.
      Si una juntura consolidada se usa, espera 5 minutos antes
El       procediendo.
 
   6. Desate el line de seguridad del cilindro de la bomba y cuidadosamente
      bajan las secciones combinadas en el bien el taladro.
 
   7. Agregue bien adicional los pedazos de tubo como en pasos 4-6 hasta
      la pantalla de la entrada está descansando en el fondo del bien
      aburrió y una sección de bien cañería 3 pies alto permanece anterior
      la capa superior del bien la plataforma.
 
   8. El relleno el taladro con la arena gruesa bastante fina, limpia o
La arena gruesa de       para cubrir la sección de pantalla de entrada y el
      bombean la sección. El resto del bien el taladro debe ser
El backfilled de       con la arcilla seca, si barato y disponible. El
La arcilla de       formará un lechada-foca para prevenir el agua freática de
      que corre abajo el lado del bien conduzca por tuberías y contaminando
      el bien. Si la arcilla es que la tierra demasiado cara, fina debe ser
      usó y una cemento-lechada llenaba los últimos 10 pies de
      el bien el taladro.
 
   9. Vierta el hormigón para el bien la plataforma (en caso negativo ya
      hecho) y puso la posición de asa de bomba en sitio con el hormigón,
Metal de      , o las alertas de madera. Esté seguro permitir el hormigón
      para curar propiamente.
 
  10. Vierta el hormigón para la tapa de posición de bomba si esta opción
      se selecciona, o instala una caja de madera proteccionista alrededor
      la posición de la bomba.
 
  11. Instale el pico.
 
  12. Baje el pie recuperable el valve si esta opción es
      seleccionó. Usando el método de perno y tuerca de fileteado-latón de
      pagan que la recuperación del valve se recomienda para los pozos encima de 30 pies
      profundamente. Para los pozos del shallower, un anillo del gancho puede usarse en cambio
      de una conexión fileteada y el pie que los valve empujaron
      en el lugar con un par de secciones de 2 " cañería de PVC.
 
  13. Baje la asamblea del pistón.
 
  14. Cubra la posición de la bomba con una tapa removible de PVC, la luz,
Metal en plancha de      , o madera. Corte una hendedura simplemente en la gorra grande
      bastante para permitir el movimiento de la vara de la bomba. Si deseó,
      la bomba puede sellarse más estrechamente por la suma de un
      el relleno " flexible ": corte el caucho del tubo interno o similar
El material de       a un disco que es ligeramente más grande que el interior
El diámetro de       de la posición de la bomba. Corte un agujero en el centro
      del disco que simplemente es grande bastante para permitir el pasaje
      de la vara de la bomba. Para congregar, tropece el disco de caucho
      encima de la última longitud de vara de la bomba y lo encajó en la cima
      de la posición de la bomba. Ponga la gorra en el lugar con la bomba
Vara de       que atiza fuera a través de la hendedura.
 
  15. Instale el asa de la bomba y conecte la vara de la bomba al
      manejan.
 
  16. Bombee el bien hasta que el agua esté clara.
 
  17. Desinfecte el bien.
 
LA INSTALACIÓN DE AND DE ASAMBLEA DEL POCO PROFUNDO BIEN LA BOMBA
 
El procedimiento de la instalación para el poco profundo bien la bomba depende adelante
el tipo de bien taladro que existe. Si el bien el taladro no es mucho
más grande que el bien la cañería (un taladró o chorreó bien), instalación
es similar al profundo-bien el procedimiento de la instalación. Si
el bien el taladro es grande (un excavó bien) entonces la asamblea e instalación
es diferente.
 
Si los excavamos somos bien estructuralmente legítimos y si la profundidad de agua
en el bien es adecuado, se congregan la bomba y conducto de aspiración
y suspendido en el bien de la tapa del platform/well. Un
la coladera de la entrada generalmente no se requiere.
 
Una comunidad grande puede cubrirse bien y dos o tres o más
las bombas instalaron, mientras dependiendo de la demanda adelante el bien.
 
EL MANTENIMIENTO DE AND DE FUNCIONAMIENTO
 
Esta bomba no requiere la imprimación. El agua debe fluir fácilmente
cuando el asa se bombea. Una vez o dos veces por el cheque de la semana para ser
efectivamente que el accionamiento por bomba es liso. Esté seguro que el asa no es
suelto. Ponga unas gotas de aceite en los alfileres del asa. Hay
sólo unas cosas que pueden impedir a la bomba trabajar bien:
 
    * los cueros del pistón estropeados
    * llevado o el valves del ala flexible roto
    * el asa rota o malamente estropeada
 
Verifique éstos regularmente y reemplace si necesario.
 
Si la bomba no es propiamente activa, no espere hasta él
las faltas, pero averigua lo que está equivocado y lo arregla rápidamente. Esto
guarde el tiempo fuera de servicio a un mínimo.
 
El plan de la bomba es tan simple que los lugareños en Thailandia
quién no tiene equipo especial o las herramientas no han tenido ningún problema
las reparaciones haciendo y reemplazando las partes estropeadas. Después de los periodo variantes
de uso, un estudio encontró casi todas las bombas en el funcionamiento, con
el tiempo fuera de servicio para las reparaciones menos de 5%.
 
LA                                 INERCIA BOMBA
 
Con sólo tres piezas que mueve, la bomba de inercia <vea figura 1-5> es simple a

ssp1x490.gif (600x600)


construya y mantenga. El plan de la bomba es único: el entero
la bomba mueve de arriba abajo, en lugar de las piezas móvil dentro de.
La bomba puede hacerse de metal en plancha, como descrito aquí, o de
Cañería de PVC o bambú, aunque el bambú no puede anhelar en último lugar.
 
La bomba de inercia es eficaz para alzar el agua las distancias cortas,
arriba a un máximo de aproximadamente 4 metros. La capacidad del
la bomba depende de su tamaño y cómo rápido la bomba se mueve arriba y
abajo. La versión del 8-centímetro alzará 75 a 114 litros de agua por
minuto una distancia de 4 metros. La versión del 15-centímetro alzará 227
a 284 litros de agua por minuto una distancia de 1 metro.

ssp6x56.gif (600x600)


 
El Soldado alemán de la cañada, un VITA Volunteer viejo y un personal anterior
el miembro, desarrolló la bomba en Afganistán en el medio años cincuenta. El
la bomba se ha usado subsecuentemente por las personas por el mundo.
 
LAS HERRAMIENTAS DE AND DE MATERIALES
 
    Mesa 1: Los materiales (se dan las dimensiones en los centímetros)
 
                                     Pump el Diámetro
 
                          8 cm          10 centímetro          15 centímetro
 
Metal de la chapa galvanizada
 Shield, Parta 2            43 x 30        49 x 30       61 x 21
 Shield cubren, Parta 3     15 x 20        17 x 20        21 x 22
 Top de cañería, Parta 5       8 x 8         10 x 10       15 x 15
 Pipe, Parta 8              17 x 450       35 x 279       49 x 149
 SPOUT                     27 X 30        35 X 30        49 X 30
 
El metal barril
 Handle ponen entre paréntesis, Parta 1   15 x 34        15 x 40       15 x 54
 Valve basan, Parta 4a     6 x 6           8 x 8       12 x 12
 Valve cubren, Parta 4c       11 x 11        13 x 13        18 x 18
 
El alambre
 Hinge, Parta 4d                                        32 x 4mm
                                                      DIA.
 
Caucho, del tubo interno,
 Gasket, Parta 4b           11 x 11        13 x 13       18 x 18
 
La Mesa de                      2:  Herramientas
 
El martillo
El yunque (barra ferrocarril o la cañería férrica)
Las sierras, para metal y madera,
Tinsnips
El equipo soldando
La herramienta de perforar y taladros para madera y metal en plancha de luz (o
 punch)
 
        Mesa 3: Las dimensiones para tres bombas de metal en plancha
 
                                         Pump el Diámetro
 
     Part la Dimensión de               8 cm         10 cm        de   15 centímetro
 
Ocúpese dado el bracket,      A         34 centímetro          40 centímetro          54 centímetro
 PART 1 B DE                        24            30            44
                     C          3.5            5              8.5
                     D          7             10             17
 
SHIELD,              E         43             49             61
 PART 2                        14            16            20 FAHRENHEIT
                     G         14             16             20
                     H          3              3              2.5
                     I           8            10            15
                     J          4              4
                     K         30             30             32
 
Escude el cover,        L         15             17             21
 PART 3 MEGA DE                        20            20            22
 
EL BOTTOM,        DE VALVE N          6              8             12
 Part 4a
 
GASKET,              O         11             13             18
 Part 4b
 
EL TOP,           DE VALVE P         11             13             18
 Part 4c
 
HINGE,               Q         16             18             22
 Part 4d
 
La cima de pipe,         R          8             10             15
 Part 5
Maneje, Part  6       el polo De madera, aproximadamente 5 dia del centímetro. por 2 metro mucho tiempo
 
Anuncie, Parta 7         polo De madera, aproximadamente 12 dia del centímetro. por 140 metro mucho tiempo
 
 
     Mesa 4: El alzamiento y capacidad para tres bombas de metal en plancha
 
La cañería la Cañería de Diameter    la Altura de Length    de Capacidad de    en los litros
                                  Lift           por minuto (*)
 
     8 centímetro           650 centímetro        2 a 4 m         75 a 114
    10 centímetro           400 centímetro        1 a 2 m        114 a 152
    15 centímetro           300 centímetro             1 m        227 a 284
 
(*) A 1830 elevación del metro. Sea mayor a las más bajo altitudes.
 
LA CONSTRUCCIÓN
 
Las Mesas 1 y 3 dan las dimensiones por hacer esta bomba en
tres tamaños. La Mesa 4 muestras que la longitud de cañería necesitó para éstos
tres tamaños, el agua de altura puede alzarse, y la cantidad de
riegue que puede bombearse.
 
La bomba es hecho del metal de la chapa galvanizada más espeso que
puede trabajarse fácilmente por un estañero. Los modelos exitosos han sido
hecho de 24 - para 28-calibrar metal en plancha.
 
La cañería se forma e hizo hermético soldando todas las junturas
y costuras. El valve es hecho del metal de desechó
los barriles y un pedazo de camión el caucho del tubo interno. El anaquel para
atando el asa también es hecho de metal del barril. La bomba
puede construirse fácilmente por cualquiera usado a trabajar con metal en plancha.
 
Corte las partes a los tamaños correctos tomados de las mesas.
Congregue según los dibujos. Las dos bombas más grandes pueden
necesite ser fortalecido para impedir al cárter de la bomba derrumbarse
si la cañería pega el lado del bien. Haga esto formando
" costillas " sobre cada 30 centímetro debajo del valve o atando
las vendas hicieron de metal del barril. Las vendas deben sujetarse alrededor
el cárter de la bomba, usando las saetas pequeñas.
 
Aplane el asa de la bomba a uno que acaba para que puede agarrarse fácilmente.
Haga el poste de apoyo sobre tan alto como la cintura de una persona a
haga el funcionamiento más fácil. Ate el asa a la bomba y el
anuncie con 10 mm echa el cerrojo a o uñas de sobre ese tamaño.
 
En hacer cualquiera de estas bombas, el sombrerete de cierre por el valve
deba tener el misma área como el cárter de la bomba.
 
Es muy importante que el tapón en la cima de la cañería sea
hecho completamente hermético.
 
Para bombear más agua más fácilmente, construya dos de los modelos del 8-centímetro.
Móntelos aproximadamente 1 metro separadamente en un pivote en una plataforma encima de
el bien. Conecte las dos bombas extensamente por una viga de madera bastante
para una persona para estar de pie adelante. Construya los comederos para coger el agua como
vierte fuera de las bombas. Usar la bomba, las posiciones del operador,
en la viga, cambiando su peso del lado estar al lado de.
 
EL MANTENIMIENTO DE AND DE FUNCIONAMIENTO
 
La bomba debe imprimarse, y el fondo de la cañería debe ser
sumergido bastante lejos para desarrollar el tirón exigido alzar el
el agua. Para un alzamiento de aproximadamente 4 metros, por ejemplo, el
la cañería debe extenderse en el agua 1.5 metros. Regístrese las longitudes
Mesa 4.
 
La bomba trabaja por la succión. Es decir, construye a una cantidad de
riegue dentro del cilindro. Un ritmo particular es necesario a
bombee el agua de arriba abajo. Los golpes cortos usando al rate de
aproximadamente 80 trabajos por minutos el mejor.
 
No hay ninguna regla empírica real por otra parte, para guiar al usuario,
y alguna práctica y " ensayo y el error " experimentar es
requerido.
 
Con las tan pocas piezas que mueve, hay poco para llevar fuera. El
caucho del valve llevará, sin embargo. Frecuentemente verifiqúelo y reemplace
él si necesario. Periódicamente examine costuras y junturas
para el airtightness. Selle con la soldadura si las goteras desarrollan.
 
Los pivotes del cheque en el asa. Éstos llevarán con el tiempo y podrán
la causa la demasiada obra en el acción bombeando. Si esto ocurre y
la bomba está en el peligro de daño de golpear el lado del
bien, haga una nueva asa. Esté seguro los agujeros para las varas del pivote
es el mismo tamaño como el original, y no el nuevo estropeado
el tamaño.
 
Bombas de cadena que pueden impulsarse por las personas o animales tienen
estado en el uso durante siglos. La bomba toma su nombre del
las series de eslabones y discos que forman una cadena continua que tira
riegue arriba a través de una cañería como él pasa alrededor de una rueda para cadena.
 
La bomba presentada aquí usa el salvamento las partes auto, metal del trozo,
y la madera pesada. Se adaptó por los Voluntarios del Cuerpo de Paces en
Chad de una bomba de cadena básica que aparece en el Pueblo de VITA
El Manual de tecnología. Alzará el agua de las profundidades de a a 6
los metros (20 pies), él el rate de 8,000-9,000 galones por hora.
 
Esto es que los más caros y complejo de las bombas incluyeron en
el manual. También tiene el mayor producto potencial. Cost de
la bomba depende de la disponibilidad de materiales del salvamento y
puede reducirse sustituyendo menos caro localmente disponible
los materiales dónde apropiado.
 
LAS HERRAMIENTAS DE AND DE MATERIALES
 
Así desplegado en Figura 1, el marco de la bomba acabado es parcialmente hecho

ssp1x57.gif (600x600)


de madera serrada. Si serró madera no está disponible en el área,
pueden usarse los leños. También pueden hacerse las barras de reacción de los polos redondos
o ángulo de hierro, dependiendo de los materiales disponible. Si la bomba es
para ser movido bien de uno a otro los leños deben guardarse
entre 7.5cm y 12.5cm en el diámetro. El marco y bomba pueden ser
llevado sin mucho dificultad. O, la bomba
la reunión puede tirarse por un animal de una situación a
otro.
 
Por favor note en los materiales que lista que no se muestran las cantidades
para los rodillos, eslabones de la cadena, discos, atando los alfileres, o caucho
el material de la empaquetadura. Estas cantidades deben calcularse conforme
a la profundidad del particular bien.
 
También note que algunas partes pueden hacerse de madera en lugar de metal,
si está más prontamente disponible. Estas partes incluyen el
los rodillos, discos, y eslabones de la cadena.
 
Estos planes requieren el 15cm-diámetro la cañería de PVC. Deba un menor
o la cañería del diámetro más grande se use, será necesario alterar
el tamaño de la junta de goma y el disco metal de acuerdo con.
El disco metal debe ser aproximadamente 6 mm menor en el diámetro
que el diámetro interior de la cañería escogido. El disco de caucho,
por otro lado, debe ser 3mm más grande en el diámetro que
el diámetro interior de la cañería. Un aparato del embudo-tipo es
atado al fondo de la cañería de PVC para guiar la cadena y
los discos en la cañería. Para una 15cm cañería el extremo señalado con luz del
el embudo debe ser 36cm a 46cm en el diámetro.
 
LOS MATERIALES:
 
1.  diferencial de vehículo de tracción a cuatro ruedas con los tambores de freno
    ató.
 
2.  8 acero arma 26.7cm x 5cm x 10mm chapa de acero espesa
 
3.  30.5cm x 30.5 x 6mm chapa de acero espesa (el cubo)
 
4.  5cm acero del diámetro o los rodillos hierro colado (*)
 
5.  26.7cm x 2.5cm x 6mm plancha de acero espesa (*) (los eslabones de la cadena)
 
6.  14.6cm acero del diámetro discos 1.2mm espeso (*) (18 medida)
 
7.  15.6cm diámetro juntas de goma 3mm espeso (*) (hecho de viejo
El interno-tubo de    )
 
8.  10mm acero del diámetro varas 6.7cm largo (*) (los alfileres que une)
 
9.  7 - 35.6cm x 5cm x 5mm chapas de acero espesas (el refuerzo de la barra de reacción,
    arman pedazo del extremo y los platos montando para el tipo
Las varas de    )
 
10. 4 - 3cm x 3cm x 3mm acero del ángulo (*) (las varas del tipo)
 
11. Deseche chapa de acero y caucho del interno-tubo (bastante para cubrir
    y fondo de la foca de albergue del diferencial)
 
12. 1 galón de aceite para motor (la lubricación)
 
13. Los pasadores de chaveta (*) (2.5cm longitud)
 
14. 24 saetas, 10mm x 2.5cm, con las nueces (el diente del cubo y vara del tipo
La asamblea de    )
 
15. 12 saetas, 10mm x 8cm, con las nueces,
 
16. 4 saetas, 10mm x 14cm, con las nueces (la barra de reacción y anaquel)
 
17. 2 saetas, 13cm x 10cm, con las nueces (la barra de reacción)
 
18. 6 - 13mm chiflado
 
19. 12 saetas, 10mm x 22cm, con las nueces,
 
------------------------------------------------------------------
 
(*) Depende bien de bien dimensiones o profundidad de.
 
20. 15cm diámetro la cañería de PVC (*)
 
21. Madera (*) (el comedero)
 
22. 10cm x 10cm maderas de madera (*) (el marco)
 
23. 2 - 5cm x 10cm x 4.5meters maderas de madera (las barras de reacción)
 
Misceláneo - 10mm dia. las uñas, encole, las alertas metales
 
LAS HERRAMIENTAS:
 
El martillo
 
Los alicates de la aguja-nariz (atando los pasadores de chaveta)
 
El compás
 
El taladro metal y virutas
 
La sierra metal y hojas
 
Gobernante
 
Los medios modelos (los rodillos)
 
El cuchillo (para cortar los materiales de la empaquetadura)
 
Remache el machine
 
El lápiz
 
El yunque (optativo--lea las instrucciones)
 
La llave inglesa
 
Equipo de soldadura con las ataduras cortantes (el acero cortante
 plates)
 
LA CONSTRUCCIÓN
 
Esta bomba de cadena consiste en cuatro componentes mayores:   1) la cadena y
la asamblea del disco, 2) el cubo del diente y asamblea de los brazos, 3) el diferencial
y asamblea del marco, y 4) la atadura de la barra de reacción.
 
-----------------------------------------------------------------
 
(*) Depende bien de bien dimensiones o profundidad de.
 
I.  Prepare la cadena y asamblea del disco.
 
Determine la longitud de la cadena.   para hacer esto, ate un grande
meza a una longitud de soga y baje la piedra en el bien hasta
alcanza el fondo apenas.   que La longitud de la soga indica
la profundidad del bien y proporciona una guía al número de
los eslabones de la cadena, discos, y rodillos necesitaron.   Porque la cadena es
continuo, tiene que ser dos veces la medida de profundidad del
bien más-2.0m.
 
Figure 2 muestras las dimensiones de los eslabones de la cadena.   para encontrar el

ssp2x61.gif (534x534)


el número de eslabones necesitó para un dado bien, mida entre el
los agujeros del extremo (23.7cm) y divide este número en la longitud total
el of  la cadena needed.  El resultado debe ser un número par; si
impar, use el próximo más bajo número par.
 
Corte 6mm chapa de acero espesa a las dimensiones mostradas en Figura 2.
Haga dos pedazos para cada sección de eslabón de la cadena.   Drill los agujeros como
indicado.
 
Determine el número de discos requerido dividiendo el total
el número de eslabones por dos: habrá un disco para cada dos
los eslabones en el chain.  Figure 3 y 4 muestra los dos componentes del disco.

ssp3x620.gif (600x600)


Figure 3 es un disco metal y Figura 4 es el caucho

ssp3x62.gif (600x600)



ssp4x62.gif (600x600)


la empaquetadura.
 
Corte la junta de goma cuidadosamente.   es bueno empezar con el
los agujeros también small.  Si los agujeros son demasiado grandes, el agua escapará
entre el eslabón de la cadena y la empaquetadura.
 
Construya el número requerido de cada componente y ponga al lado.
 
Haga rollers.  El número de rodillos necesitado es igual al
el número de links.  que Los rodillos son de acero o lanzamiento iron.  Si
indisponible localmente, será necesario tenerlos hecho.
Se proporcionan dimensiones para los rodillos en las Figuras 5 y 6.

ssp5x630.gif (600x600)


 
Una alternativa al rodillo del lanzamiento de una pieza es un rodillo hecho de
tres madera o discos de metal echaron el cerrojo a juntos, así desplegado en Figura 7.

ssp7x63.gif (486x600)


Las dimensiones deben estar aproximadamente igual que el lanzamiento
el rodillo.
 
La hechura pins.  que une El número necesitó a los iguales el número total
de eslabones y disks.  Figure 8 muestras las dimensiones de los alfileres.

ssp8x64.gif (393x486)


Taladre dos 3.5mm agujeros en cada alfiler.   de que Los alfileres deben hacerse
las varas de acero estiradas en frío para la esperanza de vida máxima.   Construct
el número requerido de alfileres y puso al lado.
 
Congregue la cadena así desplegado en Figura 9.   Use el 6.7cm pasador

ssp9x64.gif (600x600)


los alfileres para atar los discos y rodillos al eslabón de la cadena.   Remember
que el caucho y discos de metal se atan a cada otro
link.  no atan el último rodillo y eslabón de la cadena juntos:
esto se hará después de que la cadena se tira a través de los 15cm
La cañería de PVC (vea Figura 1).
 
II.  Prepare la asamblea de diente de cubo.
 
Construya el plato del cubo de un 30.5cm x 30.5cm x 6mm chapa de acero,
siguiendo las dimensiones cedidas Figura 10.   Follow los dimensiones

ssp10x65.gif (600x600)


exactly.  El método más fácil de escuadra que un círculo es
con un metro el palo, una uña, y un lápiz.   UNA 10mm uña del diámetro
se clava a un extremo del metro el palo; este punto es el
el centro de la Medida de circle.  de la uña la distancia del
el radio (medio el diámetro) y taladra un agujero para encajar el lápiz
a este point.  Drill un 10mm agujero en el centro del acero
plate.  Put la uña en el agujero y con el metro el palo y
el lápiz dibuja los dos círculos.   Drill ocho espaciaron 1cm uniformemente
los agujeros en cada círculo así desplegado.
 
Tome la chapa de acero del trozo, 10mm espeso; el corte 8 brazos a las dimensiones
cedido Figura 11.  Los dos agujeros y line de centro de radio

ssp11x66.gif (600x600)


los dimensiones deben ser exactos para cada brazo.
 
Ate los brazos al cubo con 10mm x 2.5cm saetas y nuts.  Sea
efectivamente para insertar la saeta de la parte de atrás del plato del cubo, a través de
la sección del brazo, antes de atar con las nueces.   <vea figura 12>

ssp12x66.gif (600x600)


 
III.  Prepare el marco.
 
El marco es hecho de 3 madera emite 10cm x 10cm x 1.6 metros
largo y 2 vigas de 10 x del centímetro 10cm x [el diámetro   del well(s) +
1.25 metros].
 
Las vigas de madera deben ponerse así desplegado en Figura 13.

ssp13x67.gif (600x600)


 
Asegúrese que las dos vigas de apoyo de fondo se extienden por lo menos
61cm más allá de o lateral del bien.   Mark las posiciones de la tabla y
quite bien de.
 
La viga de madera que apoya el mecanismo bombeando debe ser
echado el cerrojo a al apoyo del fondo viga 30cm del punto del centro de
el bien.
 
Usando un taladro de madera, aburra 10mm agujeros del diámetro.   Fasten el marco
junto con 10mm x 22cm saetas y chiflado.
 
IV.  Prepare el diferencial y marco assembly.  <vea figura 14 & 15>

ssp14680.gif (600x600)


Quite un tambor de freno del
el diferencial del vehículo.
 
Recorte una junta de goma y
la chapa de acero para cubrir el expuesto
el extremo del diferencial.
La saeta en el lugar, para guardar el aceite
de gotear fuera.
 
Bloquee la porción diferencial
del engranaje soldando o
insertando un pedazo de metal
afianzado con las saetas para que él
no pueda ser moved.  que puede ser
necesario para proporcionar un medios
por poner el aceite en el diferencial,
qué normalmente es
usado en la posición horizontal.
(El flujo de poder es
invertido de que que era
inicialmente pensado; en lugar de
el eje de impulsión que se vuelve el
el eje, el eje se vuelve el paseo
el árbol.)
 
Ate el cubo del diente al
la porción embridada dónde el
el eje de impulsión normalmente ata
al differential.  El cubo
tiene un 10mm agujero del centro; allí
sea un agujero del centro similar
en el eje de impulsión.
 
Para centrar el cubo del diente en el eje de impulsión, ponga un puntiagudo
10mm alfiler en el agujero del cubo del diente y el eje de impulsión
centre a hole.  Mark el plato del cubo para que los agujeros pueden taladrarse para
atando el two.  Él pueden ser posibles quitar el brazo interior
las saetas del conjunto de cubo y usa esos agujeros por atar el
el cubo a la porción embridada del eje de impulsión.   Si esto no es
posible, taladro los nuevos agujeros en el cubo chapan y embridaron la porción:
en este caso, use un mínimo de cuatro 13mm saetas.   <vea figura 16>

ssp16x69.gif (600x600)


 
Haga las abrazaderas de montaje de vara de tipo: dos (2) los anaqueles tienen que ser
hecho y soldó a la parte inferior del tambor de freno.   <vea figura 17>

ssp17x70.gif (600x600)


 
Figure 18 muestras el arreglo de las varas del tipo que apoyan

ssp18x71.gif (600x600)


y estabiliza el diferencial.   Fasten el fondo del tipo
la vara a los miembros del soporte de palo quitando de cada esquina
del marco un 10mm x 22cm perno y tuerca. La Re-inserción de   las saetas
a través de las varas del tipo y entonces a través de los miembros de madera.
Ate securely.  Bolt los extremos superiores de las varas del tipo al
las abrazaderas de montaje en el tambor de freno.
 
V.  Assemble la barra de reacción.
 
Use el trozo chapa de acero 5mm espeso hacer cuatro platos reforzando
así desplegado en Figura 19. 
ssp19x72.gif (600x600)


Ate uno a cada lateral de ambos torsión
los brazos (5cm x 10cm x 4.5m maderas de madera) donde ellos montan el
el freno drum.  con que Cada barra de reacción se ata al tambor de freno
1.3cm saetas del diámetro así desplegado en Figura 20.

ssp20x72.gif (600x600)


 
Taladre dos 1.3cm agujeros en la parte rotativa del tambor de freno
perpendicular a nosotros.
 
Use dos 1.3cm chiflado entre la barra de reacción y el albergue del freno;
estas nueces sirven compensar la tensión de la barra de reacción adelante
el freno housing.  (Vea figura 21)

ssp21x73.gif (600x600)


 
Construya el anaquel de extremo de barra de reacción así desplegado en Figura 22.

ssp22x74.gif (600x600)


Este anaquel sirve atar las dos barras de reacción juntos y
proporciona un medios de mover a tirones el animal.   Está seguro taladrar
a través de ambos (5cm x 10cm) los miembros de madera.   Insert 1cm x 12cm saetas
a través de un lado del anaquel metal, a través de los miembros de madera,
y entonces a través del lado correspondiente del metal
ponga entre paréntesis antes de atar.
 
VI.  Attach el comedero de agua.
 
Ate el comedero de agua y 15cm diámetro la cañería de PVC.   Figure 23

ssp23x75.gif (600x600)


las muestras el arreglo de la cañería y comedero de agua.   El fondo
de la cañería de PVC que es por lo menos 20cm debajo del line de agua
se señala con luz para permitir entrada fácil de los discos como el agua es
tirado al pipe.  que La sección del fondo de la señal luminosa debe ser
2-1/2 a 3 veces el diámetro de la cañería de PVC.   Los señalamos con luz
pueden hacerse las secciones de 18 medida (1.2mm) acero sheeting.  El
dentro de la superficie debe ser tan liso como posible donde une
los 15cm pipe.  Otherwise fuera que los discos de caucho llevarán
rápidamente.
 
La cima de la 15cm cañería de PVC entra a través del fondo del
comedero de agua de madera dónde se sujeta los dos bajo el comedero
y en la cima para mantener alejado la cañería de tirarse a través del
el comedero cuando la bomba está operando.   Interno-tubo caucho o trozo
pueden usarse pedazos de 15cm cañería de PVC como reforzar el material
bajo las alertas metales.
 
Uña o saeta el comedero de agua a los soportes de armazón de madera, el
el diferencial, y también al miembro de cruz de madera localizado adelante el
el perímetro exterior del bien (vea Figura 18).   UNA agua metal

ssp18x71.gif (600x600)


el comedero puede sustituirse para el de madera si usted prefer.  El
el gasto extra asegurará una vida más larga y menos oportunidad de
los problemas de goteo.
 
EL MANTENIMIENTO DE AND DE FUNCIONAMIENTO
 
Antes de instalar la bomba en el bien es necesario a
conecte el conjunto de articulación del disk/chain.   Pass los eslabones del disk/chain
a través de la 15cm cañería de PVC con el lado de caucho del disco a.
 
Lo siguiente los procedimientos deben llevarse a cabo para guardar
el mantenimiento a un mínimo:
 
    1. Asegúrese hay bastante aceite en el diferencial a
La iniciación de       .
 
    2. Verifique la publicación mensual del nivel de aceite.
 
    3. El cheque paseo shaft/sprocket cubo todos los días por engrasar
       necesita.   Dust que la acumulación tiende a secar al aceite
       rápidamente.
 
    4. Cuando la bomba se sienta durante un tiempo a menos que usándose, el
Los rodillos de        tienden helar arriba y necesitar ser engrasado y
       taladró suelto.
 
    5. Verifique los discos de caucho después de aproximadamente 250 horas de uso y
       los reemplazan, si necesario.
 
Prepare la huella para el animal prevenir el resbalamiento centrífugo (la pérdida de
la tracción) .  Use una capa de arena gruesa, paja, ramitas, madera o ladrido
las astillas, o cualquier cosa está disponible.   Slope la huella ligeramente lejos
del bien para prevenir desagüe-fuera de de productos desechados en el
bien.
 
Es bueno que el tirón animal las barras de reacción en lugar de
empujándolos porque el peso del agua fuerza la bomba a
la marcha atrás del rodamiento antifricción cuando la andadura de las paradas animal y podría causar
la lesión al animal.  puede esperarse que Un animal ejecute la bomba
un promedio de 4 a 6 horas por día sin la fatiga indebida.
EL                                ARQUÍMEDES TORNILLO
 
Hay muchas situaciones en que el agua para las necesidades de la irrigación
para ser alzado sólo distancias muy cortas de un río o canal a
el fields.  para lograr esto, granjeros en tiempos antiguos
adaptado que un dispositivo dijo para haber sido inventado por el Arquímedes a
quite el agua del sostenimiento de una nave grande.   El dispositivo es el
El tornillo del Arquímedes, un cauce helicoidal colocó alrededor un central
doble shaft.  que El tornillo puede hacerse en una variedad de maneras, de
la tubería continua envolvió alrededor del árbol a una serie espiral
de solapar tablas o platos dentro de un cilindro.   Depending en
el plan, el tornillo puede usarse para los tales propósitos diversos como
agua alzando o el grano cargante.
 
El tornillo del Arquímedes presentó aquí <vea la imagen> un dispositivo de elevación de agua.

ssp1x77.gif (486x486)


Consiste en un cilindro de madera envuelto alrededor de una escalera de caracol de
boards.  solapando que El árbol central es de cañería metal o vara.
El tornillo se ha vuelto a mano, o puede atarse a un molino de viento.
Es capaz de levantamiento aproximadamente 100 galones de agua por
minuto a una altura de 18-20 pulgadas.   de que puede moverse fácilmente
ponga para poner como needed.  Screws de este tipo todavía se usa
diariamente por los granjeros egipcios a lo largo del Nilo.   Este particular
la variación fue construida y probó por Loren Sadler y el VITA
el grupo del plan a la Sperry-Nueva Holanda S.A.
 
LAS HERRAMIENTAS DE AND DE MATERIALES
 
LOS MATERIALES:
 
Para un levantamiento de Tornillo de Arquímedes típico 100 galones por minuto
una distancia vertical de 20 pulgadas:
 
   1 - 90 " 1 " cañería del diámetro larga o 3/4 " vara del diámetro para
       el árbol del cigüeñal
 
 142 - 18 " tablas largas, 1-1/2 " x 1/2 " ancho espeso para el
       se mueven en espiral (carefully.  Cortado que las longitudes Inexactas reducen
La eficacia de        del tornillo.)
 
  40 - 71 " tablas largas, 1-1/2 " x 1/2 " ancho espeso para la envoltura
       alrededor de la escalera de caracol (Una envoltura alternada puede ser un pedazo
       de metal en plancha ligero 62 " x 71 " o dos pedazos, cada 36 ",
       X 62 ". )
 
   6 - las Vendas de metal en plancha, alambre, etc. aproximadamente 62 " largo a
       apretan la envoltura alrededor de la escalera de caracol
 
LAS HERRAMIENTAS:
 
Visto
El taladro
El martillo y/o destornillador
El avión
Los tornillos, las uñas, la cola impermeable por arreglar las tablas en la posición,
 
LA CONSTRUCCIÓN
 
Taladre un agujero para el árbol del cigüeñal al centro de cada uno del
142 boards.  La exactitud con que estos agujeros se taladran
las influencias la eficacia del Tornillo del Arquímedes.   Attach el
primero aborde al árbol del cigüeñal así desplegado en Figura 2.   Fix el

ssp2x79.gif (600x600)


tabla segunda a la primera tabla por varios tornillos u otro
los medios, con las esquinas opuestas de los dos aligning.  Install aborda
las tablas restantes de la misma manera.   Attach el último
aborde al árbol del cigüeñal de la misma manera como el Ángulo oblicuo de first. 
el borde de ataque de cada tabla en la escalera de caracol para que el testamento de agua
fluya encima de él más easily.  Seal la escalera de caracol con el alquitrán o tire a
mejore la estanquidad.
 
Luego instala la envoltura, mientras formándolo herméticamente alrededor de la escalera de caracol
para minimizar el agua leaks.  Si las tablas se usan, ellos deben ser
biselado entre sí para un ataque más firme.   Seams en metal en plancha
debe sellarse para prevenir las goteras cuidadosamente.   Cut lejos el más bajo
(la succión) el extremo de la envoltura a la salida de cada lateral del
la escalera de caracol doble para que pueda ahuecarse el agua arriba como la escalera de caracol
turns.  Fasten vendas metales o alambra herméticamente alrededor de la envoltura.
Ate el cigüeñal del paseo.
 
Selle las junturas en la envoltura con alquitrán o diapasón.   Prepare los apoyos para
el tornillo como ilustrado, mientras usando cualquier material conveniente disponible.
Deben empaparse los portacojinetes de madera en el aceite para prolongar
su vida útil.
 
Las Variaciones de la construcción
 
Pueden construirse Tornillos del Arquímedes de este plan en una variedad de
los tamaños.
 
Para los resultados buenos, Persista la altura de alzamiento en las 1/3 o menos del
atornille length.  Para la construcción barata y la actuación buena,
la anchura de las tablas usada para la escalera de caracol debe estar entre 3
y 4 veces su espesor.   para que El número de tablas requirió
una escalera de caracol será aproximadamente 3 veces que la altura de alzamiento dividió
por la tabla la ventaja gruesa 1-1/2 veces la longitud de la tabla, como en
la fórmula:
 
                          3H
                         --
                     (EL N EL T DE =  + 1-1/2 BL)
 
La Evaluación de la actuación
 
Varios Arquímedes Atornilla de este plan se ha construido
y los tested.  Arquímedes Tornillos observaron en Egipto e India tiene
lo siguiente las especificaciones y datos de la actuación: (*)
 
La Longitud de     el Diámetro de              Lift        Capacity     H.P.
    (el ins.)         (el ins.)       (el ins. )         (el gpm)
 
     61              22           10            132       .128
     81              19           20            100       .042
    100              16           30             66       .042
     73              16           18             66       .025
 
(*) Los dispositivos de elevación de agua para la Irrigación, FAO el Desarrollo Agrícola
Empapele #60.
 
EL MANTENIMIENTO DE AND DE FUNCIONAMIENTO
 
Ponga el tornillo en el lugar, con el más bajo extremo en el agua que
es la fuente de Giro de supply.  el cigüeñal para alzar el agua a
el cauce de la irrigación.
 
Verifique el tornillo periódicamente para ser las tablas seguras permanezca atado
securely.  Si necesario, aprete las vendas metales o Cheque de wires. 
el apoyo anuncia para el uso y entereza; reemplace si necesario.
 
Aunque ninguna figura exacta está disponible, un tornillo de este tipo,
deba proporcionar muchos años de servicio.
 
LAS TABLAS DE CONVERSIÓN DE                         
 
Las Unidades de Longitud
 
      1 milla                     = 1760 patios              = 5280 pies
      1 kilometer               = 1000 meters            = 0.6214 millas
      1 metro                    = 3.2808 pies             = 39.37 pulgadas
      1 milla                     = 1.607 kilómetros
      1 pie                     = 0.3048 metros
      1 pulgada                     = 2.54 centímetros
      1 centimeter               = 0.3937 pulgadas
 
Las Unidades de Zona
 
      1 mile             del cuadrado = 640 acres               = 2.5899 honradamente
Los kilómetros de                                                           
      1 kilometer        del cuadrado = 1,000,000 cuadrado        = 0.3861 honradamente
                                  mide las millas de                   
      1 acre                     = 43,560 pies del cuadrado
      1 foot             del cuadrado = 144 inches      del cuadrado = 0.0929 honradamente
                                                           mide
      1 cuadrado   mueven poco a poco             = 6.452 honradamente
Los centímetros de                                  
      1 meter            del cuadrado = 10.764 pies del cuadrado
      1 centimeter       del cuadrado = 0.155 pulgadas cuadrada
 
Las Unidades de Volumen
 
      1 foot              cúbico = 1728 inches       cúbicos = 7.48 EE.UU.
Los galones de                                                            
      1 gallon                           imperial británico = 1.2 EE.UU.
Los galones de                                                            
      1 metro cúbico              = 35.314 pies cúbicos        = 264.2 EE.UU.
Los galones de                                                            
      1 litro                    = 1000               cúbicos = 0.2642 EE.UU.
Los centímetros de                                   los galones de               
 
Las Unidades de Peso
 
      1 ton              métrico = 1000 kilogramos           = 2204.6 libras
      1 kilogramo                 = 1000 gramos               = 2.2046 libras
      1 ton               corto = 2000 libras
 
Las Unidades de Presión
 
1 libra por pulgada cuadrada          = 144 libras por el pie cuadrado
1 libra por pulgada cuadrada          = 27.7 pulgadas de agua (*)
1 libra por pulgada cuadrada          = 2.31 pies de agua (*)
1 libra por pulgada cuadrada          = 2.042 pulgadas de mercurio (*)
1 atmósfera                     = 33.95 pies de agua (*)
1 atmósfera                     = 14.7 libras por pulgada cuadrada (PSI)
1 pie de agua                  = 0.433 PSI           = 62.355
                                                       golpea por
                                   el pie de                     square
1 kilogramo por            cuadrado = 14.233 libras por pulgada cuadrada
El centímetro de  
 
1 libra por pulgada cuadrada          = 0.0703 kilogramos por honradamente
El centímetro de                                  
 
(*) a las 62[degrees] Fahrenheit (16.6[degrees] Celsius)
 
Las Unidades de Power
 
1 caballo de fuerza (inglés)         = 746 watts          = 0.74b
Los kilovatios de                                                     
                                                     (EL KW)
1 caballo de fuerza (inglés)         = 550 pie golpea por segundo
1 caballo de fuerza (inglés)         = 33,000 pie golpea por minuto
1 kilovatio (el KW)                = 1000 watts         = 1.34
El caballo de fuerza de                                                     
                                                     (ENGLISH)
                                                     (HP)
1 horsepower  English)        = 1.0139 caballo de fuerza métrico
                                (EL CHEVAL-VAPEUR)
1 caballo de fuerza métrico            = 75 metros kilogram/second del x
1 horsepower   métrico          = 0.736 kilovatios     = 736 vatios
 
LOS                            REFERENCIAS AND RECURSOS
 
Los Instrumentos Agrícolas animal-arrastrados, Machines Accionado por la mano,
y Equipment de Power Simple en el Lo menos Desarrollado y Otro
Los países en desarrollo--el Informe de un Desarrollo Industrial
Delhi clínico, Nuevo, India,: 21-30 el 1974 dado octubre, los Naciones Unidas,
La Organización del Desarrollo Industrial, Ginebra, Suiza,
El Informe ID/148 (IC/WG. 193/3), 1975. 45 pp.
     Includes las recomendaciones que los gobiernos de desarrollar
los países promueven la fabricación local de agrícola
la maquinaria e implements.  Includes las listas y fotografías de
los instrumentos agrícolas y los países en desarrollo en que
ellos se usan.
 
El Gear de Power animal-manejado, Ginebra, Suiza,: Los Naciones Unidas,
La Publicación GE .75-14371, 1975. 30 pp.
      que El vestido de poder animal-manejado describió en esta publicación
los trabajos en el mismo principio como una bicicleta.   que El dispositivo es básicamente
un arreglo de palancas y vestidos que transforman lentamente
el movimiento de la pierna en la rotación rápida de una rueda.   El rendimiento
engranando proporciona arriba a 135 revoluciones por minuto--bastante para
operando una variedad de machines del proceso individual.   No técnico
los dibujos pero incluye las fotografías.
 
Corcoran, Tom.  " la bomba de cadena de Chad. las Notas de Tecnología de Cuerpo de Paz de "  
(El 1969 dado agosto), pp. 8-9.  Washington, D.C.,: El Cuerpo de ACTION/Peace.
     Gives los dibujos y explicación en el trabajo del Cuerpo de Paz inicial
en modificar la bomba de cadena de VITA para usar el poder animal.   que es
el material del fondo bueno pero no incluye el funcionamiento bueno
los dibujos.
 
El Uso eficaz de Power Animal en las Granjas puede Llevar a Menos Trabajo
y Más Harvest.  Oklahoma Ciudad, Oklahoma,: Los Vecinos Mundiales,
Vol. 11, #1E, 1979. 8 pp.
     Includes una sección muy buena en entrenar los animales para la granja
el uso.
 
Chulalongkorn la Facultad Universitaria de Ingeniería.   El Desarrollo
de un PVC Handpump.  Bangkok, Thailandia: El Informe sometió a
la Organización Mundial de la Salud, 1981. 52 pp.
     UN PVC succión tipo handpump, basado en los planes de VITA, y
fabricado por la División de la Ingeniería Agrícola del
La Universidad de Chulalongkorn, se probó y evaluó bajo el laboratorio
el Proyecto de conditions.  tenía tres fases: Escalone que yo estudié
y modificó el tipo de la succión existente el handpump de PVC para el uso en
los pozos excavados con un nivel de agua no más profundo que 6 metros.   Phase el II
desarrollado un tipo de alzamiento el handpump de PVC conveniente para los pozos excavados
más profundamente que 6 meters.  Phase III modificaron la Fase II handpump
en un tubo del diámetro pequeño bien para el uso arriba a 30 meters.  Esto
la bomba usa PVC que embala bien como el cilindro de la bomba.   La nueva bomba,
qué usa el pistón del tipo coreano, se recomienda para todos los tipos
de handpump de PVC use en Thailandia.
 
La bomba de mano Testing y Evaluación para Apoyar la Selección y
El Desarrollo de bombas de mano para los Programas del abasteciemiento de agua Rurales.
Leidschendam, los Países Bajos,: La Organización Mundial de la Salud
El Centro de la Referencia Internacional para el abasteciemiento de agua de la Comunidad,
1979. 54 pp.
     UN informe de una reunión internacional, da los resultados de un
el estudio de testing de la bomba de mano y proyectos de la evaluación. Las Pautas de  
para el testing de la bomba de mano y evaluación también se da.
 
" Cómo Hacer una bomba de mano para la Irrigación ". Únase, no. 26, el pp,:
20-29. Marshalltown, Africa Sur,: El eslabón. Sept. 1981.
     las instrucciones Simples acompañan ilustraciones que muestran cómo
la bomba de mano camella alzar el agua, los componentes de la bomba,
y cómo algunos de los elementos son juntos hecho y en buen salud.
Para los planes completos, uno puede escribir para Unirse.
 
Islam, S.; Estaba perplejo, M. À.; y Roy, K. S. " la Actuación Comparativa
de Tipos Diferentes de Bombas Manuales, la Mecanización " Agrícola
en Asia (Verano 1981), pp. 65-68. Tokio: AMA.
     Looks a una colección de bombas por mano operadas que son
usado para la irrigación, y compara la capacidad, mientras alzando la cabeza,
la ergonomía, los cost benefician la proporción, y características de mantenimiento.
 
Kingham, John, el et. el al. Hand/Foot Operated las bombas de agua para el Uso
en los países en desarrollo. El Informe sometió a CA Testing y
La investigación, Harpenden, el Reino Unido, el 1980 dado octubre. 78 pp.
     Describes un proyecto en que 12 marcas de hand/foot operaron
el pozo profundo fuerza bombas ser usó en los países en desarrollo
se probó bajo las condiciones del laboratorio. Éste es un examen final
el resumen de rasgos importantes descubrió durante las pruebas y un
la discusión de las bombas, junto con las recomendaciones.
 
Kukielka, Boleslaw Jan.  el Informe Provisional en agua potable Protegida
El Programa de Dugwell en Cuatro Piloto Distritos del Proyecto en
Thailandia. Bangkok, Thailandia,: el informe presentó al Medioambiental
El Proyecto de salud, el Departamento de Salud, 1980. 21 pp.
     Results de un proyecto para mejorar el suministro del agua potable
de varios villages.  Protected tailandés se construyeron los dugwells y
inspeccionado, y se animaron que los lugareños instalaran los pozos
y simple se bombea.   Includes 11 dibujos técnicos de
las asambleas del vástago del émbolo y asambleas de valve de pistón.
 
Los ensayos de laboratorio las bombas de agua Operadas disponibles para el Uso Desarrollando
Countries.  Washington, D.C.,: El Banco Internacional para
La reconstrucción & el Banco Mundial de Development/The. El 1982 dado febrero. 123
el pp.
     Describes los ensayos de laboratorio de 12 mano pumps.  El largo
el objetivo del rango del programa es promover la fabricación de
mejorado o bombas de mano más fiables en los países en desarrollo,
bombas que pueden mantenerse por los operadores del pueblo especializados.
 
Las Bombas " uniéndose para la Actuación Buena, " Elementos esenciales, no. 7, pág. 9.
Sommerset, Inglaterra,: Los elementos esenciales, la Comunicación Rural. El 1979 dado marzo.
     Includes un plan para un marco simple que se une dos alzamiento
las bombas y le permite a un solo operador que camelle los dos al mismo
tiempo que usa su feet.  Esto está menos cansado y, porque dos bombas
está trabajando, proporciona un flujo mayor y continuo de agua
arriba a 3,500 galones por hora).   que Los diagramas muestran cómo las bombas
se enlaza.
 
La lista de Equipo Agrícola y Herramientas para Granjeros Diseñados
para Construction.  Londres Local: El Desarrollo de la tecnología intermedia
El Grupo.
     Essentially una lista de las publicaciones de equipo agrícola
los planes disponible de ITDG.
 
McGrath, Patrick, el et. el al. Un Cebador de la bomba de mano. El Parque de la Escuela,
Maryland: La universidad de Maryland, la Escuela de Ingeniería,
1978. 20 pp.
     UNA guía a la selección de bombas de mano apropiadas para
las áreas dadas.
 
Pacey, Arnold.  bomba de mano Mantenimiento y los Objetivos de
La Comunidad Bien Projects.  Oxford, el Reino Unido,: OXFAM, 1976.
21 pp.
     UN en consideración a los aspectos más anchos de bomba del pueblo
el mantenimiento. Sugiere que el conocimiento de la comunidad y mando de
las bombas son esenciales si ellos serán guardados activos. También
incluye una lista de fabricantes de la bomba de mano en India y algunos
Los países africanos y Westernes.
 
Los Instrumentos Buey-arrastrados simples para la Irrigación Eficaz.
La universidad de Udaipur, la Escuela de Agricultura, Jobner (Ext.
Boletín #1), 1964. 15 pp.
 
Sternberg, P. M.; Plata, M.; y Allison, S. el medidor de caudal de V. "
por Medir la Descarga de Bombas Pequeñas, " tecnología apropiada.
Vol. 9, no. 1, el pp,: 14-15.  Bosquecillo del Bosque, Oregón,: Apropiado
La tecnología, el 1982 dado junio.
     Discusses los métodos convencionales de medida de flujo y
el procedimiento de la calibración y concluye que el hole-in-the-bucket
el metro es suficientemente exacto.
 
Sternberg, Yaron, y Knight, Robert. El Desarrollo de   de PVC Well
Las Pantallas para la Fabricación Local en los países en desarrollo.
Washington, D.C.,: El Banco Internacional para la Reconstrucción y
El Banco Mundial de Development/The, el 1978 dado abril.   8 PP.
     Describes el desarrollo de un bien pantalla que puede ser
hecho en la mayoría de los países en desarrollo.
 
La bomba de cadena de VITA.  " para la Irrigación (la Mano Impulsó), Tecnología del " Pueblo
El manual, el pp. 92-96 (los dibujos e instrucciones).
Arlington, Virginia,: VITA, 1963.
     Esta sección del VTH describe los conceptos básicos de
qué el animal impulsó que la bomba de cadena fue diseñada.   Includes
los detalles de la construcción graduales.
 
La Construcción de VITA.  y Mantenimiento de Agua Wells.  Arlington,
el virginia: VITA, 1969. 170 pp.
Publicación de      escrita para los Voluntarios del Cuerpo de Paces americanas que
fue empleado para desarrollar los recursos del agua subterránea en el
áreas a que les enviaron.   de que da una revisión general
el agua subterránea, su ocurrencia y propiedades; bien la construcción
los métodos excavando, manejando, taladrando, y chorreando; bien
los transatlántico; el equipo aburrido; el etc.   lleva puesto bien una sección útil
las bombas y también en los aspectos de la planificación de un excavar bien
programe, exploración del agua subterránea, la opción de suministros, bien,
protección sin el equipo caro.   contiene el funcionamiento
los dibujos de herramientas, las listas de partes necesitaron, y gradual
se dan Técnicas de instructions.  por taladrar los barrenos más
la atención que aquéllos que describen mano excavada los pozos.
 
El vatio, S. B.; y Madera, la W. E. Mano Excavó Pozos y su construcción.
Londres: Las Publicaciones de la tecnología intermedia S.A..,
1977. 253 pp.
     Provides la guía gradual en la técnica real de
la mano excavó bien construcción en que el árbol es grande bastante
para permitir a las excavadoras descender como el trabajo progresses.  El
el método del barreno no se reparte con.
 
EL APENDICE I DE                                 
 
DECISIÓN DE                           QUE HACE LA HOJA DE TRABAJO
 
Si usted está usando este manual como una pauta para incluso un
la simple-bomba en un esfuerzo de desarrollo, coleccione la tanta información
como posible y, si usted necesita la ayuda con el proyecto,
escríbale UN informe a VITA.  en sus experiencias y los usos de esto
el manual ayudará VITA que los dos mejoran el libro y ayuda otro
los esfuerzos similares.
 
           Volunteers en la Ayuda Técnica (VITA)
              1815 Calle de Lynn Norte, Colección 200,
              Arlington, Virginia 22209-2079 EE.UU.
 
LA DISPONIBILIDAD DE AND DE USO ACTUAL
 
*  Describe la corriente las prácticas agrícolas y domésticas que
   confian en el agua a algún punto.
 
*  Qué fuentes de agua son los available?  Incluyen ríos, los arroyos,
Los lagos de   , los estanques. ¿  Están allí los pozos en el área?   Qué type?  eso que
¿   son que ellos usaron para?
 
¿*  para Qué se usa el agua tradicionalmente?
 
LOS RECURSOS DE AND DE NECESIDADES
 
*  Based en la corriente las prácticas agrícolas y domésticas, eso que
   parecen ser las áreas de mayor need?  Hace la comunidad
   necesitan una fuente de limpie bebiendo el water?  Habría un fiable
La fuente de    de estiramiento de agua de irrigación la estación creciente, permitiendo,
Producción de    de una cosecha adicional para el consumo nacional o
¿La venta de   ?
 
*  lo que es las características del problems?  Es el local
¿La población de    consciente del problem/need?  Cómo usted sabe?
 
*  Tiene cualquier persona local, particularmente alguien en una posición de
La autoridad de   , expresó la necesidad para o interesa en esto
¿La tecnología de   ?   en ese caso, enlate a alguien se encuentre para ayudar introduzca
¿   la tecnología?
 
*  Están allí oficiales locales que podrían ser involucrados y podrían taladrarse
¿   como los recursos?
 
*  Cómo puede usted ayuda a la comunidad a decidir qué tecnología es
¿   destinan para él?
 
*  Que las fuentes de agua disponibles parecen ser la mayoría del useful?  Es
   agua subterránea dulce o saline?  Will que usted confia en existir
Pozos de    o testamento que los nuevos tienen que ser el dug?  Cómo hace el agua
¿La mesa de    fluctúa? Quién posee el bien, o la tierra dónde nuevo
¿Se localizarán los pozos de   ? ¿Cómo usted gana el acceso?
 
*  Son los materiales de la construcción que los locally?  disponibles Son locales
   habilidades sufficient?  Que mantendrán el equipment?  Son
¿Los repuestos de    disponible si ellos deben comprarse?
 
*  Hacen un presupuesto de la labor, partes, y materiales
   necesitó.   Will la salud beneficia de un sanitario bien pese más que
¿El coste de   ?   Will mejoró que los rendimientos agrícolas pagan por la bomba
¿La instalación de   ? ¿  una cuota usuaria Es una opción?
 
*  Hace la tecnología requiera fuera del funding?  Es local
¿   que consolida las fuentes disponible?
 
*  lo que es su schedule?  Es usted consciente de fiestas y
¿   plantando o segando la mies estaciones que pueden afectar la oportunidad?
 
*  Cómo le manda información del cobertor adelante, y promueve el uso de, el
¿La tecnología de   ?
 
IDENTIFIQUE EL LA MAYORÍA LA TECNOLOGÍA APROPIADA
 
*  Está más de un applicable?  de tecnología de agua-levantamiento Pese
   el coste de varios pariente de tecnologías a nosotros--
   totalmente por lo que se refiere a la labor, la habilidad requirió, materiales, la instalación,
   y funcionamiento costs.  Remember para parecer en absoluto el
El coste de   .
 
*  Son las personas del recurso experimentadas disponible quién puede guiar el
¿La introducción de    de la tecnología?
 
*  Dónde la necesidad es suficientemente de gran potencia y los recursos son
   available, considere la escena a una empresa industrial.
 
LA DECISIÓN DEFINITIVA
 
*  Cómo era la decisión definitiva alcanzó para proseguir--o no va
¿   delante--con esta tecnología?
 
EL APENDICE II DE                                
 
                           RECORD LA HOJA DE TRABAJO DE GUARDA
 
LA CONSTRUCCIÓN
 
Las fotografías de la construcción procesan, así como el
el resultado terminado, es útil para las reparaciones posteriores y para otros
quién puede querer copiar su bomba.   Ellos agregan interés y detalle
eso podría pasarse por alto en la narrativa.
 
Un informe en el proceso de la construcción debe incluir muy muy
information.  específico que Este tipo de detalle puede supervisarse a menudo
el más fácilmente en los mapas (como el uno debajo de).   <Vea Informe 1>

sspxrp10.gif (486x486)


 
EL COSTE ESPECIAL
 
Esta categoría incluye daño causado por el tiempo, los catástrofes naturales,
el vandalismo, Modelo de etc.  los archivos después de la rutina
el mantenimiento records.  Describe para cada casualidad separada:
 
* La causa y magnitud de daño.
* El costos de mano de obra de reparación (como el account de mantenimiento).
* El coste material de reparación (como el account de mantenimiento).
* Medidas tomadas para prevenir la repetición.
 
EL APENDICE III DE                         
 
              LA FABRICACIÓN DEL PORTACOJINETE DE MADERA
 
LA INTRODUCCIÓN
 
Los portacojinetes apoyan, guían, y absorben la carga y empujón
de piezas que mueve en los dispositivos mecánicos.   a que Su propósito es
mantenga la posición, y reduzca calor, fricción, y uso.
 
Los rumbos propiamente funcionando son necesarios para el mecánico
los dispositivos para lograr su eficacia máxima y lifespan.
Los rumbos pobremente hecho reducen la efectividad que opera.   Poorly
los rumbos mantenidos pueden llevar al fracaso del machine.
La lubricación productiva impropia se cita a menudo como un operar
el problema en los países en desarrollo.   que los rumbos De madera normalmente son
mismo-lubricating.  Aquéllos que son no pueden lubrificarse con
la grasa, aceites, u otros líquidos.
 
Hay una gama amplia de llevar los tipos, como los cojinetes de manguito,
los cojinetes de bolas, y cojinetes de rodillos.   Un poco de apoyo de los rumbos
las cargas radiales mientras otro apoyo empujó las cargas.   Ambos tipos de
las cargas existen en todo el machines.
 
LOS TIPOS DE RUMBOS SÓLIDOS
 
Una presión sólida simplemente puede ser un bloque de madera con un agujero
taladrado a través de it.  Properly diseñó y mantuvo el sólido
los rumbos reducen la fricción manteniendo una capa de lubricación
entre el eje giratorio o árbol y la superficie de cojinete.
 
El más grande la carga productiva, el más grande la presión debe ser.
Despacio las cargas rotatorias, pesadas exigen a la atención especial reducir
la cantidad, de friction.  El más el poder perdió a la fricción, el
más grande la presión debe be.  los rumbos Eficaces gastan menos poder
y permite reducir el tamaño del machine y cost.
 
Los rumbos sólidos están por la mitad normalmente cortados antes de que ellos se instalen
para permitir reemplazo más fácil del eje y la presión.
Rumbos sólidos que han estado por la mitad cortados son conocido como
raja-medio rumbos.
 
LOS MATERIALES
 
La madera seleccionada para los rumbos debe tener bueno autolubricante
properties.  que se pulen los Tales bosques fácilmente, difícil a
impregne con los preservativos.   que Ellos no pueden encolarse fácilmente, y
no reaccione con acid.  Algunos ejemplos de bosques autolubricantes
la teca del are: , el blackbutt, el boxwood, el roble, el poon, el tallowood, la pera,,
el lignum vitae, y camphorwood.   El tipo de madera usó el testamento
dependa de la disponibilidad local.
 
La madera más dura disponible debe usarse para hacer los rumbos.
Madera seleccionada para los rumbos debe permitirse secar para ocho
a 12 semanas antes de que se use.   Drying las hechuras la madera más duro y
más resistente a wear.  los rumbos De madera llevarán en el futuro
fuera, however.  Ellos son baratos y fácilmente reemplazados cuando ellos
está completamente estropeado.
 
Una ventaja de rumbos de madera propiamente construidos es eso
ellos no necesitan la lubricación constante.   Esos bosques que no son
naturalmente autolubricante puede impregnarse con el aceite.   Esto
involucra el remojón los rumbos en no aceite hasta que los rumbos sean
completamente impregnado con el aceite (este proceso se explica más allá
en lo siguiente sección).
 
Cuando un cojinete de manguito empieza a llevar, lega la nave para ser completamente
replaced.  que Las caras emparejando de raja-medio rumbos pueden
se allane abajo y los rumbos arrojaron encima de cuando un lado
empieza a llevar.
 
EL MANTENIMIENTO
 
Los rumbos de madera no necesitarán mucho, si cualquiera, la lubricación adicional,
si se usan los bosques autolubricantes para construirlos.   El
el artículo del problema para mirar para, en el cuidado de rumbos de madera, es
wear.  la lubricación Periódica puede ser deseable si los rumbos
parezca desgastarse demasiado rápidamente.
 
Los rumbos deben, siempre que posible, se instale en una posición
donde la suciedad cayente no entrará en ellos directamente.
 
La vida de rumbos de madera puede extenderse, y su eficacia
mejorado, impregnándolos con el aceite.   por que Esto se hace
poniéndolos en una tina de artefacto o aceite vegetal y calentando
el aceite hasta que toda la humedad se maneje fuera de la madera.
Este proceso puede tardar de 30 minutos a dos horas, y es un
deba para los cojinetes de manguito para prevenir el encogimiento posterior.   El proceso
está completo cuando sólo solos arroyos de levantamiento de las burbujas diminuto
de los rumbos a la superficie del aceite.   que Los rumbos deben ser
salido al fondo de la tina y permitió refrescar toda la noche.
Esto les permite absorber la cantidad máxima de aceite.
 
(LA NOTA: EL CUIDADO EXTREMO DEBE TENERSE AL OCUPARSE DADO EL IVA DE
EL TO DE ACEITE CALIENTE EVITA LAS QUEMADURAS SERIAS.)
 
La porción del árbol directamente en el contacto con la presión
deba ser como el ronda y deba aplanar como posible evitar el uso excesivo
en los rumbos.
 
== == == == == == == == == == == == == == == == == == == ==
== == == == == == == == == == == == == == == == == == == ==

CD3WD Project Donate