Aldeia

CD3WD Project

Back to Home Page of CD3WD Project or Back to list of CD3WD Publications


Home - English - French - German - Italian - Portuguese - Spanish
Aldeia de                                    
Tecnologia de                                  
Manual de                                   
 
 
                      Volunteers em Ajuda Técnica
                            1815 Nortes Rua de Lynn
                         Arlington, Virgínia 22209 E.U.A.
 
Manual de Tecnologia de aldeia
 
Direito autorais [C] 1988 Voluntários em Ajuda Técnica
Todos os direitos reservados. Nenhuma parte desta publicação pode ser reproduzida ou pode ser transmitida
em qualquer forma ou por qualquer meios, eletrônico ou mecânico, inclusive fotocópia,
registrando, ou qualquer armazenamento de informação e sistema de recuperação, sem os escritas,
permissão do publicador.
 
(Esta é primeiro a terceira edição de um manual publicada em 1963, com o apoio de
o U. S. Agência para Desenvolvimento Internacional, e revisou em 1970 que têm
passada por oito impressões principais.)
 
Fabricada nos Estados Unidos de América.
 
Comece Times Roman tipo em uma IBM computador pessoal, um presente para VITA de
Corporação de Máquinas Empresarial internacional, usando software de WordPerfect doado,
através de Corporação de WordPerfect.
 
Voluntários de by:  publicados em Ajuda Técnica
               1815 Nortes Rua de Lynn, Apartamento 200,
               Arlington, Virgínia 22209 E.U.A.
 
10 9 8 7 6 5 4 3 2 1
 
Biblioteca de Dados de Catalogar-em-publicação de Congresso
 
Manual de tecnologia de aldeia.
 
Bibliografia de     : pág. 413
     1. Construindo--os manuais de Amadores. 2. Fazer-isto-você trabalho. 3. Economia doméstica,
Rural--Manuais, manuais, etc. eu. Voluntários em Ajuda Técnica.
TH148.V64 1988          620 ' .41734              88-5700
ISBN 0-86619-275-1
 
                          Aldeia Tecnologia Manual
                        
Índice de                              
 
PREFÁCIO
NOTAS EM USAR O MANUAL
SOBRE VITA
SÍMBOLOS E ABREVIAÇÕES
 
MOLHE RECURSOS

wr1.gif (393x393)


 
Fontes de Água em desenvolvimento
Água de Chão adquirindo de Poços e Primaveras
    Ground Água
    Flow de Água para Poços
    Onde Cavar um Bem
    Well Cobertura e Selo
    Well Desenvolvimento
Tubewells
    Well Cobertura e Plataformas
    Hand-Operated que Perfura Equipamento
    Balde Seco que Perfura Bem
    Driven Poços
Poços cavados
    Sealed Cavou Bem
    Deep Cavou Bem
    Reconstructing Poços Cavados
Desenvolvimento primaveral
 
Levantamento de água e Transporte
Avaliação
    Moving Água
    Lifting Água
Transporte de água
    Estimating Fluxo de Água de Fluxo Pequeno
    Measuring Fluxo de Água em Tubos Parcialmente Enchidos
    Determining Fluxo Provável com Altura de Reservior Conhecida e
      Size e Comprimento de Tubo
    Estimating Fluxo de Água de Tubos Horizontais
    Determining Tamanho de Tubo ou Velocidade de Água em Tubos
    Estimating Resistência de Fluxo de Tubo Fittings
    Bambu Transportando
 
Levantamento de água
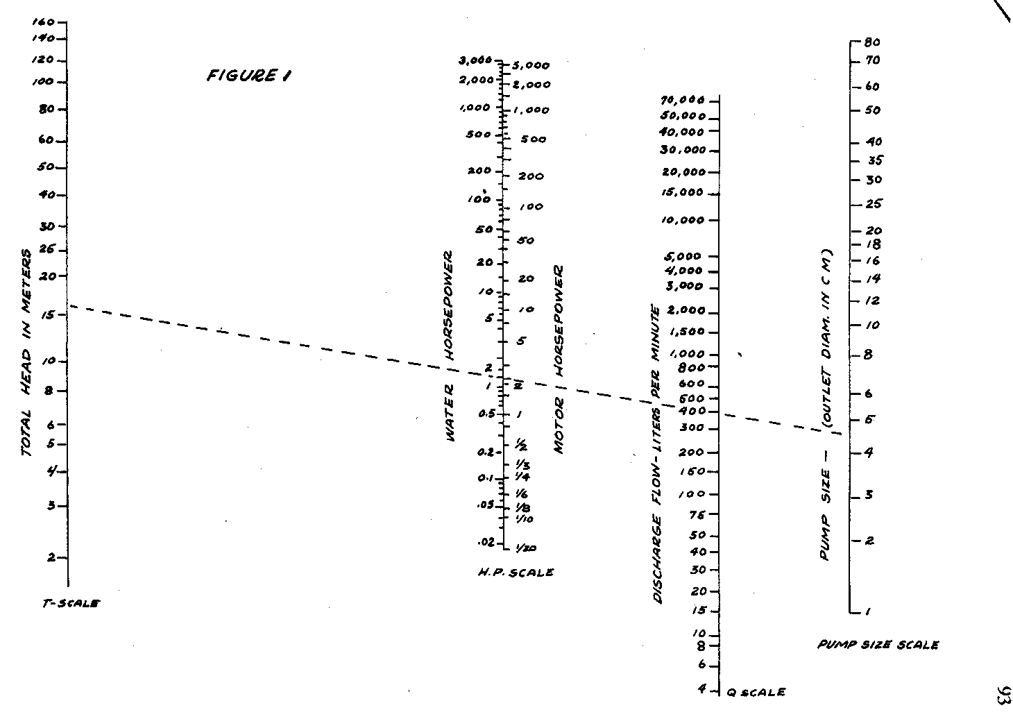
    Pump Especificações: Escolhendo ou Avaliando uma Bomba
    Determining Capacidade de Bomba e Exigências de Cavalo-vapor
    Determining Capacidade de Bomba de Elevador
Bombas simples
    Chain Bomba para Irrigação
    Inércia Mão Bomba
    Handle Mecanismo para Bombas de Mão
    Carneiro Hidráulico
Transmissão de Poder de Arame reciprocando para Bombas de Água
Areje Energia por Água Bombear
Avaliação de    
Decisão de     que Faz Processo
 
Molhe Armazenamento e Tratamento
Cisternas
    Cisterna Tanque
    Catchment Área
    Cisterna Filtro
Selecionando um Local de Represa
    Catchment Área
Chuva de    
Local de    
Molhe Purificação
Caldeira de     por Beber Água
    Chlorinating Poços, Fontes, e Cisternas
     Água Purificação Planta
    Sand Filtro
 
SAÚDE E SERVIÇO DE SAÚDE PÚBLICA
 
Latrinas sanitárias
Avaliação
    Local Particular
    Abrigos Particulares
Tipos particulares
    Pit Particular
    Water Particular
    Latrina de Água-selo filipina
    Tailândia Água-selo Laje Particular
 
Bilharziasis
Os Parasitas
Sintomas e Diagnose
Tratamento
Prevenção
 
Libertando uma Área de Bilharziasis
 
Controle de malária
Comunidade Medidas Preventivas
Medidas Preventivas pessoais
Tratamento
 
Terapia de Rehydration oral
Desidratação--UMA Condição Vida-ameaçadora
Tratando ou Prevenindo Desidratação
 
AGRICULTURA
 
Terra Dispositivos Comoventes para Irrigação e Edifício de Estrada
Arraste Grader
Raspador de Fresno
Embarrile Raspador de Fresno
Construção de    
Operação de    
    Repairing o Barril Raspador de Fresno
    Adapting para industrial
Flutue com Lâmina Ajustável
Resista Raspador
V-arraste
Arrancos múltiplos
 
Irrigação
Tubos de sifão
Azulejo usando para Irrigação e Drenagem
    Making uma Máquina de Azulejo Concreta
    Making o Azulejo
 
Sementes, Ervas daninhas, e Pestes
Limpador de semente
Peneiras de Limpeza de semente
Grão secante com Blocos De madeira
    Preparing os Blocos
    Using os Blocos
Pulverizador de balde
Espanador de Colheita de mochila
    Como o Espanador Opera
    Adjusting o Espanador
    Filling o Espanador
    Making Fontes para o Espanador
 
Aumento de avícula
Chocadeira com Curral para 200 Pintinhos
Chocadeira de Abajur de querosene para 75 a 100 Pintinhos
Chocadeira para 300 Pintinhos
 
Casa de Avícula de bambu
    House
    Roof
Cevadores de    
    Nests
Fórmulas de Alimento de avícula
 
Jardinagem intensiva
A Terra
As Camas Crescentes
Fertilizando a Terra
Seleção de Colheitas
Mulch
 
Silagem para Vacas de Leiteria
 
COMIDA QUE PROCESSA E PRESERVAÇÃO
 
Comida armazenando em Casa
Como Querer Tipos Vários de Comida
    Leiteria Comidas
    Carne Fresca, Pesque, Avícula
    Eggs
    Frutas Frescas e Legumes
    Fats e Óleos
    Baked Bens
    Dried Comidas
Conservas alimentícias de    
Sobra de     Cozinhou Comidas
Desperdiçamento de comida
    Quando Comida é Deteriorada?
    Por que Espólios de Comida
Recipientes para Comida
    Types de Recipientes
    ao cuidado de Recipientes de Comida
A Área de Armazenamento
    Ventilação Bom
    Keep a Área de Armazenamento Esfria e Seca
    Keep a Área de Armazenamento Limpa
 
Comidas mantendo Esfriam
Evaporative Comida Refrigerador
Refrigerador de Iceless
Caixa de janela
Outros Modos para Manter Comidas Esfriam
 
Legumes armazenando e Frutas para Uso de Inverno
Poste Porão de Plank
Covas de repolho
Cones de armazenamento
 
Pesque Preservação
Peixe salgando
    Preparing o Peixe
Salgadura de    
    Washing e Secando para Remover Sal de Excesso
    Air que Seca
    Using Peixe Salgado
Peixe fumando
 
CONSTRUÇÃO
 
Construção concreta
Avaliação
Importância de     de uma Mistura Boa
    Aggregates: Pedregulho e Areia
    Water
Quantias calculando de Materiais para Concreto
    Using a " Calculadora " Concreta
    Using o Método de Deslocamento de Água
    Using " Regra de Proporções de Dedo polegar "
Concreto misturando
    Making um Barco Misturando ou Chão
    Slump Testes
Formas fazendo para Concreto
Concreto colocando em Formas
Concreto curando
Concreto rápido-fixando
 
Construção de bambu
Bambu preparando
    Intenso Bambu
    Bambu Preservação
Juntas de bambu
Tábuas de bambu
Paredes de bambu, Partições, e Tetos
 
Paredes de    
    Partitions
Tetos de    
 
Construção de Terra estabilizada
Avaliação
Suje Características
Testando a Terra
    Composição Teste
    Consolidação Teste
    Encolhimento Teste
Blocos de Adobe fazendo
Fazendo Terra Comprimida Bloqueia e Azulejos
Construindo com Blocos de Terra Estabilizados
 
Colas de construção
Cola de caseína
    Making Pó de Caseína
    Mixing Cola de Caseína
    Using Cola de Caseína
Cola de Peixe líquida
 
MELHORIA DE CASA
 
Lavadoras de roupa simples
Plunger Type Lavadora de Roupas
    Making a Lavadora
    Using a Lavadora
Lavadora de roupa mão-operada
    Making a lavadora de roupa
    Using a lavadora de roupa
 
Fogões e Fogões
Fogão sem fogo
    Making o Fogão Sem fogo
    Using o Fogão Sem fogo
Forno de carvão
    Como Construir o Forno
    Como Usar o Forno
Metal portátil Cookstoves
Princípios de     de Fogões Energia-eficientes
    Cookstove Desígnio
    Producing o Cookstoves
Forno ao ar livre
 
Fabricação de Sabão de casa
Dois Métodos Básicos
Ingredientes para Sabão
    Fats e Óleos
Barrela de    
Bórax de    
    Perfume
    Water
Fabricação de sabão com Barrela Comercial
Receitas de    
    Como Fazer o Sabão
    Como Saber Sabão Bom
    Reclaiming Sabão Insatisfatório
Sabão macio com Barrela Lixiviada de Cinzas
    Leaching a Barrela
    Making o Sabão
Fabricação de Sabão de grande-balança
 
Roupa de cama
Um Ninho de Camas Baratas
Como Fazer um Colchão
    Making o Colchão
    Making uma Extremidade Rolada
 
ARTES E INDÚSTRIA DE ALDEIA
 
Cerâmica
Desperdício-óleo Incendiou Forno
    Cost Vantagens de Óleo Desperdício
    Design de Forno e Caixa de Fogo
    Operating o Forno
Forno Retangular pequeno
Construção de    
Fogo de    
Cobertura salgada para Cerâmica
Considerações de    
    Como Incendiar a Cerâmica
 
 
Dê Papermaking
Papermaking Processes
Pre-processo de    
    PULPING
    Erguendo, Expressando, Empilhando,
    Pressing e Secando
    Classificando segundo o tamanho
    Calandrando
 
    Sorting e Cortando
Papel fazendo no Seminário Pequeno
    PULPING
    Making as Folhas
    Pressing e Secando
    Sizing e Cobrindo
Papel fazendo na Micro-fábrica
 
Fabricação de vela
Fazendo os Giga
Preparando a Cera
Imergindo as Velas
 
COMUNICAÇÕES
 
Bambu ou Reed Writing Canetas
 
Impressão de Tela de seda
Construindo a Impressora de Tela de Seda
Imprimindo
Preparando UM Estêncil de Papel
Pintura de Tela de Seda fazendo
 
Cimento de Borracha barato
 
REFERÊNCIAS
 
MESAS DE CONVERSÃO
 
Prefácio de                                   
 
O Manual de Tecnologia de Aldeia foi uma ferramenta importante para desenvolvimento
trabalhadores e fazer-isto-yourselfers durante 25 anos. Primeiro publicada em 1963 abaixo o
patrocínios da Agência norte-americana para Desenvolvimento Internacional, o Manual tem
passada por oito impressões principais. Versões em francês e espanhol, como também
Inglês, está em estantes em livrarias, em escrivaninhas em chancelarias do governo e habitante,
organizações, em bibliotecas escolares e centros técnicos, e nos equipamentos de campo de
trabalhadores de aldeia ao redor do mundo. As tecnologias que contém, como a cadeia e
bomba de lavadora, o refrigerador de comida de evaporative, e o feno encaixotam fogão, foi
construída para feiras de tecnologia e demonstração centra ao longo do desenvolver
mundo-e mais importantly, foi adotada e foi adaptada em todos lugares por pessoas.
 
Porque o Manual foi um amigo fiel para tão longo, esta revisão era
se aproximada com cuidado. Como até mesmo o melhor de necessidades de amizades um ocasional
reassessment, nossa pergunta era como atualizar o livro sem danificar seu
fundamental evitar jogar fora o bebê com a água de banho.
 
Nós começamos circulando seções do livro a VITA Volunteers com perícias
nas áreas técnicas várias. Nós lhes pedimos que dessem uma olhada nisso que
foi apresentada e nos deixou sabermos o que deveria ser revisada, atualizou, descartado,
substituída. As respostas dos voluntários afirmaram que tens de milhares de usuários ao redor
o mundo reconheceu durante os anos, que a matéria-prima estava sã.
Onde eles sugestionaram mudanças, adições, e apagamentos, nós fizemos nosso melhor para
obrigue.
 
Concorrentemente, nós revisamos os comentários para os que muitos desses usuários enviaram
nós durante os anos. Comentários em o que trabalhou, o que causou dificuldade, e isso que
seja agradável ter incluído. Com entrar tanto em no desenvolvimento de
em pequena escala, tecnologias de aldeia, a categoria posterior era extensa. Mas porque assim
muito do livro original ainda é muito aplicável hoje, nós optamos para fazer o
adições e muda selectively. Nós tomamos a decisão para acrescentar a este volume
onde parecia muito possível, e começar a compilar um volume de companheiro que
cubra uma seleção dessas outras tecnologias.
 
Desde que o Manual é principalmente planejado para " fazer-isto-yourselfers " em aldeias e
regiões rurais, mais espacial ainda é alocada ao desenvolvimento de recursos de água
e para agricultura. E em lugar de substituir tudo simplesmente e recomeçando,
esta edição nova reorganiza algumas seções, atualiza vários do original
artigos, e inclui vários novo em tópicos freqüentemente pedidos. O
artigos novos cobrem energia fogões eficientes, o uso de poder de vento para bombear água,
construção de terra estabilizada, uma cerâmica moderna coloca no forno, vela em pequena escala e papel
produção, jardinagem de rendimento alta, terapia de rehydration oral, e controle de malária. Um
seção de referência todos-nova também é provida.
 
VITA é cometido a ajudar crescimento sustentável: quer dizer, progredir, baseado em
necessidades expressadas, isso aumenta confiança de ego. Acesso para claramente apresentada técnico
informação é uma chave a tal crescimento. VITA procura fora, desenvolve, e dissemina
técnicas e dispositivos que contribuem a suffiency de ego. A Aldeia
Manual de tecnologia é um tal esforço de VITA para apoiar crescimento sustentável com
informação técnica lida fácil para as comunidades do mundo.
 
São cometidos os Voluntários de VITA semelhantemente a ajudar para VITA a ajudar outros, e muitos
deles era envolvido neste projeto, enquanto revisando material nos campos técnicos deles/delas.
VITA deseja agradecer Robert M. Ross e David C. Neubert por revisar o
seções em agricultura; Phil D. Weinert, Charles G. Burney, Walter Lawrence, e
Steven Schaefer, recursos de água e purificação; Malcolm C. Bourne e Norman
M. Espanha, comida que processa e preservação; Dwight R. Marrom e William Perenchio,
construção; Charles D. Spangler, serviço de saúde pública; Jeff Wartluft, Mark Hadley,
Marietta Ellis, Gerald Kinsman, e Peter Zweig, melhoria de casa; Dwight
Marrom e Vencedor Palmeri, artes e indústrias de aldeia; e Grant Rykken,
comunicações.
 
Especialmente, nós gostaríamos de agradecer VITA o engenheiro Voluntário e alfabetização
Len Doak especialista que foi persuadido fora de aposentadoria e longe da pesca
docas para coordenar a revisão, ordene fora os comentários, e puxe os pedaços novos
junto.
 
Pessoal de VITA que era Suzanne Brooks incluído envolvido, apoio administrativo e
gráficos; Julie Berman, apoio administrativo; a Margaret Crouch, editorial; e
Maria Garth, typesetting.
 
E finalmente, este esforço deu tudo de nós um respeito novo por Dan Johnson, um de
VITA está fundando os pais " e atualmente um sócio do conselho de administração que
dedicada um ano da vida dele a reunir o Manual original um quarto de
um século atrás. Que tanto daquele trabalho esteve de pé o teste de tempo é devido dentro não
medida pequena para o cuidado com que ele e os outros Voluntários de VITA que
trabalhada com ele chegou a tarefa deles/delas.
 
                                                           --Publicações de VITA
                                                                   1988 de janeiro
 
                        Notes em Usar o Manual
 
INTRODUÇÃO
 
O Manual de Tecnologia de Aldeia contém oito seções de assunto principais, cada que contém
vários artigos. Os artigos cobrem ambas as áreas de tópico largas como
agricultura, como também projetos agrícolas específicos como construir um raspador.
 
Se você está planejando um projeto completamente novo que você beneficiaria lendo o inteiro
seção por. Se você está planejando um projeto específico (como construir um
bomba de água vento-dirigida) só aquela necessidade de artigo seja lida.
 
As habilidades precisadas para cada dos projetos descritos variam consideravelmente, mas nenhum
dos projetos mais que a construção habitual e habilidades de comércio requer como
carpintaria, soldadura, ou agricultura que geralmente são achadas em aldeias de tamanho mais modestas.
 
Quando os materiais sugeriram no Manual não está disponível, pode ser possível
substituir outros materiais. Tenha cuidado para fazer qualquer mudança em dimensões
feita necessário através de tais substituições.
 
Se você precisar de traduções de artigos do Manual, nós pedimos que você nos deixasse
saiba. O próprio livro foi traduzido em inglês, francês, e espanhol, e
alguns artigos individuais podem estar disponíveis em outros idiomas.
 
Os artigos no Manual vieram de muitas fontes. Seus comentários e sugestões
para mudanças, dificuldades com quaisquer dos projetos descrita, ou idéias para
artigos novos são bem-vindos. Esses tipos de comentários eram um elemento muito importante
preparando isto revisada edição, e nós esperamos confiar neles dentro o
futuro como bem. Por favor envie seus comentários de forma que nós pode continuar compartilhando.
 
RESUMO DO MANUAL ATRAVÉS DE SEÇÃO
 
Seção 1. Água
 
Recursos de água são tão vitais que cobertura extensa é provida. Muito disto
material é do original, mas foi reorganizado e foi atualizado. O
sucessão de artigos começa com princípios de hydrology que explica onde
água subterrânea será achada provável. Isto é seguida através de artigos em tipos de
poços e como fazer perfurando bem ferramentas e como perfurar ou cavar os poços.
 
Logo venha artigos em métodos práticos erguer água de poços e transportar
isto. Artigos em vários bomba e água transportar acontecem aqui. Um artigo novo em vento-dirigida
bombas estão nesta seção. Vários quadros e mesas ajudam dentro o
cálculo de tamanho de tubo e fluxo de água.
 
Molhe armazenamento e purificação são os tópicos da próxima série de artigos. Isto
seção está inalterada da edição mais cedo, mas várias referências novas são
fisted.
 
Seção 2. Saúde e Serviço de saúde pública
 
Próximo a pura água, está serviço de saúde pública um da saúde mais crítica precisa de qualquer
sociedade. Esta seção começa com dois artigos de sumário nos princípios para disposição
de desperdício de humano. Estes são seguidas através de detalhes de como construir tipos vários de
latrinas. Também incluída é um artigo em bilharziasis (schistosomiasis) e um novo
artigos em controle de malária e terapia de rehydration oral.
 
Seção 3. Agricultura
 
Sete tópicos estão cobertos, enquanto começando com terra dispositivos comoventes nivelar campos e
construa fossos de irrigação. Isto é seguida através de direções para um sistema de irrigação
baseado em azulejo de concreto, incluindo como fazer o azulejo no campo. Uma variedade de
material em elevar avícula é incluído, e um artigo novo em rendimento pequeno, alto
foram somados jardins.
 
Seção 4. Comida que Processa e Preservação
 
Os artigos nesta seção descrevem armazenamento e controlando de tipos diferentes de
comida, refrigeradores de evaporative e outras tecnologias de armazenamento frias, e uma variedade de
outro armazenamento e sistemas processando e dispositivos. A seção foi revisada
e atualizou e foram somadas referências novas.
 
Seção 5. Construção
 
Muito desta seção se trata de construção de edifícios e paredes que usam concreto
ou bambu. Um artigo novo em construção de terra estabilizada foi somado, e
instruções por fazer colas usar em construção também são incluídas.
 
Seção 6. Melhorias de casa
 
Roupas lavando, cozinhar, fazendo sabão, e fazer roupa de cama estão cobertos aqui. Um
adição nova importante é um artigo na construção de uma energia eficiente
cookstove desenvolveram na África Ocidental. O fogão mostrou mais que dobre o
abasteça eficiência do fogo aberto tradicional.
 
Seção 7. Artes e Indústria de Aldeia
 
Artes tradicionais que se emprestam a desenvolvimento como pequenas empresas são
discutida nesta seção--cerâmica, papermaking de mão, e fabricação de vela. Cerâmico
fornos descritos incluem um desígnio de forno alternativo abastecido por óleo de motor desperdício.
 
Seção 8. Comunicações
 
Esta seção permanece inalterada do original na premissa que enquanto
mudanças, em comunicações volumes poderiam encher de fato no próprio deles/delas, há
muitos lugares em áreas em desenvolvimento onde as tecnologias simples apresentaram aqui são
ainda bastante útil. São discutidas instrumentos de escritura simples e impressão de tela de seda.
As habilidades e materiais descritos deveriam estar disponíveis dentro mais rural
aldeias.
 
FONTES DE INFORMAÇÃO ADICIONAL
 
Cada artigo no Manual conclui com um ou mais referências de fonte. Estes
e outras fontes de informação foram compiladas no novo se expandiu
Seção de referência à parte de trás do livro. Publicações de VITA que são listadas podem
seja ordenada diretamente de Publicações de VITA, caixa de correio 12028, Arlington,
Virgínia 22204 E.U.A..
 
Você também pode pedir ajuda técnica de VITA os peritos Voluntários escrevendo
para VITA, 1815 Nortes Rua de Lynn, Apartamento 200, Arlington, Virgínia 22209 E.U.A..
 
                                  Sobre VITA
 
Voluntários em Ajuda Técnica (VITA) é um privado, sem lucro, internacional
organização de desenvolvimento. Faz disponível aos indivíduos e grupos desenvolvendo
países que uma variedade de informações e recursos técnicos apontou a nutrir
suficiência de ego--precisa de avaliação e apoio de desenvolvimento de programa; por-correio e
em-local serviços consultores; sistemas de informação que treinam; e administração da longo prazo
projetos de campo.
 
Ao longo de sua história, VITA concentrou em tecnologias práticas e executáveis
para desenvolvimento. Colecionou, organizado, testou, sintetizou, e
informação disseminada sobre estas tecnologias para mais de 70,000 requesters e
centenas de organizações nos países em desenvolvimento. Como a revolução de informação
, VITA se achou em uma posição de liderança no esforço para trazer o
benefícios daquela revolução para esses no Terceiro Mundo que é tradicionalmente
passada em cima de no processo de desenvolvimento.
 
Talvez de maior significação é a ênfase de VITA em tecnologias que são
comercialmente viável. Estes têm o potencial de criar riqueza nova por
valor somando para materiais locais, criando trabalhos e renda crescente assim como
bem como fortalecendo o setor privado. Nós crescentemente traduzimos nosso
experiências em administração de informação para a implementação de projetos no
campo. Esta evolução de informação para implementação para criar trabalhos, negócios,
e riqueza nova é o sobre o qual VITA realmente é. Provê elos
sem criar dependência.
 
VITA coloca ênfase especial nas áreas de agricultura e comida processando,
aplicações de energia renováveis, provisão de água e serviço de saúde pública, alojamento e construção,
e desenvolvimento de pequena empresa. As atividades de VITA são facilitadas pelo
envolvimento ativo de milhares de VITA peritos técnicos Voluntários de ao redor
o mundo, e por seu centro de documentação contendo especializado técnico
material de interesse para pessoas em países em desenvolvimento.
 
VITA publica mais de 150 manuais técnicos, documentos, e boletins, muitos, atualmente
disponível em francês e espanhol como também o inglês. Manuais se tratam de construção
ou implementação detalha para tais tópicos específicos como moinhos de vento, reflorestamento,
molhe rodas, e aumento de coelho. Além disso, VITA presente de Boletins Técnico
planos e estudos de caso de tecnologias específicas para encorajar experimentação adicional
e testando. Os documentos técnicos - " Compreensivo Technology"-ofereça geral
introduções para as aplicações e recursos necessários para tecnologias ou
sistemas técnicos. Incluída na série é tópicos para os que variam de composting
Máquinas de Stirling, de serviço de saúde pública ao nível de comunidade para colheitas de raiz tropicais.
Catálogos de publicações estão disponíveis em pedido.
 
Notícias de VITA são uma revista trimestral que provê umas comunicações importantes
una entre organizações longe-arremessadas envolvidas em transferência de tecnologia e adaptação.
As Notícias contêm artigos sobre projetos, assuntos, e organizações ao redor do
mundo, revisões de livros novos, abstrato técnicos, e um quadro de anúncios de recursos.
 
VITA deriva sua renda de governo, fundação, e concessões incorporadas; taxas
para serviços; contratos; e contribuições individuais.
 
Para informação adicional escreva a VITA, 1815 Nortes Rua de Lynn, Apartamento 200,
Arlington, Virgínia 22209 E.U.A..
 
Símbolos de                           e Abreviações
                              Used neste Livro
 
@ . . . . a
"  . . . . polegada
'  . . . . pé
C . . . . graus Centígrado (Centígrado)
cc. . . . centímetro cúbico
cm. . . . centímetro
cm/sec. . centímetros por segundo
d ou dia. diâmetro
F . . . . graus Fahrenheit
gm. . . . grama
gpm. . . . galões por minuto
HP. . . . cavalo-vapor
kg. . . . quilograma
km. . . . quilômetro
l . . . . litro
l/pm. . . litros por minuto
l/sec. . . litros por segundo
m . . . . metro
ml. . . . mililitros
mm. . . . milímetros
m/m. . . . metros por minuto
m/sec. . . metros por segundo
ppm. . . . partes por milhões
R . . . . rádio
 
                               Water Recursos
                                 <veja imagem>
 
                           Fontes de Água Em desenvolvimento
 
Há três fontes principais de água para pequeno água-proveja sistemas: chão
molhe, água de superfície, e rainwater. A escolha da fonte de água depende
em circunstâncias locais e a disponibilidade de recursos desenvolver a água
fonte.
 
Um estudo da área local deveria ser feito determinar qual fonte é melhor para
água provendo que é (1) seguro e saudável, (2) facilmente disponível, e (3)
suficiente em quantidade. As entradas que seguem descrevem os métodos por bater
água de chão:
 
     O    TUBEWELLS
         - Bem Coberturas e Plataformas
         - Mão-operou Perfurando Equipamento
         - Dirigida Poços
 
     o    Dug Poços
     o    Desenvolvimento Primaveral
 
Uma vez a água é feita disponível, deve ser trazido donde é onde isto
é precisada e devem ser dados passos para estar seguros que é puro. Estes assuntos são
coberta nas seções principais que seguem:
 
     o    Água Levantamento e Transporte
     o   Água Armazenamento e Tratamento
 
ÁGUA DE CHÃO ADQUIRINDO DE POÇOS & FONTES
 
Esta seção define água de chão, discute sua ocorrência, e explica seu
movimento. Descreve como decidir no melhor local para um bem, levando em
consideração a proximidade para se aparecer água, topografia, tipo de sedimento, e
proximidade para poluente. Também discute brevemente o processo de capping e marcando
o bem e desenvolvendo o bem assegurar fluxo de máximo de água.
 
Água de chão
 
Água de chão é subsurface molham que enche aberturas pequenas (poros) de solto
sedimentos (como areia e pedregulho) ou pedras. Por exemplo, se nós levássemos um claro
tigela de copo, encheu isto de areia, e então afluiu um pouco de água, nós notaríamos
a água " desaparece " na areia (veja Figura 1). Porém, se nós olhássemos por

fig1pg4.gif (393x393)


o lado da tigela, nós veríamos água na areia, mas debaixo do topo do
areia. A areia que contém o
é dita água para ser saturada. O
topo da areia saturada é chamado
a mesa de água; é o nível de
a água na areia.
 
A água em baixo da mesa de água
é verdadeira água de chão disponível (por
bombeando) para uso humano. Há
molhe na terra sobre a mesa de água, mas não flua em um bem e é
não disponível para uso bombeando.
 
Se nós inserimos uma palha na areia saturada na tigela em Figura 1 e chupamos
na palha, nós obteríamos um pouco de água (inicialmente, nós adquiriríamos um pouco de areia também).
Se nós chupássemos longo bastante, a mesa de água ou nível de água derrubariam para o
fundo da tigela. Isto é exatamente o que acontece quando água é bombeada de um
bem perfurada debaixo da mesa de água.
 
Os dois fatores básicos na ocorrência de água de chão são: (1) a presença de
molhe, e (2) um médio para morar " a água. Em natureza, água é provida por
precipitação (chuva e neve) e características de água de superfície (rios e lagos). O
médio é pedra porosa ou sedimentos soltos.
 
O reservatório de água de chão mais abundante acontece nas areias soltas e pedregulhos
em vales de rio. Aqui a mesa de água compara a superfície de terra asperamente, quer dizer,
a profundidade para a mesa de água é geralmente constante. Desconsiderando qualquer drástico
mudanças em clima, condições de água de chão naturais são bastante uniformes ou equilibradas.
Em Figura 2, a água verteu na tigela (análogo a precipitação) é

fig2pg4.gif (393x393)


equilibrada pela água que descarrega fora da tigela à mais baixa elevação (análogo
descarregar em um fluxo).
Este movimento de água de chão é
reduza a velocidade, geralmente só centímetros ou
polegadas por dia.
 
Quando a mesa de água cruza o
superfície de terra, fontes ou pântanos são
formada (veja Figura 3). Durante um

fig3pg5.gif (486x486)


estação particularmente molhada, a água,
mesa virá muito mais íntima para o
superfície de terra que regularmente faz
e muitas primaveras novas ou pantanoso
áreas se aparecerão. Por outro lado, durante uma estação particularmente seca, a água
mesa será mais baixo que normal e muitas primaveras secarão. Muitos raso
poços também " podem ir secos ".
 
Fluxo de Água para Poços
 
Um recentemente cavou bem enche de água um metro ou assim (alguns pés) fundo, mas depois de alguns
bombeando duro fica seco. Tem os bem falharam? Foi cavado no lugar errado?
Mais provável você está testemunhando o fenômeno de drawdown, um efeito todo
bombeada bem está usando a mesa de água (veja Figura 4).

fig4pg5.gif (486x486)


 
Porque fluxos de água por sedimentos lentamente, quase qualquer pode ser bombeada bem seque
temporariamente se é bombeado duro bastante. Qualquer bombeando abaixarão o nível de água
até certo ponto, da maneira mostrada em Figura 4. Um problema sério só surge
quando o drawdown devido a uso normal abaixa a mesa de água debaixo do nível de
o bem.
 
Depois do bem foi cavada sobre um metro (vários pés) debaixo da mesa de água, isto
deveria ser bombeada a sobre a taxa será usado para ver se o fluxo no
bem é adequado. Se não for suficiente, pode haver modos para melhorar isto. Cavando
o bem mais fundo ou mais largo não só cortará por mais da camada de água-porte
permitir mais fluxo no bem, mas também habilitará o bem armazenar um
maior quantidade da água na que pode vazar durante a noite. Se o bem ainda não é
adequado e pode ser cavada nenhum mais fundo, pode ser alargado mais adiante, talvez alongou
em uma direção, ou mais poços podem ser cavados. A meta de todos estes métodos é
cruze mais das camadas de água-porte, de forma que o bem produzirá mais
molhe sem abaixar a mesa de água ao fundo do bem.
 
Onde Cavar um Bem
 
Quatro fatores importantes para considerar escolhendo um bem local é:
 
     o    Proximidade para Se aparecer Água
     o    Topografia
     o    Sedimento Tipo
     o    Proximidade para Poluente
 
Proximidade para Se aparecer Água
 
Se há água de superfície, como um lago ou um rio, perto localize o bem como
perto disto como possível. É provável que aja como uma fonte de água e manter a água
mesa de ser abaixada como muito como sem isto. Isto sempre não trabalha bem,
porém, como lagos e corpos lento-comoventes de água geralmente tenha lodo e lodo
no fundo que impede para água de entrar no chão depressa.
 
Lá possa não parecer ser muito ponto a cavar um bem próximo um rio, mas o
ação filtrando da terra resultará em água que está mais limpa e mais livre de
bactérias. Também pode estar mais fresco que água de superfície. Se o nível de rio flutua
durante o ano, um bem dará água mais limpa (que água de fluxo) durante o
estação de inundação, embora água de chão se põe freqüentemente suja durante e depois de uma inundação. Um
bem também dê água mais segura durante a estação seca, quando a água
nível pode derrubar debaixo da cama do rio. Este método de provisão de água é usado
por algumas cidades: um grande bem é afundada próximo a um lago ou rio e túneis horizontais
é cavada para aumentar o fluxo.
 
Poços perto do oceano, e especialmente esses em ilhas, não só pode ter o
problema de drawdown, mas que de invasão de água salgada (veja Figura 5). O

fig5pg6.gif (540x540)


limite subterrâneo entre água fresca e salgada geralmente se inclina no interior:
Porque água salgada é mais pesada que água fresca, flui dentro debaixo disto. Se um bem
se aproxime a costa é pesadamente usada, água salgada pode vir no bem como mostrada. Isto
não deva acontecer em poços dos quais só uma quantia moderada de água é tirada.
 
Topografia
 
Água de chão, enquanto sendo líquido, recolhe baixas áreas. Então, o mais baixo chão é
geralmente o melhor lugar para perfurar ou cavar. Se sua área é plana ou continuamente se inclinando,
e não há nenhuma água de superfície, um lugar é tão bom quanto outro comece perfurando ou
cavando. Se a terra for montanhosa, fundos de vale são os melhores lugares para procurar água.
 
Você pode conhecer uma área montanhosa com uma fonte no lado de uma colina. Tal uma fonte
possa ser o resultado de água que move por uma camada de pedra porosa ou uma fratura
divida em zonas em caso contrário pedra impérvia. Fontes de água boas podem resultar de tal
características.
 
Tipo de sedimento
 
Água de chão acontece dentro poroso ou fraturou pedras ou sedimentos. Embarace, areia e
arenito é mais poroso que barro, xisto de unfractured e granito ou " duro
pedra ".
 
Figure 6 espetáculos de um modo geral a relação entre a disponibilidade de

fig6pg8.gif (540x540)


água de chão (expressou bem por típico descargas) e material geológico (sedimentos
e tipos de pedra vários). Por planejar o bem descarga necessário para
colheitas irrigando, uma regra boa de dedo polegar para semi-árido clima-37.5cm (15 ") de
precipitação um ano-é uns 1500 - para 1900-litros (400 a 500 gallons)-por-minuto norte-americano
bem isso irrigará aproximadamente 65 hectares (160 acres) durante aproximadamente seis meses. De
Figure 6, nós vemos que poços em sedimentos são geralmente mais que adequado.
Porém, bastante água de chão pode ser obtida de pedra, se necessário, por
perfurando vários poços. Água mais funda geralmente é de qualidade melhor.
 
Areia e pedregulho normalmente são porosos e barro não é, mas areia e lata de pedregulho
contenha quantias diferentes de lodo e barro que reduzirão a habilidade deles/delas para levar
água. O único modo para achar o rendimento de um sedimento é cavar um bem e bombeia isto.
 
Cavando um bem, seja guiada pelos resultados de poços pertos e os efeitos de
flutuações sazonais em poços pertos. E detém um olho nos sedimentos seu
bem como é cavado. Em muitos casos achará você que os sedimentos estão em camadas,
algum poroso e alguns não. Você pode poder predizer onde você baterá água
comparando a formação de camadas dentro seu bem com o de poços pertos.
 
Figuras 7, 8, e 9 ilustram várias situações de sedimento e dão diretrizes em

fig7pg90.gif (540x540)


como fundo cavar poços.
 
Aquifers (sedimentos de porte de água) de Areia e Pedregulho. Geralmente renda 11,400
      LPM (300 gpm) (mas eles podem render menos dependendo em bomba, bem construção,
      e bem desenvolvimento.
Aquifers de Areia, Pedregulho, e Barro (Intermixed ou Interbedded). Geralmente renda entre
      1900 LPM (500 gpm) e 3800 LPM (1000 gpm), mas pode render mais
      --entre 3800 LPM (1000 gpm) e 11,400 LPM (3000 gpm)--dependendo
      na porcentagem dos componentes.
Aquifers de Areia e Barro. Geralmente renda aproximadamente 1900 LPM (500 gpm) mas pode
      rendem até 3800 LPM (1000 gpm).
Aquifers de Arenito Fraturado. Geralmente renda aproximadamente 1900 LPM (500 gpm) mas
      pode render mais de 3800 LPM (1000 gpm) dependendo das densidades do
Arenito de       e o grau e extensão de fraturar (também pode render menos que
      1900 LPM (500 e gpm) se magro e pobremente fraturada ou interbedded com barro ou
Xisto de      ).
Aquifers de Pedra calcária. Geralmente renda entre 38 LPM (10gpm) mas foi
      conhecido para render mais de 3800 LPM (1000 gpm) devido a cavernas ou proximidade
      de fluxo, etc.
Aquifers de Granito ou o Rock " Duro. Geralmente renda 38 gpm (10gpm) e pode
      rendem menos (bastante para uma casa pequena).
Aquifers de Xisto. Renda menos de 38 LPM (10gpm), não muito bom para qualquer coisa
      excluem como último recurso.
 
Proximidade para Poluente
 
Se poluição estiver na água de chão, move com isto. Então, um bem deva
sempre seja para cima e 15 a 30 metros (50 a 100 pés) longe de uma latrina,
curral, ou outra fonte de poluição. Se a área for plana, se lembre que o fluxo
de água de chão será descendente, como um rio, para qualquer corpo perto de
água de superfície. Localize um bem no rio acima direção de fontes de poluição.
 
O mais fundo a mesa de água, o menos chance de poluição porque os poluente
tenha que viajar um pouco de distância descendente antes de entrar em água de chão. A água é
purificou como flui pela terra.
 
Água extra acrescentada aos poluente aumentará o fluxo deles/delas em e pelo
suje, embora também ajudará os dilua. Poluição de água de chão é mais
provável durante o chuvoso que a estação seca, especialmente se uma fonte de poluição
como uma cova de latrina é permitida encher de água. Também cuide da Avaliação o
Seção de Latrinas sanitária, pág. 149. Semelhantemente, um bem isso é testamento fortemente usado
aumente o fluxo de água de chão para isto, enquanto invertendo até mesmo talvez o normal
direção de movimento de chão-água. A quantia de drawdown é uma guia para como
pesadamente o bem está sendo usado.
 
Água de superfície poluída deve ser mantida fora do bem cova. Isto é terminado através de cobertura
e marcando o bem e provendo drenagem boa ao redor do bem cobertura.
 
Bem Cobertura e Selo
 
O propósito de cobertura e sentando poços prevenirão água de superfície contaminada
de entrar o bem ou água de chão perto. Como será indubitavelmente água
derramada de qualquer bomba, o topo do bem deve ser marcada com uma laje concreta para
deixe a água fluir fora em lugar de reentrar o bem diretamente. Também é útil
construir a área de bomba com terra para formar uma colina leve que ajudará escoam fora
água derramada e água de chuva.
 
Cobertura é o termo para o tubo, concreto ou reboca anel, ou outro material que
apoios o bem parede. É normalmente impermeável na parte superior do bem para
mantenha água poluída do lado de fora (veja Figura 7) e pode ser perfurada ou ausente no

fig7pg9.gif (540x540)


mais baixa parte da água bem deixada entra. Também " veja Bem Cobertura e Plataformas, " pág.,
12, e " Reconstruindo Poços Cavados, " pág. 57.
 
Em sedimento solto, a base do bem deveria consistir em uma cobertura picotada
cercada por areia grossa e seixos pequenos; caso contrário, correnteza bombeando podem trazer
no bem bastante material formar uma cavidade e se desmoronar o bem isto.
Empacotando a área ao redor do bem buraco na camada de água-porte com pedregulho bom
impeça para areia de lavar dentro e aumente o tamanho efetivo do bem. O
gradação ideal é de areia a 6mm (1/4 ") pedregulho próximo ao bem tela. Em um
perfurada bem pode ser somado ao redor da tela depois que o tubo de bomba seja instalado.
 
Bem Desenvolvimento
 
Bem desenvolvimento recorre aos passos levados depois um bem é perfurada para assegurar
fluxo de máximo e bem vida preparando os sedimentos ao redor do bem. A camada
de sedimentos dos quais a água é freqüentemente tirada consiste em areia e lodo. Quando
o bem é bombeada primeiro, o testamento material bom seja puxado no bem e faz
a água barrento. Você quererá bombear fora este material bom para manter isto de
muddying a água depois e fazer os sedimentos se aproximar o bem mais poroso.
Porém, se a água é bombeada muito rapidamente no princípio, as partículas boas podem
colecione contra a cobertura picotada ou a areia granula ao fundo do bem
e bloqueia o fluxo de água nisto.
 
Um método por remover o material bom prosperamente é bombear lentamente até o
água clareia, então a successively taxas mais altas até o máximo da bomba ou
bem é alcançada. Então o nível de água deveria ser permitido voltar a normal e
o processo repetido até constantemente água clara é obtido.
 
Outro método está surgindo que está movendo um plunger (um anexo em uma broca
vara) para cima e para baixo no bem. Isto faz a água surgir dentro e fora do
camada sedimentar e lava as partículas boas solto, como também qualquer que perfura lama
aderida na parede do bem. Sedimento grosso lavou no bem pode ser
removida por um balde fiando, ou pode ser partido no fundo do bem servir
como um filtro.
 
Fontes:
 
Anderson, K.E. Molhe Bem Manual. Rolla, Missouri,: Missouri Água Poços
Associação de Drillers, 1965.
 
BALDWIN, H.L. e McGuinness, C.L. Um Livro de leitura em Água de Chão. Washington, D.C.,:
Governo norte-americano que Imprime Escritório, 1964.
 
Davis, S.N. e mais Orvalhoso, R.J.M. Hydrogeology. Nova Iorque: Wiley & Filhos, 1966.
 
TODD, D.K. Água de chão Hydrology. Nova Iorque: Wiley & Filhos, 1959.
 
Wagner, POR EXEMPLO e Lanoix, J.N. Provisão de água para Áreas Rurais e Comunidades Pequenas.
Genebra: Organização de Saúde mundial, 1959.
 
Água de chão e Poços. São Paul, Minnesota,: Edward E. Johnson, Inc., 1966.
 
Materiais de Água pequenos, Boletim Não. 10. Londres: O Ross Institute, 1967.
 
Exército norte-americano. Poços. Manual 5-297 técnico. Washington, D.C.,: Governo norte-americano
Escritório imprimindo, 1957.
 
TUBEWELLS
 
Onde licença de condições de terra, o tubewells descritos aqui vão, se eles têm o
cobertura necessária, proveja pura água. Eles são muito mais fáceis de instalar e valer
muito menos que poços de diâmetro grandes.
 
Tubewells provavelmente trabalhará bem onde borers de terra simples ou trabalho de verrumas de terra
(i.e., planícies aluviais com poucos balançam na terra), e onde há um permeável
camada água-agüentando 15 a 25 metros (50 a 80 pés) debaixo da superfície. Eles são
poços lacrados, e conseqüentemente sanitário, que não oferecem nenhum perigo a crianças pequenas.
As quantias pequenas de materiais precisadas controlam o custo. Estes poços não podem
renda bastante água para um grupo de pista, mas eles sejam grandes bastante para uma família
de um grupo pequeno de famílias.
 
A capacidade de armazenamento em poços de diâmetro pequenos é pequena. O rendimento deles/delas depende em grande parte
na taxa a qual fluxos de água da terra circunvizinha no bem. De um
camada de areia saturada, o fluxo é rápido. Água que flui depressa dentro substitui água
puxada do bem. Um bem isso raramente bate tal uma camada vai seca. Mas até mesmo
quando água-agüentando areia não é alcançada, um bem com até mesmo um armazenamento limitado
capacidade pode render bastante água para uma casa.
 
Bem Cobertura e Plataformas
 
Em casa ou poços de aldeia, cobertura e plataformas servem dois propósitos: (1) manter
bem lados de escavar dentro, e (2) marcar o bem e mantém qualquer superfície poluída
molhe de entrar nisto.
 
São descritas duas técnicas de cobertura baratas aqui:
 
1. Método UM (veja Figura 1), de uns Amigos americanos Conserte o Comitê (AFSC)

fig1pg13.gif (600x600)


emparelhe em Rasulia, Madhya Pradesh, Índia.
 
2. Método B, de uns Serviços Voluntários Internacionais (IVS) time no Vietnã.
 
Método UM
 
Ferramentas de                              e Materiais
 
Tubo de cobertura (de bomba para água-agüentar camada para debaixo de table)-amiantos de água de mínimo
cimento, azulejo, concreto, ou até mesmo galvanizou tubo férreo fará
Areia
Pedregulho
Cimento
Dispositivo por abaixar e colocar cobertura (veja Figura 2)

fig2pg14.gif (540x540)


Mastreação perfurando - veja " Perfuração " de Tubewell
Caminhe válvula, cilindro, tubo, bomba de mão,
O bem buraco é cavado tão fundo quanto
possível no água-porte
estratos. O diggings são colocados próximo
o buraco para fazer um montículo que
depois sirva escoar derramou
molhe longe do bem. Isto é
importante porque backwash é um
das poucas fontes de contaminação
para este tipo de bem. O
tubo de cobertura inteiro debaixo de nível de água
deveria ser perfurada com muitos
buracos pequenos nenhum maior que 5mm
(3/16 ") em diâmetro. Buracos maior
que isto permitirá areia grossa para
seja lavada dentro e tampa para cima o
bem. Partículas boas de areia,
porém, é esperada que entre.
Estes deveriam ser pequenos bastante ser
bombeada imediatamente fora por
a bomba. Isto mantém o bem
claro. A primeira água do novo
bem possa trazer com isto grande
quantidades de areia boa. Quando isto
acontece, os primeiros golpes deveriam ser
forte e firma e continuou
até que a água vem clara.
 
Cobertura picotada é abaixada, sino
termine para baixo, no buraco usar
o dispositivo mostrado em Figura 2. Quando
a cobertura é posicionada corretamente,
a corda de viagem é puxada e o próximo
seção preparou e abaixou. Desde então
são perfurados buracos facilmente em amiantos
tubo de cimento, eles podem ser telegrafados
junto na junta e abaixou
no bem. Esteja seguro os sinos
aponte para baixo, desde que isto vai
previna água de superfície ou backwash
de entrar o bem sem o
efeito de filtração purificador do
terra; também manterá areia e sujeira
de encher o bem. Instale o
vertically de cobertura e enche o
permanecendo espacial com seixos. Isto
segure a cobertura absoluto. O
cobertura deveria subir 30 a 60cm (1 ' para
2 ') sobre chão nivele e seja
cercada com um pedestal concreto
segurar a bomba e escoar
água derramada longe do buraco.
Juntas de cobertura dentro de 3 metros (10
pés) da superfície deveria ser
marcada com concreto ou bituminous
material.
 
Método B
 
Plástico parece ser um material de cobertura ideal, mas porque não era prontamente
disponível, foram desenvolvidas o ferro galvanizado e coberturas concretas descritas aqui
no me Proiba área de Thuot de Vietnã.
 
Ferramentas de                              e Materiais
 
V-bloco de madeira, 230cm (7 1/2 ') longo (veja Figura 3)

fig3pg15.gif (145x437)


Ferro de ângulo, 2 seções, 230cm (7 1/2 ') muito tempo
Transporte, 10cm (4 ") em diâmetro, 230cm (7 1/2 ') muito tempo
Braçadeiras
Malho de madeira
Equipamento soldando
Metal de folha galvanizado: 0.4mm x 1m x 2m (0.01.6 " x 39 1/2 " x 79 ")
 
Cobertura de plástico
 
Tubo de plástico preto para esgotos e drenos era quase ideal. Suas juntas de fricção puderam
seja deslizada depressa junto e lacrado com um solvente químico. Parecia durável
mas era luz bastante ser abaixada no bem à mão. Poderia ser facilmente
serrada ou perfurou para fazer uma tela. Deve ser tomado cuidado para estar seguro que qualquer plástico
usada é non-tóxico.
 
Cobertura de Metal de Folha galvanizada
 
Metal de folha galvanizado foi usado para fazer cobertura semelhante para downspouting. Um
medida mais grossa que o 0.4mm (0.016 ") disponível teria sido preferível.
Porque o metal de folha não duraria indefinidamente se usou por si só, o bem buraco
foi feita enorme e o espaço anel-amoldado ao redor da cobertura estava cheio com um
mistura concreta magra que formou um elenco cobertura concreta e marca fora o
metal de folha quando endureceu.
 
O 1-metro 2-metro de x (39 1/2 " x 79 ") folhas estavam longitudinalmente cortadas em três
pedaços iguais que renderam três 2-metro (79 ") comprimentos de 10cm (4 ") tubo de diâmetro.
 
As extremidades estavam preparadas para fazer costuras os segurando entre os dois
ferro de ângulo, batendo então com um malho de madeira à forma mostrada em Figura 3.
 
A costura é feita ligeiramente mais largo ao uma
fim que ao outro dar o tubo um
vela leve que permite sucessivo
comprimentos ser deslizada uma distância curta
dentro de um ao outro.
 
As tiras são roladas os atravessando em cima de um 2-metro (79 ") V-amoldou de madeira
bloco e aplicando pressão de acima com um comprimento de 5cm (2 ") tubo (veja Figura 4).

fig4pg15.gif (393x393)


As tiras de metal de folha são trocadas de lado a lado em cima do V-bloco como eles
está sendo dobrada para produzir como uniforme uma superfície como possível. Quando a tira está curvada
bastante, as duas extremidades são curvas
junto e os 5cm (2 ") tubo deslizou
dentro de. Os fins do tubo são fixos para cima
em blocos de madeira formar uma bigorna, e
a costura é encrespada firmemente como mostrada dentro
Figure 5.

fig5pg15.gif (285x285)


 
Depois que a costura é acabado, qualquer irregularidade,
no tubo é afastado por
pressão aplicando à mão ou com o
malho de madeira e bigorna de tubo. Um habitante
tinsmith e o ajudante dele eram capazes para
faça seis a oito comprimentos (12 a 16
metros) do tubo por dia. Três
foram deslizados comprimentos de tubo junto e soldaram como foram feitos eles, e o
juntas restantes tidas que ser soldada como a cobertura foram abaixadas no bem.
 
O mais baixo fim do tubo estava picotado com uma broca de mão formar uma tela.
Depois que a cobertura fosse abaixada ao fundo do bem, pedregulho bom era acumulado
ao redor da porção picotada da cobertura para sobre o nível de água.
O cimento que reboca morteiro usado ao redor das coberturas variou de puro cimento para um
1:1 1/2 cimento: relação de areia misturou com água a uma mesma consistência de plástico. O
reboque seja posta ao redor da cobertura por gravidade e uma tira de bambu aproximadamente 10
metros (33 pés) longo foi usada a " vara " o reboque em lugar. Uma comparação de
volume ao redor da cobertura e volume de rebocar usado indicados lá isso pode
foi algum voids provavelmente partidos debaixo do alcance da vara de bambu. Estes são
não sério porém, contanto que um selo bom seja obtido para o primeiro 8 a 10
metros (26 a 33 pés) abaixo da superfície. Em geral, a maior proporção
de cimento usado e o maior o espaço ao redor da cobertura, os melhor pareciam para
seja os resultados obtidos. Porém, experiência insuficiente foi obtida
chegue a qualquer conclusão final. Além disso, considerações econômicas limitam ambos de
estes fatores.
 
Deve ser tomado cuidado vertendo o reboque. Se as seções de cobertura não são
ajuntada perfeitamente diretamente, a cobertura, como resultado, não é centrada dentro o bem
e a pressão do rebocar é não iguale todo o modo ao redor. A cobertura pode
colapso. Com cuidado razoável, vertendo o reboque em várias fases e permitindo isto
fixar em-entre deveriam eliminar isto. Porém, os rebocando não podem ser vertidas
em muitos fases porque umas varas de quantia consideráveis para os lados do bem
cada tempo, reduzindo o espaço para pourings sucessivo atravessar.
 
Este método pode ser modificado para uso em áreas onde a estrutura do material
por qual o bem é perfurada é tal que há pequeno ou nenhum perigo de
caverna-em. Nesta situação, a cobertura serve só um propósito, como um selo sanitário.
O bem será cased só aproximadamente 8 metros (26 pés) abaixo do chão
superfície. Fazer isto, o bem é perfurada à profundidade desejada com um diâmetro
asperamente igual ao da cobertura. O bem é então reamed fora para um
diâmetro 5 a 6cm (2 " a 2 1/4 ") maior que a cobertura até a profundidade o
cobertura irá. Uma orla provido ao fundo da cobertura com um externo
diâmetro sobre igual para o do buraco de reamed a cobertura centrará dentro o
buraco e apóia a cobertura no ombro onde o reaming pararam. Rebocando
é vertida então como no método original. Esta modificação (1) economiza considerável
material caro, (2) permite o bem ser feita um diâmetro menor excluir perto do
tampe, (3) minora rebocando dificuldades, e (4) ainda provê proteção adequada
contra poluição.
 
Cobertura de Azulejo concreta
 
Se o bem é aumentada a um diâmetro adequado, precast azulejo concreto com
poderiam ser usadas juntas satisfatórias como cobertura. Isto requereria um dispositivo por abaixar
os azulejos no bem um por um e os libertando ao fundo. Morteiro
tenha que ser usada para marcar as juntas sobre o nível de água, o morteiro sendo,
esparrame em cada junta sucessiva antes de fosse abaixado. Amiantos cimentam cobertura
também seja uma possibilidade onde estava disponível com juntas satisfatórias.
 
Nenhuma Cobertura
 
A última possibilidade seria não usar nenhuma cobertura nada. É sentido que quando financia
ou habilidades não permitem o bem para ser cased, há certas circunstâncias
debaixo de qual um uncased seria bem melhor que nenhum bem nada. Isto é particularmente
retifique em localidades onde o costume é ferver ou fazer chá de tudo
molhe antes de beber isto, onde serviço de saúde pública grandemente é impedido por insuficiente
provisão de água, e onde irrigação de mão em pequena escala de poços grandemente pode
melhore a dieta tornando jardins possível na estação seca.
 
O perigo de poluição em um uncased pode ser minimizado bem por: (1) escolhendo um
local favorável para o bem e (2) fazendo uma plataforma com um dreno que conduz
longe do bem, eliminando tudo derramadas água.
 
Tal um bem freqüentemente deveria ser testada para poluição. Se é achado inseguro, um
notificação para este efeito deveria ser postada conspicuously perto do bem.
 
Bem Plataforma
 
No trabalho no me Proiba área de Thuot, um 1.75-metro plano (5.7 ') laje quadrada de
concreto era ao redor bem usado cada. Porém, debaixo de condições de aldeia, fez isto
não trabalhe bem. Foram derramadas quantidades grandes de água, em parte devido ao entusiasmo
dos aldeões por ter uma provisão de água abundante, e as áreas ao redor
poços ficaram bastante barrentos.
 
À conclusão foi chegada que a única plataforma realmente satisfatória seria um
círculo, ligeiramente convexa com uma sarjeta pequena ao redor da extremidade exterior. A sarjeta
deva conduzir a um dreno solidificado que levaria a água um considerável
distancie do bem. Vale que nota isso no Sudão e outras áreas muito áridas
tal spillage de poços de comunidade é usado para molhar jardins vegetais ou
berçários de comunidade.
 
Se o bem plataforma é muito grande e alisa, há uma grande tentação no
parte dos aldeões para fazer a roupa suja deles/delas e outro lavando ao redor do bem. Isto
deveria ser desencorajada. Em aldeias onde animais correm isto solto é necessário construir
uma cerca pequena ao redor do bem manter animais do lado de fora, especialmente avícula e porcos,
que estão muito ansiosos para adquirir água, mas tende a desordenar os ambientes.
 
Fontes:
 
Koegel, Richard G. Relatório. Me proiba Thuot, Vietnã,: Solo de órgão internacional
Serviços, 1959. (Mimeographed.)
 
Mott, Wendell. Notas explicativas em Tubewells. Filadélfia: Amigos americanos
Conserte Comitê, 1956. (Mimeographed.)
 
Mão-operada Perfurando Equipamento
 
Dois métodos de perfurar um tubewell raso com equipamento mão-operado são
descrita aqui: Método UM que era usado por uns Amigos americanos Conserte
Comitê (AFSC) time na Índia, opera virando uma verruma terra-enfadonha.
Método B, desenvolveu por uns Serviços Voluntários Internacionais (IVS) time em
Vietnã, usa uma ação batendo.
 
Terra Verruma Enfadonha
 
Esta mastreação mão-perfurando simples pode ser usada para cavar poços 15 a 20cm (6 " a 8 ") em
diâmetro até 15 metros (50 ') profundamente.
 
Ferramentas de                              e Materiais
 
Verruma de terra, com juntar para prender a 2.5cm (1 ") linha de broca (veja entrada em
verrumas de terra de tubewell)
Peso standard galvanizou tubo de aço:
 
    Para Linha de Broca:
 
    4 pedaços: 2.5cm (1 ") em diâmetro e 3 metros (10 ') longo (2 pedaços têm
              enfia em um só termine; outros precisam de nenhuma linha.)
    2 pedaços: 2.5cm (1 ") em diâmetro e 107cm (3 1/2 ") muito tempo
 
    Por Virar Manivela:
 
    2 pedaços: 2.5cm (1 ") em diâmetro e 61cm (2 ') muito tempo
    2.5cm (1 ") junção de T
 
    Para Junta UM:
 
    4 pedaços: 32mm (1 1/4 ") em diâmetro e 30cm (1 ') muito tempo
 
Seções de     e Junções para B Em comum:
 
    23cm (9 ") Seção de 32mm (1 1/4 ") diâmetro (enfiou ao uma só termine)
    35.5cm (14 ") Seção de 38mm (1 1/2 ") diâmetro (enfiou a um fim
    só)
    Redutor junção: 32mm a 25mm (1 1/4 " a 1 ")
    Redutor junção: 38mm a 25mm (1 1/2 " a 1 ")
    8 10mm (3/8 ") diâmetro aço de máquina de cabeça hexagonal parafusos 45mm (1
    3/4 ") longo, com nozes
    2 10mm (3/8 ") diâmetro aço de máquina de cabeça hexagonal parafusos 5cm (2 ")
    desejam, com nozes
    9 10mm (3/8 ") aço nozes hexagonais
 
    Para Parafuso de Pino de madeira:
 
    1 3mm (1/8 ") countersink de diâmetro encabeçam rebite de ferro, 12.5mm (1/2 ") muito tempo
    1 1.5mm (1/16 ") aço de folha, 10mm (3/8 ") x 25mm (1 ")
 
Brocas: 3mm (1/8 "), 17.5mm (13/16 "), 8.75mm (13/32 ")
Countersink
Linha estampas cortantes, a menos que tubo já seja enfiado
Ferramentas pequenas: torceduras, martelo, hacksaw, arquivos,
Para plataforma: madeira, unhas, corda, escada de mão,
 
Basicamente o método consiste em girar uma verruma de terra ordinária. Como a verruma
penetra a terra, enche de terra. Quando cheio é arrancado do buraco e
esvaziada. Como o buraco se põe mais fundo, mais seções de perfurar linha são somadas
estenda o cabo. Junta UM (Figura 1 e 2) é um método simples por prender novo

fig1x200.gif (600x600)


seções.
 
Construindo 3 a 3.7 metros para uma plataforma elevada (10 a 12 pés) do chão,
um 7.6-metro (25 pé) seção longa de linha de broca pode ser equilibrada vertical. Mais muito tempo
comprimentos são muito difíceis controlar. Então, quando o buraco se põe mais fundo que 7.6
metros (25 pés), a linha de broca deve ser desmontada cada tempo a verruma é
removida por esvaziar. B em comum faz esta operação mais fácil. Veja Figura 1 e 3.

fig3x200.gif (600x600)


 
C em comum (veja detalhes de construção para Tubewell Terra Verruma) é proposta permitir
correnteza que esvazia da verruma. Algumas terras respondem bem a perfurar com uma verruma
isso tem dois lados aberto. Estes são muito fáceis esvaziar, e não requereria
C em comum. Descubra que tipos de verrumas é prosperamente usado em sua área, e faz
um pouco de experimentar para achar melhor o um serviu a sua terra. Veja as entradas em
verrumas.
 
Junta UM foi achada para ser mais rápido usar e mais durável que tubo enfiou
conectores. As linhas de tubo são danificadas e sujo e é difícil começar.
Torceduras de tubo pesadas, caras são derrubadas acidentalmente no bem e é
duro adquirir fora. Estas dificuldades podem ser evitadas usando um tubo de manga firmado
com dois 10mm (3/8 ") parafusos. Uma torcedura de bicicleta pequena nem o barato
parafusos obstruirão perfurando se derrubou dentro. Esteja seguro os 32mm (1 1/4 ") tubo ajustará
em cima de seus 25mm (1 ") linha de broca de tubo antes de compra. Veja Figura 2.

fig2x20.gif (600x600)


 
Quatro 3-metro (10 ') seções e dois 107cm (3 1/2 ') seções de tubo são os mais mais
comprimentos convenientes por perfurar um 15-metro (50 ') bem. Perfure uns 8.75mm (13/32 ")
buraco de diâmetro por cada fim de todas as seções de linha de broca exclui esses prendendo
para B Em comum e o torneamento controle que deve ser enfiada juntas. Os buracos
deva ser 5cm (2 ") do fim.
 
Quando o bem está mais fundo que 7.6 metros (25 '), várias características facilitam o
esvaziando da verruma, como mostrada em Figuras 3 e 4. Primeiro, levante a verruma cheia

fig4x200.gif (600x600)


até que B Em comum se aparece à superfície. Veja Figura 4A. Então ponha uns 19mm (3/4 ")

fig4x21.gif (600x600)


vara de diâmetro pelo buraco. Isto permite a linha de broca inteira para descansar nisto
ainda fazendo isto impossível para a parte dentro o bem desabar. Logo remova o
parafuso de pino de madeira, erga fora a seção de topo de linha e equilibre ao lado do buraco. Veja
Figure 4B. Levante a verruma, esvazie, e substitua a seção no buraco onde
será segurado antes dos 19mm (3/4 ") vara. Veja Figura 4C. Logo substitua o superior
seção de linha de broca. Os 10mm (3/8 ") atos de parafuso como uma parada para a que permite os buracos
seja se alinhada facilmente para reinsertion do parafuso de pino de madeira. Finalmente retire a vara e
abaixe a verruma pelo próximo perfurar. Marque o local por perfurar os 8.75mm
(13/32 ") buraco de diâmetro nos 32mm (1 1/4 ") tubo pelo buraco de parafuso de pino de madeira em
os 38mm (1 1/2 ") tubo. Se o buraco fica situado com os 32mm (1 1/4 ") tubo descansando
no parafuso de parada, os buracos são ligados para se alinhar.
 
Às vezes uma ferramenta especial é precisada penetrar uma camada de areia de água-porte,
porque as cavernas de areia molhadas em assim que a verruma seja afastada. Se isto acontece um
cobertura picotada é abaixada no bem, e perfurar é realizado com um
verruma que ajusta dentro da cobertura. Um tipo de percussão com uma ponta, ou um tipo rotativo
com paredes sólidas e uma ponta estão possibilidades boas. Veja as entradas que descrevem estes
dispositivos. A cobertura resolverá mais profundamente na areia como areia é cavada de abaixo
isto. Devem ser somadas outras seções de cobertura como procede perfurando. Tente penetrar
a água porte areia camada até onde possível (pelo menos três um metro).
Dez pés (três metros) de cobertura picotada embutida em tal uma camada arenosa vá
proveja um fluxo muito bom de água.
 
Tubewell Terra Verruma
 
Esta verruma de terra (Figura 5) que é semelhante a desígnios usou com poder perfurar

fig5x22.gif (600x600)


equipamento, é feita de uns 15cm (6 ") tubo de aço.
 
 
A verruma pode ser feita sem
equipamento soldando, mas alguns do
curvas no tubo e a barra pode
seja feita muito mais facilmente quando
o metal está quente (veja Figura 6).

fig6x23.gif (600x600)


 
Uma verruma de terra aberta que é
mais fácil esvaziar que este aqui, é
melhor servida para algumas terras. Isto
verruma corta mais rapidamente que o Tubewell
Lixe Verruma.
 
Ferramentas de                              e Materiais
 
Tubo galvanizado: 32mm (1 1/4 ") em diâmetro e 21.5cm (8 1/2 ") muito tempo
Parafuso de aço de cabeça hexagonal: 10mm (3/8 ") em diâmetro e 5cm (2 ") longo, com noz
2 parafusos de aço de cabeça hexagonais: 10mm (3/8 ") em diâmetro e 9.5cm (3 3/4 ") muito tempo
2 aço tranca: 1.25cm x 32mm x 236.5mm (1/2 " x 1 1/4 " x 9 5/16 ")
4 círculo parafusos de máquina de cabeça: 10mm (3/8 ") em diâmetro e 32mm (1 1/4 ") muito tempo
2 apartamento cabeça ferro rebites: 3mm (1/8 ") em diâmetro e 12.5mm (1/2 ") muito tempo
Tira de aço: 10mm x 1.5mm x 2.5cm (3/8 " x 1/16 " x 1 ")
Tubo de aço: 15cm (6 ") fora de diâmetro, 62.5cm (24 5/8 ") muito tempo
Dê ferramentas
 
Fonte:
 
Exército norte-americano e força aérea. Poços. Manual 5-297 técnico, AFM 85-23. Washington,
D.C.: Governo norte-americano que Imprime Escritório, 1957.
 
Tubewell Sand Verruma
 
Esta verruma de areia pode ser usada para perfurar em terra solta ou areia molhada onde uma terra
verruma não é efetiva. A cabeça cortante simples exige para menos força virar que
a Tubewell Terra Verruma, mas é mais difícil esvaziar.
 
Uma versão menor da verruma de areia fez
ajuste dentro do tubo de cobertura pode ser usada
remova areia solta, molhada.
 
O tubewell lixam verruma é ilustrada dentro
Figure 7. Diagramas de construção são determinados dentro

fig7x24.gif (600x600)


Figure 8.

fig8x25.gif (600x600)


 
Ferramentas e Materiais
 
Tubo de aço: 15cm (6 ") fora de diâmetro e
46cm (18 ") muito tempo
Prato de aço: 5mm x 16.5cm x 16.5cm (3/16 " x 6
1/2 " x 6 1/2 ")
Acetileno que solda e equipamento cortante
Broca
 
Fonte:
 
Poços, Manual 5-297 Técnico, AFM 85-23, Exército norte-americano e força aérea, 1957.
 
Tubewell Sand Bailer
 
O bailer de areia <veja figura 9> pode ser usada para perfurar de dentro um picotado bem cobertura quando um

fig9x26.gif (600x600)


pessoa enfadonha entra em areia molhada solta e as paredes comece a escavar dentro. Foi usado
faça muitos tubewells na Índia.
 
Ferramentas de                              e Materiais
 
Tubo de aço: 12.5cm (5 ") em diâmetro e 91.5cm (3 ') muito tempo
Transporte em caminhão innertube ou couro: 12.5cm (5 ") honestamente
Junção de tubo: 15cm a 2.5cm (5 " a 1 ")
Ferramentas pequenas
 
Esmagando este " balde " repetidamente no bem removerá areia de abaixo o
cobertura picotada, permitindo o balde para resolver mais profundamente na camada de areia. O
cobertura impede para as paredes de escavar dentro. O sino é afastado do primeiro
seção de cobertura; pelo menos uma outra seção descansa em cima disto para ajudar force
abaixo como procede cavando. Tente penetrar a água porte areia camada até onde
possível: 3 metros (10 ') de cobertura picotada embutida em tal uma camada arenosa vá
normalmente proveja um fluxo muito bom de água.
 
Tente seu balde " de areia " em areia molhada antes de tentar usar isto ao
fundo de seu bem.
 
Fonte:
 
Notas explicativas em Tubewells, Wendell Mott, os Amigos americanos Consertam o Comitê,
Filadélfia, Pennsylvania, 1956 (Mimeographed).
 
Bata Verruma
 
O equipamento descrito aqui foi prosperamente usado dentro o me Proiba Thuot
área de Vietnã. Um dos melhores desempenhos foi virada dentro por uma tripulação de três
membros de tribo monteses sem experiência que perfuraram 20 metros (65 ') em um dia e um meio.
Os mais fundos perfuraram bem era um pequeno mais de 25 metros (80 '); foi completado,
inclusive a instalação da bomba, em seis dias. A pessoa foi perfurada bem por
aproximadamente 11 metros (35 ') de pedra sedimentar.
 
Ferramentas de                              e Materiais
 
Para bandeja de ferramenta:
 
Wood: 3cm x 3cm x 150cm (1 1/4 " x 1 1/4 " x 59 ")
Wood: 3cm x 30cm x 45cm (1 1/4 " x 12"x 17 3/4 ")
 
Para vara de segurança:
 
Acere vara: 1cm (3/8 ") em diâmetro, 30cm (12 ") muito tempo
Broca
Martelo
Bigorna
Alfinete de chaveta
 
Para apoio de verruma:
 
Wood: 4cm x 45cm x 30cm (1 1/3 " x 17 3/4 " x 12 ")
Aço: 10cm x 10cm x 4mm (4 " x 4 " x 5/32 ")
 
Local do Bem
 
Duas considerações são especialmente importantes para o local de poços de aldeia: (1)
a distância ambulante comum para a população de aldeia deveria ser tão curto quanto
possível; (2) deveria ser fácil de escoar água derramada longe do local evitar
criando um mudhole.
 
No me Proiba área de Thuot, a escolha final de local estava em todos os casos partidos até
os aldeões. Foi achada água em quantidades variadas em todos os locais escolhidos. (Veja
Água de Chão " adquirindo de Poços e Primaveras ".)
 
Começando a Perfurar
 
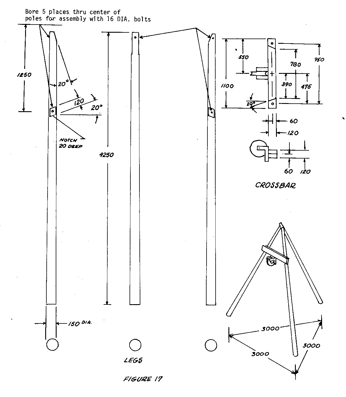
Um tripé é fixo para cima em cima do local aproximado para o bem (veja Figura 1). Seu

fig1x28.gif (600x600)


pernas são fixas em buracos rasos com sujeira empacotada ao redor deles os manter de
movendo. Ter certeza o bem é começada vertically exatamente, um trenó absoluto (um fio
com uma pedra amarrada a isto bem é bastante) é agüentada do guia de verruma o
a linha transversal de tripé para localizar o
ponto de partida exato. É útil
cavar um buraco começando pequeno antes
montando a verruma.
 
Perfurando
 
Perfurar é realizado batendo
a verruma até penetre o
terra e girando isto então por seu
manivela de madeira para livrar isto dentro o
fure antes de erguer isto para repetir o
processo. Isto é um pequeno desajeitado
até a verruma tenha abaixo 30cm para
60cm (1 ' para 2 ') e deveria ser feita
cuidadosamente até os começos de verruma para
seja guiada pelo próprio buraco.
Normalmente dois ou três trabalho de pessoas
junto com a verruma. Um
sistema fora o que trabalhou bastante bem
era usar três pessoas, dois,
trabalhando enquanto o terço descansou, e
então substituto.
 
Como a verruma se aprofunda mais que será
necessário de vez em quando para
ajuste a manivela ao mais mais
altura conveniente. Qualquer arranca ou
outras ferramentas pequenas usadas deveriam ser
amarrada por meio de um pedaço longo de
encordoe ao tripé de forma que se eles
é derrubada acidentalmente dentro o
bem, eles podem ser removidos facilmente.
Desde a terra do me Proiba Thuot
área aderiria à verruma, isto,
era necessário manter um pequeno
quantia de água no buraco nada
tempos para lubrificação.
 
Esvaziando a Verruma
 
Cada tempo é batida a verruma
abaixo e girou, deveria ser
notou quanta penetração tem
obtida. Começando com um
verruma vazia que a penetração é
maior no primeiro golpe e se torna successively menos em cada seguir um
como os pacotes de terra cada vez mais firmemente dentro da verruma. Quando progride
fica muito lento está na hora para elevar a verruma à superfície e esvaziar isto.
Dependendo no material sendo penetrada, a verruma pode estar completamente cheia ou
tenha 30cm (1 ') ou menos de material nisto quando é esvaziado. Uma pouca experiência
dê para um um " tato " durante o tempo mais eficiente trazer para cima a verruma para
esvaziando. Como o material na verruma é mais duro acumulado ao fundo, é
normalmente mais fácil esvaziar a verruma inserindo o limpador de verruma pela abertura
no lado do modo de parte de verruma abaixo e empurrando o material fora pelo
topo da verruma em várias passagens. Quando a verruma é trazida fora do buraco para
esvaziando, normalmente é apoiado contra o tripé, desde que isto é mais rápido e mais fácil
que tentando colocar isto.
 
Juntando e Desacoplando Extensões
 
As extensões são juntadas deslizando o fim pequeno de um somente no grande
fim do outro e os fixando junto com uns 10mm (3/8 ") parafuso. Foi
ache suficiente e tempo-econômico para apertar há pouco a noz dedo-apertado em vez de
usando uma torcedura.
 
Cada tempo que a verruma é exposta por esvaziar devem ser ocupadas as extensões
separadamente. Por isto as extensões foram feitas contanto que possível para
minimize o número de juntas. Assim a uma profundidade de 18.3 metros (60 '), há
só duas juntas ser desacoplada expondo a verruma.
 
Por causa de segurança e acelera, use o procedimento seguinte juntando
e desacoplando. Ao expor a verruma, eleve até uma junta há pouco é anterior
o chão e desliza o apoio de verruma (veja Figura 2 e 3) em lugar, escarranchando

fig2x290.gif (393x393)


a extensão de forma que o fundo de
a junção pode descansar no pequeno
prato de metal. O próximo passo é pôr
a vara de segurança (veja Figura 4)

fig4x30.gif (594x594)


pelo mais baixo lado no
juntando e ou afiança isto com um
alfinete de chaveta ou um pedaço de arame. O
propósito da vara de segurança é
impeça a verruma cair em
o bem se deveria ser batido
fora a verruma apóie ou derrubou
enquanto sendo elevada.
 
Uma vez a vara de segurança está em lugar,
remova o parafuso de junção e deslize
a extensão superior fora do
abaixe. Apóie o fim superior do
extensão contra o tripé entre
as duas cavilhas de madeira nas pernas dianteiras, e descansa o mais baixo fim na ferramenta
bandeja (veja Figura 5 e 6). A razão por pôr as extensões na bandeja de ferramenta

fig5x310.gif (393x393)


é impedir sujeira aderir aos mais baixos fins e fazer isto difícil pôr o
extensões junto e os desmonta.
 
Juntar as extensões depois de esvaziar a verruma, é o procedimento o exato
contrário de desacoplar.
 
Rock perfurando
 
Quando apedreja ou são conhecidas outras substâncias que a verruma não pode penetrar, um pesado
perfurando pedaço devem ser usadas.
 
Profundidade de Bem
 
A taxa à qual água pode ser levada de um bem é aproximadamente proporcional para o
profundidade do bem debaixo da mesa de água contanto que o bem mantém andamento em
chão água-agüentando. Porém, em
poços de aldeia onde molham só podem
seja elevada lentamente através de handpump ou
balde, isto normalmente não é de especialização
importância. O ponto importante é
que em áreas onde a mesa de água
varia de uma vez de ano para
outro o bem deve estar fundo
bastante para dar água suficiente a
tudo cronometram.
 
Informação sobre a mesa de água
variação pode ser obtida de
já poços existentes, ou pode ser
necessário perfurar um bem antes de qualquer
podem ser obtidas informações. No
caso posterior o bem deve estar fundo
bastante para permitir uma gota dentro o
molhe mesa.
 
Fonte:
 
Informe por Richard G. Koegel, Serviços Voluntários Internacionais, me Proibem Thuot,
Vietnã, 1959 (Mimeographed).
 
Equipamento <veja figura 7>

fig7x32.gif (486x486)


 
A seção seguinte dá detalhes de construção para o equipamento bem-perfurando
usada com a verruma de carneiro:
 
     o      Verruma, Extensões, e Manivela
     o o      Verruma Limpador
     o      Demountable Mandril
     o      Tripé e Talha
     o      Bailing Balde
     o      Bit por Perfurar pedra
 
Verruma, Extensões, e Manivela
 
A verruma está fora hacksawed de tubo de aço de padrão-peso aproximadamente 10cm (4 ") em
diâmetro (veja Figura 8). Tubulação de peso leve não é bastante forte. As extensões

fig8x34.gif (600x600)


(veja Figura 9) e manivela (veja Figura 10) torne possível para agüente buracos fundos.

fig9x34.gif (600x600)



fig10x35.gif (600x600)


 
Ferramentas de                              e Materiais
 
Tubo: 10cm (4 ") em diâmetro, 120cm (47 1/4 ") longo, para verruma
Tubo: 34mm fora de diâmetro (1 " dentro de diâmetro); 3 ou 4 pedaços 30cm (12 ") longo,
para verruma e cova de extensão
Tubo: 26mm fora de diâmetro (3/4 " dentro de diâmetro); 3 ou 4 pedaços 6.1 ou 6.4 metros
(20 ' ou 21 ') longo, para extensões de broca
Tubo: 10mm fora de diâmetro (1/2 " dentro de diâmetro); 3 ou 4 pedaços 6cm (2 3/8 ")
muito tempo
Taco: 4cm x 8cm x 50cm (1 1/2 " x 3 1/8 " x 19 3/4 "), para manivela
Aço moderado: 3mm x 8cm x 15cm (1/8 " x 3 1/8 " x 6 ")
4 parafusos: 1cm (3/8 ") em diâmetro e 10cm (4 ") muito tempo
4 louco
 
Dê ferramentas e soldando equipamento
 
Fazendo a verruma, um chamejar-dente extremidade cortante está cortada em um fim dos 10cm
tubo. O outro fim está cortado, curvado, e soldou a uma seção de 34mm fora de-diâmetro
(1 " dentro de-diâmetro) tubo que forma uma cova para a linha de broca
extensões. Uma abertura que corre quase o comprimento da verruma é usada para remover
suje da verruma. São feitas curvas mais forte e mais facilmente e com precisão quando
o aço está quente. No princípio, uma verruma com dois lábios cortantes semelhante a um poste-buraco
verruma era usada; mas foi tampado para cima e não foi cortado completamente. Em algumas terras,
porém, este tipo de verruma pode ser mais efetivo.
 
Limpador de verruma
 
Terra pode ser removida rapidamente da verruma com este limpador de verruma (veja Figura 11).

fig11x36.gif (486x486)


Figure 12 dá detalhes de construção.

fig12x36.gif (600x600)


 
Ferramentas de                              e Materiais
 
Aço moderado: 10cm (4 ") quadrado e 3mm (1/8 ") grosso
Acere vara: 1cm (3/8 ") em diâmetro e 52cm (20 1/2 ") muito tempo
Equipamento soldando
Hacksaw
Arquivo
 
Mandril de Demountable
 
Se o diâmetro de um buraco perfurado tem que ser feito maior, o mandril de demountable,
descrita aqui pode ser prendida à verruma.
 
Ferramentas de                              e Materiais
 
Aço moderado: 20cm x 5cm x 6mm (6 " x 2 " x 1/4 "), para resma um bem diâmetro de 19cm
(7 1/2 ")
2 parafusos: 8mm (5/16 ") em diâmetro e 10cm (4 ") muito tempo
Hacksaw
Broca
Arquivo
Martelo
Vício
 
O mandril é montado ao topo da verruma com dois parafusos de gancho (veja Figura 13).

fig13x37.gif (600x600)


É feito de um pedaço de aço 1cm (1/2 ") maior que os desejaram bem
diâmetro (veja Figura 14).

fig14x38.gif (600x600)


 
Depois que o mandril seja prendido o
topo da verruma, o fundo do
verruma é tampada com um pouco de lama ou
um pedaço de madeira para segurar o
cortes dentro da verruma.
 
 
Em reaming, é girada a verruma
com só despreze pressão descendente.
Deveria ser esvaziado antes de fosse
muito cheio de forma que não muitos
cortes cairão ao fundo de
o bem quando a verruma é puxada
para cima.
 
Porque a profundidade de um bem é
mais importante que o diâmetro
determinando o fluxo e
porque dobrando o diâmetro
meios que removem quatro vezes o
quantia de terra, diâmetros maiores,
só deveria ser considerada abaixo
circunstâncias especiais. (Veja " Bem
Cobertura e Plataformas, " página 12.)
 
 Tripod e Talha
 
O tripé (veja Figura 15 e 16) que é feita de postes e ajuntou com

fig15390.gif (393x393)


quando estende longe sobre chão; (2) prover uma ascensão para a talha (veja Figura 17 e 19)

fig17400.gif (600x600)


coloque por apoiar pedaços longos de cobertura, tubo para bombas, ou extensões de verruma enquanto
eles estão sendo postos em ou levados fora do bem.
 
Quando um alfinete ou parafuso é posto pelos buracos nos dois fins dos " L"-amoldaram
parêntese de talha (veja Figura 15 e 18) isso estende horizontally além da frente

fig18390.gif (393x393)


formada.
 
Impedir as extensões cair quando eles são apoiados contra o tripé, dois,
30cm (12 ") são dirigidas cavilhas de madeira longas em buracos perfurados perto do topo do
as duas pernas de frente de tripé (veja Figura 19).

fig19x41.gif (600x600)


 
Ferramentas de                              e Materiais
 
3 poloneses: 15cm (3 ") em diâmetro e 4.25 metros (14 ') muito tempo
Wood para barra atravessada: 1.1 metro (43 1/2 ") x 12cm (4 3/4 ") honestamente
Para roda de talha:
Wood: 25cm (10 ") em diâmetro e 5cm (2 ") grosso
Tubo: 1.25cm (1/2 ") dentro de diâmetro, 5cm (2 ") muito tempo
Parafuso de eixo: ajustar íntimo dentro de 1.25cm (1/2 ") tubo
Ferro de ângulo: 80cm (31 1/2 ") longo, 50cm (19 3/4 ") teias, 5mm (3/16 ") grosso
4 parafusos: 12mm (1/2 ") em diâmetro, 14cm (5 1/2 ") longo; nozes e lavadoras
Parafuso: 16mm (5/8 ") em diâmetro e 40cm (15 3/4 ") longo; nozes e lavadora
2 parafusos: 16mm (5/8 ") em diâmetro e 25cm (9 7/8 ") longo; nozes e lavadoras
Seja paciente 5 lugares por centro de postes para assembléia com 16mm parafusos
 
Balde de  Bailing
 
O balde fiando pode ser usado para remover terra do bem cabo quando cortes
está muito solto para para ser removida com a verruma.
 
Ferramentas de                              e Materiais
 
Tubo: aproximadamente 8.5cm (3 3/8 ") em diâmetro, 1 a 2cm (1/2 " a 3/4 ") menor em
diâmetro que a verruma, 180cm (71 ") muito tempo
Acere vara: 10mm (3/8 ") em diâmetro e 25cm (10 ") longo; para fiança (manivela)
Prato de aço: 10cm (4 ") quadrado, 4mm (5/32 ") grosso
Barra de aço: 10cm x 1cm x 5mm (4 " x 3/8 " x 3/16 ")
Parafuso de máquina: 3mm (1/8 ") diâmetro antes das 16mm (5/8 ") longo; noz e lavadora
Transporte em caminhão innertube: 4mm (5/32 ") grosso, 10mm (3/8 ") honestamente
Equipamento soldando
Broca
Hacksaw
Martelo
Vício
Arquivo
Corda
 
Tubo de peso standard e tubulação magro-cercada eram experimentadas para o fiar
balde. O anterior, sendo mais pesado, era mais duro usar, mas fez um trabalho melhor e
se levantava melhor debaixo de uso. Ambos o
fundo de aço do balde e o
válvula de borracha deveria ser pesada
porque eles recebem uso duro.
O fundo de metal é reforçado
com uma sanefa soldada em lugar
(veja Figura 20 e 21).

fig20420.gif (393x393)


Quando água é alcançada e o
cortes não são bastante nenhuma empresa mais longa
ser exposta na verruma, o
fiando balde devem ser usadas
limpe fora o bem como trabalho
progressos.
 
Por usar o balde fiando a talha está montado no parêntese de talha com um
16mm (5/8 ") parafuso como eixo. Uma corda prendida ao balde fiando é atropelada então
a talha e o balde é abaixado no bem. O parêntese de talha é assim
projetou que a corda que cai a talha enfileira para cima vertically com o bem, assim
que há nenhuma necessidade para trocar o tripé.
 
O balde é abaixado no bem, preferivelmente por duas pessoas e permitiu derrubar
o último metro ou metro e um-meia (3 a 5 pés) de forma que isto baterá o fundo
com um pouco de velocidade. O impacto forçará alguma da terra solta ao fundo de
o bem para cima no balde. O balde é elevado então repetidamente e derrubou 1
para 2 metros (3 a 6 pés) apanhar mais terra. Experiência mostrará quanto tempo
isto deveria ser continuada apanhando tanta terra quanto possível antes de elevar e
esvaziando o balde. Dois ou mais pessoas podem elevar o balde que deveria ser
esvaziada distante bastante do bem evitar desordenar a área de funcionamento.
 
Se os cortes estão muito magros para para ser exposta com a verruma mas muito grosso para
entre no balde, verta uma pouca água abaixo o bem os diluir.
 
Mordida por Perfurar o Rock
 
O pedaço descrito aqui foi usado para perfurar por camadas de pedra sedimentar
até 11 metros (36 ') grosso.
 
Ferramentas de                              e Materiais
 
Barra de aço moderada: aproximadamente 7cm (2 3/4 ") em diâmetro e aproximadamente 1.5 metros (5 ') longo,
pesando aproximadamente 80kg (175 libras)
Stellite (um tipo muito duro de aço de ferramenta) insira para extremidade cortante
Bigorna e martelos, por amoldar,
Acere vara: 2.5cm x 2cm x 50cm (1 " x 3/4 " x 19 3/4 ") para fiança
Equipamento soldando
 
A broca mordeu por cortar por pedra e são feitas formações duras dos 80kg
(175-libra) barra de aço (veja Figura 22 e 23). O 90-grau extremidade cortante duro-se apareceu

fig22440.gif (393x393)


manivela) por prender uma corda ou
cabo é soldado ao topo. A fiança
deva ser grande bastante fazer
" pescando " fácil se as fraturas de corda. Um
2.5cm (1 ") corda era no princípio usada,
mas isto estava sujeito a muito uso
ao trabalhar em lama e água. Um
1cm (3/8 ") cabo de aço foi substituído
para a corda, mas não era
usada bastante para poder mostrar
se o cabo ou a corda é melhor. Uma vantagem de corda é que dá um
estale ao término do outono que gira o pedaço e impede isto aderir. Um
rode pode ser montada entre o pedaço e a corda ou cabo para deixar o pedaço
gire.
 
Se uma barra este tamanho é difícil achar ou muito caro, pode ser possível,
dependendo das circunstâncias, fazer a pessoa soldando um aço curto fim cortante,
sobre um pedaço de tubo que é feito pesado bastante estando cheio com concreto.
 
Usando o pedaço perfurando, ponha a talha em lugar como com o balde fiando, prenda
o pedaço para sua corda ou cabo, e abaixa isto no bem. Desde que o pedaço é pesado,
embrulhe a corda algumas vezes ao redor da perna de parte de trás do tripé de forma que o pedaço
não possa se afastar dos trabalhadores com a chance de alguém estar ferido ou
o equipamento sido danificado. O modo mais fácil para elevar e derrubar o pedaço é
corra a corda pela talha e então para trás para uma árvore ou poste onde isto
pode ser prendida a altura de ombro ou ligeiramente abaixe. Trabalhadores enfileiram para cima junto o
corda e eleva o pedaço apertando abaixo na corda; eles derrubam isto permitindo o
lace para voltar depressa a sua posição original (veja Figura 24). Isto requer cinco

fig24x46.gif (393x393)


para sete trabalhadores, ocasionalmente mais. Restos freqüentes são necessários, normalmente depois de
todo 50 a 100 golpes. Porque
o trabalho é mais duro perto dos fins
da corda que no meio, o
posições dos trabalhadores deveriam ser
girada para distribuir o trabalho
uniformemente.
 
Uma quantia pequena de água deveria ser
detida o buraco para lubrificação e
misturar com a pedra pulverizada para
forme uma pasta que pode ser removida
com um balde fiando. Muito
água reduzirá a velocidade o perfurando.
 
A velocidade de perfurar, claro que,
depende do tipo de pedra
encontrada. No água-porte macio
pedra do me Proiba Thuot
área era possível perfurar vários metros (aproximadamente 10 pés) por dia. Porém,
quando pedra dura como basalto é encontrada, progresso está medido em centímetros
(polegadas). A decisão deve ser tomada então se continuar tentando
penetre a pedra ou recomeçar em um local novo. Experimente no passado tem
indicada aquele não deveria ser muito precipitado abandonando um local, desde em
várias ocasiões o que era camadas aparentemente magras de pedra dura foi penetrada
e perfurando então continuaram a uma taxa boa.
 
Ocasionalmente o pedaço pode ser aderido dentro o bem e será necessário usar
um arranjo de alavanca que consiste em um poste longo prendeu à corda para livrar isto (veja Figura 25).

fig25x47.gif (437x437)


Alternativamente, uns molinetes podem ser usados, enquanto consistindo em um poste horizontal
embrulhe a corda ao redor de um poste vertical girou no chão e conteve
coloque por vários trabalhadores (veja Figura 26). Se estes falharem, pode ser necessário para

fig26x47.gif (437x437)


alugar ou pede emprestado um levantamento de cadeia. Uma corda usada ou cabo podem quebrar ao tentar
recobre um pedaço preso. Se isto acontece, ajuste um gancho a um das extensões de verruma,
prenda bastante extensões junto para alcançar a profundidade desejada, e depois de enganchar
o pedaço, puxe com o levantamento de cadeia. Uma corda ou cabo também podem ser usados para isto
pretenda, mas é consideravelmente mais difícil de enganchar sobre o pedaço.
 
                            Drilling Mechanically
 
O método seguinte pode ser usado por elevar e derrubar o pedaço
mecanicamente:
 
o      o Jack para cima a roda traseira de um carro e substitui a roda com um pequeno
       tocam tambor (ou usa a beira como uma talha).
o      Levam a corda que é prendida ao pedaço, venha do tripé
       a talha, e embrulha a corda frouxamente ao redor do tambor.
o      Puxam o fim solto da corda esticado e começaram o tambor
Movimento de       . A corda moverá com o tambor e elevará o pedaço.
o      Deixaram o fim da corda ir frouxo depressa para derrubar o pedaço.
     provavelmente será necessário polir ou engraxar o tambor.
 
Balde seco que Perfura Bem
 
O método de balde seco é um método simples e rápido de perfurar poços em terra seca
isso está livre de pedras. Pode ser usado para 5cm a 7.5cm (2 " a 3 ") poços de diâmetro em
qual tubo de aço será instalado. Para poços que são mais largo em diâmetro, é um
método rápido de remover terra seca antes de completar a pessoa enfadonha com um balde molhado,
tubewell lixam bailer, ou tubewell lixam verruma.
 
Um 19.5-metro (64 ') buraco pode ser cavado em menos de três horas com este método,
que trabalha melhor em terra arenosa, de acordo com o autor desta entrada que tem,
perfurada 30 poços com isto.
 
Ferramentas de                              e Materiais
 
Balde seco
Corda: 16mm (5/8 ") ou 19mm (3/4 ") em diâmetro e 6 a 9 metros (20 ' para 30 ')
mais muito tempo que o mais fundo bem ser perfurada
3 poloneses: 20cm (4 ") em diâmetro a fim grande e 3.6 a 4.5 metros (12 ' para 15 ') muito tempo
Encadeie, pedaço curto
Talha
Parafuso: 12.5mm (1/2 ") em diâmetro e 30 a 35cm (12 " a 14 ") longo (longo bastante para
alcance pelos fins superiores dos três postes)
 
Um balde seco simplesmente é um comprimento de tubo com uma fiança ou manivela soldou a um fim
e um corte de racha no outro.
 
O balde seco é segurado aproximadamente 10cm (várias polegadas) sobre o chão, centrou
sobre o local de buraco e então derrubou (veja Figura 1). Isto dirige um pequeno

fig1x49.gif (600x600)


quantia de terra para cima no balde. Depois disto é dois ou três vezes repetidas, o
balde é afastado, segurou a um lado e bateu com um martelo ou um pedaço de ferro
desalojar a terra. O processo está repetido até terra úmida é alcançada e o
balde já não removerá terra.
 
Para fazer o balde seco, você precisará das ferramentas seguintes e materiais:
 
Hacksaw
Arquivo
Vara férrea: 10mm (3/8 ") ou 12.5mm (1/2 ") em diâmetro e 30cm (1 ') muito tempo
Tubo férreo: ligeiramente maior em diâmetro que a parte maior de cobertura para ser posta dentro
o bem (normalmente a junção) e 152cm (5 ') muito tempo
 
Dobre a vara férrea em uma U-forma pequeno bastante deslizar dentro do tubo. Solde dentro
coloque como em Figura 2.

fig2x49.gif (486x486)


 
Arquive uma vela suave no lado de dentro do fim oposto fazer uma extremidade cortante (veja Figura 3).

fig3x49.gif (393x393)


 
Corte uma racha em um lado do fim afiado do tubo (veja Figura 2).
 
Fonte:
 
John Brelsford, VITA Holanda Voluntária, Nova, Pennsylvania,
 
Poços dirigidos
 
Um coador pontudo chamou um bem ponto, corretamente usado, pode depressa e barato
dirija um sanitário bem, normalmente menos de 7.6 metros (25 ') profundamente. Em terras onde o
dirigida bem é satisfatório, é freqüentemente o modo mais barato e mais rápido para perfurar um sanitário
bem. Em terras pesadas, particularmente barro, perfurando com uma verruma de terra é mais rápido que
dirigindo com um bem ponto.
 
Ferramentas e Materiais
 
Bem ponto e boné motriz (veja Figura 1):

fig1x50.gif (486x486)


normalmente alcançável por firmas de vendas por correspondência
dos Estados Unidos e em outro lugar
Tubo: 3cm (1 ") em diâmetro
Martelo pesado e torceduras
Combinação de tubo
Junções de tubo especiais e arranjos motrizes
é desejável mas não necessário
 
Poços dirigidos têm altamente êxito em areia grossa onde não há muitos
pedras e a mesa de água está dentro de 7 metros (23 ') da superfície. Eles normalmente são
usada como poços rasos onde o cilindro de bomba está a nível de chão. Se condições
por dirigir é muito bom, 10cm (4 ") diâmetro aponta e coberturas que podem
aceite o cilindro de um fundo bem pode ser dirigida a profundidades de 10 - 15 metros (33 '
para 49 '). (Nota que bombas de sucção geralmente não podem elevar água além de 10 metros.)
 
Os tipos mais comuns de bem pontos são:
 
o    um tubo com buracos cobertos por uma tela e uma jaqueta de metal com buracos. Para
     uso geral, uma #10 abertura ou 60 malha é recomendada. Areia boa requer um
     tela melhor, talvez uma #6 abertura ou 90 malha,;
 
o    um tubo de aço de slotted sem tela que cobre para a qual permite mais água
     entram mas são menos áspero.
 
Antes de começar a dirigir o ponto, faça um buraco no local com ferramentas de mão. O
buraco deveria ser absoluto e ligeiramente maior em diâmetro que o bem ponto.
 
Devem ser feitas as juntas do tubo de passeio cuidadosamente prevenir quebra de linha
e assegura operação hermética. Limpe e lubrifique as linhas cuidadosamente e use junta
componha e junções de passeio especiais quando disponível. Assegurar que permanência de juntas
apertado, dê para o tubo uma fração de uma volta depois de cada sopro, até que a junta de topo é
permanentemente jogo. Não torça o fio inteiro e não torça e bata ao
mesmo tempo. O posterior pode ajudar passe de pedras, mas logo quebrará as linhas
e faz juntas mal vedado.
 
Esteja seguro o boné de passeio está apertado e marrou contra o fim do tubo (veja Figura 2).

fig2x51.gif (600x600)


confira com um trenó absoluto para ver que o tubo é vertical. Teste ocasionalmente
e mantém isto diretamente empurrando no tubo enquanto dirigindo. Bata o boné de passeio
squarely cada tempo ou você pode danificar o equipamento.
 
Várias técnicas podem ajudar evite dano ao tubo. O melhor modo é dirigir
com uma barra de aço contra a que é derrubada dentro do tubo e greves o dentro de
o aço bem ponto. É recobrado com um cabo de corda. Uma vez água entra o
bem, este método não trabalha.
 
Outro modo é usar um tubo de motorista que tem certeza que o boné de passeio é batido
squarely. Uma vara de guia pode ser montada em cima do tubo e peso derrubou em cima de
isto, ou o próprio tubo pode ser usado para guiar um peso cadente que golpeia um especial
dirija braçadeira.
 
A mesa em Figura 3 ajudará identifique as formações que são penetradas. Experiência

fig3x52.gif (600x600)


é precisada, mas isto pode o ajudar a entender o que está acontecendo. Quando
você pensa que a camada de água-porte foi alcançada, foi deixada de dirigir e foi prendida
um handpump para tentar o bem.
 
Normalmente, espetáculos motrizes mais fáceis que o nível de água-porte foi alcançado,
especialmente em areia grossa. Se a quantia de água bombeada não é bastante, prova
dirigindo um metro ou assim (alguns pés) mais. Se o fluxo diminuir, puxe o ponto
atrás até o ponto de maior fluxo é achada. O ponto pode ser elevado usando um
arranjo de alavanca como um cerca-poste iça, ou, se um dirigir-macaco é usado, por
batendo o tubo atrás para cima.
 
Às vezes areia e tomada de lodo para cima o ponto e o bem deve ser desenvolvida "
esvazie isto e melhore o fluxo. Primeiro tente bombeando duro, contínuo a uma taxa
mais rapidamente que normal. Lama e areia boa proporão a água, mas isto
deva clarear dentro sobre uma hora. Pode ajudar permitir a água no tubo derrubar
desista, enquanto invertendo o fluxo periodicamente. Com a maioria bombeia o lançador isto é facilmente
realizada erguendo a manivela muito alto; isto abre a válvula de cheque, enquanto permitindo
areje para entrar, e a água apressa atrás abaixo o bem.
 
Se isto não clarear o fluxo, pode haver lodo dentro do ponto. Isto pode ser
removida pondo uns 19mm (3/4 ") tubo no bem e bombeando nisto. Ou
use a bomba de lançador ou depressa e repetidamente aumento e abaixa os 19mm (3/4 ")
tubo. Segurando seu dedo polegar em cima do topo do tubo no upstroke, um jato de
água barrenta resultará em cada downstroke. Depois de adquirir a maioria do material
fora, devolva para dirigir bombeando. Limpe a areia da válvula e cilindro do
bombeie depois de desenvolver o bem. Se você escolheu muito bom uma tela, não pode
seja possível desenvolver o bem prosperamente. Uma tela corretamente escolhida permite o
material bom ser bombeada fora, deixando uma cama de pedregulho grosso e lixa que
provê uma área de água-ajuntamento altamente porosa e permeável.
 
O passo final é preencher o borehole começando com barro de poça ou, se barro é
não disponível, com terra bem-socada. Faça um sólido, plataforma de bomba de água-prova,
(concreto é melhor) e provê um lugar para água derramada escoar fora.
 
 
Fonte:
 
Wagner, POR EXEMPLO e Lanoix, J.N. Provisão de água para Áreas Rurais e Comunidades Pequenas.
Genebra: Organização de Saúde mundial, 1959.
 
POÇOS CAVADOS <veja figura 1>

fig1x54.gif (600x600)


 
Uma aldeia tem que agir bem freqüentemente como um reservatório, porque a certas horas do dia
a demanda para água é pesada, considerando que durante a noite e o calor do dia
não há nenhuma chamada na provisão. O que é sugerida que aqui é fazer o bem grande
bastante para permitir a água que filtra lentamente dentro acumular quando o bem é
não em uso para ter uma provisão adequada quando demanda é pesada. Para isto
normalmente são feitos poços de razão 183 a 213cm (6 ' para 7 ') em diâmetro.
 
Poços não podem armazenar água de estação chuvosa para a estação seca, e raramente há qualquer
argumente por fazer um bem maior em
diâmetro que 213cm (7 ').
 
A profundidade de um bem é muito mais
importante que o diâmetro em
determinando a quantia de água
isso pode ser puxada quando a água
nível é baixo. Um fundo, estreite bem
proveja freqüentemente mais água que
um raso largo.
 
Se lembre aquele tubewells são muito
mais fácil construir que cavou poços,
e deveria ser usada se sua região
permite a construção deles/delas e um
quantia adequada de água pode ser
tirada deles durante o ocupado
horas (veja seção em Tubewells).
 
Poços profundamente cavados têm vários
desvantagens. O forro de masonry
precisada é muito caro. Construção
é potencialmente muito perigoso;
trabalhadores não deveriam cavar mais profundamente que
um metros e meio sem
escorando para cima o buraco. Um aberto bem
é muito facilmente contaminada por
assunto orgânico do que desaba
a superfície e pelos baldes
erga a água. Há um
problema somado de dispor do
grande quantidade de terra removeu de
um fundo cavou bem.
 
Marcada Cavada Bem
 
Os bem descreveram aqui têm um
tanque de concreto subterrâneo que é
conectada à superfície com um
tubo de cobertura, em lugar de um grande-diâmetro
enfileirando como descrita dentro o
entrada precedendo. As vantagens são
que é relativamente fácil construir,
fácil marcar, leva para cima só um pequeno
área de superfície, e é baixo em custo.
 
Muitos destes poços foram instaladas na Índia por uns Amigos americanos Conserte
Time de comitê lá; eles executam bem a menos que eles não estejam bastante fundos ou
marcada e capped corretamente.
 
Ferramentas de                              e Materiais
 
4 anéis concretos reforçados com ganchos de ferro por abaixar, 91.5cm (3 ') em diâmetro
1 cobertura concreta reforçada com um buraco de assento para tubo de cobertura
Pedregulho lavado para cercar tanque: 1.98 metros cúbicos (70 pés cúbicos)
Lixe bem para topo de: 0.68 metros cúbicos (24 pés cúbicos)
Tubo concreto: 15cm (6 ") em diâmetro, correr do topo do tanque cobertura para a
menos 30.5cm (1 ') sobre chão
Colarinhos concretos: para juntas no tubo concreto
Cimento: 4.5kg (10 libras) para morteiro para juntas de tubo
Fundo-bem bomba e tubo
Base concreta para bomba
Tripé, talhas, corda para anéis ameaçadores,
Ferramenta especial por posicionar cobertura ao reencher, veja " Cobertura de Posicionamento Transportar,"
debaixo de
Ferramentas cavando, escada de mão, corda,
 
Um aldeão em Barpali, Índia, trabalhando com uns Amigos americanos Consertam o Comitê
unidade lá, sugeriu que eles fazem um masonry abastecer ao fundo do bem,
telhe em cima de, e tire a água disto com uma bomba. Os resultando marcaram bem
tem muitas vantagens:
 
o   provê pura água, seguro por beber.
 
o   apresenta nenhum perigo de crianças que desabam.
 
o   que Puxa água é fácil, até mesmo para crianças pequenas.
 
o   O bem ocupa pequeno espaço, um pátio pequeno pode acomodar isto.
 
o   O custo de instalação está muito reduzido.
 
o   O trabalho envolvido está muito reduzido.
 
o   há nenhum problema de adquirir liberte de terra escavada, desde a maioria disto é
    substituiu.
 
o   A cobertura habilita a bomba e pia para ser removida facilmente por consertar.
 
o   O pedregulho e areia que cerca o tanque provê um filtro eficiente para
    previnem entupindo, permita uma área de superfície grande por filtrar água para encher o
    abastecem, e aumenta o volume armazenado efetivo no tanque.
 
Por outro lado, comparou um bem onde as pessoas puxam os próprios baldes deles/delas ou
outros recipientes de água, há três desvantagens secundárias: só uma pessoa
possa bombear de cada vez, a bomba requer manutenção regular, e uma certa quantia
de habilidade técnica é exigida fazer as partes usadas dentro o bem e instalar
eles corretamente.
 
Um bem é cavada 122cm (4 ') em diâmetro e aproximadamente 9 metros (30 ') profundamente. O cavando
deveria ser feita na estação seca, depois que a mesa de água derrubasse a seu mais baixo
nível. Deveria haver um 3 metro cheio (10 ') reaccumulation de água dentro de 24
horas depois do bem foi fiada ou foi bombeada seque. Maior profundidade é, claro que,
desejável.
 
Esparrame 15cm (6 ") de limpe, pedregulho lavado ou pedra pequena em cima do fundo do
bem. Abaixe os quatro anéis de concreto e cubra no bem e os posiciona
lá formar o tanque. Um tripé de postes fortes com bloco e de equipamento é precisado
abaixar os anéis, porque eles pesam aproximadamente 180kg (400 libras) cada. O tanque
formada pelos anéis e cobertura é 183cm (6 ') alto e 91.5cm (3 ') em diâmetro. O
cobertura tem uma redonda abertura que forma um assento para o tubo de cobertura e permite o
tubo de sucção para penetrar a aproximadamente 15cm (6 ") do fundo de pedregulho.
 
A primeira seção de tubo concreto é posicionada no assento e é rebocada (mortared)
em lugar. É suportado vertically por uma tomada de madeira com quatro braços dobrados suportar
contra os lados da parede. Pedregulho é acumulado ao redor dos anéis concretos e em cima de
o topo da cobertura até a camada de pedregulho sobre o tanque é pelo menos 15cm (6 ")
profundamente. Isto está então coberto com 61cm (2 ') de areia. Terra removeu do bem é
então cavada com pá atrás até o cabo está cheio dentro de 15cm (6 ") do topo do
primeiro seção de cobertura. A próxima seção de cobertura é rebocada então em lugar, enquanto usando
um colarinho concreto trouxe este propósito. O bem está cheio e mais seções de
cobertura somada até a cobertura estende 30cm pelo menos (1 ') sobre o cercar
nível de terra.
 
A terra na que não empacotará atrás o bem pode ser usada para fazer uma colina rasa
ao redor da cobertura encorajar água derramada para escoar longe da bomba. Um
cobertura concreta é colocada na cobertura e uma bomba instalou.
 
Se concreto ou outro tubo de cobertura não podem ser obtidos, uma chaminé fez de queimado
tijolos e morteiro de areia-cimento bastarão. O tubo é um pouco mais caro,
mas muito mais fácil instalar.
 
Fonte:
 
Uma Caixa forte Econômico Bem. Filadélfia: Amigos americanos Consertam Comitê, 1956,
(Mimeographed).
 
 Deep Dug Bem
 
Trabalhadores destreinados podem cavar seguramente um fundo sanitário bem com equipamento simples, claro,
se eles são supervisionados bem. O método básico é esboçado aqui.
 
Ferramentas de                              e Materiais
 
Pás, mattocks,
Baldes
Corda--poços fundos requerem corda de arame
Formas--aço, soldou e trancou junto
Sobressaia com manivela e talha
Cimento
Vara reforçando
Areia
Agregado
Óleo
 
A mão cavada bem é o mais difundido de qualquer amável de bem. Infelizmente, em
muitos lugares que estes poços são cavados por pessoas pouco conhecido com serviço de saúde pública bom
métodos e é infetada através de doença parasitária e bacteriana. Usando moderno
métodos e materiais, podem ser feitos poços cavados seguramente 60 metros (196.8 ') fundo e
dê uma fonte permanente de pura água.
 
Experiência mostrou que para uma pessoa, a largura comum de um círculo bem para
cavando melhor velocidade é 1 metro (3 1/4 '). Porém, 1.3 metros (4 1/4 ') é melhor para
dois trabalhadores que cavam junto e eles cavam mais que duas vezes tão rápido quanto uma pessoa.
Assim, dois trabalhadores no buraco maior são normalmente melhores.
 
Poços cavados sempre precisam de um forro permanente (menos em pedra sólida onde o melhor
método normalmente é perfurar um tubewell).
 
O forro previne colapso do buraco, apoios a plataforma de bomba, paradas,
entrada de água de superfície contaminada, e apoios o bem entrada que é
a parte do bem por qual água entra. É normalmente melhor construir o
enfileirando enquanto cavando, desde que isto evita apoios temporários e reduz perigo de
caverna-ins.
 
Poços cavados estão forrados de dois modos: (1) onde o buraco é cavado e o forro é construído
em seu lugar permanente e (2) onde são acrescentadas seções de enfileirar ao topo e
o forro inteiro rebaixa como terra é afastado de em baixo disto. O segundo
método é chamado caissoning; freqüentemente uma combinação de ambos é melhor (Figura 2.)

fig2x58.gif (600x600)


 
Se possível, usa concreto para o forro porque é forte, permanente, e fez
principalmente de materiais locais. Também pode ser controlado por trabalhadores inexpertos com bem
velocidade e resultados. (Veja seção em Construção Concreta).
 
Masonry e obra de alvenaria são extensamente usadas em muitos países e podem ser mesmo
satisfatório se condições são certas. Em chão ruim, porém, lata de pressões desigual
os faça inchar ou colapso. Construindo com estes materiais está lento e um mais grosso
parede é requerida que com concreto. Também há sempre o perigo de movimento
durante construção em areias soltas ou xisto inchando antes do morteiro fixou
firmemente entre os tijolos ou pedras.
 
O Wood e aço não são bons para revestir poços. Wood requer suportando, tende a apodrecer
e segura insetos, e às vezes faz a água ter gosto ruim. Pior de tudo, vai
não faça o bem watertight contra contaminação. Aço raramente é usado porque
é caro, enferruja depressa, e se não é pesado que bastante está sujeito a inchar
e dobrando.
 
Os passos gerais terminando os primeiros 4.6 metros (15 ') é:
 
o  fixados para cima uma manivela de tripé em cima de clarearam, chão nivelado e marca pontos de referência
   por examinar e medir a profundidade do bem.
 
o  têm dois trabalhadores cavar o bem enquanto outros aumentos e descarrega a sujeira
   até o bem é exatamente 4.6 metros (15 ') profundamente.
 
o  aparam o buraco para classificar segundo o tamanho usando um giga especial montou nos pontos de referência.
 
o  colocam as formas cuidadosamente e enchem um por um de concreto socado.
 
Depois disto é terminado, cave a 9.1 metros (30 '), apare e também revista esta parte com
concreto. Uns 12.5cm (5 ") abertura entre o primeiro e segundo destas seções é
enchida de concreto de pre-corte que é rebocado (mortared) em lugar. Cada forro é
ego-apoiando como tem um meio-fio. O topo da primeira seção de enfileirar é mais grosso
que a segunda seção e estende sobre o chão para fazer uma fundação boa
para o alojamento de bomba e fazer um selo seguro contra água de chão.
 
Este método é usado até a camada de água-porte é alcançada; lá um extra-fundo
meio-fio é construído. Deste ponto em, caissoning é usado.
 
Caixas de munições são cilindros concretos provido com parafusos os prender junto. Eles
seja lançada e curado na superfície em moldes especiais, antes de uso. Várias caixas de munições
é abaixada no bem e ajuntou junto. Como cavam os trabalhadores, as caixas de munições
gota abaixa como terra é afastado de em baixo deles. O forro concreto guia o
caixas de munições.
 
Se a mesa de água é alta quando o bem é cavada, são trancadas caixas de munições extras em lugar
de forma que o bem pode ser terminada por uma quantia pequena de cavar, e sem
trabalho concreto, durante a estação seca.
 
São achados detalhes em planos e equipamento para este processo em Água Proveja para
Áreas rurais e Comunidades Pequenas, por E. G. O Wagner e J. N. Lanoix, Mundo,
Organização de saúde, 1959.
 
Poços Cavados reconstruindo
 
Poços cavados abertos não são muito sanitários, mas eles podem ser reconstruídos freqüentemente revestindo
o topo 3 metros (10 ') com um watertight enfileirar, cavar e limpar o bem e
cobrindo isto. Este método envolve instalação de uma laje concreta enterrada; veja Figura 3

fig3x60.gif (600x600)


para detalhes de construção.
 
                             Tools e Materiais
 
Ferramentas e materiais para concreto reforçado
Um método por entrar o bem
Bomba e tubo de gota
 
Antes de começar, confira o seguinte:
 
o  É o bem perigosamente perto de uma fonte particular ou outra de contaminação? É
   isto perto de uma fonte de água? É isto desejável cavar um novo bem em outro lugar
   em vez de limpar este aqui? Um particular seja movida, ao invés?
 
o  Tem o bem já seco? Você deveria afundar isto como também limpe?
 
o  Se aparecem drenagem geralmente deveria se inclinar longe do bem e lá deva
   é disposição efetiva de água derramada.
 
o  Que método usará você para remover a água e o que valerá?
 
o  Antes de entrar o bem inspecionar o forro velho, confira para uma falta de
Oxigênio de    abaixando uma lanterna ou vela. Se os restos de chama iluminaram, é
   razoavelmente seguro entrar o bem. Se a chama sai, o bem é perigoso
   para entrar. Amarre uma corda ao redor da pessoa que entra o bem e tem dois
   os trabalhadores fortes disponível o arrancar no caso de acidente.
 
Revestindo a Parede
 
O primeiro trabalho é preparar os 3 metros superiores (10 ') do forro para concreto por
pedra solta removendo e lascando morteiro velho fora com um cinzel, tão fundo quanto
possível (veja Figura 4). A próxima tarefa é limpar fora e afundar o bem, se isso

fig4x62.gif (600x600)


é necessário. Assunto todo orgânico e lodo deveriam ser. O bem pode ser
cavada mais profundamente, particularmente durante a estação seca, com os métodos esboçados Profundamente dentro ",
Poços " cavados. Um modo para aumentar o rendimento de água é dirigir um bem aponte mais profundamente
na terra de água-porte. Isto regularmente não elevará o nível de água dentro o
bem, mas pode fazer a água fluir no bem mais rápido. O bem ponto pode ser
piada diretamente à bomba, mas isto não fará uso da capacidade de reservatório
dos cavaram bem.
 
O material removeu do bem pode ser usada para ajudar forme um montículo ao redor do
bem assim água escoará longe da abertura. Terra adicional normalmente será
precisada para este montículo. Um dreno enfileirado com pedra deveria ser provido para levar derramou
molhe longe do avental concreto que cobre o bem.
 
Revista o bem com troweled concreto em lugar em cima de reforço de malha de arame.
O agregado maior deveria ser ervilha-classificado segundo o tamanho pedregulho e a mistura deveriam ser bastante ricas
com concreto, usando não mais que 20-23 litros (5 1/2 a 6 galões) de água para um
43kg (94 libra) saco de cimento. Estenda o forro 70cm (27 1/2 ") sobre o
superfície de chão original.
 
Instalando a Cobertura e Bomba
 
Lance o bem cobertura de forma que isto faz um watertight marcar com o forro para manter
impurezas de superfície fora. A cobertura também apoiará a bomba. Estenda a laje fora
em cima do montículo sobre um metro (alguns pés) ajudar escoam água longe do
local. Faça um poço de inspeção e espace para o tubo de gota da bomba. Monte a bomba
fora centro assim há lugar para o poço de inspeção. A bomba está montada em elenco de parafusos
na cobertura. O poço de inspeção deve ser 10cm (4 ") mais alto que a superfície do
laje. A cobertura de poço de inspeção tem que sobrepor antes das 5cm (2 ") e deveria ser provido com um
feche para prevenir acidentes e contaminação. Esteja seguro que a bomba é marcada
a laje.
 
Desinfetando o Bem
 
Desinfete o bem usando uma escova dura para lavar as paredes com um muito forte
solução de cloro. Então some bastante cloro dentro o bem fazer isto sobre meio
a força da solução usou nas paredes. Borrifique esta última solução por toda parte
a superfície do bem distribuir isto uniformemente. Cubra o bem e infla o
molhe até a água cheira fortemente de cloro. Deixe o cloro permanecer dentro o
bomba e bem durante um dia e então bombeia isto até o cloro foi.
 
Tenha o bem água testou vários dias depois de desinfecção estar seguro que é
puro. Se não for, repita a desinfecção e testando. Se ainda não for puro, adquira
conselho especialista.
 
Fontes:
 
Wagner, POR EXEMPLO e Lanoix, J.N. Provisão de água para Áreas Rurais e Comunidades Pequenas.
Genebra: Organização de Saúde mundial, 1959.
 
Manual de Sistemas de Provisão de Água Individuais, saúdes públicas Consertam Publicação Não.
24. Washington, D.C.,: Departamento de Saúdes e Serviços de Humano.
 
DESENVOLVIMENTO PRIMAVERAL
 
Fontes, particularmente em terra arenosa, fazem freqüentemente fontes de água excelentes, mas eles
deveria ser cavada mais profundamente, lacrado, protegeu por uma cerca, e piou para a casa. Próprio
desenvolvimento de uma fonte aumentará o fluxo de água de chão e abaixará o
chances de contaminação de água de superfície. Se fendeu pedra ou pedra calcária é
apresente, adquira conselho especialista antes de tentar desenvolver a primavera.
 
Fontes acontecem onde molha, enquanto movendo por poroso e saturou debaixo da terra
camadas de terra (aquifer), emerge à superfície de chão. Eles podem ser qualquer um:
 
 
seepage de Gravidade de o  em cima donde a terra de porte de água alcança a superfície um
   camada impermeável, ou
 
o  Pressionam ou artesian onde a água, debaixo de pressão e apanhou por um duro
   estendem em camadas de terra, acha uma abertura e elevações à superfície. (Em algumas partes de
   o mundo, todas as primaveras são chamadas artesian.)
 
Os passos seguintes deveriam ser considerados em primaveras em desenvolvimento:
 
  1)   Observe as variações de fluxo sazonais em cima de um período de um ano se possível.
 
  2)   Determine o tipo de fonte-seepage ou cavando um pequeno
      furam. Uma verruma de terra com extensões é a ferramenta mais satisfatória para isso
Trabalho de      . Pode não ser possível alcançar a camada impermeável subjacente.
 
  3)   Têm substância química e testes biológicos feitos em amostras da água.
 
Cave um buraco pequeno perto da primavera aprender a profundidade da camada dura de terra e
descobrir se a primavera é seepage de gravidade ou pressão. Confira além e
perto para fontes de contaminação. Teste a água para ver se deve ser purificado
antes de ser usado para beber. Um ponto final: Descubra se a primavera correr durante
feitiços secos longos.
 
Durante fontes gravidade-alimentadas, a terra é cavada normalmente às camadas duras, subjacentes e
um tanque é feito com watertight paredes concretas em todos menos o lado para cima (veja Figura 1 e 2).

fig1x650.gif (600x600)


A abertura no lado para cima deveria ser enfileirada com poroso
concreto ou apedreja sem morteiro, de forma que isto admitirá a água de seepage de gravidade.
Pode ser backfilled com pedregulho e pode lixar que ajuda deter materiais bons
a terra de água-porte de entrar na primavera. Se a terra dura não pode ser
alcançada facilmente, uma cisterna concreta é construída que pode ser alimentada por um tubo picotado
colocada na camada de água-porte de terra. Com uma fonte de pressão, todos os lados de
o tanque é feito de watertight reforçada concreto, mas o fundo é esquerdo aberto.
A água entra pelo fundo.
 
Leia a seção neste manual em cisternas antes de desenvolver sua fonte. Não
assunto como a água entra em seu tanque, você tem que ter certeza a água é pura por:
 
o  que constrói parar poluição de superfície e manter luz solar do lado de fora para uma cobertura completa,
   que faz algas crescer.
 
o  que instala um poço de inspeção fechado com pelo menos uns 5cm (2 ") sobreponha para prevenir
   encantam de água de chão poluída.
 
o  que instala um transbordamento escondido que descarrega 15cm pelo menos (6 ") sobre o
   fundamentou. A água tem que pousar em um bloco de cimento ou superfície de pedra para manter o
   molham de fazer um buraco no chão e assegurar própria drenagem fora
   da primavera.
 
o  que organizam a primavera de forma que água de superfície têm que filtrar por pelo menos 3
Metros de    (10 ') de terra antes de alcançar a água de chão. Faça isto fazendo um
   diversão fosso para água de superfície aproximadamente 15 metros (50 ') ou mais do
   pulam. Também, se necessário, cubra a superfície do chão perto da primavera
   com uma camada pesada de terra ou barro para aumentar as distâncias que rainwater
   tem que viajar, enquanto assegurando assim que tem que filtrar por 3 metros (10 ') de
   sujam.
 
o  que faz uma cerca para manter as pessoas e animais longe da primavera é imediato
Ambientes de   . O rádio sugerido é 7.6 metros (25 ').
 
o  que instala um oleoduto do transbordamento para o lugar onde a água é ser
   usou.
 
Antes de usar a primavera, desinfete completamente somando cloro ou cloro
combinações. Feche fora o transbordamento para conter a solução de cloro o bem para 24
horas. Se a primavera alaga que embora a água esteja fechada fora, organize para somar
cloro de forma que isto permanece forte durante pelo menos 30 minutos, embora 12 horas
esteja muito mais seguro. Depois que o cloro seja corado do sistema tenha o
água testou. (Veja seção em " Superchlorination ".)
 
Fontes:
 
Wagner, POR EXEMPLO e Lanoix, J.N. Provisão de água para Áreas Rurais e Comunidades Pequenas.
Genebra: Organização de Saúde mundial, 1959.
 
Manual de Sistemas de Provisão de Água Individuais, saúdes públicas Consertam Publicação Não.
24. Washington, D.C.,: Departamento norte-americano de Saúdes e Serviços de Humano.
 
Reconhecimentos
 
John M. Jenkins III, VITA Volunteer, Marrero, Louisiana,
Ramesh Patel, VITA Volunteer, Albany, Nova Iorque,
William PÁG. Branco, VITA Volunteer, Brooklyn, Connecticut,
 
                      Water Levantamento e Transporte
 
AVALIAÇÃO
 
Uma vez uma fonte de água foi achada e foi desenvolvida, quatro perguntas básicas devem
seja respondida:
 
     1.    o que é a taxa de fluxo da água em sua situação?
     2.    Entre que pontos deve ser transportada a água?
     3.    são precisados Que tipo e tamanho de transportar transportar o fluxo exigido?
     4.    Que tipo de bomba, se qualquer, é necessário produzir o fluxo exigido?
 
As informações nesta seção o ajudarão a responder o terço e quarto
perguntas, uma vez você determinou as respostas ao primeiro dois.
 
Água comovente
 
As primeiras três entradas nesta seção discutem o fluxo de água em fluxos pequenos,
tubos parcialmente enchidos, e quando a altura do reservatório e tamanho de tubo é
conhecida. Eles incluem equações e alinhamento desenha (também chamou nomographs) isso
dê métodos simples de calcular o fluxo de água debaixo da força de gravidade,
quer dizer, sem bombear. O quarto conta como medir fluxo observando o
borbote de um tubo horizontal.
 
Quatro entradas seguem em transportar, inclusive uma discussão de tubos feita de bambu.
 
Você notará isso nos quadros de alinhamento aqui e em outro lugar, o termo " nominal
diâmetro, polegadas, Horário 40 " norte-americano é usado junto com o termo alternado, " dentro de
diâmetro em centímetros, " se referindo para transportar tamanho.
 
Normalmente são fabricados tubos e fittings a um horário standard de tamanhos. EUA
Programe 40, o mais comum nos Estados Unidos, também é usada amplamente dentro outro
países. Quando a pessoa especificar " 2-polegada Horário 40, " a pessoa especifica automaticamente o
avaliação de pressão do tubo e seu dentro de e fora de diâmetros (nenhum de que,
incidentemente, é de fato 2 "). Se o horário não for conhecido, meça o interior
diâmetro e usa isto para cálculos de fluxo.
 
Água erguendo
 
Próximas, várias entradas seguem os passos exigiram projetar um sistema água-bombeando
com transportar. A primeira entrada neste grupo, Especificações de " Bomba: Escolhendo ou
Avaliando uma Bomba, " apresenta todos os fatores que devem ser considerados selecionando
uma bomba. Preencha o formulário incluído lá e faça um esboço sereno, se você
planeje enviar isto a um consultor para ajuda ou fazer o desígnio e seleção você.
 
Os primeiros pedaços de informação precisados por selecionar tipo de bomba e tamanho são: (1)
a taxa de fluxo de água precisou e (2) a cabeça ou pressiona para ser superada por
a bomba. A cabeça está composta de duas partes: a altura para a qual o líquido deve
seja elevada, e a resistência para fluir criou pelas paredes de tubo (fricção-perda).
 
A cabeça de fricção-perda é o fator mais difícil para medir. O entrada " Determinando
Bombeie Capacidade e Exigências " de Cavalo-vapor descrevem como selecionar o
size(s de tubo econômico) para o fluxo desejado. Com o pipe(s) selecionou a pessoa deve
então calcule a cabeça de fricção-perda. A entrada " que Calcula Resistência de Fluxo de
Tubo que Fittings " torna isto possível calcular fricção extra causado por constrições
de fittings de tubo. Com esta informação e o comprimento de tubo, é possível para
calcule a exigência de poder de bomba que usa a entrada, enquanto " Determinando Capacidade de Bomba
e Exigências " de Cavalo-vapor.
 
Estas entradas têm outro uso muito importante. Você já pode ter uma bomba e
maravilha " Will faz este trabalho "? ou " Que motor de tamanho deveria comprar eu para fazer este trabalho
com a bomba tenho " eu? As Especificações de Bomba de entrada ": Escolhendo ou Avaliando um
Bomba " pode ser usada para colecionar toda a informação sobre a bomba e no trabalho você
queira para fazer. Com esta informação, você pode perguntar para consultor ou para VITA se o
bomba pode ser usada ou não.
 
Há muitas variedades de bombas por erguer água donde é onde isto
será entregada. Mas para qualquer trabalho particular, há um ou dois tipos provavelmente
de bombas que servirão melhor que outros. Nós discutiremos aqui só dois largo
classes de bombas: bombas de elevador e bombas de força.
 
Um elevador ou bomba de sucção fica situada ao topo de um bem e água de aumentos por
sucção. Até mesmo a bomba de sucção mais eficiente pode criar uma pressão negativa de
só 1 atmosfera: teoricamente, poderia elevar uma coluna de água 10.3m (34 ') a
nível de mar. Mas por causa de perdas de fricção e os efeitos de temperatura, uma sucção
bombeie a nível de mar pode erguer de fato molhe só 6.7m a 7.6m (22 ' para 25 '). A entrada
" Determinando Capacidade " de Bomba de Elevador explica como descobrir a altura um elevador
bomba elevará água a altitudes diferentes com temperaturas de água diferentes.
 
Quando uma bomba de elevador não for adequada, uma bomba de força deve ser usada. Com uma bomba de força,
o mecanismo bombeando é colocado a ou se aproxima o nível de água e empurra a água
para cima. Porque não depende de pressão atmosférica, não é limitado um
7.6m (25 ') cabeça.
 
Detalhes de construção são determinados para duas bombas de irrigação às que podem ser feitas o
nível de aldeia. Um fácil-para-mantenha mecanismo de manivela de bomba é descrito. Uso do
carneiro hidráulico, uma bomba ego-dada poder a, é descrito.
 
Finalmente, há entradas em Reciprocar Transmissão de Poder de Arame para Água
Bombas, e em Energia de Vento por Água Bombear. Detalhes adicionais em bombas podem ser
ache nas publicações listadas abaixo e na seção de Referência à parte de trás de
o livro.
 
Margaret Crouch, ed. Seis Bombas Simples. Arlington, Virgínia,: Voluntários em
Ajuda técnica, 1982.
 
Molenaar, Aldert. Dispositivos de Levantamento de água para Irrigação. Roma: Comida e Agricultura
Organização, 1956.
 
Materiais de Água pequenos. Londres: O Ross Institute, A Escola de Londres de Higiene,
e Medicina Tropical, 1967.
 
TRANSPORTE DE ÁGUA
 
Fluxo de Água de Fluxo Pequeno calculando
 
Um método áspero mas muito rápido de calcular fluxo de água em fluxos pequenos é determinado
aqui. Procurando fontes de água por beber, irrigação, ou geração de poder,
a pessoa deveria inspecionar todos os fluxos disponível. Se são precisadas de fontes para uso em cima de um
período longo, é necessário colecionar informação ao longo do ano determinar
flua fluxos mudança-especialmente altos e baixos. O número de fluxos que
deve ser usada e as variações de fluxo são fatores importantes determinando o
instalações necessárias por utilizar a água.
 
Ferramentas de                           e Materiais
 
Dispositivo cronometrando, preferivelmente assista com usado
Fita medindo
Flutue (veja abaixo) <veja figura 1>

fig1x69.gif (393x393)


Adira por medir profundidade
 
A equação seguinte o ajudará a medir flua depressa:
 
                              Q = KXAXV,
 
onde:
 
Q   (Quantidade) = fluxo em litros por minuto
 
A   (Área) = corte transversal de fluxo, perpendicular fluir, em metros quadrados
 
V   (Velocidade) = velocidade de fluxo, metros por minuto,
 
K   (Constante) = um fator de conversão corrigido. Isto é usado porque fluxo de superfície
    normalmente é mais rápido que fluxo comum. Para fases normais usam K = 850; para
    inundam estados usam ]K = 900 a 950.
 
Achar Área de um Corte transversal
 
O fluxo terá profundidades diferentes provavelmente ao longo de seu comprimento tão seleto um lugar
onde a profundidade do fluxo é comum.
 
o   Levam uma vara medindo e colocam isto vertical na água sobre um-meia
Metro de     (1 1/2 ') do banco.
 
o   Notam a profundidade de água.
 
o   Movem a vara 1 metro (3 ') do banco em uma linha diretamente pelo
    fluem. Note a profundidade.
 
o   Movem a vara 1.5 metros (4 1/2 ') do banco, note a profundidade, e
    continuam mudança isto a meio-metro (1 1/2 ') intervalos até que você cruza o
    fluem.
 
Note a profundidade cada tempo você coloca a vara vertical no fluxo. Puxe uma grade,
como o um em Figura 2, e marca as profundidades variadas nisto de forma que um corte transversal

fig2x70.gif (437x437)


do fluxo é mostrada. Um
balança de 1cm a 10cm é freqüentemente usada
para tais grades. Contando o
grade quadra e frações de
quadrados, a área da água pode
seja calculada. Por exemplo, a grade
mostrada aqui tem um pouco menos que 4
metros quadrados de água.
 
Achar Velocidade
 
Ponha uma flutuação no fluxo e meça a distância de viagem em um minuto (ou
fração de um minuto, se necessário.) A largura do fluxo onde a velocidade é
estando medido deveriam ser tão constantes quanto possível e livre de correntezas.
 
Uma flutuação de superfície clara, como uma fatia, mudará freqüentemente curso por causa de vento ou
correntes de superfície. Uma flutuação de weighted que senta vertical na água não vai
mude curso tão facilmente. Um tubo de peso leve ou lata de lata, em parte enchida com água ou
cubra com pedregulho de forma que isto flutua vertical com só uma exibição de parte pequena sobre água,
faz um bom flutue por medir.
 
Fluxos Largos medindo
 
Para um fluxo largo, irregular, é melhor para dividir o fluxo em 2 - ou 3-metro
seções e mede a área e velocidade de cada. Q é calculado então para cada
seção e o Qs somaram para dar um fluxo total.
 
Exemplo (veja Figura 2):
 
    Cross seção é 4 metros quadrados
 
Velocidade de     de flutuação = 6 metros viajaram em 1/2 minuto
 
    Stream fluxo é normal
 
    Q = 850 x 4 x 6 metros
                 --------                
                   .5 minuto
 
    Q = 40,800 litros por minuto ou 680 litros por segundo
 
                          Using Unidades inglesas
 
Se unidades inglesas de medida são usadas, a equação por medir fluxo de fluxo,
é: Q = K x UM x V onde:
 
Q     = fluxo em galões norte-americanos por minuto
 
A     = corte transversal de fluxo, perpendicular fluir, em pés quadrados
 
V     = velocidade de fluxo em pés por minuto
 
K     = um fator de conversão corrigido: 6.4 para fases normais; 6.7 a 7.1 para inundação
        organiza
 
A grade usada estaria como o um em Figura 3; uma balança comum é 1 " a 12 ".

fig3x72.gif (393x393)


 
Exemplo:
 
Corte transversal é 15 pés quadrados
 
Flutue velocidade = 20 ' em 1/2 minuto
 
Fluxo de fluxo é normal
 
Q    = 6.4 x 15 x 20 pés
                 -------
                      .5 minuto
 
Q    = 3,800 galões por minuto
 
Fonte:
 
Barro, C.H. Desígnio de Fishways e Outras Instalações de Peixe. Ottawa: P.E. Departamento
de Pescas de Canadá, 1961.
 
 
Fluxo de Água medindo em Tubos Parcialmente-cheios
 
O fluxo de água em tubos horizontais parcialmente-cheios (Figura 1) ou circular

fig1x72.gif (317x393)


canais podem ser determinado-se você souber o diâmetro interior do tubo e o
profundidade da água usando o quadro de alinhamento (nomograph) em Figura 2.

fig2x73.gif (540x540)


 
Este método pode ser conferido
para baixas taxas de fluxo e pequeno
tubos medindo o tempo
exigida encher um balde ou
toque tambor com uma quantidade pesada
de água. Um litro de água
pesa 1kg (1 galão norte-americano de
água pesa 8.33 libras).
 
Ferramentas de                           e Materiais
 
Regra para medir profundidade de água (se unidades de regra forem polegadas, multiplique antes das 2.54 para
converta a centímetros)
Diretamente afie, usar com quadro de alinhamento
 
O quadro de alinhamento aplica a tubos com 2.5cm a 15cm dentro de diâmetros, 20 para
60% cheio de água, e tendo uma superfície razoavelmente lisa (ferro, acere, ou
tubo de esgoto concreto). O tubo ou canal devem estar razoavelmente horizontais se o
resultado é ser preciso. O olho, ajudou por uma linha absoluta para dar um vertical
referência, é um juiz suficientemente bom. Se o tubo não está horizontal outro
método terá que ser usado. Usar o quadro de alinhamento, simplesmente conecte o
próprio ponto na " balança de K " com o próprio ponto na " balança de d " com o
extremidade direta. A taxa de fluxo pode ser lida então da " balança de q ".
 
q     =     taxam de fluxo de água, litros por minuto 8.33 libras = 1 galão.
 
d     =     diâmetro interno de tubo em centímetros.
 
K     =     fração decimal de diâmetro vertical debaixo de água. Calcule K por
medindo a profundidade de água (h) no tubo e dividindo isto pelo
transporte diâmetro (d), ou K = h (veja Figura 1).

fig1x75.gif (600x600)


                          -
                          D
  
Exemplo:
 
O que é a taxa de fluxo de água em um tubo com um diâmetro interno de 5cm,
correndo 0.3 cheio? Uma linha direta que conecta 5 na d-balança com 0.3 na K-balança
cruza a q-balança a fluxo de 18 litros por minuto.
 
Fonte:
 
Greve Boletim 32, Volume 12, Não. 5, Universidade de Purdue, 1928.
 
Fluxo de Água Provável determinando com Conhecido
Altura de reservatório e Tamanho e Comprimento de Tubo
 
O quadro de alinhamento em Figura 1 dá uma determinação razoavelmente precisa de
fluxo de água quando transporta tamanho, comprimento de tubo, e altura do reservatório de provisão são
conhecida. O exemplo dado aqui é para a análise de um sistema existente. Para
projete um sistema novo, assuma um diâmetro de tubo e resolve para taxa de fluxo, enquanto repetindo
o procedimento com diâmetros assumidos novos até um deles provê um satisfatório
taxa de fluxo.
 
Ferramentas de                           e Materiais
 
Straightedge, para uso com quadro de alinhamento,
Instrumentos inspecionando, se disponível
 
O quadro de alinhamento estava preparado para tubo de aço limpo, novo. Tubos com mais áspero
superfícies ou aço ou elenco que tubo férreo que esteve por muito tempo em serviço pode
dê fluxos tão baixo quanto 50 por cento desses preditas por este quadro.
 
A cabeça disponível (h) está em metros e é levada como a diferença em elevação
entre o reservatório de provisão e o ponto de demanda. Estes pode ser crudely
calculada por olho, mas para resultados precisos é algum tipo de inspecionar instrumentos
necessário.
 
Para melhores resultados, o comprimento de tubo (L) usado deveria incluir os comprimentos equivalentes
de fittings como descrita na seção, enquanto " Calculando Resistência de Fluxo de Tubo
Fittings, " pág. 76. Este comprimento (L) dividiu pelo tubo diâmetro interno (D) dá
a relação de L/D " necessária ". Calculando L/D, nota que as unidades de medir
L " e D " devem ser o mesmo, por exemplo, pés divididos por pés; metros divididos por
metros; centímetros através de centímetros.
 
Exemplo:
 
Cabeça disponível dada (h) de 10 metros, tubo diâmetro interno (D) de 3cm, e
comprimento de tubo equivalente (L) de 30 metros (3,000cm).
 
Calcule L/D = 3,000cm = 1,000
                -------
                  3CM
 
A solução de quadro de alinhamento está em dois passos:
 
1.  Conectam diâmetro 3cm interno a cabeça disponível (10 metros), e faz um
    marcam na Balança de Índice. (Neste passo, desconsidere " Q " escalam)
 
2.  Conectam marca em Balança de Índice com L/D (1,000), e leu taxa de fluxo (Q) de
    aproximadamente 140 litros por minuto.
 
 Estimating Water Fluxo de Tubos Horizontais
 
Se um tubo horizontal estiver descarregando um fluxo cheio de água, você pode calcular o
taxa de fluxo do quadro de alinhamento em Figura 2. Esta é uma engenharia standard

fig2x77.gif (600x600)


técnica por calcular fluxos; seus resultados são normalmente precisos para dentro de 10
por cento da taxa de fluxo atual.
 
Ferramentas de                           e Materiais
 
Straightedge e lápis, usar quadro de alinhamento,
Medida de fita
Nível
Trenó absoluto
 
A água que flui do tubo tem que encher a abertura de tubo completamente (veja Figura 1).

fig1x76.gif (393x393)


Os resultados do quadro serão muito precisos quando não houver nenhum constringindo
ou aumentando ajustando ao término do tubo.
 
Exemplo:
 
Água de     está fluindo fora de um tubo com um diâmetro interior (d) de 3cm (veja Figura 1).
    O fluxo derruba 30cm a um ponto 60cm do fim do
    transportam.
 
    Connect os 3cm dentro de ponto de diâmetro na " balança de d " em Figura 2
    com o 60cm ponto na " balança de D ". Esta linha cruza a " balança de q "
    a aproximadamente 100 litros por minuto, a taxa à qual água está fluindo fora
    do tubo.
 
Fonte:
 
DUCKWORTH, CLIFFORD C. " Fluxo de Água de Tubos " de Aberto-fim Horizontais. Substância química
Processando, 1959 de junho, pág. 73.
 
 Determining Pipe Tamanho ou Velocidade de Água em Tubos
 
A escolha de tamanho de tubo é um dos primeiros passos projetando uma água simples
sistema.
 
O quadro de alinhamento em Figura 1 pode ser usado para computar o tamanho de tubo precisado para

fig1x79.gif (600x600)


um sistema de água quando a velocidade de água é conhecida. O quadro também pode ser usado para
descubra que velocidade de água é precisada com um determinado tamanho de tubo para render o
taxa requerida de fluxo.
 
Ferramentas de                              e Materiais
 
Straightedge
Lápis
 
Sistemas de água práticos usam velocidades de água de 1.2 a 1.8 metros (3.9 a 5.9
pés) por segundo. Velocidade muito rápida requer bombas de pressão altas que em troca
requeira motores grandes e use poder excessivo. Velocidades que são muito baixas são
caro porque devem ser usados diâmetros de tubo maiores.
 
Pode ser aconselhável para calcular o custo de dois ou mais sistemas baseado em
tamanhos de tubo diferentes. Se lembre, é normalmente sábio para escolher tubo um pequeno maior se
são esperados fluxos mais altos nos próximos 5 a 10 anos. Além disso, tubos de água
freqüentemente construa ferrugem e escale, enquanto reduzindo o diâmetro e aumentando assim o
velocidade e pressão de bomba exigiram manter fluxo à taxa original. Se extraordinariamente
é projetada capacidade no sistema sereno, mais água pode ser entregada por
acrescentando à capacidade de bomba sem mudar todos o sereno.
 
Usar o quadro, localize o fluxo (litros por minuto) você precisa na Q-balança.
Tire uma linha daquele ponto, por 1.8m/sec velocidade na V-balança, para a d-balança.
Escolha o mais próximo tubo de tamanho standard.
 
Por exemplo, suponha você precisa de um fluxo de 50 litros por minuto na hora de cume
demanda. Tire uma linha de 50 litros por minuto na Q-balança por 1.8m/sec
na V-balança. Note que isto cruza a d-balança às aproximadamente 2.25. O correto
tamanho de tubo para escolher seria o próximo tamanho de tubo de padrão maior, por exemplo, 1 " nominal
diâmetro, Horário 40 norte-americano. Se bombeando custos (eletricidade ou combustível) é alto, isto,
seja bem limitar velocidade a 1.2m/sec e instalar um tamanho de tubo ligeiramente maior.
 
Fonte:
 
Ice Companhia Papel #409 Técnico, páginas 46-47.
 
 Estimating Flow Resistência de Tubo Fittings
 
Um das forças uma bomba tem que superar para entregar água é o friction/resistance
de fittings de tubo e válvulas para o fluxo de água. Qualquer dobra, válvulas,
constrições, ou amplificações (como atravessar um tanque) acrescente a fricção.
 
O quadro de alinhamento em Figura 1 dá um modo simples mas seguro para calcular isto
resistência: dá o comprimento equivalente de tubo direto que teria o
mesma resistência. A soma destes comprimentos equivalentes é somada então para o atual
comprimento de tubo. Isto dá o comprimento de tubo equivalente total no qual é usado o
entrada, " Determinando Capacidade de Bomba e Exigências de Cavalo-vapor, determinar,
perda de fricção total.
 
Em lugar de calcular a gota de pressão para cada válvula ou ajustando separadamente,
Figure 1 dá o comprimento equivalente de tubo direto.
 
Válvulas
 
Note a diferença em comprimento equivalente que depende em como distante a válvula está aberta.
 
1.  Válvula de Portão: válvula de abertura cheia; pode ver por isto quando aberto; usado para
    completam fechada fora de fluxo.
 
2.  Válvula de Globo: não possa ver por isto quando aberto; usado por regular fluxo.
 
3.  Válvula de Ângulo: como o globo, usado por regular fluxo.
 
4.  Válvula de Cheque de Balanço: um flapper abre para permitir fluxo em uma direção mas
    fecha quando água tentar fluir na direção oposta.
 
Exemplo 1:
 
Pie com 5cm dentro de diâmetro
 
                                        Comprimento Equivalente em Metros
 
um. Válvula de portão (completamente aberto)                                .4
b. Flua em linha - entrada ordinária                    1.0
c. Amplificação súbita em 10cm tubo                     1.0
     (D/D = 1/2)
d. Transporte comprimento                                      10.0
 
Comprimento de Tubo Equivalente total                            12.4
 
 Example 2:
 
 Pipe com 10cm dentro de diâmetro
 
                                   Comprimento Equivalente em Metros
 
um. Cotovelo (padrão)                                   4.0
b. Transporte comprimento                                   10.0
 
Comprimento de Tubo Equivalente total                         14.0
 
Fittings
 
Estude a variedade de balizas e cotovelos: note a direção de fluxo cuidadosamente por
a baliza. Determinar o comprimento equivalente de um ajustar, (um) atormente próprio ponto
" própria " linha, (b) conecta com diâmetro interior de tubo, enquanto usando uma extremidade direta então
leia comprimento equivalente de tubo direto em metros, e (c) some o ajustando
comprimento equivalente para o comprimento atual de tubo que é usado.
 
Fonte:
 
Ice Companhia Papel #409 Técnico, páginas 20-21.
 
Bambu Transportando
 
Onde bambu está prontamente disponível, parece ser um substituto bom para metal
tubo. Tubo de bambu é fácil de fazer com trabalho inexperto e materiais locais. O
características importantes do desígnio e construção de um bambu sistema sereno é
dada aqui.
 
Tubo de bambu é extensivamente usado na Indonésia transportar água para aldeias. Em
muitas áreas rurais de Taiwan, bambu é geralmente usado em lugar de ferro galvanizado
para poços fundos até uma profundidade de máximo de 150 metros (492 '). Bambus de 50mm (2 ")
diâmetro é endireitado por meio de calor, e os nodos interiores bateram fora.
A tela é feita esmurrando buracos no bambu e embrulhando aquela seção
com um tapete-igual material fibroso de uma árvore de palma, humilis de Chamaerops. Na realidade,
tais telas fibrosas também são usadas em muitos galvanizou poços de tubo férreos.
 
Bambu transportando podem segurar pressão até duas atmosferas (aproximadamente 2.1kg por honestamente
centímetro ou 30 libras por polegada quadrada). Então, não pode ser usado como
pressão transportando. É muito satisfatório em áreas onde a fonte de provisão é mais alta
que a área a ser servida e o fluxo está debaixo de gravidade.
 
Figure 1 é um esboço de um bambu tubo água provisão sistema para vários

fig1x83.gif (540x540)


aldeias. Figure 2 espetáculos uma fonte de água pública.

fig2x83.gif (540x540)


 
Aspectos de saúde
 
Se bambu transportar é levar água por beber propósitos, o único preservativo,
tratamento recomendado é ácido bórico: bórax em uma 1:1 relação através de peso. O indicado
tratamento é imergir bambu verde completamente em uma solução de 95
água de por cento e 5 por cento ácido bórico.
 
Depois que um tubo de bambu seja posto em operação que dá um odor indesejável para o
água. Porém, isto desaparece depois de aproximadamente três semanas. Se cloração é terminada
antes de descarga para o tubo, um reservatório que dá tempo de contato suficiente para
desinfecção efetiva é requerida desde que tubo de bambu remove combinações de cloro
e nenhum cloro residual será mantido no tubo. Evitar possível contaminação
por terra molhe, um já perigo presente, é desejável manter
a pressão dentro do tubo a um nível mais alto que qualquer pressão de água fora do
tubo. Qualquer vazamento será então do tubo, e contaminou água não vai
entre no tubo.
 
Desígnio e Construção
 
Ferramentas de                              e Materiais
 
Cinzéis (veja texto e Figure 3)

fig3x84.gif (270x540)


Pregue, alfinete de chaveta, ou linchpin
Materiais calafetando
Piche
Corda
 
Tubo de bambu é feito de comprimentos de bambu do diâmetro desejado enfadando fora
a membrana dividindo nas juntas. Um cinzel circular para este propósito é mostrado
em Figura 3. Um fim de um comprimento curto de tubo de aço está fora belled para aumentar o
diâmetro e a extremidade afiaram. Um comprimento de tubo de bambu de suficientemente pequeno
diâmetro para deslizar no tubo é usado como uma barra enfadonha e afiançou ao tubo por
perfurando um buraco pequeno pela assembléia e dirigindo uma unha pelo buraco. (Um
poderiam ser usados alfinete de chaveta ou linchpin em vez da unha.) Três ou mais cinzéis
percorrendo de menor para o máximo desejaram diâmetro é requerida. A cada
junta a membrana é afastada enfadando um buraco primeiro com o diâmetro menor
cinzele, enquanto aumentando progressivamente então o buraco com os cinzéis de diâmetro maiores.
 
São se juntados a comprimentos de tubo de bambu de vários modos, como mostrada em Figura 4. Juntas

fig4x85.gif (600x600)


é feita watertight calafetando com lã de algodão misturou com piche, então firmemente
ligando com corda saturaram em piche quente.
 
Tubo de bambu é preservado pondo o tubo debaixo de nível de chão e assegurando um
fluxo contínuo no tubo. Onde o tubo é posto sobre nível de chão, é
protegida embrulhando isto com camadas de fibra de palma com terra entre as camadas.
Este tratamento dará uma probabilidade de vida de cerca de 3 a 4 anos para o tubo; alguns
bambu durará até 5-6 anos. Deterioração e fracasso normalmente acontecem ao
juntas naturais que são as partes mais fracas.
 
Onde a profundidade do tubo debaixo da fonte de água é tal que o máximo
pressão será excedida, devem ser instaladas câmaras de alívio de pressão. Um típico
câmara é mostrada em Figura 5. Estas câmaras também são instaladas como reservatórios para

fig5x86.gif (600x600)


linhas de provisão de filial para rota de en de aldeias.
 
Classifique segundo o tamanho exigências para tubo de bambu pode ser determinada usando a capacidade de tubo
quadro de alinhamento em Figura 6.

fig6x87.gif (600x600)


 
Fonte:
 
Provisão de água que Usa Tubo de Bambu. AJUDAR-UNC/IPSED Artigo de Série Não. 3, internacional,
Programe em Desígnio de Engenharia Sanitário, Universidade de Carolina do Norte, 1966.
 
LEVANTAMENTO DE ÁGUA
 
Bombeie Especificações: Escolhendo ou Avaliando uma Bomba
 
A forma cedida Figura 1, a " Bomba Aplicação Fato Folha, " é uma lista de conferição

fig1x89.gif (600x600)


por colecionar a informação precisada adquirir ajuda escolhendo uma bomba para um
situação particular. Se você tiver uma bomba disponível, você também pode usar a forma para
calcule suas capacidades. A forma é uma adaptação de uma especificação de bomba standard
folha usada por engenheiros.
 
Preencha o formulário e envie para um fabricante ou uma ajuda técnica
organização como VITA para adquirir ajuda escolhendo uma bomba. Se você é duvidoso aproximadamente
quanta informação para dar, é melhor para dar muita informação que para
arrisque não dando bastante. Ao buscar conselho em como resolver um problema bombeando
ou ao pedir para os fabricantes de bomba que especificassem a melhor bomba para seu serviço,
dê informação completa sobre o que seu uso será e como será instalado. Se
os peritos não são determinados todos os detalhes, a bomba escolhida pode lhe dar dificuldade.
 
A " Bomba Aplicação Fato Folha " é mostrada cheio dentro para uma situação típica. Para
seu próprio uso, faça uma cópia da forma. Os comentários seguintes em cada numerada
artigo na folha de fato o ajudará a completar a forma adequadamente.
 
1.  Dão a composição exata do líquido ser bombeada: Água fresca ou salgada,
Óleo de    , gasolina, ácido, álcali, etc.
 
2.  por cento de Peso de sólidos podem ser achadas entrando uma amostra representativa
    um balde. Deixe os sólidos resolver ao fundo e decante o líquido (ou filtro
    o líquido por um pano de forma que o vir líquido por está claro). Pese
    os sólidos e o líquido, e dá o por cento de peso de sólidos.
 
    Se isto não for possível, meça o volume da amostra (em litros, EUA
Galões de    , etc.) e o volume de sólidos (em centímetros cúbicos, colheres de chá, etc.)
    e envia estas figuras. Descreva o material sólido completamente e envie um
    amostra pequena se possível. Isto é importante; se a bomba correta não é
    selecionou, os sólidos corroerão ou quebrarão partes comoventes.
 
    Peso por cento de sólidos =
 
             100 peso de x de sólidos em amostra líquida
            ---------------------------------------
Peso de                    de amostra líquida
 
3.  Se você não tiver um termômetro para medir temperatura, adivinhe isto,
    que têm certeza você adivinham no lado alto. São causadas freqüentemente dificuldades bombeando
    quando temperaturas líquidas à entrada são muito altas.
 
4.  Gás borbulha ou causa fervente problemas especiais, e sempre deve ser mencionada.
 
5.  Dão a capacidade (a taxa à qual você quer mover o líquido) em qualquer
    unidades convenientes (litros por minuto, galões norte-americanos por minuto) dando o
    somam da capacidade de máximo precisada para cada saída.
 
6.  Dão detalhes completos na fonte de poder.
 
    UM.   Se você está comprando um motor elétrico para a bomba, dê seu
Voltagem de        . Se o poder é A.C. (Corrente alternada) dê a freqüência
        (em ciclos por segundo) e o número de fases. Normalmente isto será
        única fase para a maioria dos motores pequenos. Você quer um interruptor de pressão ou
        outro especial pretende começar o motor automaticamente?
 
 
    B.   Se você quiser comprar uma máquina dirigida bomba, descreva o tipo e custo
        de combustível, a altitude, temperatura de ar de máximo, e diz se o ar
        está extraordinariamente molhado ou pardo.
 
    C.   Se você já tiver um motor elétrico ou máquina, dê como muita informação
        sobre isto pode. Dê a velocidade e esboce a máquina, enquanto sendo
        especialmente cuidadoso mostrar o diâmetro de cabo de poder e onde é
        com respeito à ascensão. Descreva o tamanho e tipo de talha se
        que você pretende usar um passeio de cinto. Finalmente, você tem que calcular o poder.
        A melhor coisa é copiar os dados de placa de nome completamente. Se possível
        dão o número de cilindros em sua máquina, o tamanho deles/delas, e o golpe.
 
7.  A " cabeça " ou pressiona para ser superada pela bomba e a capacidade (ou
    requereu fluxo de água) determine o tamanho de bomba e poder. A entrada
    " Determining Capacidade de Bomba e Exigências de Cavalo-vapor, " explica o
Cálculo de     de situações de cabeça simples. A melhor aproximação é explicar o
    encabeça puxando um esboço sereno preciso (veja Artigo 10 na " Bomba
    Aplicação Fato Folha "). Dê uma carona e transportando separadamente
    do elevador de descarga e transportando. Uma descrição precisa do
    transportar é essencial para calcular a cabeça de fricção. Veja Figura 2.

fig2x91.gif (600x600)


 
8.  O material sereno, dentro de diâmetro, e espessuras são necessárias para fazer
    os cálculos de cabeça e conferir se tubos são fortes bastante para
    resistem a pressão. Veja " Levantamento de Água e Transporte-avaliação " para
    faz um comentário sobre especificar diâmetro de tubo.
 
9.  Conexões para bombas comerciais normalmente são flanged ou enfiaram com
    linha de tubo standard.
 
10. No esboço mostre para o seguinte:
 
    (um) tamanhos de Tubo; espetáculo onde tamanhos são mudados reduzindo indicando
FITTINGS DE        .
 
    (b) Todos os fittings-cotovelos de tubo, balizas, válvulas (tipo de válvula de espetáculo), etc.
 
    (c) Comprimento de cada corrida de tubo em uma determinada direção. Comprimento de cada tubo de tamanho
        e elevador vertical são as dimensões mais importantes.
 
11. Dê informação em como o tubo será usado. Faça um comentário sobre tal aponta como:
 
    o   instalação Em recinto fechado ou ao ar livre?
    o   serviço Contínuo ou intermitente?
    o   Space ou limitações de peso?
 
Fonte:
 
Benjamim P. Coe, VITA Volunteer, Schenectady, Nova Iorque.
 
Capacidade de Bomba determinando e Exigências de Cavalo-vapor
 
Com o quadro de alinhamento em Figura 1, você pode determinar o tamanho de bomba necessário

fig1x93.gif (600x600)


(diâmetro ou saída de descarga) e a quantia de cavalo-vapor precisou dar poder a o
bomba. O poder pode ser provido por pessoas ou através de motores.
 
Uma pessoa saudável comum pode gerar aproximadamente 0.1 cavalo-vapor (o HP) para um razoavelmente
período longo e 0.4HP para estouros curtos. São projetados motores por ter variado
quantias de cavalo-vapor.
 
Adquirir o tamanho de bomba aproximado precisada por erguer líquido a uma altura conhecida
por transportar simples, siga estes passos:
 
1.  Determinam a quantidade de fluxo desejada em litros por minuto.
 
2.  Medida a altura do elevador requereu (do ponto onde a água
    entra na sucção de bomba que transporta onde descarrega).
 
3.  Usando a entrada " que Determina Tamanho de Tubo ou Velocidade de Água em Tubos, " página,
    74, escolha um tamanho de tubo que dará uma velocidade de água de cerca de 1.8 metros
    por segundo (6 ' por segundo). Esta velocidade é escolhida porque geralmente vai
    dão a combinação mais econômica de bomba e transportando; Passo 5 explica
    como converter para velocidades de água mais altas ou mais baixas.
 
4.  Estimativa a cabeça de fricção-perda de tubo (um 3-metro cabeça representa a pressão
    ao fundo de uma coluna 2-metro-alta de água) para o total equivalente
    transportam comprimento, inclusive sucção e descarga que transportam e tubo equivalente
Comprimentos de     para válvulas e fittings, usando a equação seguinte:
 
Fricção-perda de     =  de cabeça F x somam comprimento de tubo equivalente
                         --------------------------------
                                        100
 
    onde F iguala cabeça de fricção aproximada (em metros) por 100 metros de tubo.
    para adquirir o valor de F, veja a mesa abaixo. Para uma explicação de total
    comprimento de tubo equivalente, veja precedendo seções.
 
5.  achar F (cabeça de fricção aproximada em metros por 100m de tubo) quando
    molham velocidade é mais alta ou mais baixa que 1.8 metros por segundo, use o
    que segue equação:
 
       F                   [V.SUP.2]
         às 1.8/[sec.sup.x]
    F =----------------------------
            1.8/[SEC.SUP.2]
 
    onde V = velocidade mais alta ou mais baixa
 
Exemplo:
 
    Se a velocidade de água é 3.6m por segundo e F às 1.8m/sec é 16, então,:
 
   F = 16 X [3.6.SUP.2]    16 X 13
      ----------------  =------- = 64
         [1.8.SUP.2]         3.24
 
6.  Obtêm " Cabeça " Total como segue:
 
    Total Cabeça = Altura de Elevador + Cabeça de Fricção-perda
 
    Average perda de fricção em metros para água fresca que flui por tubo de aço
Velocidade de     é 1.8 metros (6 pés) por segundo
 
    Pipe dentro de diâmetro: CM   2.5    5.1   7.6   10.2    15.2   20.4   30.6    61.2
                    avança lentamente (* )   1 "     2"    3"     4 "      6 "      8"    12"    24 "
 
    F (friction     aproximado 16     7     5      3       2     1.5    1        0.5
Perda de     em metros por 100
Metros de     de tubo)
 
    (*) Para o grau de precisão deste método, qualquer atual dentro de diâmetro em
    avança lentamente, ou tamanho de tubo nominal, Horário 40 norte-americano, pode ser usado.
 
7.  que Usam um straightedge, conecte o próprio ponto na T-balança com o
    próprio ponto na Q-balança; prossiga lendo cavalo-vapor de motor e tamanho de bomba o
    outras duas balanças.
 
Exemplo:
 
    Desired fluxo: 400 litros por minuto
Altura de     de elevador: 16 metros, Nenhum fittings,
    Pipe tamanho: 5cm
    Fricção-perda cabeça: aproximadamente 1 metro
    Total cabeça: 17 metros
 
Solução de    :
 
        Pump tamanho: 5cm
        Motor cavalo-vapor: 3HP
 
Note que cavalo-vapor de água é menos que cavalo-vapor de motor (veja HP-balança, Figure 1).
Isto está por causa de perdas de fricção na bomba e motor. O quadro de alinhamento
só deveria ser usada para estimativa áspera. Para uma determinação exata, dê tudo
informação sobre fluxo e piando a um fabricante de bomba ou um perito independente.
Ele tem os dados exatos em bombas para aplicações várias. Bombeie especificações podem
especialmente seja enganador se sucção transportar é longo e o elevador de sucção é grande.
 
Para conversão para cavalo-vapor métrico dada os limites de precisão deste método,
cavalo-vapor métrico pode ser considerado aproximadamente igual ao cavalo-vapor indicado por
o quadro de alinhamento (Figura 1). Cavalo-vapor métrico atual pode ser obtido por
cavalo-vapor multiplicando antes das 1.014.
 
Fonte:
 
KULMAN, CA. Nomographic Charts. Nova Iorque: Cia. de Livro de McGraw-colina, 1951.
 
Capacidade de Bomba de Elevador determinando
 
A altura que uma bomba de elevador pode elevar água depende de altitude e, para um menos
extensão, em temperatura de água. O gráfico em Figura 1 o ajudará a descobrir

fig1x96.gif (600x600)


o que uma bomba de elevador pode fazer a altitudes várias e temperaturas de água. Usar isto,
você precisará de uma fita medindo e um termômetro.
 
Se você souber sua altitude e a temperatura de sua água, Figure 1 contará
você o máximo distância permissível entre o cilindro de bomba e o mais baixo
nível de água esperou. Se os espetáculos de gráfico que erguem bombas são marginais ou não vão
trabalhe, então uma bomba de força deveria ser usada. Isto envolve derrubando o cilindro
no bem, feche bastante ao mais baixo nível de água esperado ser certo de
próprio funcionando.
 
O gráfico mostra elevadores normais. Máximo possíveis elevadores debaixo de condições favoráveis
seja aproximadamente 1.2 metros mais alto, mas isto requeira bombeando mais lento e
dê muita dificuldade provavelmente " perdendo o início ".
 
Confira predições do gráfico medindo elevadores em poços pertos ou por
experimentação.
 
Exemplo:
 
    Suppose sua elevação é 2,000 metros e a temperatura de água é
    25[DEGREES]C. Os espetáculos de gráfico que o elevador normal seria quatro metros.
 
Fonte:
 
Baumeister, Theodore. O Manual de Engenheiro mecânico, 6ª edição. Nova Iorque:
Cia. de Livro de McGraw-colina, 1958.
 
BOMBAS SIMPLES
 
Bomba de cadeia para Irrigação
 
A bomba de cadeia que pode ser dada poder a à mão ou animal, é principalmente um raso-bem
bombeie para erguer água para irrigação (veja Figura 1). Trabalha melhor quando o elevador

fig1ax96.gif (486x486)


é menos de 6 metros (20 '). O
fonte de água tem que ter uma profundidade de
aproximadamente 5 cadeia une.
 
A capacidade de bomba e o
dê poder a exigência para qualquer elevador é
proporcional ao quadrado do
diâmetro do tubo. Figure 2

fig2x97.gif (437x437)


espetáculos o do qual pode ser esperada um
10cm (4 ") tubo de diâmetro operou
por quatro pessoas que trabalham em dois
trocas.
 
A bomba é planejada para uso como um
bomba de irrigação porque é
difícil marcar para uso como um
bomba sanitária.
 
                             Tools e Materiais
 
Soldando ou soldando equipamento
Equipamento metal-cortante
Ferramentas de Woodworking
Pipe:    10cm (4 ") fora de diâmetro, comprimento como precisada
         5cm (2 ") fora de diâmetro, comprimento como precisada
Encadeie com ligações aproximadamente 8mm (5/16 ") em diâmetro, comprimento como precisada
Aço de folha, 3mm (1/8 ") grosso
Aço de folha, 6mm (1/4 ") grosso
Acere vara, 8mm (5/16 ") em diâmetro
Acere vara, 12.7mm (1/2 ") em diâmetro
Couro ou borracha para lavadoras
 
A bomba de cadeia inteira é mostrada em Figura 3. Podem ser mudados detalhes desta bomba

fig3x98.gif (600x600)


ajustar materiais disponível e estrutura do bem.
 
O pistão une (veja Figura 4, 5, 6 e 7) é feita de três partes:

fig4x990.gif (393x393)


 
1.  um couro ou lavadora de borracha (veja Figura 4) com um diâmetro externo sobre

fig4x99.gif (317x317)


    dois thicknesses de uma lavadora maior que o diâmetro interior do tubo.
 
2.  um disco de pistão (veja Figura 5).

fig5x99.gif (437x437)


 
3.  um prato retendo (veja Figura 6).

fig6x100.gif (317x317)


 
A ligação de pistão é feita como mostrada em Figura 7. Centre todas as três partes e braçadeira

fig7x100.gif (317x317)


eles junto temporariamente. Perfure um buraco aproximadamente 6mm (1/4 ") em diâmetro por tudo
três partes e os firma junto com um parafuso ou rebite.
 
A manivela é construída como mostrada em Figura 3. Dois aço discos 6mm (1/4 ") grosso é

fig3x98.gif (600x600)


soldada ao cabo de tubo.
 
Doze varas de aço, 12.7mm (1/2 ") grosso, é espaçada a distâncias iguais, a ou próximo
o diâmetro externo, e é soldada em lugar. As varas podem ser postas no
fora dos discos, se desejou.
 
São soldadas uma manivela e manivela de madeira ou metal então ou fugiram à manivela
cabo.
 
Os apoios para o cabo de manivela (veja Figura 3) pode Ser V-entalhada para segurar o
cabo que usará seu próprio encaixe gradualmente. Uma correia ou bloco podem ser somados
pelo topo, se necessário, segurar o cabo em lugar.
 
O tubo pode ser apoiado enfiando ou soldando uma orla a seu fim superior (veja Figura 8).

fig8x100.gif (540x540)


A orla deveria ser 8mm a 10mm (5/16 " a 3/8 ") grosso. O tubo
passagens por um buraco no fundo do cocho e declives do cocho
no bem.
 
Fontes:
 
Robert G. Jovem, VITA Holanda Voluntária, Nova, Pennsylvania,
 
Molenaar, Aldert. Dispositivos de Levantamento de água para Irrigação. Roma: Comida e Agricultura
Organização, 1956.
 
Bomba de Mão de inércia
 
A bomba de mão de inércia descreveu
aqui (Figura 1) é um

fig1x101.gif (600x600)


bomba muito eficiente por erguer
água distâncias curtas. Ergue
molhe 4 metros (13 ') ao
taxa de 75 a 114 litros (20 para
30 galões norte-americanos) por minuto. Isto
elevadores molham 1 metro (3.3 ') a
a taxa de 227 a 284 litros
(60 a 75 galões) por minuto.
Entrega depende do número
de pessoas que bombeiam e
a força deles/delas.
 
A bomba é construída facilmente por um
tinsmith. Sua três mudança
partes não requerem quase nenhuma manutenção.
A bomba foi
embutida três tamanhos diferentes
para níveis de água diferentes.
 
A bomba é feita de galvanizada
metal de folha do
peso mais pesado alcançável
isso pode ser trabalhada facilmente por
um tinsmith (24 - 28-medir
folhas foram prosperamente usadas).
O tubo é formado
e fez ar apertado soldando
todas as juntas e costuras.
A válvula é feita do
metal de barris descartados e
um pedaço de caminhão tubo interno
borracha. O parêntese para
prendendo a manivela também é
feita de metal de barril.
 
Figure 1 espetáculos a bomba dentro
operação. Figure 2 dá o

fig2x103.gif (600x600)


dimensões de partes para bombas
em três tamanhos e Figura 3

fig3x103.gif (393x393)


espetáculos a capacidade de cada
tamanho. Figuras 4, 5, e 6 são

fig41030.gif (600x600)


 
                             Tools e Materiais
                          (para 1-metro (3.3 ') bomba)
 
Equipamento soldando
Broca e pedaços ou ponche
Martele, serras, tinsnips,
Bigorna (grade de via férrea ou tubo férreo)
Ferro galvanizado (24 a 28 medida):
Proteção: 61cm x 32cm, 1 pedaço (24 " x 12 5/8 ")
Cobertura de proteção: 21cm x 22cm, 1 pedaço (8 1/4 " x 8 5/8 ")
Tubo: 140cm x 49cm, 1 pedaço (55 1/8 " x 19 1/4 ")
Topo de tubo: 15cm x 15cm, 1 pedaço (6 " x 6 ")
Y " transportam: 49cm x 30cm, 1 pedaço (19 1/4 " x 12 ")
Embarrile metal:
  Bracket: 15cm x 45cm, 1 pedaço (6 " x 21 1/4 ")
Válvula-fundo de  : 12cm (4 3/4 ") em diâmetro, 1 pedaço
Válvula-topo de  : 18cm (7 1/8 ") em diâmetro, 1 pedaço
Arame:
  Hinge: 4mm (5/32 ") em diâmetro, 32cm (12 5/8 ") muito tempo
 
Esta bomba também pode ser feita de tubo de plástico ou bambu.
 
Há dois pontos para se lembrar relativo a esta bomba. A pessoa é que o
distancie do topo do tubo ao topo do buraco onde a seção curta
de tubo está conectado deve ser 20cm (8 "). Veja Figura 4. O ar no que fica o

fig4x103.gif (600x600)


pie sobre esta junção serve como uma almofada (prevenir " martelando ") e
regula o número de golpes bombeado por minuto. O segundo ponto é
se lembre de operar a bomba com golpes curtos, 15 a 20cm (6 " a 8 "), e a um
taxe de cerca de 80 golpes por minuto. Há uma velocidade definida a qual a bomba
trabalhos melhor e os operadores adquirirão o " tato " das próprias bombas deles/delas logo.
 
 
Construindo isto para as duas bombas de tamanho maiores às vezes é necessário fortalecer o
pie para impedir isto se desmoronar se bater o lado do bem. Pode ser fortalecido
formando " costelas " sobre todo 30cm (12 ") debaixo da válvula ou atando com
faixas fizeram de metal de barril e fixo com 6mm (1/4 ") parafusos.
 
A manivela é prendida à bomba e posta com um parafuso 10mm (3/8 ") em diâmetro,
ou uma unha grande ou vara de tamanho semelhante.
 
Fonte:
Vale Fritz, VITA Volunteer, Schenectady, Nova Iorque.
 
Controle Mecanismo para Bombas de Mão
 
As partes cansativas deste handpump durável controlam mecanismo é de madeira (veja Figura 1).

fig1x105.gif (600x600)


Eles podem ser substituídos facilmente por um carpinteiro de aldeia. Esta manivela tem
projetada para substituir mecanismos de manivela de bomba que são difíceis manter.
Alguns foram em uso só durante vários anos na Índia com simples, infreqüente
consertos.
 
O mecanismo mostrado em Figura 1 é trancado à orla de topo de sua bomba. O
buracos montando UM e C no bloco deveria ser espaçado para ajustar sua bomba (veja Figura 6).

fig6x107.gif (600x600)


Figure 2 espetáculos uma bomba com este mecanismo de manivela que é fabricado

fig2x106.gif (486x486)


por F. Humanitário e Bros., 28 Estrada de Praia, Calcuta, Índia.
 
Ferramentas de                              e Materiais
 
Vista
Broca
Pedaços
Torneira: 12.5mm (1/2 ")
Torneira: 10mm (3/8 ")
Cinzel
Drawknife, spokeshave ou torno mecânico
Tacos 86.4cm x 6.4cm x 6.4cm
          (34 " X 2 1/2 " X 2 1/2 ")
Vara de aço moderada: 10mm (3/4 ") em diâmetro
                  e 46.5cm (16 ") muito tempo
Ferro de correia, 2 pedaços,: 26.7cm x 38mm x 6mm
                          (10 1/2 " X 1 1/2 " X 1/4 ")
 
                                 BOLT HARDWARE
 
Number                     Number    Número Número de     
de bolts   Dia.    Length   de nuts   de fechadura -    de      Purpose claro -
needed   do que mm     de   mm       precisaram que     washers    washers      firma:
 
   1        10        38        0         0 0       de            76mm parafuso para vara
   1        10        76        0         0            2       Vara para controlar
   2        12.5      89        2         4           4        Link para controlar
                                                           Link para bloquear
   2        12.5       ?        2         2            2       Bloco para bombear
   1        12.5       ?        1         1            0       Vara para pistão
 
Manivela
 
Faça a manivela de taco duro,
amoldada em um torno mecânico ou à mão
raspando. A abertura deveria ser cortada
largo bastante para acomodar o
vara com duas lavadoras claras em
qualquer lado. Veja Figura 3.

fig3x106.gif (486x486)


 
Vara
 
A vara é feita de aço moderado como
mostrada em Figura 4. Uns 10mm (3/8 ")

fig4x107.gif (486x486)


máquina de diâmetro parafuso 38mm (1
1/2 ") parafusos longos no fim de
a vara para fechar o alfinete de dobradiça de vara
em lugar. O alfinete de dobradiça de vara é um
10mm (3/8 ") parafuso de máquina de diâmetro
isso conecta a vara à manivela
(veja Figura 1). O fim da vara

fig1x105.gif (486x486)


pode ser trancada diretamente à bomba
pistão com um 12.5mm parafuso. Se o
cilindro de bomba é muito distante abaixo para
isto, um enfiou 12.5mm (1/2 ") vara
deveria ser usada ao invés.
 
Ligações
 
As ligações são dois pedaços de ferro de correia de aço plano. Os segure junto por perfurar
fazer o buraco que espaça igual. Veja Figura 5.

fig5x107.gif (486x486)


 
Bloco
 
O bloco forma a base do mecanismo de alavanca, serve como um guia lubrificado
fure para a vara, e provê uns meios para firmar o mecanismo à bomba
barril. Se o bloco é feito com precisão de taco duro temperado sem nós,
o mecanismo funcionará bem por muitos anos. Cuidadosamente quadrado o bloco para
22.9cm x 6.4cm x 6.4cm (9 " x 1 1/2 " x 1 1/2 "). Próximos buracos, UM, B, C, e D são
perfurada perpendicular ao bloco como mostrada em Figura 6. O espaçamento do

fig6x107.gif (540x540)


buracos montando UM e C de buraco B é determinado pelo espaçamento do parafuso
buracos na orla de barril de sua bomba. Logo vista o bloco pela metade em um avião
3.5cm (13/8 ") abaixo do lado de topo. Aumente buraco B ao topo do mais baixo
seção com um cinzel para formar um poço de petróleo ao redor da vara. Isto está bem cheio com
algodão. Uns 6mm (1/4 ") buraco, F, é perfurado a um ângulo do poço de petróleo para o
superfície do bloco. Um segundo buraco de tubo de óleo do que E é perfurado na seção superior
o bloco para conhecer buraco D. Use lockwashers debaixo da cabeça e noz da ligação
parafusos para fechar os parafusos e une junto. Use lavadoras claras entre as ligações
e as partes de madeira.
 
Fonte:
 
Abbott, Dr. Edwin. Uma Bomba Projetou para Uso de Aldeia. Filadélfia: Americano
Amigos Consertam Comitê, 1955.
 
Carneiro hidráulico
 
Um carneiro hidráulico é uma bomba ego-dada poder a para a que usa a energia de água caindo
erga alguma da água a um nível sobre a fonte original. Esta entrada explica
o uso de carneiros hidráulicos comerciais que estão disponível em alguns países. Planos
por construir seu próprio carneiro hidráulico também está disponível de VITA e em outro lugar.
 
Uso do Carneiro Hidráulico
 
Um carneiro hidráulico pode ser usado onde quer que uma fonte ou fluxo de fluxos de água com a
menos uns 91.5cm (3 ') desabe altitude. A fonte deve ser um fluxo de pelo menos 11.4
litros (3 galões) um minuto. Pode ser erguida água aproximadamente 7.6 metros (25 ') para cada
30.5cm (12 ") de queda em altitude. Pode ser erguido tão alto quanto 152 metros (500 '), mas
um elevador mais comum é 45 metros (150 ').
 
O ciclo bombeando (veja Figura 1) é:

fig1x108.gif (600x600)


 
o   Molham fluxos pelo tubo de passeio (D) e fora a válvula externa (F).
 
o   O arraste dos fins de água comoventes a válvula (F).
 
o   O impulso de água no tubo de passeio (D) dirige um pouco de água no ar
Câmara de     (UM) e fora o tubo de entrega (eu).
 
o   As paradas de fluxo.
 
o   A válvula de cheque (B) fins
 
o   A válvula externa (F) abre para começar o próximo ciclo.
 
Este ciclo é 25 a 100 vezes repetidas por minuto; a freqüência é regulada por
movendo o peso de ajuste (C).
 
O comprimento do tubo de passeio deve estar entre cinco e dez vezes o comprimento de
o outono (veja Figura 2). Se a distância da fonte para o carneiro é maior que

fig2x109.gif (600x600)


dez vezes o comprimento do outono, o comprimento do tubo de passeio pode ser ajustado por
instalando um tubo de posto entre a fonte e o carneiro (veja B em Figura 2).
 
Uma vez o carneiro é instalado há pouca necessidade por manutenção e nenhuma necessidade para
trabalho qualificado. O custo de um sistema de carneiro hidráulico tem que incluir o custo do
tubo e instalação como também o carneiro. Embora o custo pode parecer alto, isto,
tem que se lembrar que há nenhum poder adicional valido e um carneiro durará para
30 anos ou mais. Um carneiro usado em climas frios deve ser separado.
 
Um carneiro dobrar-suplente usará uma provisão de água impura para bombear dois-terços do
pura água de uma fonte primaveral ou semelhante. Um terço da pura água mistura com
a água impura. Um provedor deveria ser consultado para esta aplicação especial.
 
Calcular a taxa bombeando aproximada, use a equação seguinte:
 
Capacidade (galões por hora) = V x F x 40
                             ----------
                                    E
 
V    = galões por minuto de fonte
F    = desabe pés
E    = altura a água será elevada em pés
 
Dados Precisaram por Ordenar um Carneiro Hidráulico
 
1.   Quantidade de água disponível à fonte de provisão em litros (ou galões) por
Minuto de     
 
2.   queda Vertical em metros (ou pés) de provisão bater
 
3.   Altura para a qual a água deve ser elevada sobre o carneiro
 
4.   Quantidade de água requereu por dia
 
5.   Distância da fonte de provisão para o carneiro
 
6.  Distância do carneiro para o tanque de armazenamento
 
Fontes:
 
LOREN G. Sadler, Holanda Nova, Pennsylvania,
 
Máquina Hidráulica predominante Companhia Industrial, Millburn, Nova Jersey,
 
SHELDON, W.H. O Carneiro Hidráulico. Extensão Boletim 171, 1943 de julho, Michigan,
Estado Faculdade de Agricultura e ciência aplicada.
 
Seminário " " rural. País de australiano. 1961 de setembro, páginas 32-33.
 
Água de Forças de Carneiro " hidráulica para Se bombear ". Ciência popular, 1948 de outubro,
páginas 231-233.
 
Carneiro " " hidráulico. O Artesão de Casa, 1963 de março-abril, páginas 20-22.
 
TRANSMISSÃO DE PODER DE ARAME RECIPROCANDO
PARA BOMBA DE ÁGUA
 
Um arame reciprocando pode transmitir poder de uma roda de água para um ponto até
0.8km (1/2 milha) fora onde normalmente é usado para bombear bem água. Estes dispositivos
foi por muitos anos usado pelas pessoas de Amish de Pennsylvania. Se eles são
corretamente instalada, eles dão muito tempo, serviço sem-defeitos.
 
As pessoas de Amish usam este método para transmitir <veja figura 1> poder mecânico de água pequena

fig1x111.gif (486x486)


rodas para o curral onde o movimento reciprocando é usado para bombear bem
água para casa e uso de fazenda. A roda de água é tipicamente um undershot pequeno
roda (com a água que flui debaixo da roda) um ou dois pés em diâmetro. O
cabo de roda é provido com uma manivela que é prendida a uma armação triangular que
pivôs em um poste (veja Figura 2). Um arame é usado para conectar esta armação a outro

fig2x112.gif (600x600)


unidade idêntica localizou em cima do bem. Contrapesos mantêm o arame apertado.
 
                              Tools e Materiais
 
Arame: arame de cerca liso galvanizado
Molhe roda com manivela de excêntrico dar um movimento ligeiramente menos que maior
golpe de bomba de curral
Tubo galvanizado para armações de triângulo: 2cm (3/4 ") por 10 metros longo (32.8 ')
Soldando ou soldando equipamento para fazer armações
Concreto para contrapeso
2 poloneses: 12 a 25cm (6 " a 10 ") em diâmetro.
 
Como vira a roda de água, o
gorjetas de manivela a armação triangular
de um lado para outro. Esta ação puxa
o arame de um lado para outro. Um
típico complete de um lado para outro
ciclo leva 3 a 4 segundos.
Às vezes dê poder a para vários
arames de transmissão vêm de um
roda de água maior.
 
O arame está montado para cima em postes para
mantenha em cima e fora do
modo. Se a distância de fluxo para
pátio é postes distantes, extras serão
precisada ajudar apóie o arame.
Povos de Amish usam uma volta de arame
coberta com um pedaço pequeno de
mangueira prendeu ao topo de
o poste. O arame reciprocando
deslizamentos de um lado para outro por isto
volta. Se isto não é possível, prova,
fazendo o poste 1-2 metros mais alto
que o arame de poder. Dirija um pesado
pregue perto do topo de poste e prenda um
cadeia ou telegrafa disto ao poder
telegrafe como mostrada em Figura 3.

fig3x113.gif (486x486)


 
Podem ser feitas voltas em ordem para
siga hedgerows montando um
horizontally de armação triangular pequeno
ao topo de um poste como mostrada dentro
Figure 4.

fig4x113.gif (486x486)


 
Figuras 5, 6, e 7 espetáculo como para

fig51140.gif (600x600)


roda fez de madeira e bambu.
 
Fonte
 
Holanda nova, Pennsylvania VITA Capítulo.
 
 
 
 
Referências de                                  
 
                                  REFERENCES
 
MOLHE RECURSOS
 
Americano Água Trabalhos Associação. " AWWA D-100-79 Standard para Aço Água Armazenamento Tanques " Soldados.
Denver, Colorado,: Americano Água Trabalhos Associação, 1979.
 
Americano Água Trabalhos Associação. " AWWA D-105-80 Standard para Desinfecção de Instalações " de Armazenamento de Água.
Denver, Colorado,: Americano Água Trabalhos Associação, 1980.
 
Americano Água Trabalhos Associação. Molhe Operador de Distribuição que Treina Manual. Denver, Colorado,:
Americano Água Trabalhos Associação, 1976.
 
Ancore, R.D. Desígnio de Líquido-reter Estruturas Concretas. Nova Iorque: Wiley e Filhos, 1982.
 
Blackwell, F.O., Farding, PÁG.., e Hilbert, M.S. Água compreensiva Provê e Tratamento para Indivíduo
e Sistemas de Comunidade Pequenos. Arlington, Virgínia,: Voluntários em Ajuda Técnica, 1985.
 
Doure, J.H. Membrana " flexível: Um Navio de linha regular de Reservatório Econômico e Cobertura ". Diário do americano
Água Trabalha Associação. Vol. 71, não. 6, 1979 de junho.
 
Cairncross, S., e Feachem, R. Materiais de Água pequenos. Londres: Ross Institute, 1978.
 
Abaixe, Margaret (ed.). Seis Bombas Simples. Arlington, Virgínia,: Voluntários em Ajuda Técnica, 1983.
 
Helweg, O.J., e Smith, G. Tecnologia " apropriada para Aquifers Artificial,"
Água de chão. Vol. 18, não. 3, 1978 de maio-junho.
 
MADDOCKS, D. Métodos de Criar Baixo Custo Membranas Impermeáveis para Uso na Construção de
Rainwater Catchment e Sistemas de Armazenamento. Londres: Publicações de Tecnologia de intermediário, Ltd., 1975
 
MAZARIEGOS, J. F., e de Zeissig, Julia UM. Um. Molhe Purificação que Usa Artesão Filters Pequeno. Guatemala:
Instituto de Pesquisa de americano central para Indústria, 1981.
 
MCJUNKIN, F. e Pineo, C. Agência norte-americana para Desenvolvimento Internacional. Provisão de água e Serviço de saúde pública em
Países em desenvolvimento. Washington, D.C.,: USAID, 1976.
 
Pacey, Arnold, e Cullis, Adrian. Rainwater Colhendo: A Coleção de Chuva e Runoff em Rural
Áreas. Londres: Publicações de Tecnologia de intermediário, Ltd., 1996.
 
REMMERS, J. Provisão de Água compreensiva. Considerações gerais. Arlington, Virgínia,: Voluntários em
Ajuda técnica. 1985.
 
RITTER, C.M. Potable Água Armazenamento compreensivo. Arlington, Virgínia,: Voluntários em Ajuda Técnica
(VITA), 1985.
 
RYDEN, D.E. " Avaliando a Segurança e Estabilidade Sísmica de Reservatórios " de Dique. Diário do
Americano Água Trabalhos Associação. Vol. 76, não. 1. Denver, Colorado,: Americano Água Trabalhos Associação,
1984 de janeiro.
 
SALVATO, JA., JR. Engenharia ambiental e Serviço de saúde pública. Nova Iorque: Wiley-Interscience, 1972.
 
Schiller, E.J., e Droste, R.L., eds. Provisão de água e Serviço de saúde pública em países em desenvolvimento. Ann Arbor,
Michigan: Ann Publicadores de Ciência de Pérgula, 1982,
 
Sharma, P.N., e Helweg, OJ. Desígnio " ótimo de Sistemas " de Reservatório Pequenos. Diário de Irrigação e
Divisão de drenagem--Sociedade americana de engenheiros civis. Vol. 108, IR4, 1982 de dezembro.
 
Sherer, K, Treinamento " Técnico de Voluntários de Corpo de exército de Paz em Água Rural Provê sistemas em Marrocos ".
Água e Serviço de saúde pública para Saúde Projetam (LAVE) Relatório de Campo Nenhum. 43. Washington, D.C.,: Agência norte-americana
para Desenvolvimento Internacional, 1982 de maio.
 
Silverman, G.S.; Nagy, LA.; e Olson, B.H. " Variações em Assunto de Particulate, Algas, e Bactérias em
Um Reservatório " de Beber-água Descoberto, Acabado. Diário da Associação de Trabalhos de Água americana.
Vol. 75, não. 4. Denver, Colorado,: Americano Água Trabalhos Associação, 1983 de abril.
 
SPANGLER, C.D. Nações Unidas e Banco de Mundo. Distribuição de Água barata: Um Manual de Campo. Washington,
D.C.: Banco mundial, 1980 de dezembro.
 
Associação suíça para Ajuda Técnica, ed. Manual para Provisão de Água Rural. Zurique, Suíça,:
Centro de suíço para Tecnologia Apropriada, 1980.
 
Sylvester, Emilio. " Molhe, Molhe Em todos lugares: Comunidades de ilha Instalam Sistemas " de Água. Notícias de VITA,
1986 de outubro, pp. 8-10.
 
Nações Unidas. Organização de Saúde mundial. " QUEM Diretrizes por Beber Qualidade de Água, " por H.G.
Gorchev e G. Ozolins. Genebra, Suíça,: Organização de Saúde mundial, 1982.
 
Nações Unidas. Organização de Saúde mundial. " A Purificação de Água em uma Balança Pequena. QUEM Técnico
papel Nenhum. 3. O Hague, O Países Baixos,: QUEM Centro de Referência Internacional para Comunidade
Provisão de água, 1973 de março.
 
Nações Unidas. Organização de Saúde mundial. Lista " preliminar de Referências em Filtração de Areia Lenta e
Métodos " de pretreatment Simples relacionados. O Hague, O Países Baixos,: QUEM Centro de Referência Internacional
para Provisão de Água de Comunidade, 1976 de julho.
 
UPMEYER, D.W. Exigências " de Armazenamento de Água " calculando. Trabalhos públicos. Vol. 109, não. 7, 1978 de julho.
 
Agência de Proteção Ambiental norte-americana. Manual de Sistemas de Provisão de Água Individuais. Washington, D.C.,:
EPA, 1975.
 
Poder de " vento para Ilha de Roatan: Água bombeando em Honduras ". Notícias de VITA, 1982 de outubro, pp. 3-7.
 
SAÚDE E SERVIÇO DE SAÚDE PÚBLICA
 
Americano Instituto Concreto. " Concreto Estruturas " de Engenharia Sanitárias. Relatório Nenhum. ACI 350R-83.
Detriot, Michigan,: Instituto de Concreto de americano, 1983.
 
Baumann, Werner, e Karpe, Hans Jürgen. Tratamento de Wastewater e Disposição de Excreta Desenvolvendo
Países. Alemanha ocidental: Relatório de Tecnologia Apropriado alemão, 1980.
 
Touro, David. Um Problema Crescente: Praguicida e o Terceiro Mundo Pobre. Oxford: OXFAM, 1982.
 
Hipócrita, L.W. e Malina, J.F. Tratamento de Sewege em países em desenvolvimento. Normando, Oklahoma: A Universidade
de Oklahoma (debaixo de contrato para USAID), 1976 de dezembro.
 
Cointreau, Sandra J. Administração ambiental ou Desperdícios Sólidos Urbanos em países em desenvolvimento (UM
Guia de projeto). Washington, D.C.,: Banco mundial, 1982 de junho.
 
Davis, B.P. Serviço de saúde pública compreensivo ao Nível de Comunidade. Arlington, Virgínia,: Voluntários em Técnico
Ajuda, 1985.
 
Feachem, Richard G.; Bradley, David; Garelick, Hemda; e Mara, D. Duncan. Aspectos de " saúde de Excreta
e Administração de Sullage: Uma Revisão " de Estado-de-o-arte. (Tecnologia apropriada para Provisão de Água
e Serviço de saúde pública, vol. 3). Washington, D.C.,: Banco mundial, 1980.
 
Feachem, Richard, al de et. Água, Saúde e Desenvolvimento: Uma Avaliação Enterrar-disciplinar. Londres: Tri-Med
Livros, Ltd., 1977.
Feachem, Richard, McGarry, Michael, e Mara, D. Duncan (eds). Água, Desperdícios e Saúdes em Quente
Climas. Nova Iorque: John Wiley e Filhos, 1980.
 
Goldstein, Steven N., e Moberg, Walter J., Jr. Wastewater Tratamento Sistemas para Comunidades Rurais.
Washington, D.C.,: Comissione em Água Rural, 1973.
 
GOLVEKE, C.G. Recuperação biológica de Desperdícios Sólidos. Emmaus, Pennsylvania,: Rodale Press, 1977.
 
Grover, Brian. Provisão de água e Serviço de saúde pública Projeto Preparação Manual (vol. 1, diretrizes). Washington,
D.C.: Banco mundial, 1982.
 
HERRINGTON, J.E. Cuidado médico Primário entendendo para uma População Rural. Arlington, Virgínia,: Voluntários
em Ajuda Técnica, 1985.
 
Kalbermatten, John M., al de et. O Guia " de " um Planejador. (Tecnologia apropriada para Água Provê e Serviço de saúde pública,
vol. 2). Washington, D.C.,: Banco mundial. 1981.
 
Kalbermatten, John M.; Julius, De Anne S.; e Gunnerson, Charles G. Alternativas de Serviço de saúde pública apropriadas.
Uma Avaliação técnica e Econômica. Baltimore, Maryland,: Johns Hopkins Universidade Imprensa (para
o Banco Mundial), 1982.
 
Mann, H.T., e Williamson, D. Molhe Tratamento e Serviço de saúde pública: Métodos simples para Áreas Rurais.
Londres. Publicações de Tecnologia de intermediário, 1982.
 
Patel, Ishwarbhai. Safai-Marg Darshika (UM Livro de Guia em Serviço de saúde pública). Delhi novo: Udyogshala Press,
1970.
 
Reid, o George e Coffey, Kay. (eds.). Métodos apropriados de Tratar Água e Wastewater dentro
Países em desenvolvimento. Normando, Oklahoma: Agência de Água e Pesquisa de Recursos Ambiental
(Universidade de Oklahoma), 1978.
 
Rybczynski, Witold, Polprasert, Changrak, e McGarry, Michael. Opções de Tecnologia baratas para
Serviço de saúde pública (UMA Revisão de Estado-de-o-arte e Bibliografia Anotada). Ottawa: Desenvolvimento internacional
Pesquise Centro, 1978.
 
SALVATO, J.A., JR. Engenharia ambiental e Serviço de saúde pública. Nova Iorque: Wiley-Interscience, 1972.
 
Serviço de saúde pública em países em desenvolvimento (Procedimentos de um seminário em treinar contiveram Lobatse, Botsuana,
14-20 1980 de agosto). Ottawa: Centro de Pesquisa de Desenvolvimento internacional, 1981.
 
STONEROOK, H. Tratamento de Esgoto compreensivo e Disposição. Arlington, Virgínia,: Voluntários em Técnico
Ajuda, 1994.
 
Strauss, Martin. Manual de serviço de saúde pública (Provisão de Água de Comunidade e Serviço de saúde pública, Nepal). Pokhara, Nepal,:
Pokhara Centro Imprensa, 1982 de junho.
 
furgão Wijk-Sijbesma, Christine. Participação e Educação em Provisão de Água de Comunidade e Serviço de saúde pública
Programmes - UMA Revisão de Literatura. O Hague: QUEM Centro de Referência Internacional para Comunidade
Provisão de água, 1979.
 
Vogler, Jon. Trabalhe de Desperdício. Desperdícios reciclando para Criar Emprego. Oxford: Tecnologia de intermediário
Publicações Ltd. e OXFAM, 1981.
 
Werner, D. Onde não Há Nenhum Doutor. Um Manual de cuidado médico de Aldeia. Palo Alto, Califórnia,:
Fundação de Hesperian, 1980.
 
AGRICULTURA
 
ABRAHAMS, P.J. Preparação de Terra compreensiva. Arlington, Virgínia,: Voluntários em Ajuda Técnica,
1994
 
Arqueiro, Vendedores G. Suje Conservação. Normando, Oklahoma: Universidade de Imprensa de Oklahoma, 1969.
 
Attfield, Harlan. Ajardinando Com as Estações. Arlington, Virgínia,: Voluntários em Ajuda Técnica,
1979.
 
Bartholomew, W.V. Suje Nitrogênio--Proveja Processos e Exigências de Colheita. Bullentin 6 técnico.
Raleigh, Carolina do Norte,: Carolina do Norte Universidade Estatal, 1972.
 
Pássaro, H.R. Carne de Avícula compreensiva e Produção de Ovo. Arlington, Virgínia,: Voluntários em Técnico
Ajuda, 1984.
 
BRADENBURG, N.R. Bibliografia de Colher e Processar Semente de Forragem, 1949-1964. Departamento norte-americano de
Agricultura, Serviço de Pesquisa Agrícola, ARS 42-135, Washington,: USDA, 1968.
 
Se ramifique, Diana S. (ed.). Ferramentas para Homesteaders, Jardineiros, e os Fazendeiros Em pequena escala, Emmaus, Pennsylvania,
1978.
 
Corven, James. Melhoria de Terra básica para Todo o mundo. Arlington, Virgínia,: Voluntários em Técnico
Ajuda, 1983.
 
Ensminger, M.E., e Olentine, C.G., Jr. Alimentos e Nutrição. Clóvis, Califórnia,: Publicação de Ensminger
Cia., 1978.
 
Fitts, J.W., e Fitts, J.B. Composting compreensivo. Arlington, Virgínia,: Voluntários em Técnico
Ajuda, 1984,
 
Homem livre, John UM. Jardinagem de sobrevivência: Bastante Nutrição de 1,000 pés quadrados para Viver Em ...Just dentro
Caso! Rock Hill, Carolina do Sul,: A Imprensa de John, 1983.
 
Hughes, H.D. Forragens. Ames, Iowa,: Iowa Estado Universidade Imprensa, 1966.
 
Caça, Marjorie, e Bartz, Brenda. Jardinagem de Rendimento alta. Emmaus, Pennsylvania,: Rodale Press, Inc.,
1986.
 
Academia nacional de Ciências. Exigências nutrientes de Avícula. Washington, D.C.,: Academia nacional
Aperte, 1977.
 
Norte, M.O. Manual de Produção de Galinha comercial. Segunda Edição. Westport, Connecticut,: Publicação de AVI
Cia., Inc., 1978.
 
ORR, H.L. Pato e Aumento de Ganso. Publicação 532. Ontario, Canadá,: Ministério de Agricultura e Comida.
 
Piliang, W.G.; Pássaro, H.R.; Sunde, M.L.; e Pringle, D.J. Farelo de trigo de " arroz como a Fonte de Energia Principal para
Galinhas " se deitando. Ciência de avícula. 61 (1982): 357.
 
Reddy, K.R.; Khaleel, R.; e Overcash, M.R. " Comportamento e Transporte de Pathogens Microbiano e Indicador
Organismos em Terras Tratadas com Desperdícios " Orgânicos. Diário de Qualidade Ambiental. Madison,
Wisconsin: Sociedade americana de Agronomia, 1981.
 
RODALE, J., ED. O Livro Completo de Composting. Emmaus, Pennsylvania,: Rodale Press, Inc., 1969.
 
RUSSEL, F. W. Condições de terra e Crescimento de Planta. Londres, Inglaterra,: Verde de Logmans e Cia., Ltd., 1961.
 
Duro, Peter. Irrigação de Balança pequena. Londres: Publicações de Tecnologia de intermediário, 1979.
 
Jovem, J.A., Evans, R.A. & BUDY, J.D. Coleção de Semente compreensiva e Controlando. Arlington, Virgínia,:
Voluntários em Ajuda Técnica, 1986.
 
COMIDA QUE PROCESSA E PRESERVAÇÃO
 
Anderson, Jean. O Dedo polegar Verde que Preserva Guia. Nova Iorque: William Marrow & Companhia, Inc., 1976.
 
Barbour, Beverly. O Livro de Preservação de Comida Completo: Nova Iorque: David McKay Company, Inc., 1978.
 
Burch, Joan, e Burch, Monte. Casa Enlatando e Preservando. Reston, Virgínia,: Publicação de Reston
Companhia, Inc., 1977.
 
CARRUTHERS, R.T. Preservação de Peixe compreensiva e Processando. Arlington, Virgínia,: Voluntários em
Ajuda técnica, 1995.
 
Comida central Instituto de Pesquisa Tecnológico. Processo de " casa-balança e Preservação de Frutas e
Legumes ". Mysore, Índia,: O Wesley Press, 1981.
 
Etchells, John L., e Jones, Ivan D. " Preservação de Legumes Salgando ou Brining, " Fazendeiros,
Boletim Não. 1932. Washington, D.C.,: Departamento norte-americano de Agricultura, 1944.
 
Groppe, Christine C., e York, George K. " Pepinos em conserva, Prazeres, e Molhos picantes: Rapidamente, Fácil, e Seguro
Receitas ". Folheto Não. 2275. Berkeley, Califórnia,: Universidade de Califórnia, Divisão de Agrícola
Ciências, 1975.
 
Hertzberg, Ruth; Vaughan, Beatrice; e Greene, Janet. Comida pondo Por. Brattleboro, Vermont,: O
Stephen Greene Press.
 
Islã, Meherunnesa. Preservação de comida em Bangladesh. Dacca, Bangladesh,: O Desenvolvimento de mulheres Programme,
UNICEF/DACCA, 1977.
 
Kluger, Marilyn. Preservando a Generosidade de Verão. Nova Iorque: M. Evans e Companhia, Inc., 1978.
 
Levinson, Leonard Louis. O Livro Completo de Pepinos em conserva e Prazeres. Nova Iorque: Hawthorn Books, Inc.,
1965.
 
Lindblad, Carl, e Druben, Laurel. Armazenamento de Grão de Fazenda pequeno. Arlington, Virgínia,: Voluntários em Técnico
Ajuda, 1976.
 
Murry, Sue T. Casa que Cura Peixe. Washington, D.C.,: Agricultura e Serviço de Desenvolvimento Rural, Agência,
para Desenvolvimento Internacional, 1967.
 
Schuler, Stanley, e Schuler, Elizabeth Meriwether, Preservando as Frutas da Terra. Nova Iorque:
A Imprensa de Dial, 1973.
 
STIEBELING, JAZEL K. Preservação " de Comida " solar. Chicago, Illinois,: Instituto de Illinois de Tecnologia, 1981.
 
Stoner, Carol Hupping, Editor. Provendo Para cima: Como Preservar as Comidas Você Cresce, Naturalmente. Emmaus,
Pennsylvania: Rodale Press, 1977.
 
Departamento norte-americano de Agricultura. Divisão de Pesquisa de Nutrição humana. " Casa que Enlata de Frutas e
Legumes ". Washington, D.C.,: Departamento norte-americano de Agricultura, 1965.
 
Weber, Fred, com Stoney, a Carol. Reflorestamento em Terras Áridas. Arlington, Virgínia,: Voluntários em Técnico
Ajuda, 1986.
 
WORGAN, J.T. " Enlatando e Engarrafando como Métodos de Preservação de Comida em países em desenvolvimento ". Apropriado
Tecnologia. 4 (1977 de novembro): 15-16.
 
CONSTRUÇÃO
 
Corpo de exército de Paz de ação. Manual por Construir Casas de Terra. Washington, D.C.,: Departamento de Morar
e urbano Desenvolva ment, (não datado).
 
AHRENS, C. Manual por Supervisionar Construção de Casa de Ego-ajuda com Blocos de Terra Estabilizados Fez dentro
a Máquina de CINVA-carneiro. Município de Kanawha, West Virginia, 1965.
 
Americano Instituto Concreto. Manual de Engenharia Concreta. Manual de ACI-82 de Prática. Detroit,
Michigan: Instituto de Concreto de americano, 1982.
 
Buchanan, W. Mão Modelou Tijolos de Barro Queimados: Suporte Produção Intensiva. Ministério de Malauí de Comércio,
Indústria, e Turismo (Nações Unidas Organização de Desenvolvimento Industrial, Projeto DP/MLW/78/003),
não datado.
 
Construindo com Adobe e Estabilizou Blocos de Terra. Washington, D.C.,: Departamento de Estados Unidos de Agricultura,
1972.
 
Bush, Alfred. Construção de Terra Estabilizada entendendo. Arlington, Virgínia,: Voluntários em Técnico
Ajuda, 1994.
 
GROBEN, E. W. Arquitetura de adobe: Seu Desígnio e Construção. Seattle, Washington,: O Livro de Shorey
Armazene, 1975.
 
Instituto internacional de Morar Tecnologia. Os Fabricando de Emulsão de Asfalto Estabilizaram Terra
Tijolos e o Manual de Fabricante de Tijolo. Fresno, Califórnia,: Califórnia Estado Universidade, 1972.
 
LUNT, M.G. Terra estabilizada Bloqueia por Construir. Garston, Watford, Inglaterra,: Estabelecimento de Pesquisa construindo,
1980.
 
_________. Terra " estabilizada Bloqueia por Construir ". Para o ultramar Notas de Edifício Nenhum. 184. Garston, Inglaterra,:
Estabelecimento de Pesquisa construindo, 1980 de fevereiro.
 
Fazendo Edifício Bloqueia com o Bloco de CINVA-carneiro Imprensa. Arlington, Virgínia,: Voluntários em Técnico
Ajuda, 1975.
 
Metalibec Ltd. Bloco de CINVA-carneiro Terra de Cimento em Construção de Alojamento de Balança Grande em Punjab Oriental.
Bombay, Índia,: Governo de Imprensa de Índia, 1948.
 
Métodos por Caracterizar Adobe que Constrói Materiais. Washington, D.C.,: Agência nacional de Padrões,
1978.
 
Apare, J.P. Brickmaking em países em desenvolvimento. Preparou para Divisão Ultramarina, enquanto Construindo Pesquisa
Estabelecimento, REINO UNIDO Garston, Watford, Reino Unido,: Estabelecimento de Pesquisa construindo, 1979.
 
Fundação de Salvadorean para Desenvolvimento e Baixo Custo que Moram Unidade de Pesquisa. Adobe estabilizado. Washington,
D.C.: Organização de Estados americanos, (não datado)
 
SIDIBE, B. Adobe compreensivo. Arlington, Virgínia,: Voluntários em Ajuda Técnica (VITA), 1985.
 
Agência norte-americana para Desenvolvimento Internacional. Manual por Construir Casas de Terra. Folheto de ação
Não. 4200.36. Por Lyle UM. WOLFSKILL, WAYNE UM. Dunlop, e Bob M. Callaway. Washington, D.C.,: Paz
Corpo de exército, 1979 de dezembro.
 
Dept norte-americano do Exército. Concreto, Masonry e Obra de alvenaria: Um Manual Prático para o Dono de Casa
e o Construtor Pequeno. Nova Iorque: Publicações de Dover, Inc., 1975.
 
MELHORIA DE CASA
 
 
BALDWIN, S. Fogões de biomassa: Desígnio criando, Desenvolvimento, e Disseminação. Arlington, Virgínia,:
Voluntários em Ajuda Técnica, 1986.
 
Bruyere, John. Confortos rurais: O Manual de Homesteaders Novo. Nova Iorque: Cia. de Publicação esterlina,
Inc., 1979.
 
Bramson, Ann. Sabão. Nova Iorque: Trabalhador que Publica Cia., 1975.
 
CLARKE, R. (ed.). Disseminação de Wood-fogão: Procedimentos da Conferência Seguraram a Wolfheze, O
Países Baixos. Londres: Publicações de Tecnologia de intermediário, Ltd., 1985.
 
de Silva, D. " Um Fogão de Carvão Do Sri Lanka, Tecnologia " Apropriada, Vol. 7, não. 4,1981, pp. 22-24.
 
Donkor, Peter. Soapmaking em pequena escala: Um Manual. Londres: Publicações de Tecnologia de intermediário,
1986.
 
FOLEY, G. e Musgo, PÁG. " Melhorou Fogões de Arte culinária Em países em desenvolvimento ". Earthscan Relatório Técnico
Não. 2, 1983, 175 pp. Illus.
 
HASSRICK, PÁG. " UMEME: Um Fogão de Carvão do Quênia ". Tecnologia apropriada Vol. 9, não. 1, 1982, pp.
6-7.
 
Sabão fazendo e Velas. Pownal, Vermont,: PÁG. H. Comunicações de pavimento, Inc., 1973.
 
Tata Energia Pesquisa Instituto. Fogões de Arte culinária de Combustível sólidos. Bombay, Índia, 1980.
 
Testando a Eficiência de Cookstoves Wood-ardente: Padrões internacionais. Arlington, Virgínia,: Voluntários
em Ajuda Técnica, 1985.
 
ARTES E INDÚSTRIA DE ALDEIA
 
Berold, Robert, e Caine, Collette (eds.). O Workbook de pessoas. Johannesburg, África do Sul,: Enrironmental
e Agência de Desenvolvimento, 1981.
 
CARDEW, M. Cerâmica pioneira. Nova Iorque, Nova Iorque,: A imprensa de São Martim, 1976.
 
Conrad, J.W. Fórmulas cerâmicas: O Compêndio Completo (UM Guia para Barro, Coberturas, Esmalte, Copo,
e as Cores deles/delas). Nova Iorque, Nova Iorque,: MacMillan Publishing Cia., 1975.
 
Cooper, E. O Livro do Oleiro de Receitas de Cobertura. Nova Iorque, Nova Iorque,: Os Filhos de Charles Scribner, 1980.
 
Verde, D. Coberturas de cerâmica. Nova Iorque: Watson Guptill Publicando, 1973.
 
O Lawrence e Oeste. Ciência cerâmica para o Oleiro. Radnor, Pennsylvania,: Chilton Book Cia.
 
Nelson, G. Cerâmica: O Manual de um Oleiro. Nova Iorque: Holt, Reinhart & Winston, 1984.
 
NORTON, F.H. Elementos de Cerâmica. Redding, Massachusetts,: Addison-Wesley Publishing Cia., 1974.
 
____________. Fornos. Desígnio, Construção e Operação. Filadélfia, Pennsylvania,: Chilton Book Cia.,
1968.
 
Peter Starkey. Cobertura salgada, Londres,: Pitman Publishing Cia., 1977.
 
PETERSHAM, M. Entendendo o Empreendimento de Produtos de Barro Em pequena escala. Arlington, Virgínia,: Voluntários
em Ajuda Técnica, 1984.
 
SCHURECHT, H.G. Vitrificação de " sal e Mercadoria " Cerâmica. Boletim da Sociedade Cerâmica americana, Vol. 23,
Não. 2.
 
Métodos " simples de de Vela Fabrique, " Londres: Publicações de Tecnologia de intermediário, Ltd., 1985.
 
Papermaking em pequena escala. Memorando técnico Não. 8. Genebra: Escritório de Trabalho internacional, 1985.
 
TROY, J. Sal Cerâmica Vítrea. Nova Iorque: Watson Guptill Publicações Cia., 1977.
 
TROY, J. Coberturas para Efeitos Especiais. Nova Iorque: Watson Guptill Publicações Cia.
 
Vogler, Jon, e Sarjeant, Peter. Papermaking Em pequena escala entendendo. Arlington, Virgínia,: Voluntários
em Ajuda Técnica, 1986.
 
WEYGERS, A.G. A Fabricação de Ferramentas. Nova Iorque: Van Nostrand Reinhold Company, 1973.
 
Jovem, Jean (ed.). O Manual de Artesão de Woodstock. Nova Iorque: Publicadores de Praeger, 1972.
 
COMUNICAÇÃO E REFERÊNCIA GERAL
 
Berold, Robert, e Caine, Collette (eds.). O Workbook de pessoas. Johannesburg, África do Sul,: Enrironmental
e Agência de Desenvolvimento, 1981.
 
Darrow, Ken, e Saxenian, Mike. Tecnologia apropriada Sourcebook. Stanford, Califórnia,: Voluntários
na Ásia, 1986.
 
McLaren, 1. O Sten-tela: Fazendo e Usando um Processo de Impressão Barato. Londres: Intermediário
Publicações de tecnologia, Inc., 1983.
 
Seymour, John. O Livro Completo de Suficiência de Ego. Londres: Corgi Books div. Publicadores de Transworld,
Ltd., 1981
                              Conversão Mesas
 
                              CONVERSÃO MESAS
 
MULTIPLY                    BY                    OBTAIN
 
acres                       43,560             pés de    square
acres                       4,047                 metros quadrados
acres                       1.562 X [10.sup.-3]   milhas quadradas
acres                       0.004047              quilômetros quadrados
acres                       4840              jardas de     square
atmospheres                 76.0                  cms de mercúrio
atmospheres                 29.92                 polegadas de mercúrio
atmospheres                 10,333                metro de kgs/square
atmospheres                 14.70      polegada de            pounds/square
Units       térmico britânico quilograma-calorias de 0.2530               
B.t.u.                      777.5                 pé-libras
B.t.u.                      3.927 X [10.sup.-4]   cavalo-vapor-horas
B.t.u.                      1,054                 joules
B.t.u.                      107.5                 quilograma-metros
B.t.u.                      2.928 X [10.sup.-4]   quilowatt-horas
B.t.u. /min.                 cavalo-vapor de 0.02356              
B.t.u. /min.                 quilowatts de 0.01757              
B.t.u. /min.                 17.57                 watts
CALORIES                    0.003968              B.T.U.
calories                    3.08596               pé-libras
calories                    1.1622 X [10.sup.-6]  quilowatt-horas
centimeters                 polegadas de 0.3937               
centimeters                 metros de 0.01                 
centímetros de mercury      0.1934                pounds/square polegada
centimeters/second          1.969                 feet/minute
CENTIMETERS/SECOND          KILOMETER/HOUR DE 0.036                
CENTIMETERS/SECOND          METERS/MINUTE DE 0.6                  
CENTIMETERS/SECOND          MILES/HOUR DE 0.02237              
centimeters           cúbico [10.sup.-6]           metros cúbicos
centimeters           cúbico 6.102 X [10.sup.-2]   polegadas cúbicas
centimeters           cúbico 3.531 x [10.sup.-5]   pés cúbicos
centimeters           cúbico 1.308 X [10.sup.-6]   jardas cúbicas
feet                  cúbico 1,728                 polegadas cúbicas
feet  cúbico                 0.02832                metros cúbicos
feet                  cúbico 2.832 X [10.sup.4]    centímetros cúbicos
feet                  cúbico 7.481                 galões
feet                  cúbico 28.32                 litros
feet/minute     cúbico       472.0                  cms/second cúbico
feet/minute           cúbico gallons/second de 0.1247               
feet/minute           cúbico liters/second de 0.4720               
feet/minute           62.4                  cúbico bate water/min
inches   cúbico              5.787 X [10.sup.-4]    pés cúbicos
inches                cúbico 1.639 X [10.sup.-5]   metros cúbicos
inches                cúbico 2.143 X [10.sup.-5]   jardas cúbicas
meters                cúbico 35.31                 pés cúbicos
meters            cúbico     264.2 galões de                 
meters                cúbico [10.sup.3]            litros
yards                 cúbico 7.646 X [10.sup.5]    centímetros cúbicos
yards                 cúbico 27.0                  pés cúbicos
yards                 cúbico 46,656  polegadas de               cubic
yards                 cúbico 0.7646                metros cúbicos
yards                 cúbico 202.0                 galões
yards                 cúbico 764.6                 litros
yards/min.            0.45                  cúbico feet/second cúbico
 
MULTIPLY                    BY                    OBTAIN
yards/min.            cúbico 3.367                 gallons/second
yards/min.            cúbico 12.74                 liters/second
graus (angle)             60                    minutes
graus (angle)             radians de 0.01745              
graus (angle)             3,600                 segundos
dynes                       1.020 X [10.sup.-3]   gramas
dynes                       2.248 X [10.sup.-6]   libras
ERGS                        9.486 X [10.SUP.-11]   B.T.U.
ergs                        1                     dyne-centímetros
ergs                        7.376 X [10.sup.-8]   pé-libras
ergs                        [10.sup.-7]           joules
ergs                        2.390 X [10.sup.-11]  quilograma-calorias
ergs                        1.020 X [10.sup.-8]   quilograma-metros
ergs/second                 1.341 X [10.sup.-10]  cavalo-vapor
ergs/second                 [10.sup.-10]          quilowatts
feet                        30.48                 centímetros
feet                        metros de 0.3048               
feet/second                 18.29                 meters/minute
pé-pounds                 1.286 X [10.sup.-3]   B.t.u.
pé-pounds                 1.356 X [10.sup.7]    ergs
pé-pounds                 5.050 X [10.sup.-7]   cavalo-vapor-horas
pé-pounds                 3.241 X [10.sup.-4]   quilograma-calorias
pé-pounds                 quilograma-metros de 0.1383               
pé-pounds                 3.766 X [10.sup.-7]   quilowatt-horas
pé-pounds/minute          1.286 X [10.sup.-3]   B.t.u. /minute
pé-pounds/minute          0.01667               pé-pounds/second
Pé-pounds/minute          3.241 X [10.sup.-4]   kg-calories/min
pé-pounds/minute          2.260 X [10.sup.-5]   quilowatts
pé-pounds/second          7.172 X [10.sup.-2]   B.t.u. /minute
pé-pounds/second          1.818 X [10.sup.-3]   cavalo-vapor
pé-pounds/second          1.945 X [10.sup.-2]   kg-calories/min
pé-pounds/second          1.356 X [10.sup.-3]   quilowatts
gallons                     0.1337                pés cúbicos
gallons                     231                   polegadas cúbicas
gallons                     3.785 X [10.sup.-3]   metros cúbicos
gallons                     3.785                 litros
gallons/minute              2.228 X [10.sup.-3]   feet/second cúbico
GALLONS/MINUTE              LITERS/SECOND DE 0.06308              
grams                       [10.sup.-3]           quilogramas
grams                       [10.sup.3]            miligrams
grams                       onças de 0.03527              
grams                       0.03215               troy onças
centimeter      de grams/cubic 62.43                 pés de pounds/cubic
gramas centimeters           9.297 X [10.sup.-8]   B.t.u.
HORSEPOWER                  42.44                  B.T.U. /MINUTE
horsepower                  33,000                pé-pounds/minute
horsepower                  550                   pé-pounds/second
horsepower                  10.70                 kg-calories/min
horsepower                  quilowatts de 0.7457               
horsepower                  745.7                 watts
horsepower                  1.014                 horsepower(metric)
cavalo-vapor-hours            2547                  B.t.u.
cavalo-vapor-hours            1.98 X [10.sup.6]     pé-libras
cavalo-vapor-hours            641.7                 quilograma-calorias
cavalo-vapor-hours            2.737 X [10.sup.5]    quilograma-metros
cavalo-vapor-hours            quilowatt-horas de 0.7457               
cavalo-vapor-hours            2.684 X [10.sup.6]    joules
inches                      2.540                 centímetros
inches                      254.0                 milímetros
 
MULTIPLY                    BY                    OBTAIN
polegadas de mercury           0.03342 atmosferas de               
polegadas de mercury           1.133                 pés de água
polegadas de mercury           345.3                 metro de kgs/sq
polegadas de mercury           70.73                 pé de pounds/sq
polegadas de mercury           0.4912                 pounds/sq polegada
polegadas de water             atmosferas de 0.002458             
polegadas de water             que 0.07355               avança lentamente de mercúrio
polegadas de water             25.40                 metro de kgs/square
polegadas de water             0.5781                 ounces/square polegada
polegadas de water             5.204                 pé de pounds/square
polegadas de water             0.03613               pounds/square polegada
JOULES                      0.0009458             B.T.U.
joules                      0.73756 pé-libras de               
joules                      watt-horas de 0.0002778            
joules                      1.0                   watt-segundos
kilograms                   980,665               dynes
kilograms                   [10.sup.3] gramas de            
kilograms                   2.2046                libras
kilograms                   1.102 X [10.sup.-3]   toneladas curtas
quilograma-calories           3.968                 B.t.u.
quilograma-calories           3,086                 foot-libras
quilograma-calories           1.558 X [10.sup.-3]   cavalo-vapor-horas
quilograma-calories           4,183                 joules
quilograma-calories           426.6                 quilograma-metros
quilograma-calories/min.      51.43                 pé-pounds/second
quilograma-calories/min.      cavalo-vapor de 0.09351              
quilograma-calories/min.      quilowatts de 0.06972              
KILOGRAMS/HECTARE           POUNDS/ACRE DE .893                 
kilometers                  [10.sup.5]            centímetros
kilometers                  milhas de 0.6214               
kilometers                  3,281                 pés
kilometers                  1,000                 metros
kilometers                  1093.6                jardas
KILOMETERS/HOUR             27.78 CENTIMETERS/SEC DE                 
kilometers/hour             54.68                 feet/minute
KILOMETERS/HOUR             FEET/SECOND DE 0.9113               
KILOMETERS/HOUR             KNOTS/HOUR DE 0.5396               
kilometers/hour             16.67                 meters/hour
KILOMETERS/HOUR             MILES/HOUR DE 0.6214               
kilowatts                   56.92                 B.t.u. /minute
kilowatts                   4.425 X [10.sup.4]    pé-pounds/minute
kilowatts                   737.6                 pé-pounds/second
kilowatts                   1.341                 cavalo-vapor
kilowatts                   14.34                 kg-calories/min
kilowatts                   [10.sup.3]            watts
quilowatt-hours             3,412                 B.t.u.
quilowatt-hours             2.655 X [10.sup.6]    pé-libras
quilowatt-hours             1.341                 cavalo-vapor-horas
quilowatt-hours             3.6 X [10.sup.6]      joules
quilowatt-hours             860.5                 kilogram-calorias
quilowatt-hours             3.671 X [10.sup.5]    quilograma-metros
meters                      100                   centímetros
meters                      3.2808                pés
meters                      39.37                 polegadas
meters                      [10.sup.-3]           quilômetros
meters                      [10.sup.3]            milímetros
meters                      1.0936                jardas
metro-kilograms             9.807 X [10.sup.7]    centímetro-dynes
 
MULTIPLY                    BY                    OBTAIN
metro-kilograms             [10.sup.5]            centímetro-gramas
metro-kilograms             7.233                 libra-pés
meters/minute               1.667                 centimeters/second
meters/minute               3.281                 feet/minute
METERS/MINUTE               FEET/SECOND DE 0.05468              
METERS/MINUTE               KILOMETERS/HOUR DE 0.06                 
METERS/MINUTE               MILES/HOUR DE 0.03728              
meters/second               196.8                 feet/minute
meters/second               3.281                 feet/second
meters/second               3.6                   kilometers/hour
METERS/SECOND               KILOMETERS/MINUTE DE 0.06                 
meters/second               2.237                 miles/hour
METERS/SECOND               MILES/MINUTE DE 0.03728              
miles                       1.609 X [10.sup.5]    centímetros
miles                       5,280                 pés
miles                       1.6093 quilômetros de                
miles                       1,760                 jardas
miles/min                   88.0                  feet/second
miles/min                   1.6093                kilometers/minute
MILES/MIN                   KNOTS/MINUTE DE 0.8684               
ounces                      8.0                   dracmas
ounces                      437.5                 grãos
ounces                      28.35                 gramas
ounces                      libras de 0.625                
inch          de ounces/square 0.0625                pounds/square polegada
quartilhos (dry)                 33.60                 polegadas cúbicas
quartilhos (liquid)              28.87                 polegadas cúbicas
pounds                      444,823               dynes
pounds                      7,000                 grãos
pounds                      453.6                 gramas
pounds                      quilogramas de 0.45                 
libras de water             0.01602               pés cúbicos
libras de water             27.68                  polegadas cúbicas
libras de water             galões de 0.1198               
libras de water/min.        2.669 X [10.sup.-4]   feet/second cúbico
FOOT           DE POUNDS/CUBIC 0.01602               GRAMS/CUBIC CMS.
foot        de pounds/cubic    16.02                  kgs/cubic metro
foot           de pounds/cubic 5.787 X [10.sup.-4]   polegada de pounds/cubic
foot          de pounds/square 4.882                 metro de kgs/sq
foot          de pounds/square 6.944 X [10.sup.-3]   polegada de pounds/square
inch          de pounds/square atmosferas de 0.06304              
inch          de pounds/square 703.1                 metro de kgs/square
inch          de pounds/square 144.0                 pé de pounds/square
quartos (dry)                67.20                 polegadas cúbicas
quartos (liquid)             57.75                 polegadas cúbicas
quadrantes (angle)           90                    graus
quadrantes (angle)           5,400                 minutos
quadrantes (angle)           1.571                 radians
radians                     57.30                 graus
radians                     3,438                 minutos
radians/second              57.30                 degrees/second
RAIDANS/SECOND              REVOLUTIONS/SECOND DE 0.1592               
revolutions                 360.0                 degrees
revolutions                 4.0                   quadrantes
revolutions                 6.283                 radians
revolutions/minute          6.0                   degrees/second
centimeters          quadrado 1.076 X [10.sup.-3]   pés quadrados
centimeters          quadrado polegadas quadradas de 0.1550               
centimeters          quadrado [10.sup.-6]           metros quadrados
 
MULTIPLY                    BY                    OBTAIN
centimeters         quadrado 100                    milímetros quadrados
feet                quadrado 2.296 X [10.sup.-5]    acres
feet                quadrado 929.0                  centímetros quadrados
feet                quadrado 144.0                  polegadas quadradas
feet                quadrado metros quadrados de 0.09290               
feet                quadrado 3.587 X [10.sup.-8]    milhas quadradas
feet                quadrado jardas quadradas de 0.1111                
inches              quadrado 6.452                  centímetros quadrados
inches              quadrado 645.2                 milímetros de  square
meters              quadrado 2.471 X [10.sup.-4]    acres
meters              quadrado 10.764                 pés quadrados
meters              quadrado 3.861 X [10.sup.-7]    milhas quadradas
meters              quadrado 1.196                  jardas quadradas
miles               quadrado 640.0                  acres
miles               quadrado 2.7878 X [10.sup.7]    pés quadrados
miles               quadrado 2.590                  quilômetros de quadrado
miles               quadrado 3.098 X [10.sup.6]     jardas quadradas
yards               quadrado 2.066 X [10.sup.-4]    acres
yards               quadrado 9.0                    pés quadrados
yards               quadrado metros quadrados de 0.8361                
yards               quadrado 3.228 X [10.sup.-7]    milhas quadradas
TEMP (DEGS C) + 237        1.0                    TEMP DE ABS (DEGS K)
TEMP (DEGS C) + 17.8       1.8                    TEMP (DEGS F)
TEMP (DEGS F) - 32         5/9                    TEMP (DEGS C)
toneladas (long)                1,016                  quilogramas
toneladas (long)                2,240                  libras
toneladas (metric)              [10.sup.3]             quilogramas
toneladas (metric)              2,205                  libras
toneladas (short)               907.2                  quilogramas
toneladas (short)               2,000                  libras
toneladas (short)/sq. foot      9,765                  metro de kgs/square
toneladas (short)/sq. foot      13.89                  polegada de pounds/square
toneladas (short)/sq. inch      1.406 X [10.sup.6]     metro de kgs/square
toneladas (short)/sq. inch      2,000                  polegada de pounds/square
yards                      metros de 0.9144                
 
 
CONVERSÃO DE TEMPERATURA
 
     O quadro em Figura 1 é útil para
conversão rápida de graus Centígrado
(Centígrado) para graus Fahrenheit e
vice-versa.  Although o quadro é rápido
e à mão, você tem que usar as equações
debaixo de se sua resposta deve ser precisa
para dentro de um grau.
 
Equações:
 
Graus Centígrado = 5/9 x (Graus
   Fahrenheit -32)
 
Graus Fahrenheit = 1.8 (Graus
   Centígrado) +32
 
Exemplo:
 
  Este exemplo pode ajudar clarificar o
uso das equações; 72F igualam como
possa graus Centígrado?
 
   72F = 5/9 (Graus F -32)
 
   72F = 5/9 (72 -32)
 
   72F = 5/9 (40)
 
   72F = 22.2C
 
   Notice que o quadro lê 22C, um
erro de cerca de 0.2C.
 
== == == == == == == == == == == == == == == == == == == ==
== == == == == == == == == == == == == == == == == == == ==

CD3WD Project Donate