Back to Home Page of CD3WD Project or Back to list of CD3WD Publications

2. Consumo específico de energía

Indice - Precedente - Siguiente

Una secadora convencional, tipo torre, correctamente construida, utilizada y mantenida, tiene un consumo energético de poco más de 1 000 kcal por kg de agua evaporada. Esta cantidad se compone de la siguiente manera (aproximadamente):

- Calor necesario para la evaporación de 1 kg de agua

600 kcal

- Pérdida por el calor sensible que se va en el aire usado

300-320 cal

- Perdidas de calor por conducción, radiación y convención hacia el exterior

30 kcal

- Pérdida por el calor transportado por el grano

80 kcal
Total 1 010-1 030 kcal

El valor de 600 kcal/kg de agua no puede ser disminuido de ninguna forma, pues es el calor mínino que se requiere para evaporar el agua. Las otras perdidas pueden ser rebajadas en una cierta por medio de mejoramientos en las secadoras o utilizando algunos sistemas de secado más eficientes, como se demuestra en otros capítulos de esta obra.

Casi el 50% del calor producido por el combustible se puede perder. Las calorías necesarias para el secado las suministra, entonces, el combustible. Mas adelante se analizarán las causas de las diferentes pérdidas.

Para conocer la forma de calcular el consumo específico de energía de una secadora particular, un ejemplo puede servir para ello.

Sea una secadora que rinde 40 t/h de grano seco, con maíz de 17% a 13,5%.

Es preciso calcular la entrada del grano húmedo que produce 40 t/h de grano seco, por esta fórmula:

[100 - 13.5] / [100- 17,0] x 40 t/h = 41,7 t/h

41,7 t/h - 40 t/h = 1,7 t de agua/h = 1 700 kg de agua/h que es el poder de evaporación.

Si el consumo de gasoil medido fuera, por ejemplo, de 260 l/hora, para un gasoil de 0,820 kg por litro, serán 213 kg de gasoil/hora. Si este gasoil tiene un poder calórico de 10 100 kcal/kg, el consumo energético será de:

10 100 kcal/kg x 213 kg/h = 2 151 300 kcal/hora

Dividiendo este consumo energético por el poder de evaporación:

2 151 300 kcal/h / 1 700 Kg/h = 1 265 kcal/kg de agua

Un consumo específico de energía de 1 265 kcal/kg de agua evaporada puede considerarse algo elevado, pero todavía aceptable.

Este consumo de energía, 1 265 kcal/kg agua, significa un rendimiento energético de un 47,4% es decir que se han utilizado 665 kcal más que las 600 necesarias para evaporar 1 kg de agua. Un rendimiento de un 50% debe ser el promedio de nuestras secadoras tradicionalmente empleadas.

El consumo específico de energía va creciendo cuando el grano que ingresa a la secadora tiene menor porcentaje de humedad. Así, es posible que un grano con 22% de humedad represente un consumo específico de unas 1 250 kcal/kg, mientras que el mismo grano, con 16% de humedad inicial, puede consumir en esa secadora alrededor de 1 500 kcal/kg.

Esta menor eficiencia es debida a que resulta más difícil remover el agua del grano menos húmedo porque esta más fuertemente ligada a la estructura de la semilla.

 

3. Eficiencia una secadora

Es la relación entre las kcal mínimas necesarias para evaporar el agua de una masa determinada de granos y la cantidad de kcal realmente consumidas.

Ef = [kg de agua evaporada x calor latente del agua (kcal/kg)] / [kg de combustible usado x poder calórico del combustible] x100

Ejemplo: se deben secar 50 t de maíz, de 18 a 13,5% de humedad, con una secadora de 50 t/h de capacidad, y se ha consumido 205 kg de gasoil, que tienen un poder calórico de 10 800 kcal/kg.

Agua a evaporar:

5,2% de 50 t (50 000 kg) = 2 600 kg de agua

El calor latente del agua es de unas 600 kcal/kg

Esto significa que un 29,5% de la energía consumida del combustible se pierde en esta secadora. Una secadora moderna con un diseño más racional, puede aumentar su eficiencia a 75% o más.

Entonces la mejor forma de medir la eficiencia de una secadora es calcular las kcal consumidas para evaporar 1 kg de agua. Veamos otro ejemplo:

Supongamos dos secadoras similares "A" y "B", que están secando maíz 18 a 13,5%, y que ambas tienen una capacidad de secado de 40 t/h, con igual temperatura del aire de secado.

La secadora "A" consumió 240 l gasoil/hora

La secadora "B" consumió 280l gasoil/hora

La cantidad de agua a evaporar es igual para ambas:

[18 - 13.5] / [100- 13,5] x 40 t/h = 2 081 kg agua/hora

Para un gasoil de 10 120 kcal/kg y de una densidad de 0,82 kg/l, resulta:

Secadora A:

240 l/h x 0,82 kg/l x 10 120 kcal/kg = 1 991 616 kcal/hora

1 991 616 kcal/h / 2 081 kg agua/h = 957 kcal/kg

Secadora B:

280 l/h x 0,82 kg/l x 10 120 kcaI/kg = 2 323 552 kcal/hora

2 323 552 kcal/h / 2 081 kg agua/h = 1 1 17 kcal/kg

La secadora A es más eficiente pues consume menos kcal por cada kg de agua a evaporar.

Otra forma de medir la eficiencia con que está trabajando una secadora es midiendo las temperaturas del aire de secado, del aire usado y del aire ambiente (Aguilar and Boyce, 1966), aplicando esta fórmula:

Donde:

Tas: temperatura del aire de secado
Tau: temperatura del aire usado
Taa: temperatura del aire ambiente

Un ejemplo permitirá entender este cálculo. Una secadora trabaja con aire de secado a 120°C, el aire usado sale de la cámara de secado a 40°C, y el aire ambiente está a 18°C. Si el aire se calienta a 120°C y estaba a 18°C, quiere decir que hay 102°C (120 - 18) que la secadora puede utilizar; pero si el aire se calentó a 120°C y sale a 40°C, significa que la secadora sólo aprovechó 80°C (120 40). Si podía utilizar 102°C y sólo aprovechó 80°C, la eficiencia es:

80 / 102 = 0,78 o sea el 78%

que es el mismo valor al aplicar la fórmula de arriba.

Hay que tener cuidado cuando se trata de la temperatura del aire de secado. El aire de secado puede salir del equipo generador de calor a 150°C, pero cuando está por penetrar en la masa de grano, puede estar a 120°C, es decir, perdió ya 30°C. Es por ello que en realidad en el denominador debiera colocarse como valor de la temperatura del aire de secado 150°C.

Estos cálculos son relativamente aproximados, y los mismos autores (Aguilar and Boyce, 1966 aconsejan, para mayor exactitud, emplear la temperatura de bulbo húmedo (Tasw) del aire de secado en el denominador de la ecuación, en lugar de Tau; dicen que cuando el aire usado está saturado, su valor es casi igual a Taa, y el resultado se acerca mucho al 100%.

Toftdahl Olesen (1987) propone la siguiente fórmula para calcular el consumo especifico de energía:

q = 1,06 (600 + 0,24 tb-ta/ xb-xa)

Donde:

q: consumo específico de energía (en kcal/kg agua)
tb: temperatura del aire usado
ta: temperatura del aire exterior
xb: kg de agua por kg de aire seco del aire usado
xa: ka de agua por kg de aire seco del aire exterior

Este cálculo fue realizado para cebada, pero puede ser empleado aproximadamente para otros cereales.

 

4. Pérdidas de energía

Hemos visto ya que las pérdidas de energía o de calor de una secadora son de variado tipo. Las más importantes de ellas son las que se producen por el calor sensible que se va con el aire usado. Aun cuando el aire usado salga saturado, siempre una pérdida de calor se origina por el calor sensible que conduce.

En definitiva, las condiciones más favorables para el secado se presentan cuanto mayor sea la diferencia entre la temperatura del aire de secado que entra en contacto con los granos y la del aire usado. Se deduce entonces que será favorable el balance cuando la temperatura del aire de secado sea más elevada. Igualmente favorable es una mayor temperatura del aire ambiente.

La otra pérdida importante es el calor que se va con el grano que sale caliente. En este caso no nos referimos a la temperatura del grano que sale de la máquina (pues ha pasado por el enfriamiento) sino a la que tiene el grano al final de la cámara de secado. La mejor forma de aprovechar ese calor es empleando secaaireación, es decir, trabajando toda la maquina en caliente (ver Capítulo VIl).

 

5. Saturación del aire osado

Es sabido que cuanto más saturado salga el aire de la secadora, mejor será la eficiencia energética de la maquina.

Este aire se satura por dos razones: 1) porque absorbe humedad al atravesar los granos húmedos, es decir, aumenta su humedad absoluta, y 2) porque cede calor al grano y por ende se enfría y entonces disminuye su humedad de saturación. Es decir, que cuanto menor sea la diferencia de temperatura entre el bulbo seco y el bulbo húmedo de un psicrómetro, el aire estará más saturado.

Según Isaac y Muhlbauer, 1975, una secadora trabajando a 80°C de temperatura del aire de secado, y cuyo aire usado sale casi 100% saturado, estará consumiendo unas 900 kcal/kg de agua evaporada, mientras que si el aire sale con solo 20% de saturación, el consumo será de unas 1 500 kcal/kg.

También es importante la humedad relativa del aire ambiente o exterior. Cuanto menor sea la humedad relativa del aire ambiente y mayor la del aire usado, mejor será el rendimiento, en kcal/kg.

Estas características de la humedad relativa del aire tienen fundamento cuando se está refiriendo a secado con aire natural o a baja temperatura, pero cuando se habla de secado con altas temperaturas, la variación de la humedad relativa del aire exterior tiene escasa trascendencia.

Hay varias maneras de aumentar la saturación del aire usado.

Una de ellas es reducir el caudal del aire pues así aumenta el fiemo de contacto entre aire y grano, y el aire puede recoger más humedad. Pero, esto se consigue a costa de disminuir la capacidad de secado, pues el ingreso total de energía al sistema se restringe. El aumento de eficiencia compensa, en parte, la reducción de capacidad.

Otra forma, como ya se ha expresado en otra parte, es incrementar la temperatura del aire secado, pero dentro de las limitaciones de esta medida.

 

6. Medición de la saturación del aire usado

Esta medición, que significa determinar la humedad relativa del aire usado, puede hacerse por medio de un psicrómetro (ver Capítulo I - 11).

Para ello se debe colocar el psicrómetro en la corriente de aire usado que sale de la maquina, mantenerlo hasta que los valores se mantengan estables (1 a 3 minutos), procurando siempre que se conserve húmeda la tela que cubre el bulbo húmedo. Registrados los datos de bulbo seco y de bulbo húmedo, se consulta el Cuadro 5.

Este cuadro, extraído de Berhaut y Lasseran, 1986, permite conocer el consumo especifico de energía. Aclaran dichos autores que estos datos son aproximados, y no pueden reemplazar a controles más completos.

En las secadoras comerciales verticales, la humedad relativa del aire usado se va reduciendo a medida que el grano se seca.

Entonces, en la parte superior de la cámara de secado, el aire puede salir con una HR cercana a la saturación, mientras que en la parte inferior puede estar a sólo 20% de HR.

Diferencia entre Ts y Th 25°C 30°C 35°C 40°C 45°C 50°C 55°C 60°C
2°C 960 890 850 810 790 760 740 720
5°C 1100 1000 930 870 830 790 760 740
7 °C 1500 1200 1000 920 870 820 780 760
10°C 5800 1600 1200 1000 940 870 870 790
12°C   2800 1500 1200 1000 920 860 810
15°C     2900 1500 1200 1000 930 860
17°C       2100 1400 1100 990 900
20°C         2100 1400 1100 980
22°C           1700 1300 1100
25°C           3200 1700 1200
27°C             2100 1400

Cuadro 5. Cantidad de calor, en kcal, usada para evaporar 1 kg de agua, en función de las temperaturas seca (Ts) y húmeda (Th) del aire usado. (Cortesía Berhaut y Lasseran)

 

7. Medición de la temperatura del aire usado

Como se ha mencionado antes, esta temperatura varía entre 35 y 60°C, dependiendo del tipo de secadora y las condiciones de secado. Es menester vigilarla regularmente pues es un índice del buen funcionamiento del sistema. Normalmente se mantiene estable, pero si aumenta con rapidez, puede significar un principio de incendio.

Aun sin llegar a un principio de incendio, la elevación de dicha temperatura es una señal de un comienzo de obstrucción, que se acompaña de una disminución de la saturación del aire, seguido de una reducción del rendimiento de la máquina.

Es por esta razón que las secadoras deberían estar equipadas con un sistema de control que avise, por algún tipo de alarma, de una elevación brusca de temperatura. El control tendría que estar regulado para actuar cuando esa elevación sea de unos 15-20°C encima de la temperatura corriente del aire usado. Lo ideal sería un sistema automático que, al alcanzar esas temperaturas, apague el quemador y detenga los ventiladores.

La medición de la temperatura de dicho aire debe ser realizada a distintos niveles de la cámara de secado, para asegurarse que esté bien distribuida, de acuerdo a las temperaturas de entrada.

 

8. Cálculo caudal de aire de la secadora

Conocida la cantidad de agua a evaporar y calculado el consumo energético, es útil determinar la cantidad de aire para transportar la cantidad de calor ya establecida sin superar una temperatura de trabajo prefijada.

El cálculo, en m³/min, se puede hacer con la siguiente fórmula:

Caudal (m³/min) = consumo energético (kcal/h) / [Dt x 17]

Donde:

Dt: diferencia entre la temperatura del aire de secado y la temperatura ambiente

17: constante de Foster

Ejemplo: En la cita del tema "Eficiencia de una secadora" se determinó un consumo energético de 2 214 000 kcal/h. Se supone que la temperatura del aire de secado es de 100°C y la del ambiente de 20°C, luego Dt = 80.

Caudal = 2 214 00 kcal/h / [80 x 17]= 1 628 m³/minuto

El conocimiento de este dato permite seleccionar el tamaño del ventilador o de los ventiladores.

Los caudales de aire de los ventiladores de aire caliente varían de 700 a 3 000 m³/min, de acuerdo al tipo de máquina. En promedio, alrededor de 1 800 m³/min. Esto significa valores medios entre 2 000 y 2 800 m³/hora y por m³ de grano en la cámara de secado.

Este caudal específico se obtiene dividiendo el caudal del ventilador por el volumen de la cámara secado.

 

9. Consumo de combustible

Se presenta a continuación un cálculo aproximado para conocer cuál es el consumo de combustible de una secadora comercial tipo torre, para que los usuarios puedan compararlo con el consumo real de sus secadoras.

Ejemplo: Una secadora que debe secar maíz de 21 a 14% de humedad, y que tiene una capacidad de fábrica de 30 t/h. Se supone un consumo específico de energía de 1 200 kcal/kg de agua evaporada.

Secar de 21 a 14% significa una merma de 8,14%.

30 t/h es la capacidad de grano seco, pero debe calcularse la cantidad de grano húmedo que ingresó en 1 hora. Para ello se aplica la fórmula:

[100-14] / [100 - 21] x 30 t/h = 32,65 t/h

32,65-30 = 2 658 t/h = 2 658 kg de aguad/h

2 658 kg/h x 1 200 kcal/kg = 3 189 600 kcal/h

Si cada kg de gasoil libera 10 100 kcal/kg, resulta un consumo de:

3 189 600 / 10 100 = 316 kg gasoil/hora

o sea 316 kg/h / 32,65 t/h = 9,67 kg/t = 0,97 kg/quintal

Que serán iguales a 1,18 l/quintal, o a 385 l/hora

Otra forma de expresar el consumo de combustible es en litros por tonelada y por punto de humedad. En el ejemplo anterior sería:

11.8 l/t / 7p = 1 ,69 l/t.p

 

10. Medición del consumo de combustible

Como en la mayor parte de las plantas de acopia el combustible se encuentra depositado en grandes tanques, generalmente subterráneos, resulta difícil medir el consumo del mismo. La solución sería equipar la línea con algún medidor especial, que se hallan en el comercio, del tipo usado en las estaciones de servicio de automotores.

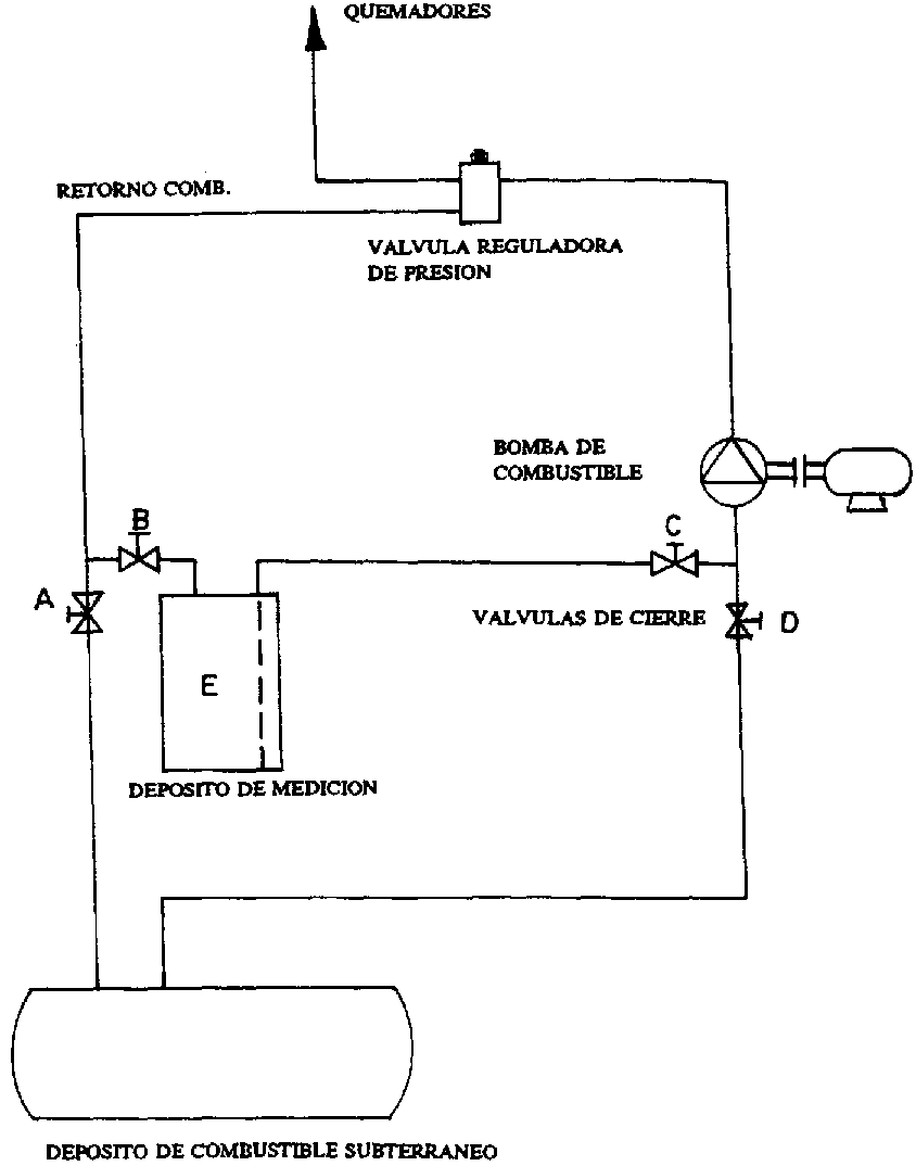
Una solución más barata para hacer mediciones por períodos de una hora o más, se muestra en la Figura 21. Para ello se aprovecha el retorno de combustible, colocando un tanque de unos 200 litros (E) que es llenado por dicho retorno, cerrando la válvula A y abriendo la válvula B. Este depósito tiene una varilla graduada que permite conocer con facilidad el combustible consumido. Cuando este tanque está lleno, se abre la válvula C y se cierra la D, para que el combustible fluya del tanque E hacia la bomba de combustible, y luego al quemador.

Pesando la cantidad de grano seco que salió de la secadora en el período de tiempo que se uso este equipo y midiendo el consumo de combustible, es fácil calcular los litros gastados por quintal o por hora.

Si el consumo real así medido fuera mayor que el valor calculado, significa que el consumo específico de energía es mayor que lo normal, y que la secadora, por consiguiente, es poco eficiente.

 

11. Consumo de electricidad

De acuerdo a los datos suministrados por diversos fabricantes, la potencia total absorbida por las máquinas se puede calcular de la siguiente forma (en CV):

Secadoras de caballetes: 1,5 x capacidad secado en t/h

Secadoras de columnas: 2,0 x capacidad secado en t/h

Así una secadora de caballetes de 50 t/h requerirá una potencia de 75 CV (1,5 x 50) mientras que una de columnas requerirá 100 CV (2 x 50).

Los CV se deben expresar en kw, multiplicándolos por 0,736.

Figura 21. Equipo para medición de combustible (Cortesía Ing. Suñer)

Para la secadora de caballetes: 75 CV x 0,736 = 55,2 kw. En una hora de trabajo serán 55,2 kwhora.

Esto significa un consumo por t de grano:

55.2 kwhora / 50 t/h = 1,1 kwh/t

Este consumo se refiere a un maíz que se seca de 18 a 13,5%. Si se secara, por ejemplo, de 25 a 13,5%, el consumo aumentaría a:

55,2 kwhora / 15,2 t/h = 3,6 kwh/t

Este consumo de electricidad, para sumarlo al consumo de combustible y obtener así el consumo total de energía, debería transformarse a kcal/hora:

1 kw = 859,8 kcal/hora

Para 55,2 kw = 47 461 kcal/hora, que es el consumo de electricidad.

Comparado con el consumo de combustible, que era de 2 214 000 kcal/hora, de acuerdo al ejemplo visto anteriormente, resulta ser sólo de 2,1%, de manera que para estos tipos de cálculos el consumo de electricidad tiene poca incidencia.

 

12. Potencia consumida

Hay una relación proporcional entre la capacidad nominal de una secadora en t/hora y la potencia en CV necesaria para accionar todos los mecanismos. Las secadoras más grandes absorberán, por supuesto, mayor potencia total.

La potencia se precisa para impulsar los ventiladores de aire caliente y de aire frío, la bomba de combustible, el ventilador de aire secundario para el quemador, el mecanismo de descarga, sinfines de tolva superior y otros dispositivos. También hay que agregar la potencia consumida por la noria elevadora o el transportador de carga de la secadora.

Una forma interesante de comparar los consumos de potencia en secadoras es dividir la potencia total consumida en CV por la capacidad nominal en t/hora, cálculo que se expresa en CV hora por tonelada y que denominamos "potencia consumida por t".

Cuanto menor sea este índice, mejor será el aprovechamiento de la potencia (Capítulo XI).

 

13. Combustibles Iíquidos para el secado

Se encuentran en el mercado los siguientes:

Gasoil
Diesel oíl
Diluyente para fueloil
Fueloil
Kerosene

El gasoil es el mas caro y el fueloil el más barato, pero por razones operativas y de mantenimiento no se aconseja el uso de este último, ya que es un combustible sucio. El kerosene es un buen combustible, pero suele producir olores objetables y su costo es algo mayor.

En cuanto al diluyente, si bien tiene un buen poder calórico y otras propiedades, presenta ciertos inconvenientes, como degradarse en almacenamientos prolongados, y tapar con más frecuencia los filtros y los picos.

Estos combustibles líquidos producen compuestos químicos en la combustión (ver tema "Ventajas del gas") que se consideran contaminantes de los granos, siendo mayor esta contaminación cuanto más pesados sean. Sin embargo, un gasoil limpio, con un quemador bien regulado y mantenido, origina muy poco benzopireno, un contaminante.

La diferencia de precios de los combustibles mencionados es el motivo principal de la elección de su uso, lo cual no suele estar de acuerdo con los factores de calidad del grano.

Esto es particularmente trascendente en el secado de trigo, debido a su consumo directo como harina y pan.

Cuando se adquieran combustibles más baratos, como dieseloil, diluyente y fueloil, hay que tener muy en cuenta la elección del proveedor, para evitar mezclas, adulteraciones y otras maniobras que perjudican la calidad de los productos. Sólo deben contratarse los proveedores de agentes o distribuidores oficiales de las distintas compañías.

Otra advertencia es que cuando se emplean combustibles pasados y en climas muy fríos, deben ser mantenidos en depósitos a temperaturas de 50-55°C para que no coagulen.

Un consejo para los acopladores: pesar el camión que trae el combustible (cargado y vacío). Con los kg obtenidos y el dato de densidad que figura en el Cuadro 6, se calculan los litros recibidos, los cuales deben ser muy aproximados a los que figuran en la nota de remisión.

 

14. Combustibles gaseosos

Hay dos tipos principales de gas que pueden emplearse:

  1. Gas licuado (propano y/o butano), que es provisto en tanques o cisternas. Es un producto líquido, que se gasifica rápidamente al abrir las válvulas, por la alta presión a que está sometido.
  2. Gas natural, que se recibe por cañerías de la red general de gasoductos que abastecen a gran parte del país. Este ges circula a baja presión y su precio es inferior al primero.

El gas licuado requiere, además de la provisión regular del mismo por las empresas abastecedoras, de un sistema de combustible que contiene válvulas, manómetros, llaves, elementos de seguridad y conductos, además de los tanques o depósitos de gas.

El gas natural, si bien es más barato y más simple su manejo, necesita contar con la línea que conecte la secadora con la red general. En la mayoría de los casos la red está alejada, y el propietario de la planta debe hacerse cargo del costo de la misma. Sin embargo, el gas natural tiene la ventaja de no tener la necesidad de un depósito o tanque y de la seguridad de su aprovisionamiento.

La equivalencia entre el consumo de gasoil y de gas envasado (propano) se establece sobre el poder calórico de ambos combustibles y los pesos específicos respectivos (Cuadro 6).

1 litro gasoil/hora = 0,78 kg gas/hora = 1,54 l gas/hora

Así, una secadora que consuma 180 l/hora de gasoil, consumirá aproximadamente 140 kg/hora de gas envasado ó 277 l/hora del mismo gas.

Cuadro 6. Conversiones energéticas


Indice - Precedente - Siguiente

CD3WD Project Donate